Например TDA7294

Форум РадиоКот • Просмотр темы - Радиоуправление своими руками.
Форум РадиоКот
Здесь можно немножко помяукать :)

Текущее время: Вс дек 28, 2025 20:12:03

Часовой пояс: UTC + 3 часа


ПРЯМО СЕЙЧАС:



Начать новую тему Ответить на тему  [ Сообщений: 281 ]  1, , , , ...  
Автор Сообщение
Не в сети
 Заголовок сообщения: Радиоуправление своими руками.
СообщениеДобавлено: Сб окт 29, 2022 17:17:22 
Друг Кота

Карма: -1
Рейтинг сообщений: 86
Зарегистрирован: Вт мар 13, 2012 12:16:13
Сообщений: 8890
Откуда: .ru
Рейтинг сообщения: 0
Сюда выкладываем все свои проекты по радиоуправлению (RC-модели, радио пульты, Умный Дом и т.д.)

RC-модели.

Что уже сделано:
https://www.youtube.com/watch?v=8DyU3NnTP60
https://www.youtube.com/watch?v=cQme_y4TORw
https://www.youtube.com/watch?v=9ZNRTM8qY5M

https://www.youtube.com/watch?v=qWojRM-tjP0
https://www.youtube.com/watch?v=VvzbTWOdV3g
Протокол передачи стандартный: PCM-256. (https://archive.rcopen.com/articles/rad ... ztoc8736_3).
Вложение:
PCM-256.jpg [150.59 KiB]
Скачиваний: 1548

Схема, печатка, прошивка, исходники:
Вложение:


Добавлено after 57 minutes 11 seconds:
Далее...

Часть 0.
Сделали рацию 27 МГц.
https://www.radiokot.ru/circuit/analog/ ... ansmit/30/
Подробно.
https://www.radiokot.ru/forum/download/ ... ?id=153036
В сборе.
https://www.radiokot.ru/forum/download/ ... ?id=136008
https://www.radiokot.ru/forum/download/ ... ?id=137041
https://www.radiokot.ru/forum/download/ ... ?id=181417
Форум.
https://www.radiokot.ru/forum/viewtopic ... 25&t=81735
Сборка.
https://www.radiokot.ru/forum/download/ ... ?id=154401
https://www.radiokot.ru/forum/download/ ... ?id=154400
https://www.radiokot.ru/forum/download/ ... ?id=154402
Настройка.
https://www.youtube.com/watch?v=RQrnRbmCKSE
https://www.youtube.com/watch?v=lB6VJasnrhk
https://www.youtube.com/watch?v=yB63QQqEPE0
Работа.
https://www.youtube.com/watch?v=5ozJORHRwog
Ещё.
https://www.radiokot.ru/forum/download/ ... ?id=161405
https://www.radiokot.ru/forum/download/ ... ?id=177569
https://www.radiokot.ru/forum/download/ ... ?id=177570
https://www.radiokot.ru/forum/download/ ... ?id=177852
https://www.radiokot.ru/forum/download/ ... ?id=178395
Вложение:
рация 27 МГц модернизированная.jpg [78.19 KiB]
Скачиваний: 266


Добавлено after 19 minutes 21 second:
Далее...

Часть 1.
Из рации 27 МГц сделали радиоуправление для RC-модели.
Пульт.
https://www.radiokot.ru/forum/download/ ... ?id=291866
https://www.radiokot.ru/forum/download/ ... ?id=291867
Платы.
https://www.radiokot.ru/forum/download/ ... ?id=291870
Схема радио.
https://www.radiokot.ru/forum/download/ ... ?id=291872
Схема пульт.
https://www.radiokot.ru/forum/download/ ... ?id=291873
Схема модель.
https://www.radiokot.ru/forum/download/ ... ?id=291874
Протокол передачи стандартный: PCM-256.
https://www.radiokot.ru/forum/download/ ... ?id=291875
Осциллограммы приёмника.
https://www.radiokot.ru/forum/download/ ... ?id=291876
В приёмнике используется цифровая обработка сигнала.
https://www.radiokot.ru/forum/download/ ... ?id=313989
Модуляция "манчестер".
https://www.radiokot.ru/forum/download/ ... ?id=313992

Добавлено after 1 hour 21 minute 31 second:
Далее...

Часть 2.
Заменили 27 МГц на FS1000A на 433 МГц.
https://www.radiokot.ru/forum/download/ ... ?id=256559
Сделали радиоуправление для RC-модели.
https://www.radiokot.ru/forum/download/ ... ?id=211227
https://www.radiokot.ru/forum/download/ ... ?id=211228
Схема.
https://www.radiokot.ru/forum/download/ ... ?id=257730
Осциллограммы входа TX и выхода RX при хорошем сигнале:
https://www.radiokot.ru/forum/download/ ... ?id=256560
Осциллограммы входа TX и выхода RX при слабом сигнале:
https://www.radiokot.ru/forum/download/ ... ?id=256561
Меняем схему.
https://www.radiokot.ru/forum/download/ ... ?id=257797
Осциллограммы входа TX и выхода RX после модернизации:
https://www.radiokot.ru/forum/download/ ... ?id=258572
Сделали RC-модель.
https://img.radiokot.ru/files/88798/med ... e70ii8.jpg
https://img.radiokot.ru/files/88798/med ... e88syt.jpg
https://img.radiokot.ru/files/88798/med ... e53keo.jpg
https://img.radiokot.ru/files/88798/med ... e9adhy.jpg
Всё работает.

Добавлено after 22 minutes 24 seconds:
Далее...

Часть 3.
Заменили FS1000A (433 МГц) на Ethernet модуль.
https://www.radiokot.ru/forum/download/ ... ?id=314658
Взяли два Wi-Fi роутера. Собрали по такой схеме.
https://www.radiokot.ru/forum/download/ ... ?id=315796
Отчёт анализатора.
https://www.radiokot.ru/forum/download/ ... ?id=315797
Сделали радиоуправление Wi-Fi для RC-модели.
https://www.radiokot.ru/forum/download/ ... ?id=314856
Всё работает.

Добавлено after 1 hour 10 minutes:
Далее...

Ещё одна RC-модель на nRF24L01+(2,4 ГГц).
https://www.radiokot.ru/forum/download/ ... ?id=320444
https://www.radiokot.ru/forum/download/ ... ?id=320442
https://www.radiokot.ru/forum/download/ ... ?id=320441
Вложение:
машинка.rar [640.03 KiB]
Скачиваний: 248


Добавлено after 59 minutes 54 seconds:
Далее...

Часть 4.
Модернизация RC-модель на nRF24L01+(2,4 ГГц).
https://www.youtube.com/watch?v=RVG3z76AJZg
https://www.youtube.com/watch?v=QPIcjcUwXwU
С подключением к ПК.
https://www.youtube.com/watch?v=HlmdDf6 ... ER&index=9
Схема, прошивка, исходники:
Вложение:
RC-модель_модернизация_1.rar [423.47 KiB]
Скачиваний: 257


Добавлено after 2 hours 35 minutes 8 seconds:
Далее...

Модернизация RC-модель на nRF24L01+(2,4 ГГц).
Добавили второй экран + GPS + разные датчики...
Вложение:
RC-модель_модернизация_2.rar [1009.42 KiB]
Скачиваний: 244


Добавлено after 1 hour 26 minutes 10 seconds:
Протокол передачи во всех схемах стандартный: PCM-256.

На этом проверенные схемы заканчиваются...
Далее идут ТЕСТОВЫЕ схемы (не повторять!).

А в последней тестовой схеме добавили всё что нашли в доме))
Вложение:
пульт.jpg [150.91 KiB]
Скачиваний: 2358

Вложение:
модель.jpg [171.17 KiB]
Скачиваний: 2072

Ещё подключили экранчик - TFT Nokia 6300 (контроллер MC2PA8201).
https://www.radiokot.ru/forum/download/ ... ?id=357053
всё в тестовом режиме...
https://www.radiokot.ru/forum/download/ ... ?id=356621
https://www.radiokot.ru/forum/download/ ... ?id=356600
https://www.radiokot.ru/forum/download/ ... ?id=358170
https://www.radiokot.ru/forum/download/ ... ?id=357135
https://www.radiokot.ru/forum/download/ ... ?id=356885
https://www.radiokot.ru/forum/download/ ... ?id=356834
...

Добавлено after 1 hour 11 minutes 24 seconds:
тесты...
Вложение:
Пульт_6300.jpg [86.93 KiB]
Скачиваний: 239

Вложение:
пульт_6300.c [144.16 KiB]
Скачиваний: 200

Вложение:
пульт_6300.rar [22.88 KiB]
Скачиваний: 221


Добавлено after 1 minute 34 seconds:
тесты...
Вложение:
Модель_6300.jpg [80.78 KiB]
Скачиваний: 214

Вложение:
модель_6300.c [60.16 KiB]
Скачиваний: 162

Вложение:
модель_6300.rar [24.88 KiB]
Скачиваний: 201


Добавлено after 1 minute 45 seconds:
тесты...
Вложение:
консоль_6300.c [62.07 KiB]
Скачиваний: 166

Вложение:
консоль_6300.rar [21.46 KiB]
Скачиваний: 216

Вложение:
пульт_консоль.rar [26.01 KiB]
Скачиваний: 223


Добавлено after 8 hours 44 minutes 30 seconds:
Ещё варианты схем...
https://www.radiokot.ru/forum/download/ ... ?id=359975
https://www.radiokot.ru/forum/download/ ... ?id=360055

А ещё надо добавить шифрование... AES_256...
Правда при этом тормозить будет... время отклика RC-модели увеличится с 30 мс до 300 мс...
В современных ПК за шифрование отвечает отдельный МК...
Надо подумать.

Далее...

Часть 5.
Будем подключать к RC-модели разные гаджеты...
Вложение:
RC-модель.jpg [104.01 KiB]
Скачиваний: 235

Например Wi-Fi эхолот пока работает отдельно. Надо подключить к нашей RC-модели.
А дальше надо полностью перевести всё управление на гаджет (в качестве основного или резервного).

Добавлено after 4 minutes 18 seconds:
Wi-Fi эхолот
https://www.radiokot.ru/forum/download/ ... ?id=359915

Добавлено after 3 hours 53 minutes 16 seconds:
остановились на такой схеме...
Вложение:
подключение к компу Atmega_8.jpg [144.42 KiB]
Скачиваний: 251

в тестовом режиме работает...
https://www.radiokot.ru/forum/download/ ... ?id=375303
теперь надо сделать по нормальному...

Добавлено after 22 minutes 1 second:
эта же технология будет использована в Умном Доме...
https://www.radiokot.ru/forum/download/ ... ?id=380302
https://www.radiokot.ru/forum/download/ ... ?id=380303
https://www.radiokot.ru/forum/download/ ... ?id=380296
https://www.radiokot.ru/forum/download/ ... ?id=380720
...

Добавлено after 17 minutes 27 seconds:
Умный Дом с низким энергопотреблением (5 V, 1 мкА).
https://www.radiokot.ru/forum/download/ ... ?id=375265
https://www.radiokot.ru/forum/download/ ... ?id=375264
https://www.radiokot.ru/forum/download/ ... ?id=375258
https://www.radiokot.ru/forum/download/ ... ?id=374069
https://www.radiokot.ru/forum/download/ ... ?id=373832
https://www.radiokot.ru/forum/download/ ... ?id=373834
...

Добавлено after 3 minutes 23 seconds:
в конце куски кода всех блоков RC-модели...

Добавлено after 8 minutes 3 seconds:
Ещё простенький пульт на кнопочках на nRF24L01+(2,4 ГГц).
Вложение:
пульт - 2.rar [32.46 KiB]
Скачиваний: 232

Вложение:
пульт - 3.rar [32.32 KiB]
Скачиваний: 240


Добавлено after 1 hour 46 minutes 9 seconds:
добавим PoE в роутер...
https://www.radiokot.ru/forum/download/ ... ?id=385201
проблема в том что трансформатор Ethernet намотан тонким проводом... и имеет короткое замыкание TX и RX...
https://www.radiokot.ru/forum/download/ ... ?id=385202
намотали самодельный трансформатор))
экспериментально определили - надо 10 витков (в два витка) на феррите 12х12 мм...
https://www.radiokot.ru/forum/download/ ... ?id=385205
установили в роутер... подключили + 5V...
https://www.radiokot.ru/forum/download/ ... ?id=385206
работает.

и антенны тоже сделаем самодельные... поменьше ))
экспериментально определили (по максимальному уровню сигнала) - надо 26 мм провода... что соответствует 1/4 волны для 2,4 GHz...
https://www.radiokot.ru/forum/download/ ... ?id=385207
получили: роутер Wi-Fi (2 встроенные антенны) + Ethernet + PoE (5V, 2А).
https://www.radiokot.ru/forum/download/ ... ?id=385208
работает.

Добавлено after 9 minutes 20 seconds:
добавим POE в модуль W5500...
https://www.radiokot.ru/forum/download/ ... ?id=385239
берём такой дроссель...
https://www.radiokot.ru/forum/download/ ... ?id=385387
паяем по такой схеме...
https://www.radiokot.ru/forum/download/ ... ?id=385388
получился модуль W5500 с PoE (5V, 2А).
https://www.radiokot.ru/forum/download/ ... ?id=385389
https://www.radiokot.ru/forum/download/ ... ?id=385390
работает.

берём второй такой модуль...
https://www.radiokot.ru/forum/download/ ... ?id=385601
берём второй такой дроссель...
https://www.radiokot.ru/forum/download/ ... ?id=385602
делам из него высокочастотный трансформатор...
мотаем 6+6 витков... с отводом...
https://www.radiokot.ru/forum/download/ ... ?id=385603
паяем по такой схеме...
https://www.radiokot.ru/forum/download/ ... ?id=385604
модуль W5500 модернизированный...
https://www.radiokot.ru/forum/download/ ... ?id=385605
https://www.radiokot.ru/forum/download/ ... ?id=385606
работает.

итого: сделали POE (5V, 2А) для роутера и модуля W5500 (Ethernet 10 Мбит/c).
теперь можно подключать пульт RC-модели к роутеру...
и наоборот - подключать роутер к пульту RC-модели...
питание от стандартного USB (5V, 2А) без дополнительных блоков питания...


Вложения:
Proteus-модель.rar [23.73 KiB]
Скачиваний: 221
Proteus-пульт.rar [24.22 KiB]
Скачиваний: 220
udp_W5500.c [17.1 KiB]
Скачиваний: 169
tcp_W5500.c [16.77 KiB]
Скачиваний: 191
ping_W5500.c [4.95 KiB]
Скачиваний: 172
macraw_W5500.c [13.96 KiB]
Скачиваний: 165
Ethernet_CRC_32.c [6.31 KiB]
Скачиваний: 156
format_wav.txt [2.6 KiB]
Скачиваний: 140
ATmega8-таймер-сторожевой.c [2.86 KiB]
Скачиваний: 175
ATmega8-таймер-2-ШИМ.c [1.35 KiB]
Скачиваний: 148
ATmega8-таймер-1-ШИМ.c [2.19 KiB]
Скачиваний: 152
ATmega8-таймер-0.c [1.57 KiB]
Скачиваний: 159
ATmega8-SPI.c [3.76 KiB]
Скачиваний: 164
ATmega8-nRF24L01+.c [15.99 KiB]
Скачиваний: 153
ATmega8-ds18b20.c [6.72 KiB]
Скачиваний: 167
ATmega8-ADC.c [2.76 KiB]
Скачиваний: 173
microSD.c [12.04 KiB]
Скачиваний: 158
AES_256.txt [23.63 KiB]
Скачиваний: 150
Вернуться наверх
 
Не в сети
 Заголовок сообщения: Re: Радиоуправление своими руками.
СообщениеДобавлено: Вс окт 30, 2022 17:05:18 
Друг Кота

Карма: -1
Рейтинг сообщений: 86
Зарегистрирован: Вт мар 13, 2012 12:16:13
Сообщений: 8890
Откуда: .ru
Рейтинг сообщения: 0
Далее... подключение к компу.
Вложение:
подключение к компу Atmega_8.jpg [144.42 KiB]
Скачиваний: 207

вариант 1.
Вложение:
1-схема_ATmega8_Ethernet_TX.jpg [23.91 KiB]
Скачиваний: 207

Вложение:
1-Proteus_ATmega8_Ethernet_TX.jpg [118.93 KiB]
Скачиваний: 199

работает))
:tea:
вариант 2.
Вложение:
2-схема_ATmega8-Ethernet-TX_FIFO_4.jpg [80.2 KiB]
Скачиваний: 204

тоже работает)) правда пока не очень стабильно...
:roll:

Добавлено after 2 minutes 53 seconds:
вариант 3.
Вложение:
3-схема_ATmega8-Ethernet-MUX.jpg [95.71 KiB]
Скачиваний: 167

Вложение:
3-Proteus_ATmega8_Ethernet_MUX.jpg [138.84 KiB]
Скачиваний: 182

работает пока только в Протеусе))
:)
вариант 4.
Вложение:
4-схема_ATmega8-Ethernet_TX_REG.jpg [57.14 KiB]
Скачиваний: 166

Вложение:
4-Proteus_ATmega8_Ethernet_TX_REG.jpg [135.49 KiB]
Скачиваний: 173

работает пока только в Протеусе))
:)

Добавлено after 2 minutes 37 seconds:
вариант 5.
Вложение:
5-схема_ATmega8-Ethernet_TX_XOR.jpg [66.04 KiB]
Скачиваний: 182

Вложение:
5-Proteus_ATmega8_Ethernet_TX_XOR.jpg [138.08 KiB]
Скачиваний: 183

работает пока только в Протеусе))
:)
с точки зрения логики... вариант 5... самый лучший))
но и самый сложный в настройке.
:tea:


Вернуться наверх
 
Не в сети
 Заголовок сообщения: Re: Радиоуправление своими руками.
СообщениеДобавлено: Чт ноя 03, 2022 23:00:51 
Друг Кота

Карма: -1
Рейтинг сообщений: 86
Зарегистрирован: Вт мар 13, 2012 12:16:13
Сообщений: 8890
Откуда: .ru
Рейтинг сообщения: 0
Далее... приём Ethernet.
Надо сделать вот это
https://ru.wikipedia.org/wiki/Манчестер ... одирования
Вложение:
RX.jpg [49.11 KiB]
Скачиваний: 202

вариант 1.
Вложение:
схема.jpg [75.3 KiB]
Скачиваний: 197

Вложение:
протеус.jpg [190.54 KiB]
Скачиваний: 177

ну... допустим))
:tea:

Добавлено after 4 hours 33 minutes:
Вложение:
схема.jpg [54.62 KiB]
Скачиваний: 213

:roll:


Вложения:
Server_TCP.jpg [44.15 KiB]
Скачиваний: 194
Server_TCP.txt [15.86 KiB]
Скачиваний: 150
Server_TCP.rar [6.92 KiB]
Скачиваний: 207
Вернуться наверх
 
Не в сети
 Заголовок сообщения: Re: Радиоуправление своими руками.
СообщениеДобавлено: Пт ноя 04, 2022 18:17:30 
Друг Кота

Карма: -1
Рейтинг сообщений: 86
Зарегистрирован: Вт мар 13, 2012 12:16:13
Сообщений: 8890
Откуда: .ru
Рейтинг сообщения: 0
Вложение:
протеус.jpg [170.26 KiB]
Скачиваний: 200

в теории... всё как бы работает))
:roll:


Вернуться наверх
 
Эиком - электронные компоненты и радиодетали
Не в сети
 Заголовок сообщения: Re: Радиоуправление своими руками.
СообщениеДобавлено: Сб ноя 05, 2022 16:48:49 
Друг Кота

Карма: -1
Рейтинг сообщений: 86
Зарегистрирован: Вт мар 13, 2012 12:16:13
Сообщений: 8890
Откуда: .ru
Рейтинг сообщения: 0
Вложение:
схема.jpg [95.43 KiB]
Скачиваний: 199

Вложение:
протеус.jpg [193.47 KiB]
Скачиваний: 187

уже лучше))
:tea:


Вложения:
ATmega8_AES128.txt [20.54 KiB]
Скачиваний: 142
Вернуться наверх
 
Не в сети
 Заголовок сообщения: Re: Радиоуправление своими руками.
СообщениеДобавлено: Вт ноя 08, 2022 01:50:05 
Друг Кота

Карма: -1
Рейтинг сообщений: 86
Зарегистрирован: Вт мар 13, 2012 12:16:13
Сообщений: 8890
Откуда: .ru
Рейтинг сообщения: 0
на чём мы остановились... тесты уже делали...
осциллограммы Ethernet (согласно спецификации 10BASE-T).
https://www.radiokot.ru/forum/download/ ... ?id=360224
https://www.radiokot.ru/forum/download/ ... ?id=360225
подключаем по схеме...
https://www.radiokot.ru/forum/download/ ... ?id=360228
смотрим...
https://www.radiokot.ru/forum/download/ ... ?id=360212
Расчётная скорость передачи пакетов у нас должна быть 17.000 пакетов/c. Но на анализаторе мы видим 8.630 пакетов/c.
Половина пектов теряется...
Почему так происходит ? :roll: Потому что мы нарушили требования спецификации https://ru.wikipedia.org/wiki/10BASE-T
У нас ATmega8 передаёт пакеты непрерывно... А согласно спецификации межпакетный интервал должен составлять 9,6 мкс.
https://en.wikipedia.org/wiki/Interpacket_gap
Переделаем всё по стандарту.
https://www.radiokot.ru/forum/download/ ... ?id=360214
https://www.radiokot.ru/forum/download/ ... ?id=360215
https://www.radiokot.ru/forum/download/ ... ?id=360216
Расчётная скорость передачи пакетов у нас должна быть около 14.000 пакетов/c. На анализаторе видим 14.431 пакетов/c.
ещё...
Когда ATmega8 не передаёт пакеты, ATmega8 передаёт импульсы NLP (согласно спецификации 10BASE-T).
https://www.radiokot.ru/forum/download/ ... ?id=360213
работает ))
https://www.radiokot.ru/forum/download/ ... ?id=360283
https://www.radiokot.ru/forum/download/ ... ?id=360260
:tea:


Вернуться наверх
 
Не в сети
 Заголовок сообщения: Re: Радиоуправление своими руками.
СообщениеДобавлено: Ср ноя 16, 2022 23:34:02 
Друг Кота

Карма: -1
Рейтинг сообщений: 86
Зарегистрирован: Вт мар 13, 2012 12:16:13
Сообщений: 8890
Откуда: .ru
Рейтинг сообщения: 0
продолжаем делать... наш синхрофазотрон))
:))
Вложение:
схема_тест_1.jpg [90.42 KiB]
Скачиваний: 194

работает))
приехали sn74hc00
Вложение:
схема_тест_2.jpg [116.02 KiB]
Скачиваний: 188

и так работает))
:tea:


Вернуться наверх
 
Не в сети
 Заголовок сообщения: Re: Радиоуправление своими руками.
СообщениеДобавлено: Сб ноя 19, 2022 10:36:05 
Друг Кота

Карма: -1
Рейтинг сообщений: 86
Зарегистрирован: Вт мар 13, 2012 12:16:13
Сообщений: 8890
Откуда: .ru
Рейтинг сообщения: 0
попробуем переделать на мультивибратор...
Вложение:
схема.jpg [70.29 KiB]
Скачиваний: 188

и нифига не работает )) сигнал на выходе есть... но передачи нет.
:dont_know:
видать мультивибратор даёт неправильный сигнал...
короче... нужна другая схема... там где чистый меандр.
:tea:


Вернуться наверх
 
Не в сети
 Заголовок сообщения: Re: Радиоуправление своими руками.
СообщениеДобавлено: Вс ноя 20, 2022 03:08:05 
Друг Кота

Карма: -1
Рейтинг сообщений: 86
Зарегистрирован: Вт мар 13, 2012 12:16:13
Сообщений: 8890
Откуда: .ru
Рейтинг сообщения: 0
попробуем переделать на генератор второго МК...
Вложение:
схема_тест_3.jpg [105.86 KiB]
Скачиваний: 166

а так хорошо))
генератор второго МК выдаёт чистый меандр.
:tea:
вывод: мультивибратор в нашей схеме не подходит.

Добавлено after 54 minutes 4 seconds:
далее... делаем синхрофазотрон))
добавляем третий МК - это будет мультиплексор.
добавляем сумматор - это будет коммутатор.
собираем по такой схеме
Вложение:
схема_синхрофазотрон.jpg [104.66 KiB]
Скачиваний: 176

проверяем...
Вложение:
схема_тест_4.jpg [126.11 KiB]
Скачиваний: 158

ура !)) наш синхрофазотрон заработал))
:))
теперь надо немного подкрутить программу и добавить загрузку данных...
:tea:

Добавлено after 1 minute 14 seconds:
максимальная скорость передачи пакетов в тестовом режиме 14.000 пак/c.
нормально))


Вернуться наверх
 
Не в сети
 Заголовок сообщения: Re: Радиоуправление своими руками.
СообщениеДобавлено: Вс ноя 20, 2022 15:36:14 
Друг Кота

Карма: -1
Рейтинг сообщений: 86
Зарегистрирован: Вт мар 13, 2012 12:16:13
Сообщений: 8890
Откуда: .ru
Рейтинг сообщения: 0
ещё можно поставить сумматор побольше...)) и передавать сразу байтами...
Вложение:
сумматор.jpg [20.94 KiB]
Скачиваний: 163

только это не улучшит работу схемы... а только увеличит количество деталей...
хотя это освободит такты МК...
:tea:


Вернуться наверх
 
Не в сети
 Заголовок сообщения: Re: Радиоуправление своими руками.
СообщениеДобавлено: Вт ноя 22, 2022 00:17:21 
Друг Кота

Карма: -1
Рейтинг сообщений: 86
Зарегистрирован: Вт мар 13, 2012 12:16:13
Сообщений: 8890
Откуда: .ru
Рейтинг сообщения: 0
далее... немного подкрутили программу и добавили загрузку данных... по SPI (5 Мбит/c).
собираем по такой схеме
Вложение:
схема.jpg [91.86 KiB]
Скачиваний: 170

проверяем...
Вложение:
схема_тест_5.jpg [123.74 KiB]
Скачиваний: 158

нормально))
:tea:


Вернуться наверх
 
Не в сети
 Заголовок сообщения: Re: Радиоуправление своими руками.
СообщениеДобавлено: Чт ноя 24, 2022 16:38:11 
Друг Кота

Карма: -1
Рейтинг сообщений: 86
Зарегистрирован: Вт мар 13, 2012 12:16:13
Сообщений: 8890
Откуда: .ru
Рейтинг сообщения: 0
далее... немного подкрутили программу и добавили вычисление контрольных сумм...
-IP заголовка
-UDP пакета
-Ethernet пакета
Вложение:
схема_тест_6.jpg [117.29 KiB]
Скачиваний: 184

как и ожидалось скорость упала в 2 раза...
про шифрование я вообще молчу)) скорость упадёт в 10 раза...
но в целом нормально))
:tea:


Вернуться наверх
 
Не в сети
 Заголовок сообщения: Re: Радиоуправление своими руками.
СообщениеДобавлено: Вт ноя 29, 2022 17:16:38 
Друг Кота

Карма: -1
Рейтинг сообщений: 86
Зарегистрирован: Вт мар 13, 2012 12:16:13
Сообщений: 8890
Откуда: .ru
Рейтинг сообщения: 0
далее... немного подкрутили программу и добавили INT...
Вложение:
схема_тест_7.jpg [114.75 KiB]
Скачиваний: 155

Вложение:
протеус_7.jpg [21.95 KiB]
Скачиваний: 163

скорость 5100 байт/с.
нормально))
:tea:

Добавлено after 1 minute 8 seconds:
чето не могу въехать как посчитать CRC32 если пакет UDP - не кратный 4 ?
Вложение:
CRC32.jpg [104.76 KiB]
Скачиваний: 161

:roll:


Вернуться наверх
 
Не в сети
 Заголовок сообщения: Re: Радиоуправление своими руками.
СообщениеДобавлено: Пт дек 02, 2022 01:35:15 
Друг Кота

Карма: -1
Рейтинг сообщений: 86
Зарегистрирован: Вт мар 13, 2012 12:16:13
Сообщений: 8890
Откуда: .ru
Рейтинг сообщения: 0
roman.com писал(а):
чето не могу въехать как посчитать CRC32 если пакет UDP - не кратный 4 ?

очень просто)) делать столько интераций буфера CRC32 сколько байт в пакете ))
Вложение:
буфер CRC32.jpg [19.13 KiB]
Скачиваний: 153

немного подкрутили программку... теперь быстрей считаем CRC32... на 10 % ))
Вложение:
схема_5800.jpg [138.4 KiB]
Скачиваний: 148

:tea:


Вложения:
Ethernet_CRC_32_оптимизация_1.c [5.25 KiB]
Скачиваний: 141
Вернуться наверх
 
Не в сети
 Заголовок сообщения: Re: Радиоуправление своими руками.
СообщениеДобавлено: Пт дек 02, 2022 23:02:35 
Друг Кота

Карма: -1
Рейтинг сообщений: 86
Зарегистрирован: Вт мар 13, 2012 12:16:13
Сообщений: 8890
Откуда: .ru
Рейтинг сообщения: 0
далее...
сравним работу заводского Ethernet передатчика и нашего самодельного Ethernet передатчика...
Вложение:
схема_тест_8.jpg [128.13 KiB]
Скачиваний: 160

Ethernet передатчики работают одинаково))
кто сказал что нельзя включать параллельно на один порт роутера несколько передатчиков ? )) в параллели всё работает ))
:tea:

Добавлено after 4 minutes 43 seconds:
выше хотели подключить нашу модель к компу...
Вложение:

для нормальной передачи данных вариант_1 не подходит...
а вариант_2 подходит))
Вложение:

:tea:
теперь надо доделать самодельный Ethernet приёмник...
:roll:

Добавлено after 2 hours 31 minute 13 seconds:
ещё схемка самодельного Ethernet передатчика...
Вложение:
схема_reg_xor.jpg [95.8 KiB]
Скачиваний: 147

лучше так...
Вложение:
схема_reg.jpg [83.76 KiB]
Скачиваний: 160

:roll:


Вернуться наверх
 
Не в сети
 Заголовок сообщения: Re: Радиоуправление своими руками.
СообщениеДобавлено: Вс дек 04, 2022 10:33:55 
Друг Кота

Карма: -1
Рейтинг сообщений: 86
Зарегистрирован: Вт мар 13, 2012 12:16:13
Сообщений: 8890
Откуда: .ru
Рейтинг сообщения: 0
а так ещё лучше))
Вложение:
схема.jpg [90.88 KiB]
Скачиваний: 166

:tea:


Вернуться наверх
 
Не в сети
 Заголовок сообщения: Re: Радиоуправление своими руками.
СообщениеДобавлено: Пн дек 05, 2022 00:39:52 
Друг Кота

Карма: -1
Рейтинг сообщений: 86
Зарегистрирован: Вт мар 13, 2012 12:16:13
Сообщений: 8890
Откуда: .ru
Рейтинг сообщения: 0
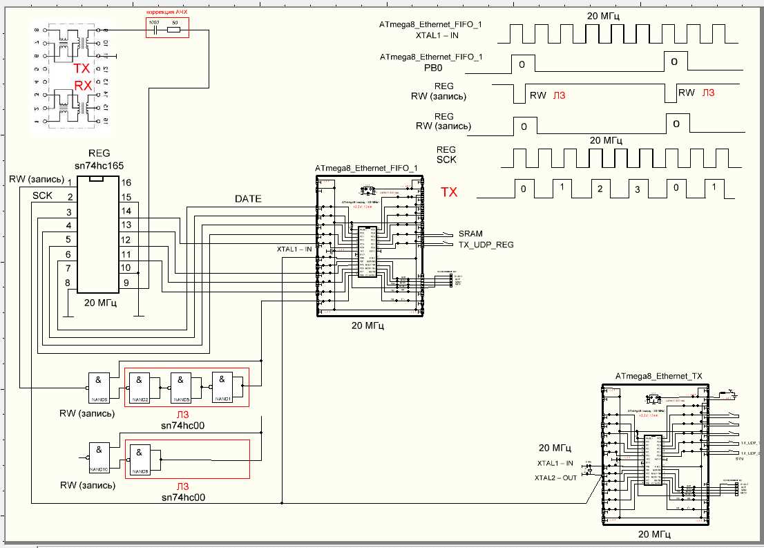
далее... пытаемся запустить наш синхрофазотрон от самодельного кварцевого генератора...
1. собрали по схеме мультивибратора...
Вложение:
мультивибратор.jpg [70.29 KiB]
Скачиваний: 149

не работает)) сигнал на выходе есть... но нифига не работает...
:dont_know:
2. собрали по классической схеме ...
Вложение:
кварц.jpg [35.28 KiB]
Скачиваний: 159

не работает)) сигнал на выходе есть... но нифига не работает...
:dont_know:
3. собрали по заводской схеме... в качестве кварцевого генератора - генератор МК.
работает))
:roll:

шо происходит вообще ?
:shock:
похоже нашему синхрофазотрону требуется идеальный сигнал)) как в МК...
Вложение:
SCK.jpg [52.69 KiB]
Скачиваний: 152

мда...
:roll:


Вернуться наверх
 
Не в сети
 Заголовок сообщения: Re: Радиоуправление своими руками.
СообщениеДобавлено: Вт дек 06, 2022 00:33:36 
Друг Кота

Карма: -1
Рейтинг сообщений: 86
Зарегистрирован: Вт мар 13, 2012 12:16:13
Сообщений: 8890
Откуда: .ru
Рейтинг сообщения: 0
roman.com писал(а):
похоже нашему синхрофазотрону требуется идеальный сигнал)) как в МК...

:)))
в МК тоже не идеальный сигнал... близко к меандру... но не чистый меандр.

Добавлено after 45 seconds:
вот идеальный меандр...

Добавлено after 5 minutes 21 second:
roman.com писал(а):
1. собрали по схеме мультивибратора...
Вложение:
мультивибратор.jpg [70.29 KiB]
Скачиваний: 6

не работает)) сигнал на выходе есть... но нифига не работает...

эта схема мультивибратора работает нормально на старых советский типа К155ЛА3...
Вложение:
мультивибратор.jpg [70.29 KiB]
Скачиваний: 147

причём максимальная частота К155ЛА3 ~18 мгц... на 20 мгц она работать не будет))

а у нас современная 74HC00 работающая до ~50 мгц...
если поставить в схему мультивибратора вместо К155ЛА3 нашу 74HC00... то кварц не работает... при этом 74HC00 возбуждается на собственной паразитной частоте ~15 мгц... поэтому нифига не работает))
:tea:

Добавлено after 3 minutes 8 seconds:
2. собрали по классической схеме ...
Вложение:
SCK.jpg [52.69 KiB]
Скачиваний: 123

не работает)) сигнал на выходе есть... но нифига не работает...
:dont_know:

эта схема работает на 5V...
Вложение:
кварц.jpg [35.28 KiB]
Скачиваний: 126

при наших 3,3 V кварц не работает... при этом 74HC00 возбуждается на собственной паразитной частоте ~15 мгц... поэтому нифига не работает))
:tea:
чтоб эта схема работала надо уменьшить резистор 240 ом примерно в 10 раз...
а лучше вообще его выкинуть)) тогда эта схема выдаёт честные 20 мгц.
:tea:

Добавлено after 3 minutes 12 seconds:
вообще нашему синхрофазотрону чистый меандр и не нужен...
:roll:
хотя есть очень надо чистый меандр то можно попробовать например такую схемку...
Вложение:
кварц_2.jpg [32.25 KiB]
Скачиваний: 139

:roll:

Добавлено after 4 hours 33 minutes 54 seconds:
Вложение:
кварц_2.jpg [20.98 KiB]
Скачиваний: 136

да, схема рабочая... почти меандр на выходе...))
только жрёт много... столько же сколько МК... 11 mA при 3,5 V... или 19 mA при 5 V...
это дофига как много)) и при низких напряжениях (менее 3,5 V) не очень стабильный запуск...
короче.. надо другую схему придумать... более экономичную.
:tea:


Вернуться наверх
 
Не в сети
 Заголовок сообщения: Re: Радиоуправление своими руками.
СообщениеДобавлено: Вт дек 06, 2022 19:01:30 
Друг Кота

Карма: -1
Рейтинг сообщений: 86
Зарегистрирован: Вт мар 13, 2012 12:16:13
Сообщений: 8890
Откуда: .ru
Рейтинг сообщения: 0
и так... в финал конкурса "лучший передатчик года" выходят две схемы...))
Вложение:
схема_1.jpg [106.22 KiB]
Скачиваний: 181

-первая схема рабочая. Протестирована во всех режимах))
Вложение:
схема_2.jpg [95.41 KiB]
Скачиваний: 155

-вторая схема - попытка уменьшить количество деталей... Пока в разработке...
:tea:


Вернуться наверх
 
Не в сети
 Заголовок сообщения: Re: Радиоуправление своими руками.
СообщениеДобавлено: Ср дек 07, 2022 18:06:59 
Друг Кота

Карма: -1
Рейтинг сообщений: 86
Зарегистрирован: Вт мар 13, 2012 12:16:13
Сообщений: 8890
Откуда: .ru
Рейтинг сообщения: 0
короче... эта схема нифига не работает))
Вложение:
схема_2.jpg [95.41 KiB]
Скачиваний: 168

похоже нет синхронизации регистра и МК...
в идеале такие схемы требуют нормальных приборов... задержки в наносекунды нарушают работу схемы...
:tea:


Вернуться наверх
 
Показать сообщения за:  Сортировать по:  Вернуться наверх
Начать новую тему Ответить на тему  [ Сообщений: 281 ]  1, , , , ...  

Часовой пояс: UTC + 3 часа


Кто сейчас на форуме

Сейчас этот форум просматривают: нет зарегистрированных пользователей и гости: 38


Вы не можете начинать темы
Вы не можете отвечать на сообщения
Вы не можете редактировать свои сообщения
Вы не можете удалять свои сообщения
Вы не можете добавлять вложения

Найти:
Перейти:  


Powered by phpBB © 2000, 2002, 2005, 2007 phpBB Group
Русская поддержка phpBB
Extended by Karma MOD © 2007—2012 m157y
Extended by Topic Tags MOD © 2012 m157y