Например TDA7294

Форум РадиоКот • Просмотр темы - Установка для экспонирования фоторезиста
Форум РадиоКот
Здесь можно немножко помяукать :)

Текущее время: Сб янв 17, 2026 08:50:00

Часовой пояс: UTC + 3 часа


ПРЯМО СЕЙЧАС:



Начать новую тему Ответить на тему  [ Сообщений: 159 ]  1, , , , ...  
Автор Сообщение
Не в сети
 Заголовок сообщения: Установка для экспонирования фоторезиста
СообщениеДобавлено: Пт май 14, 2010 09:42:55 
Вымогатель припоя
Аватар пользователя

Карма: 1
Рейтинг сообщений: 1
Зарегистрирован: Чт окт 19, 2006 13:19:04
Сообщений: 579
Откуда: Зеленоград
Рейтинг сообщения: 0
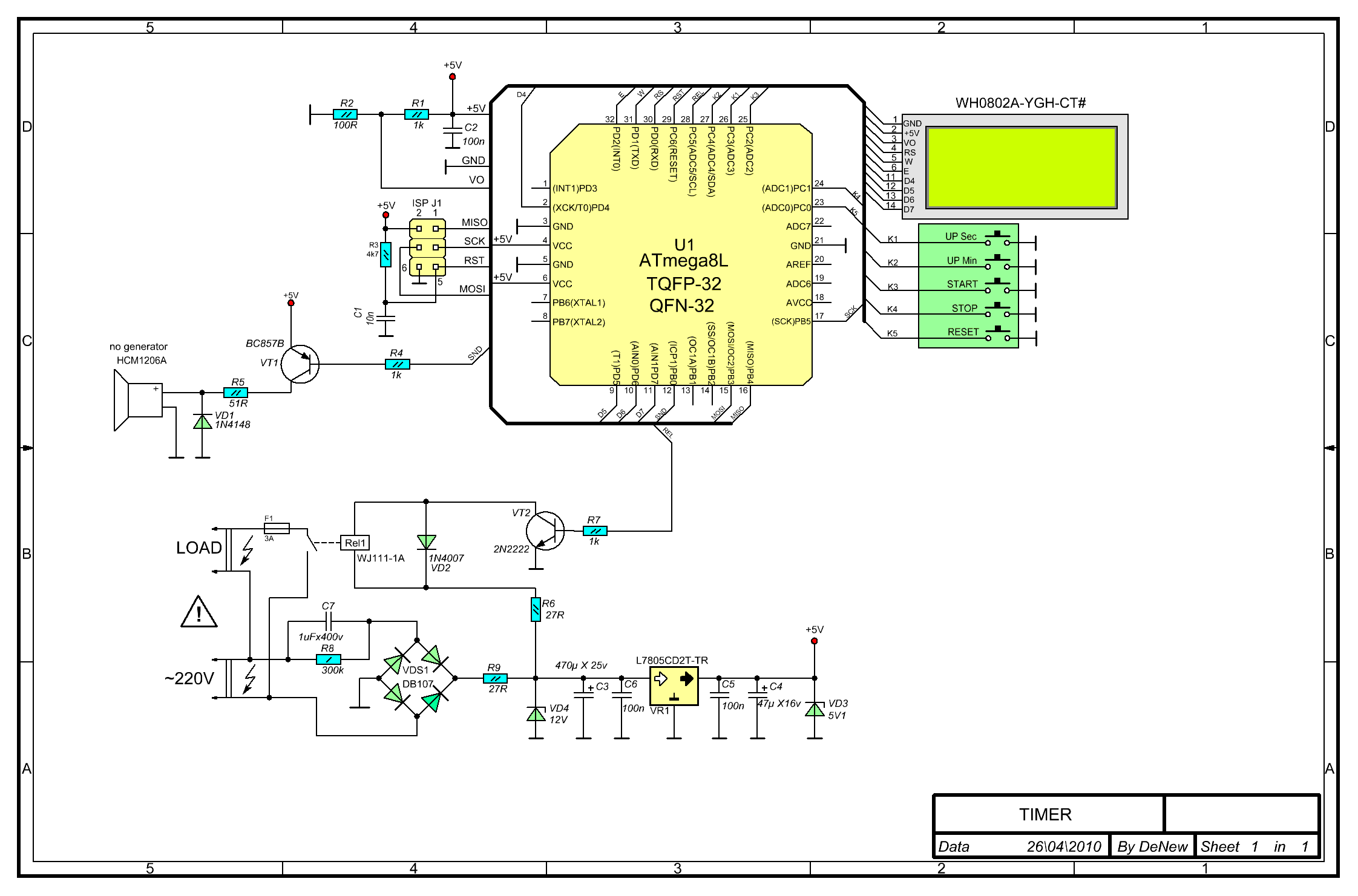
Решил сделать установку для экспонирования, так как делаю фотолитографическим способом платы.
Для этого был взят старый сканер (за что отдельное спасибо моему товарищу pssergey) потроха выкинул, и воткнул то что нужно.
Куплены были четыре черных дискотечных светильника, и собран таймер.


http://studio-fan.ucoz.ru/index/uv_lampa/0-45


Вложения:
Комментарий к файлу: Платы для программы Rimu PCB
Print UV.zip [17.03 KiB]
Скачиваний: 1222
Комментарий к файлу: Прошивка
timer uf.zip [1.6 KiB]
Скачиваний: 794
Комментарий к файлу: Схема
Shemes Timer For Lamp.GIF [85.53 KiB]
Скачиваний: 1703


Последний раз редактировалось DeNew Ср фев 02, 2011 16:40:49, всего редактировалось 4 раз(а).
Вернуться наверх
 
Не в сети
 Заголовок сообщения: Re: Установка для экспонирования фоторезиста
СообщениеДобавлено: Пт май 14, 2010 10:32:31 
Первый раз сказал Мяу!

Зарегистрирован: Вт апр 29, 2008 18:50:55
Сообщений: 25
Откуда: г.Гомель
Рейтинг сообщения: 0
Отличный агрегат! А можно подробнее, со схемами и печатками. Какие дроссели для ламп и откуда сняты. У меня есть точно такой же корпус и большое желание сделать установку. Сам разработать не смогу, а повторить надеюсь. Спасибо!

_________________
Хуже всего когда глаза не боятся, а руки - крюки.


Вернуться наверх
 
Не в сети
 Заголовок сообщения: Re: Установка для экспонирования фоторезиста
СообщениеДобавлено: Пт май 14, 2010 10:48:18 
Вымогатель припоя
Аватар пользователя

Карма: 1
Рейтинг сообщений: 1
Зарегистрирован: Чт окт 19, 2006 13:19:04
Сообщений: 579
Откуда: Зеленоград
Рейтинг сообщения: 0
jane303 писал(а):
Отличный агрегат! А можно подробнее, со схемами и печатками. Какие дроссели для ламп и откуда сняты. У меня есть точно такой же корпус и большое желание сделать установку. Сам разработать не смогу, а повторить надеюсь. Спасибо!


Ну в общем я описал выше, что я купил 4 светильника, а не 4 лампы, то есть это 20W светильники уже со своим балластом электронным (ЭПРА). Один светильник 250 руб стоит у нас. Сканер этот имеет модель UMAX Astra 2000P.

Схема доработана по своему, питание без трансформаторное, поэтому всё компактно вышло.

Всё выложу в первый пост.


Вернуться наверх
 
Не в сети
 Заголовок сообщения: Re: Установка для экспонирования фоторезиста
СообщениеДобавлено: Пт май 14, 2010 11:37:04 
Первый раз сказал Мяу!

Зарегистрирован: Вт апр 29, 2008 18:50:55
Сообщений: 25
Откуда: г.Гомель
Рейтинг сообщения: 0
[/quote]
Ну в общем я описал выше, что я купил 4 светильника, а не 4 лампы, то есть это 20W светильники уже со своим балластом электронным (ЭПРА). Один светильник 250 руб стоит у нас. [/quote]
А что за светильники? Их название, тип. Чтобы искать где купить. А где брали в Москве?

_________________
Хуже всего когда глаза не боятся, а руки - крюки.


Вернуться наверх
 
Эиком - электронные компоненты и радиодетали
Не в сети
 Заголовок сообщения: Re: Установка для экспонирования фоторезиста
СообщениеДобавлено: Пт май 14, 2010 11:56:32 
Встал на лапы

Зарегистрирован: Чт фев 04, 2010 13:06:47
Сообщений: 84
Откуда: Tuapse
Рейтинг сообщения: 0
Платы в Eagle делались? P-CAD не хочет открывать....


Вернуться наверх
 
Не в сети
 Заголовок сообщения: Re: Установка для экспонирования фоторезиста
СообщениеДобавлено: Пт май 14, 2010 12:27:21 
Вымогатель припоя
Аватар пользователя

Карма: 1
Рейтинг сообщений: 1
Зарегистрирован: Чт окт 19, 2006 13:19:04
Сообщений: 579
Откуда: Зеленоград
Рейтинг сообщения: 0
jane303 писал(а):
А что за светильники? Их название, тип. Чтобы искать где купить. А где брали в Москве?


Да в Москве, на радио рынке Митино.

Нашел, глянул лампу, ошибся я, лампа 10W :( Т8

Светильник люминесцентный Feron открытый черный с ультрафиолетовой лампой 10W-T8 385х50х30

http://shop220.ru/product2017.htm


Roks писал(а):
Платы в Eagle делались? P-CAD не хочет открывать....


Платы для программы Rimu PCB


Вернуться наверх
 
Не в сети
 Заголовок сообщения: Re: Установка для экспонирования фоторезиста
СообщениеДобавлено: Пт май 14, 2010 20:02:43 
Встал на лапы

Зарегистрирован: Чт фев 04, 2010 13:06:47
Сообщений: 84
Откуда: Tuapse
Рейтинг сообщения: 0
Картинкой не затруднит платы положить (что-то не хочет ставиться прога)? Дискретность выборки таймера какая?


Вернуться наверх
 
Не в сети
 Заголовок сообщения: Re: Установка для экспонирования фоторезиста
СообщениеДобавлено: Пт май 14, 2010 20:53:09 
Вымогатель припоя
Аватар пользователя

Карма: 1
Рейтинг сообщений: 1
Зарегистрирован: Чт окт 19, 2006 13:19:04
Сообщений: 579
Откуда: Зеленоград
Рейтинг сообщения: 0
Roks писал(а):
Картинкой не затруднит платы положить (что-то не хочет ставиться прога)? Дискретность выборки таймера какая?


К сожалению програма не умеет делать экспорт картинок, снял скрин. Таймер максимум отсчет 10 минут, шаг выставления 1 секунда кнопкой SEC, аналогично кнопкой MIN по одной минуте.

Изображение Изображение


Последний раз редактировалось DeNew Вс май 16, 2010 20:05:52, всего редактировалось 1 раз.

Вернуться наверх
 
Не в сети
 Заголовок сообщения: Re: Установка для экспонирования фоторезиста
СообщениеДобавлено: Вс май 16, 2010 19:51:19 
Встал на лапы

Зарегистрирован: Чт фев 04, 2010 13:06:47
Сообщений: 84
Откуда: Tuapse
Рейтинг сообщения: 0
Еще одна просьба: размеры плат можно узнать?


Вернуться наверх
 
Не в сети
 Заголовок сообщения: Re: Установка для экспонирования фоторезиста
СообщениеДобавлено: Вс май 16, 2010 20:06:36 
Вымогатель припоя
Аватар пользователя

Карма: 1
Рейтинг сообщений: 1
Зарегистрирован: Чт окт 19, 2006 13:19:04
Сообщений: 579
Откуда: Зеленоград
Рейтинг сообщения: 0
Roks писал(а):
Еще одна просьба: размеры плат можно узнать?


Через один пост выше поменял картинки, добавил размеры :)


Вернуться наверх
 
Не в сети
 Заголовок сообщения: Re: Установка для экспонирования фоторезиста
СообщениеДобавлено: Пн май 17, 2010 19:40:25 
Друг Кота
Аватар пользователя

Карма: 39
Рейтинг сообщений: 723
Зарегистрирован: Ср фев 01, 2006 22:29:02
Сообщений: 3116
Откуда: г.Ростов-на-Дону
Рейтинг сообщения: 0
DeNew

Интересная рализация!
Пробовал с помощью этой установки уже что-то ваять?
Как будешь решать проблему кривого текстолита, дабы опеспечить прилегание к нему шаблона и последующюю засветку?


Вернуться наверх
 
Не в сети
 Заголовок сообщения: Re: Установка для экспонирования фоторезиста
СообщениеДобавлено: Пн май 17, 2010 20:06:32 
Вымогатель припоя
Аватар пользователя

Карма: 1
Рейтинг сообщений: 1
Зарегистрирован: Чт окт 19, 2006 13:19:04
Сообщений: 579
Откуда: Зеленоград
Рейтинг сообщения: 0
Sailanser писал(а):
DeNew

Интересная рализация!
Пробовал с помощью этой установки уже что-то ваять?
Как будешь решать проблему кривого текстолита, дабы опеспечить прилегание к нему шаблона и последующюю засветку?


Конечно пробовал 28 плат уже сделано, проблем нет с стеклотекстолитом, куплены ровные листы 1,5х2 метра, режу сам, всё ровно.


Вернуться наверх
 
Не в сети
 Заголовок сообщения: Re: Установка для экспонирования фоторезиста
СообщениеДобавлено: Пн май 17, 2010 20:12:07 
Друг Кота
Аватар пользователя

Карма: 39
Рейтинг сообщений: 723
Зарегистрирован: Ср фев 01, 2006 22:29:02
Сообщений: 3116
Откуда: г.Ростов-на-Дону
Рейтинг сообщения: 0
DeNew писал(а):
Sailanser писал(а):
DeNew

Интересная рализация!
Пробовал с помощью этой установки уже что-то ваять?
Как будешь решать проблему кривого текстолита, дабы опеспечить прилегание к нему шаблона и последующюю засветку?


куплены ровные листы 1,5х2 метра, режу сам, всё ровно.


везет, у меня в городе ровный стеклотекстолит фиг купишь :cry:


Вернуться наверх
 
Не в сети
 Заголовок сообщения: Re: Установка для экспонирования фоторезиста
СообщениеДобавлено: Вт май 18, 2010 14:40:13 
Нашел транзистор. Понюхал.

Карма: 3
Рейтинг сообщений: 2
Зарегистрирован: Вт сен 29, 2009 09:28:51
Сообщений: 175
Откуда: Ульяновск
Рейтинг сообщения: 0
А как обстоят дела с прижимом????

А то есть на работе Mustel 1200 думаю домой уволочь))) И сотворить...


Вернуться наверх
 
Не в сети
 Заголовок сообщения: Re: Установка для экспонирования фоторезиста
СообщениеДобавлено: Вт май 18, 2010 14:46:02 
Держит паяльник хвостом
Аватар пользователя

Карма: 5
Рейтинг сообщений: -4
Зарегистрирован: Ср дек 17, 2008 21:54:26
Сообщений: 975
Откуда: Днепропетровск
Рейтинг сообщения: 0
Цитата:
куплены ровные листы 1,5х2 метра, режу сам, всё ровно.


везет, у меня в городе ровный стеклотекстолит фиг купишь


А чем это Вы режете так ровно что и стеклотекстолит не изгибается?
Не уж то есть гельотина или алмазным инструментом?

Я режу ножницами по металлу, но после порезки приходится ровнять лист...


И еще... конструкция то крачивая.... но как быть с неравномерностью засветки (лампы расположены слишком близко к плате).
И как защищать глаза от излучения...
УФ излучение медлено но уверенно разрушаеть сетчатку глаз...

_________________
Изготовление печатных плат + материалы для изготовления плат


Вернуться наверх
 
Не в сети
 Заголовок сообщения: Re: Установка для экспонирования фоторезиста
СообщениеДобавлено: Вт май 18, 2010 14:56:38 
Нашел транзистор. Понюхал.

Карма: 3
Рейтинг сообщений: 2
Зарегистрирован: Вт сен 29, 2009 09:28:51
Сообщений: 175
Откуда: Ульяновск
Рейтинг сообщения: 0
Вроде оно:
http://ecx.images-amazon.com/images/I/31IGl6tNJ8L.jpg

Да но что-то мне подсказывает что платы то реально близко будут распологаться к плате...


Вернуться наверх
 
Не в сети
 Заголовок сообщения: Re: Установка для экспонирования фоторезиста
СообщениеДобавлено: Вт май 18, 2010 16:34:10 
Вымогатель припоя
Аватар пользователя

Карма: 1
Рейтинг сообщений: 1
Зарегистрирован: Чт окт 19, 2006 13:19:04
Сообщений: 579
Откуда: Зеленоград
Рейтинг сообщения: 0
sputnic1436 писал(а):
А чем это Вы режете так ровно что и стеклотекстолит не изгибается?
Не уж то есть гельотина или алмазным инструментом?

Я режу ножницами по металлу, но после порезки приходится ровнять лист...


И еще... конструкция то крачивая.... но как быть с неравномерностью засветки (лампы расположены слишком близко к плате).
И как защищать глаза от излучения...
УФ излучение медлено но уверенно разрушаеть сетчатку глаз...



Режу на 4мм. больше со всех сторон ножевкой по металлу без обушковой, далее обрабатываю края ,чтоб не торчала фольга развальцованная, когда печать протравлена, эти 4 мм. срезаю-стачиваю на наждаке, в итоге, что и нужно было нет коробления и деформации стекло-текстолита.

Равномерность 100% и добивался я её очень долго, подкладывая фольгу, только портит всё дело засветка кусками, здесь подложен материал синтетика под воздействием УФ светится как на дискотеке, он и смягчает свет от ламп и "мажет" пропуски между лампами, уже пробовал, как не положи в любое место печать, равномерная идет проявка.

На глаза солнце защитные очки одеваю зеркальные, 1,5минуты это вытерпеть можно.


Вернуться наверх
 
Не в сети
 Заголовок сообщения: Re: Установка для экспонирования фоторезиста
СообщениеДобавлено: Вт май 18, 2010 18:32:00 
Встал на лапы

Зарегистрирован: Чт фев 04, 2010 13:06:47
Сообщений: 84
Откуда: Tuapse
Рейтинг сообщения: 0
Фьзы бы увидеть для Атмеги... :cry:


Вернуться наверх
 
Не в сети
 Заголовок сообщения: Re: Установка для экспонирования фоторезиста
СообщениеДобавлено: Вт май 18, 2010 19:00:56 
Вымогатель припоя
Аватар пользователя

Карма: 1
Рейтинг сообщений: 1
Зарегистрирован: Чт окт 19, 2006 13:19:04
Сообщений: 579
Откуда: Зеленоград
Рейтинг сообщения: 0
Roks писал(а):
Фьзы бы увидеть для Атмеги... :cry:


Кстати в схеме нет кварца, можно и не ставить, хотя так чисто теоретически будет лудше если он будет стоять, в этом случае фуз-биты выглядят так:


Вложения:
Комментарий к файлу: фуз-биты
Fuse.jpg [129.18 KiB]
Скачиваний: 1215
Вернуться наверх
 
Не в сети
 Заголовок сообщения: Re: Установка для экспонирования фоторезиста
СообщениеДобавлено: Вт май 18, 2010 19:25:07 
Встал на лапы

Зарегистрирован: Чт фев 04, 2010 13:06:47
Сообщений: 84
Откуда: Tuapse
Рейтинг сообщения: 0
То есть, если внешнего кварца нет, фьюзы можно оставлять по умолчанию? В случае внешнего - фьюзы как на картинке?


Вернуться наверх
 
Показать сообщения за:  Сортировать по:  Вернуться наверх
Начать новую тему Ответить на тему  [ Сообщений: 159 ]  1, , , , ...  

Часовой пояс: UTC + 3 часа


Кто сейчас на форуме

Сейчас этот форум просматривают: нет зарегистрированных пользователей и гости: 27


Вы не можете начинать темы
Вы не можете отвечать на сообщения
Вы не можете редактировать свои сообщения
Вы не можете удалять свои сообщения
Вы не можете добавлять вложения

Найти:
Перейти:  


Powered by phpBB © 2000, 2002, 2005, 2007 phpBB Group
Русская поддержка phpBB
Extended by Karma MOD © 2007—2012 m157y
Extended by Topic Tags MOD © 2012 m157y