Например TDA7294

Форум РадиоКот • Просмотр темы - КР1211ЕУ1 преобразователь
Форум РадиоКот
Здесь можно немножко помяукать :)

Текущее время: Вс дек 28, 2025 23:28:52

Часовой пояс: UTC + 3 часа


ПРЯМО СЕЙЧАС:



Начать новую тему Ответить на тему  [ Сообщений: 54 ]    , 2,  
Автор Сообщение
Не в сети
 Заголовок сообщения: Re: КР1211ЕУ1 преобразователь
СообщениеДобавлено: Вт мар 08, 2011 18:38:20 
Друг Кота

Карма: 14
Рейтинг сообщений: 372
Зарегистрирован: Вс фев 15, 2009 01:04:58
Сообщений: 5066
Откуда: Kaluga
Рейтинг сообщения: 0
mr4ester писал(а):
Потребовалось сделать преобразователь на 12-220В 400Вт и выбор пал на эту КР1211ЕУ1 микросхему.


Не пользуй каку. К сожалению, как все поделки отечественной промышленности после 90 года она дюже ущербна. Вроде выходные драйверы и есть, но на частотах от 50 кГц не могут перезаредить даже собственной емкости (валят фронт и спад), не говоря уж о затворе полевика.

Ниже 9 вольт не работает при 12,5 дохнет без звука. Чесное слово - после того как переделал сделанный было на ней преобразователь на TL494 задающим + транзисторные каскады драйверами - схема работать стала дюже стабильнее, да еще и стабилизация выходного напряжения бонусом (не реализовывал).


Вернуться наверх
 
Не в сети
 Заголовок сообщения: Re: КР1211ЕУ1 преобразователь
СообщениеДобавлено: Вт мар 08, 2011 18:57:58 
Держит паяльник хвостом
Аватар пользователя

Карма: 3
Рейтинг сообщений: 1
Зарегистрирован: Чт авг 27, 2009 20:09:01
Сообщений: 900
Откуда: Приднестровье г.Бендеры
Рейтинг сообщения: 0
обвязку 494 делали по даташиту?

_________________
Работа избавляет нас от трех великих зол: скуки, порока, нужды. (Вольтер)


Вернуться наверх
 
Не в сети
 Заголовок сообщения: Re: КР1211ЕУ1 преобразователь
СообщениеДобавлено: Вт мар 08, 2011 19:16:59 
Это не хвост, это антенна
Аватар пользователя

Карма: 2
Рейтинг сообщений: 2
Зарегистрирован: Сб ноя 06, 2010 19:21:40
Сообщений: 1350
Откуда: Донецк
Рейтинг сообщения: 0
Wladimir_TS писал(а):
переделал сделанный было на ней преобразователь на TL494 задающим

А как заставил 494 но 50 Гц устойчиво работать ?
Или девайс на иную частоту был?
:beer:

_________________
Информация должна принадлежать людям бесплатно!


Вернуться наверх
 
Не в сети
 Заголовок сообщения: Re: КР1211ЕУ1 преобразователь
СообщениеДобавлено: Вт мар 08, 2011 19:18:31 
Держит паяльник хвостом
Аватар пользователя

Карма: 3
Рейтинг сообщений: 1
Зарегистрирован: Чт авг 27, 2009 20:09:01
Сообщений: 900
Откуда: Приднестровье г.Бендеры
Рейтинг сообщения: 0
я выставлял такую частоту подбирая конденсатор с резистором

_________________
Работа избавляет нас от трех великих зол: скуки, порока, нужды. (Вольтер)


Вернуться наверх
 
Эиком - электронные компоненты и радиодетали
Не в сети
 Заголовок сообщения: Re: КР1211ЕУ1 преобразователь
СообщениеДобавлено: Вт мар 08, 2011 19:30:09 
Друг Кота

Карма: 14
Рейтинг сообщений: 372
Зарегистрирован: Вс фев 15, 2009 01:04:58
Сообщений: 5066
Откуда: Kaluga
Рейтинг сообщения: 0
Вообще по моему работает нормально - цепь формирования стандартная, только конденсатор большой бедет.В последующих цепях вроде тоже косяков нет, никаких задержек и прочего. Но на 50 герц - честно не пробывал - от 1000 где-то работает точно.


Вернуться наверх
 
Не в сети
 Заголовок сообщения: Re: КР1211ЕУ1 преобразователь
СообщениеДобавлено: Вт мар 08, 2011 19:31:34 
Это не хвост, это антенна
Аватар пользователя

Карма: 2
Рейтинг сообщений: 2
Зарегистрирован: Сб ноя 06, 2010 19:21:40
Сообщений: 1350
Откуда: Донецк
Рейтинг сообщения: 0
mr4ester писал(а):
подбирая конденсатор с резистором

Я брал целиком линейку 494, из нее 4 шт. завелись на 50 Гц, устойчиво не работала ни одна.
Ради пробы полез на 200 Гц, почти все завелись.
Лично мне не нравится работать "на пределе" диапазона.
Вот вроде хорошее решение на 50 Гц.
http://radiokot.ru/circuit/power/converter/19/
И автор в описалове пишет, именно о проблеме 50Гц для 494.
"... Внешние элементы DD1 и DD2 повторяют внутреннюю структуру TL494, в той её части, которая неустойчиво работает на низких частотах (ложные срабатывания D-триггера)..."

_________________
Информация должна принадлежать людям бесплатно!


Вернуться наверх
 
Не в сети
 Заголовок сообщения: Re: КР1211ЕУ1 преобразователь
СообщениеДобавлено: Вт мар 08, 2011 19:57:42 
Держит паяльник хвостом
Аватар пользователя

Карма: 3
Рейтинг сообщений: 1
Зарегистрирован: Чт авг 27, 2009 20:09:01
Сообщений: 900
Откуда: Приднестровье г.Бендеры
Рейтинг сообщения: 0
согласен эта схема может и отлично работает, но т.к устройство предполагается не для личного использования, а как дипломный проект то не хотелось бы слишком много денег вкладывать

_________________
Работа избавляет нас от трех великих зол: скуки, порока, нужды. (Вольтер)


Вернуться наверх
 
Не в сети
 Заголовок сообщения: Re: КР1211ЕУ1 преобразователь
СообщениеДобавлено: Вт мар 08, 2011 20:09:57 
Это не хвост, это антенна
Аватар пользователя

Карма: 2
Рейтинг сообщений: 2
Зарегистрирован: Сб ноя 06, 2010 19:21:40
Сообщений: 1350
Откуда: Донецк
Рейтинг сообщения: 0
Если ты про схему из поста "Вт мар 08, 2011 19:31:34" - всю ее тебе собирать не надо, раз задача синуса не стоит :))
Взять из нее задающий узел на 494 с логич. обвязкой, выхода 494 "усилить" комплементарками" - см. мою ссылу "Вт мар 08, 2011 15:36:08", грузи на пооловики (или "баяны" из оных :)) ) и все это на транс.
Для культурности девайса прикошачь тригерную защиту от разряда АКБ (т.е. чтобы при разряде девайс отрубался, и не пытался сам включиться) .
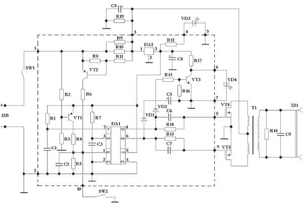
Допустим от сюда (это тот девайс, что у меня трудится, и еще у очень многих, на 1211


Вложения:
Клип.jpg [20.58 KiB]
Скачиваний: 1149

_________________
Информация должна принадлежать людям бесплатно!
Вернуться наверх
 
Не в сети
 Заголовок сообщения: Re: КР1211ЕУ1 преобразователь
СообщениеДобавлено: Вт мар 08, 2011 20:16:43 
Держит паяльник хвостом
Аватар пользователя

Карма: 3
Рейтинг сообщений: 1
Зарегистрирован: Чт авг 27, 2009 20:09:01
Сообщений: 900
Откуда: Приднестровье г.Бендеры
Рейтинг сообщения: 0
я думал защиту на компараторе сделать. А как себя ведет нч вот эта uc3846 микра?

_________________
Работа избавляет нас от трех великих зол: скуки, порока, нужды. (Вольтер)


Вернуться наверх
 
Не в сети
 Заголовок сообщения: Re: КР1211ЕУ1 преобразователь
СообщениеДобавлено: Вт мар 08, 2011 20:22:34 
Держит паяльник хвостом
Аватар пользователя

Карма: 3
Рейтинг сообщений: 1
Зарегистрирован: Чт авг 27, 2009 20:09:01
Сообщений: 900
Откуда: Приднестровье г.Бендеры
Рейтинг сообщения: 0
а если взять 494 микру выставить частоту 1кГц с ее выхода снять сигнал и подать в делитель на 10? Выходит что на выходе 494 частота делится на 2 (500Гц) а дальше делителем еще на 10

_________________
Работа избавляет нас от трех великих зол: скуки, порока, нужды. (Вольтер)


Вернуться наверх
 
Не в сети
 Заголовок сообщения: Re: КР1211ЕУ1 преобразователь
СообщениеДобавлено: Вт мар 08, 2011 20:34:23 
Это не хвост, это антенна
Аватар пользователя

Карма: 2
Рейтинг сообщений: 2
Зарегистрирован: Сб ноя 06, 2010 19:21:40
Сообщений: 1350
Откуда: Донецк
Рейтинг сообщения: 0
mr4ester писал(а):
я думал защиту на компараторе сделать.

А нужен ли он для данного девайса?
На транзюках и дешево и сердито, и помехоустойчивость выше :))
mr4ester писал(а):
как себя ведет нч вот эта uc3846 микра

Не пробовал ни разу :)) обычно ее на 30-40 кГц и выше пользуют.
mr4ester писал(а):
а если взять 494 микру выставить частоту 1кГц с ее выхода снять сигнал и подать в делитель на 10? Выходит что на выходе 494 частота делится на 2 (500Гц)

Не 500 а 50 Гц, я так понимаю?
Не выйдет :)) Делитель "пропустит" каждый 10-й импульс, скважность как восстановить?
Она "упадет" на коэфф. деления :))

_________________
Информация должна принадлежать людям бесплатно!


Вернуться наверх
 
Не в сети
 Заголовок сообщения: Re: КР1211ЕУ1 преобразователь
СообщениеДобавлено: Вт мар 08, 2011 20:37:26 
Держит паяльник хвостом
Аватар пользователя

Карма: 3
Рейтинг сообщений: 1
Зарегистрирован: Чт авг 27, 2009 20:09:01
Сообщений: 900
Откуда: Приднестровье г.Бендеры
Рейтинг сообщения: 0
а та схема которую вы выкладывали ранее устойчиво работает?

_________________
Работа избавляет нас от трех великих зол: скуки, порока, нужды. (Вольтер)


Вернуться наверх
 
Не в сети
 Заголовок сообщения: Re: КР1211ЕУ1 преобразователь
СообщениеДобавлено: Вт мар 08, 2011 21:25:50 
Это не хвост, это антенна
Аватар пользователя

Карма: 2
Рейтинг сообщений: 2
Зарегистрирован: Сб ноя 06, 2010 19:21:40
Сообщений: 1350
Откуда: Донецк
Рейтинг сообщения: 0
Если на 1211 - уже года 4 точно :))
Только без комплементарок на мощности более 200 Вт ходить не советую :kill:
И силовые транзисторы бери вольт на 100, с запасом по току раза в 4 от номинала.
Пару IRFZ44 порвал, было дело, совдеповский телик 3УСЦТ, 61 диагональ, порвал катушкой размагничивания при включении :kill:
На 400 Вт, в принципе, зватит по одному IRFP250N в плечо, или их аналогов.
PS.Чуть не забыл. ВАЖНО! На силовые на сток-исток поставь 1,5 КЕ***, помощнее, в обратном включении.В схеме их нет :oops: (спасибо МастерКит :kill: )
Электролиты по +12 на среднюю обмотку транса - 4-6 тыс. мкФ, от 35 В, лучше совдеповские, с клемами "под-винт", большие такие.
Конструктивно - маленькая плата со всем, кроме ключей, КЕ и силовых эл-тов.
От нее свитыми парами проводов упр. ключами, силовая навесная на радиаторах и трансе, где-то так.

_________________
Информация должна принадлежать людям бесплатно!


Вернуться наверх
 
Не в сети
 Заголовок сообщения: Re: КР1211ЕУ1 преобразователь
СообщениеДобавлено: Вт мар 08, 2011 21:31:18 
Держит паяльник хвостом
Аватар пользователя

Карма: 3
Рейтинг сообщений: 1
Зарегистрирован: Чт авг 27, 2009 20:09:01
Сообщений: 900
Откуда: Приднестровье г.Бендеры
Рейтинг сообщения: 0
извиняюсь не понял что такое КЕ

_________________
Работа избавляет нас от трех великих зол: скуки, порока, нужды. (Вольтер)


Вернуться наверх
 
Не в сети
 Заголовок сообщения: Re: КР1211ЕУ1 преобразователь
СообщениеДобавлено: Вт мар 08, 2011 21:37:57 
Это не хвост, это антенна
Аватар пользователя

Карма: 2
Рейтинг сообщений: 2
Зарегистрирован: Сб ноя 06, 2010 19:21:40
Сообщений: 1350
Откуда: Донецк
Рейтинг сообщения: 0
mr4ester писал(а):
извиняюсь не понял что такое КЕ

Супрессор, мощный защитный импульсный стабилитрон.
1,5KE30A - такие поставить, например.

_________________
Информация должна принадлежать людям бесплатно!


Вернуться наверх
 
Не в сети
 Заголовок сообщения: Re: КР1211ЕУ1 преобразователь
СообщениеДобавлено: Ср мар 09, 2011 18:46:05 
Держит паяльник хвостом
Аватар пользователя

Карма: 3
Рейтинг сообщений: 1
Зарегистрирован: Чт авг 27, 2009 20:09:01
Сообщений: 900
Откуда: Приднестровье г.Бендеры
Рейтинг сообщения: 0
Andy61 спасибо за помощь как нарисую всю схему со всеми дополнительными задумками выложу! :)) В планах нужно добавить зарядку и устройство чтоб автоматически при подаче напряжения 220В переключалось в режим зарядки

_________________
Работа избавляет нас от трех великих зол: скуки, порока, нужды. (Вольтер)


Вернуться наверх
 
Не в сети
 Заголовок сообщения: Re: КР1211ЕУ1 преобразователь
СообщениеДобавлено: Ср мар 09, 2011 18:50:22 
Это не хвост, это антенна
Аватар пользователя

Карма: 2
Рейтинг сообщений: 2
Зарегистрирован: Сб ноя 06, 2010 19:21:40
Сообщений: 1350
Откуда: Донецк
Рейтинг сообщения: 0
:beer:

_________________
Информация должна принадлежать людям бесплатно!


Вернуться наверх
 
Не в сети
 Заголовок сообщения: Re: КР1211ЕУ1 преобразователь
СообщениеДобавлено: Ср мар 09, 2011 19:10:00 
Держит паяльник хвостом
Аватар пользователя

Карма: 3
Рейтинг сообщений: 1
Зарегистрирован: Чт авг 27, 2009 20:09:01
Сообщений: 900
Откуда: Приднестровье г.Бендеры
Рейтинг сообщения: 0
кстати вы не встречали нормальных автоматических зарядных устройств?

_________________
Работа избавляет нас от трех великих зол: скуки, порока, нужды. (Вольтер)


Вернуться наверх
 
Не в сети
 Заголовок сообщения: Re: КР1211ЕУ1 преобразователь
СообщениеДобавлено: Ср мар 09, 2011 19:21:39 
Это не хвост, это антенна
Аватар пользователя

Карма: 2
Рейтинг сообщений: 2
Зарегистрирован: Сб ноя 06, 2010 19:21:40
Сообщений: 1350
Откуда: Донецк
Рейтинг сообщения: 0
http://radiokot.ru/circuit/power/charger/ :))

_________________
Информация должна принадлежать людям бесплатно!


Вернуться наверх
 
Не в сети
 Заголовок сообщения: Re: КР1211ЕУ1 преобразователь
СообщениеДобавлено: Ср мар 09, 2011 19:26:33 
Держит паяльник хвостом
Аватар пользователя

Карма: 3
Рейтинг сообщений: 1
Зарегистрирован: Чт авг 27, 2009 20:09:01
Сообщений: 900
Откуда: Приднестровье г.Бендеры
Рейтинг сообщения: 0
там только одна для кислотников и та импульсная

_________________
Работа избавляет нас от трех великих зол: скуки, порока, нужды. (Вольтер)


Вернуться наверх
 
Показать сообщения за:  Сортировать по:  Вернуться наверх
Начать новую тему Ответить на тему  [ Сообщений: 54 ]    , 2,  

Часовой пояс: UTC + 3 часа


Кто сейчас на форуме

Сейчас этот форум просматривают: нет зарегистрированных пользователей и гости: 29


Вы не можете начинать темы
Вы не можете отвечать на сообщения
Вы не можете редактировать свои сообщения
Вы не можете удалять свои сообщения
Вы не можете добавлять вложения

Найти:
Перейти:  


Powered by phpBB © 2000, 2002, 2005, 2007 phpBB Group
Русская поддержка phpBB
Extended by Karma MOD © 2007—2012 m157y
Extended by Topic Tags MOD © 2012 m157y