Например TDA7294

Форум РадиоКот • Просмотр темы - Цифровая паяльная станция (от михи-псков)
Форум РадиоКот
Здесь можно немножко помяукать :)

Текущее время: Пт окт 31, 2025 13:17:13

Часовой пояс: UTC + 3 часа


ПРЯМО СЕЙЧАС:



Начать новую тему Ответить на тему  [ Сообщений: 10601 ]     ... , , , 526, , , ...  
Автор Сообщение
Не в сети
 Заголовок сообщения: Re: Цифровая паяльная станция (от михи-псков)
СообщениеДобавлено: Пт фев 05, 2021 19:23:16 
Друг Кота
Аватар пользователя

Карма: 18
Рейтинг сообщений: 1121
Зарегистрирован: Пт ноя 27, 2009 18:12:27
Сообщений: 4625
Откуда: Черкассы, UA
Рейтинг сообщения: 1
можно ссылку на Али?

https://www.aliexpress.com/item/32647598702.html
Но можно и самому собрать:
https://radiokot.ru/forum/viewtopic.php?f=25&t=15213

_________________
Изображение

В мире нет вредных веществ, в мире есть вредные количества © Д.И.Менделеев
Когда на форуме переходят на "Вы", в реальной жизни уже давно бьют морду © автор неизвестен.


Вернуться наверх
 
Не в сети
 Заголовок сообщения: Re: Цифровая паяльная станция (от михи-псков)
СообщениеДобавлено: Вт фев 09, 2021 13:31:13 
Родился

Зарегистрирован: Вт июл 31, 2012 22:18:07
Сообщений: 10
Откуда: Гомель
Рейтинг сообщения: 0
Здравствуйте имеется паяльная станция Lukey 852d+Fan, собрана на двух smd atmega8 управление на оптопару и симистор идет с 13 вывода , умер контроллер в канале паяльника, не могу подобрать прошивку, из того что прошивал либо не работает вообще , либо индикация есть , температуру показывает - причем правильно, на кнопки (энкодер) реагирует, но паяльник разогревается чуть ли не докрасна. Зашивались даже прошивки от 702-результат тот же. Паяльник 100% исправен, оптрон и симистор тоже звонятся хорошо. Подскажите куда копать,или чем попробовать зашить. Спасибо.


Вернуться наверх
 
Не в сети
 Заголовок сообщения: Re: Цифровая паяльная станция (от михи-псков)
СообщениеДобавлено: Вт фев 09, 2021 16:16:30 
Друг Кота
Аватар пользователя

Карма: 18
Рейтинг сообщений: 1121
Зарегистрирован: Пт ноя 27, 2009 18:12:27
Сообщений: 4625
Откуда: Черкассы, UA
Рейтинг сообщения: 0
Насколько помню, прошивки для Lukey в этой теме выкладывал только Volly
По ссылке папка с файлами, возможно что-то и подойдет. Смотреть архивы, содержащие в названии Lukey или Luk.
https://mega.nz/folder/tAlDSSRS#LrGdHOq8Uih2p2OFyHsqcQ
А вообще-то неплохо бы посмотреть осциллографом, что творится на выходе микроконтроллера, возможно порт пробит. Если RESET посадить на землю, паяльник все равно греется?

_________________
Изображение

В мире нет вредных веществ, в мире есть вредные количества © Д.И.Менделеев
Когда на форуме переходят на "Вы", в реальной жизни уже давно бьют морду © автор неизвестен.


Вернуться наверх
 
Не в сети
 Заголовок сообщения: Re: Цифровая паяльная станция (от михи-псков)
СообщениеДобавлено: Вт фев 09, 2021 16:54:25 
Родился

Зарегистрирован: Вт янв 05, 2021 22:38:06
Сообщений: 8
Рейтинг сообщения: 0
У кого нибудь есть ссылка на Али на запасные atmega8a au1730, там есть атмеги8а , но не au1730. Не могу найти.


Вернуться наверх
 
Эиком - электронные компоненты и радиодетали
Не в сети
 Заголовок сообщения: Re: Цифровая паяльная станция (от михи-псков)
СообщениеДобавлено: Вт фев 09, 2021 17:19:10 
Друг Кота
Аватар пользователя

Карма: 182
Рейтинг сообщений: 8315
Зарегистрирован: Пт фев 04, 2011 17:57:51
Сообщений: 19908
Откуда: Рыбинск
Рейтинг сообщения: 1
Медали: 1
Лучший человек Форума 2017 (1)
1730 - это дата изготовления.


Вернуться наверх
 
Не в сети
 Заголовок сообщения: Re: Цифровая паяльная станция (от михи-псков)
СообщениеДобавлено: Вт фев 09, 2021 18:38:39 
Родился

Зарегистрирован: Вт янв 05, 2021 22:38:06
Сообщений: 8
Рейтинг сообщения: 0
Martin76, мда? , 17 год и 30 чего, au август или тоже кодировка чипа? или как ? Значит подойти любая atmega 8a например atmega au1616?


Вернуться наверх
 
Не в сети
 Заголовок сообщения: Re: Цифровая паяльная станция (от михи-псков)
СообщениеДобавлено: Вт фев 09, 2021 19:01:59 
Друг Кота
Аватар пользователя

Карма: 182
Рейтинг сообщений: 8315
Зарегистрирован: Пт фев 04, 2011 17:57:51
Сообщений: 19908
Откуда: Рыбинск
Рейтинг сообщения: 1
Медали: 1
Лучший человек Форума 2017 (1)
CeleronN70 писал(а):
17 год и 30 чего
17й год, 30я неделя.
CeleronN70 писал(а):
Значит подойти любая atmega 8a например atmega au1616
Да, и не обязательно с А, можно просто ATMega8 или 8L.


Вернуться наверх
 
Не в сети
 Заголовок сообщения: Re: Цифровая паяльная станция (от михи-псков)
СообщениеДобавлено: Вт фев 09, 2021 19:37:20 
Родился

Зарегистрирован: Вт янв 05, 2021 22:38:06
Сообщений: 8
Рейтинг сообщения: 0
Martin76, благодарю, на всякий случай наперед беру, чтобы потом в случае ремонта не ждать.
Как думаете стоит ли на Люкей 702 ставить фильтр? А то многие пишут то лампочки мигают то помехи от люкея. На Али efi filter с выключателем и предохранителем.


Вернуться наверх
 
Не в сети
 Заголовок сообщения: Re: Цифровая паяльная станция (от михи-псков)
СообщениеДобавлено: Ср фев 10, 2021 11:07:00 
Родился

Зарегистрирован: Вт июл 31, 2012 22:18:07
Сообщений: 10
Откуда: Гомель
Рейтинг сообщения: 0
Насколько помню, прошивки для Lukey в этой теме выкладывал только Volly
По ссылке папка с файлами, возможно что-то и подойдет. Смотреть архивы, содержащие в названии Lukey или Luk.
https://mega.nz/folder/tAlDSSRS#LrGdHOq8Uih2p2OFyHsqcQ
А вообще-то неплохо бы посмотреть осциллографом, что творится на выходе микроконтроллера, возможно порт пробит. Если RESET посадить на землю, паяльник все равно греется?



Спасибо разобрался, к этой станции действительно подходят прошивки Volly Lukey или Luk, причем я так понял почти все, вопрос заключался лишь в том , спасибо друзьям китайцам :( , что новый контроллер может быть частично дохлым или рабочим, очередной контроллер был зашит тем же самым что и вчера, и чудесным образом все заработало, так что имейте ввиду :)


Вернуться наверх
 
Не в сети
 Заголовок сообщения: Re: Цифровая паяльная станция (от михи-псков)
СообщениеДобавлено: Сб фев 13, 2021 13:55:16 
Собутыльник Кота
Аватар пользователя

Карма: 6
Рейтинг сообщений: 234
Зарегистрирован: Сб окт 16, 2010 12:20:55
Сообщений: 2606
Откуда: Саратовская обл.
Рейтинг сообщения: 1
Как думаете стоит ли на Люкей 702 ставить фильтр? А то многие пишут то лампочки мигают то помехи от люкея. На Али efi filter с выключателем и предохранителем.

Фильтр не ставят, ставят диод в канале фена.


Вложения:
фен 70 ом.GIF [4.29 KiB]
Скачиваний: 654

_________________
Если кажется, что работу сделать легко, это непременно будет трудно.
Вернуться наверх
 
Не в сети
 Заголовок сообщения: Re: Цифровая паяльная станция (от михи-псков)
СообщениеДобавлено: Вт фев 23, 2021 18:15:40 
Родился

Зарегистрирован: Вт фев 23, 2021 18:07:17
Сообщений: 1
Рейтинг сообщения: 0
Тоже вопрос по паяльной станции Lukey 852d+Fan.
Пытаюсь считать прошивку контроллера паяльника, программатор USBASP - получаю такое сообщение:
"avrdude.exe: error: programm enable: target doesn't answer. 1
avrdude.exe: initialization failed, rc=-1
Double check connections and try again, or use -F to override
this check."
Плату от станции отцепил, запитывается от программатора - индикатор светится.
Это залоченная атмега8 выдает такое сообщение?


Вернуться наверх
 
Не в сети
 Заголовок сообщения: Re: Цифровая паяльная станция (от михи-псков)
СообщениеДобавлено: Вт фев 23, 2021 23:17:51 
Друг Кота
Аватар пользователя

Карма: 18
Рейтинг сообщений: 1121
Зарегистрирован: Пт ноя 27, 2009 18:12:27
Сообщений: 4625
Откуда: Черкассы, UA
Рейтинг сообщения: 0
Это залоченная атмега8 выдает такое сообщение?

Да, зависит от программатора. Некоторые выдают ошибку, некоторые молча считывают пустой файл...

_________________
Изображение

В мире нет вредных веществ, в мире есть вредные количества © Д.И.Менделеев
Когда на форуме переходят на "Вы", в реальной жизни уже давно бьют морду © автор неизвестен.


Вернуться наверх
 
Не в сети
 Заголовок сообщения: Re: Цифровая паяльная станция (от михи-псков)
СообщениеДобавлено: Пн мар 01, 2021 10:04:08 
Родился

Зарегистрирован: Вт янв 05, 2021 22:38:06
Сообщений: 8
Рейтинг сообщения: 0
Пришли разъемы gx16 ,брал 5 пин для паяльника , 8 пин для фена. Хочу как на других станциях сделать на Lukey 702. Пины наполовину отрезать понятно ,чтобы влезло, перемычку на паяльнике понятно. А вот какой проволочек к какому пину присоединять,чтобы потом подходили другие покупные паяльники и фены с готовым разъемом.


Вернуться наверх
 
Не в сети
 Заголовок сообщения: Re: Цифровая паяльная станция (от михи-псков)
СообщениеДобавлено: Пн апр 19, 2021 17:55:01 
Родился

Зарегистрирован: Вс апр 18, 2021 21:44:10
Сообщений: 2
Рейтинг сообщения: 0
Станция Lukey 702 при установке фена на штатную подставку очень медленно падает температура на индикаторе,доходит до значения 260 и практически висит на этом значении.при этом фен уже дует холодным воздухом и не останавливается.Кто-нибудь может подсказать в чём проблема?


Вернуться наверх
 
Не в сети
 Заголовок сообщения: Re: Цифровая паяльная станция (от михи-псков)
СообщениеДобавлено: Вт апр 20, 2021 17:58:05 
Родился

Зарегистрирован: Вс апр 18, 2021 21:44:10
Сообщений: 2
Рейтинг сообщения: 0
Короче пропаял все выводы на плате и проблема исчезла.Теперь работает как положено.


Вернуться наверх
 
Не в сети
 Заголовок сообщения: Re: Цифровая паяльная станция (от михи-псков)
СообщениеДобавлено: Сб апр 24, 2021 22:32:22 
Родился

Зарегистрирован: Ср дек 09, 2015 23:41:33
Сообщений: 5
Рейтинг сообщения: 0
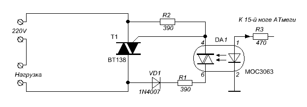
Добрый вечер.На эту схему можно найти прошивку.Спасибо.


Вложения:
1.png [199.5 KiB]
Скачиваний: 593
Вернуться наверх
 
Не в сети
 Заголовок сообщения: Re: Цифровая паяльная станция (от михи-псков)
СообщениеДобавлено: Вт июл 13, 2021 01:01:46 
Первый раз сказал Мяу!

Карма: 3
Рейтинг сообщений: 20
Зарегистрирован: Ср июн 15, 2011 20:02:07
Сообщений: 37
Рейтинг сообщения: 1
Предлагаю вариант, адаптированный для JBC картриджей (жал)


Вложения:
Паяльная станция для JBC С245.rar [911.1 KiB]
Скачиваний: 445
Вернуться наверх
 
Не в сети
 Заголовок сообщения: Re: Цифровая паяльная станция (от михи-псков)
СообщениеДобавлено: Вс авг 08, 2021 01:37:23 
Родился

Зарегистрирован: Вт мар 22, 2016 22:01:16
Сообщений: 1
Рейтинг сообщения: 0
Вариант для JBC к сожалению не работает parking , а исходника нет . Сделал parking с помощью Reset ( когда паяльник на подставке ножка reset на земле ) : нагрев отключается , но когда берешь паяльник станция уходит в OFF и надо нажимать старт . Неудобно , пришлось отключить . Может кто то решил уже эту проблему ?


Вернуться наверх
 
Не в сети
 Заголовок сообщения: Re: Цифровая паяльная станция (от михи-псков)
СообщениеДобавлено: Ср сен 01, 2021 13:23:06 
Встал на лапы
Аватар пользователя

Зарегистрирован: Чт янв 14, 2016 14:42:05
Сообщений: 110
Откуда: City
Рейтинг сообщения: 0
.... Сделал parking с помощью Reset ( когда паяльник на подставке ножка reset на земле ) : нагрев отключается , ..... Может кто то решил уже эту проблему ?

Если вместо reset отключать затвор мосфета? (который греет)
Чуть доделать конечно же, но думаю можно, типа оптроном придавить в положение "OFF" так сказать..


Вернуться наверх
 
Не в сети
 Заголовок сообщения: Re: Цифровая паяльная станция (от михи-псков)
СообщениеДобавлено: Ср сен 01, 2021 20:45:16 
Друг Кота
Аватар пользователя

Карма: 18
Рейтинг сообщений: 1121
Зарегистрирован: Пт ноя 27, 2009 18:12:27
Сообщений: 4625
Откуда: Черкассы, UA
Рейтинг сообщения: 0
Будет вываливать ошибку, поскольку контролируется изменение температуры.
Есть прошивки от Victor.P, в которых контролируется положение датчика в ручке паяльника. Эту функцию можно использовать в данном случае.

_________________
Изображение

В мире нет вредных веществ, в мире есть вредные количества © Д.И.Менделеев
Когда на форуме переходят на "Вы", в реальной жизни уже давно бьют морду © автор неизвестен.


Вернуться наверх
 
Показать сообщения за:  Сортировать по:  Вернуться наверх
Начать новую тему Ответить на тему  [ Сообщений: 10601 ]     ... , , , 526, , , ...  

Часовой пояс: UTC + 3 часа


Кто сейчас на форуме

Сейчас этот форум просматривают: нет зарегистрированных пользователей и гости: 66


Вы не можете начинать темы
Вы не можете отвечать на сообщения
Вы не можете редактировать свои сообщения
Вы не можете удалять свои сообщения
Вы не можете добавлять вложения

Найти:
Перейти:  


Powered by phpBB © 2000, 2002, 2005, 2007 phpBB Group
Русская поддержка phpBB
Extended by Karma MOD © 2007—2012 m157y
Extended by Topic Tags MOD © 2012 m157y