Например TDA7294

Форум РадиоКот • Просмотр темы - Простейшая защита от постоянки на выходе усилителя
Форум РадиоКот
Здесь можно немножко помяукать :)

Текущее время: Вс ноя 30, 2025 08:16:12

Часовой пояс: UTC + 3 часа


ПРЯМО СЕЙЧАС:



Начать новую тему Ответить на тему  [ Сообщений: 35 ]    , 2
Автор Сообщение
Не в сети
 Заголовок сообщения: Re: Простейшая защита от постоянки на выходе усилителя
СообщениеДобавлено: Вт янв 29, 2019 12:15:21 
Модератор
Аватар пользователя

Карма: 120
Рейтинг сообщений: 1088
Зарегистрирован: Пн дек 08, 2008 19:28:04
Сообщений: 22854
Откуда: 10км от Москвы на Север
Рейтинг сообщения: 0
Есть ещё проще ... :)
https://radiokot.ru/forum/download/file ... 058c3f74aa


Вложения:
5bf257eceac9e_..gif.346926c1869e8ac80eeb9733c434fc78.gif [523.94 KiB]
Скачиваний: 2193
Вернуться наверх
 
Не в сети
 Заголовок сообщения: Re: Простейшая защита от постоянки на выходе усилителя
СообщениеДобавлено: Вт янв 29, 2019 12:16:09 
Друг Кота
Аватар пользователя

Карма: 175
Рейтинг сообщений: 7680
Зарегистрирован: Чт апр 04, 2013 12:46:59
Сообщений: 17234
Откуда: Тюмень
Рейтинг сообщения: 0
Я уже давно смирился с тем, что задержка при включении выполняется отдельным узлом - это совершенно не страшно :) Зато попутно на неё можно навесить ещё функций типа отслеживания наличия питания и переключения выходов (если АС больше одной).

А большая скорость защиты не сильно нужна. Тепловая инерция самих АС всегда достаточна, чтобы им ничего не случилось за даже за 10-20 мс. Ну, а тех, кто подключает наушники к выходу 50-ваттника напрямую наказание должно хоть как-то достигать :)

_________________
Общением на форуме подпитываю свою эгоистичную, склонную к самолюбованию сущность.


Вернуться наверх
 
Не в сети
 Заголовок сообщения: Re: Простейшая защита от постоянки на выходе усилителя
СообщениеДобавлено: Вт янв 29, 2019 12:39:56 
Модератор
Аватар пользователя

Карма: 159
Рейтинг сообщений: 4072
Зарегистрирован: Пт янв 23, 2009 19:20:05
Сообщений: 45140
Рейтинг сообщения: 0
Медали: 1
Получил миской по аватаре (1)
Вообще-то, когда я разрабатывал это усовершенствование, меня больше беспокоили ложные срабатывания защиты от НЧ-составляющих сигнала (люблю под настроение навалить, чтобы люстра качалась... :) ) Для ликвидации этих ложных срабатываний можно и одним модулем защиты, общим для обоих каналов, обойтись (и, соответственно, одним дополнительным усилителем на ОУ, выдающим в противофазе с УМ суммарный сигнал со входов...), НЧ-составляющие обычно синфазны...


Вернуться наверх
 
Не в сети
 Заголовок сообщения: Re: Простейшая защита от постоянки на выходе усилителя
СообщениеДобавлено: Вт янв 29, 2019 20:16:17 
Встал на лапы

Зарегистрирован: Вт дек 15, 2015 13:07:03
Сообщений: 87
Рейтинг сообщения: 0
что за невезуха, то статья - умзч мосфет, на поляцком, то статья - защита АС, на болгарском... :?
As писал(а):
Для ускорения работы защиты - предлагаю использовать метод компенсации: сигнал со входа мощника усиливаем дополнительным усилителем (можно использовать обычный ОУ...) и подаём в противофазе на второй вход блока защиты...

где же наша простейшая, но эффективная защита АС - мини-статья на русском, или хотя бы посмотреть схему реализованную вами практически ?


Вернуться наверх
 
Эиком - электронные компоненты и радиодетали
Не в сети
 Заголовок сообщения: Re: Простейшая защита от постоянки на выходе усилителя
СообщениеДобавлено: Вт янв 29, 2019 20:23:33 
Модератор
Аватар пользователя

Карма: 120
Рейтинг сообщений: 1088
Зарегистрирован: Пн дек 08, 2008 19:28:04
Сообщений: 22854
Откуда: 10км от Москвы на Север
Рейтинг сообщения: 0
У меня болгарские работали и не плохо ... :)
https://radiokot.ru/forum/download/file ... 058c3f74aa


Вернуться наверх
 
Не в сети
 Заголовок сообщения: Re: Простейшая защита от постоянки на выходе усилителя
СообщениеДобавлено: Вт янв 29, 2019 21:14:09 
Встал на лапы

Зарегистрирован: Вт дек 15, 2015 13:07:03
Сообщений: 87
Рейтинг сообщения: 0
У меня болгарские работали и не плохо ... :)
https://radiokot.ru/forum/download/file ... 058c3f74aa
я про нее и говорю, текст не по нашему, трудно-читаемый-понимаемый :) там питание двуполярное +/- 15 В. Это значит надо стабилизаторы простейшие делать.

а вот можете сказать эта схема рабочая ? не совсем догоняю, какую роль играет NPN транзистор VT1 ? при аварии опто-пара замыкает у него переход база-коллектор и он превращается в диод вроде.. Если можно обьясните, в чем фокус этой схемы .. спасибо.
Изображение


Вернуться наверх
 
Не в сети
 Заголовок сообщения: Re: Простейшая защита от постоянки на выходе усилителя
СообщениеДобавлено: Вт янв 29, 2019 21:17:08 
Друг Кота
Аватар пользователя

Карма: 175
Рейтинг сообщений: 7680
Зарегистрирован: Чт апр 04, 2013 12:46:59
Сообщений: 17234
Откуда: Тюмень
Рейтинг сообщения: 0
В УНЧ вся предвариловка имеет такое (двуполярное 15 вольт) питание, так что это не проблема. Также можно прямо на плате защиты его сделать - два транзистора + два стабилитрона = невеликие затраты...

_________________
Общением на форуме подпитываю свою эгоистичную, склонную к самолюбованию сущность.


Вернуться наверх
 
Не в сети
 Заголовок сообщения: Re: Простейшая защита от постоянки на выходе усилителя
СообщениеДобавлено: Ср янв 30, 2019 16:40:24 
Встал на лапы

Зарегистрирован: Вт дек 15, 2015 13:07:03
Сообщений: 87
Рейтинг сообщения: 0
тем временем, глядя на схему защиты Никитина от уся Cambridge Audio A3i, которая мне понравилась простотой и продуманностью, захотелось мне нарисовать свой "велосипед". Каналы детектора постоянки, сделал разные для ПК и ЛК. Если дойдет до макета - посмотрю который из них, будет работать при меньшем + и - входном напряжении, без ложных срабатываний.
PS. За это время может появится более эффективная схема от As, и также буду разбираться с болгарским вариантом.
Если увидите на моей картинке ошибки, прошу подсказать - что не так ?
На транзюках BC546B и BD140 попытался реализовать триггер Шмитта, он имеет два устойчивых состояния и гистерезис, благодаря ПОС через резистор 100 кОм между базой BC546B и коллектором BD140. Также благодаря ему, происходит слегка форсированный переход из одного состояния в другое, что по идее, благотворно скажется на контактах реле. Резисторы на реле, выравнивают напряжения, т.к. возможен разброс сопрот. катушек от экземпляра. Стабилитроны, напротив защитных диодов реле, вроде как помогают сократить время размыкания контактов реле, чуть позже найду и выложу картинку, где я это вычитал :)
Сдвоенные контакты клавиши включения уся, для более надежного контакта - при замыкании будет подгорать от искры-дуги, только одна пара контактов - та которая раньше замыкается (технологическая особенность механики, особенно китайской). Вторая пара контактов (предположительно), будет замыкать ток уся, всегда чистенькая, без нагара. (подсмотрел у Аудиокиллера).

Изображение Изображение


Последний раз редактировалось novice2001 Чт янв 31, 2019 14:02:28, всего редактировалось 6 раз(а).

Вернуться наверх
 
Не в сети
 Заголовок сообщения: Re: Простейшая защита от постоянки на выходе усилителя
СообщениеДобавлено: Ср янв 30, 2019 17:21:05 
Модератор
Аватар пользователя

Карма: 159
Рейтинг сообщений: 4072
Зарегистрирован: Пт янв 23, 2009 19:20:05
Сообщений: 45140
Рейтинг сообщения: 0
Медали: 1
Получил миской по аватаре (1)
Я, наверное, схему рисовать не соберусь - да она и не нужна, т.к. стандартная "бриговская", к примеру, легко дорабатывается по моему методу - и получается всё то же самое, только срабатывать будет быстрее, а от инфразвуков не будет ложных срабатываний... :) Бриговская защита вообще, как мне кажется, самая простая и надёжная, а "от добра добра не ищут..." :) Но, Ваши схемы тоже можно доработать, если есть желание или необходимость...


Вернуться наверх
 
Не в сети
 Заголовок сообщения: Re: Простейшая защита от постоянки на выходе усилителя
СообщениеДобавлено: Ср янв 30, 2019 17:32:22 
Встал на лапы

Зарегистрирован: Вт дек 15, 2015 13:07:03
Сообщений: 87
Рейтинг сообщения: 0
As писал(а):
Бриговская защита вообще, как мне кажется, самая простая и надёжная, а "от добра добра не ищут..."
Бриговская это вот эта ?
Изображение

и доработка Nem0
Изображение

Под вашим руководством, я бы попробовал нарисовать схему, которую вы обьясняли на пальцах, несколькими постами выше ..

As писал(а):
Но, Ваши схемы тоже можно доработать, если есть желание или необходимость...

Оченно хочется и мою доработать, уж больно я люблю простые, но эффективные решения :) Подскажите, что из моей можно было бы выкинуть или заменить ?


Вернуться наверх
 
Не в сети
 Заголовок сообщения: Re: Простейшая защита от постоянки на выходе усилителя
СообщениеДобавлено: Ср янв 30, 2019 18:37:45 
Модератор
Аватар пользователя

Карма: 159
Рейтинг сообщений: 4072
Зарегистрирован: Пт янв 23, 2009 19:20:05
Сообщений: 45140
Рейтинг сообщения: 0
Медали: 1
Получил миской по аватаре (1)
Чуть выше я свою идею полностью описал... Смысл в том, чтобы максимально компенсировать звуковой сигнал на входе датчика защиты - тогда его чувствительность можно повысить, а время срабатывания - уменьшить...


Вернуться наверх
 
Не в сети
 Заголовок сообщения: Re: Простейшая защита от постоянки на выходе усилителя
СообщениеДобавлено: Чт янв 31, 2019 08:45:26 
Друг Кота
Аватар пользователя

Карма: 127
Рейтинг сообщений: 6124
Зарегистрирован: Вс дек 25, 2011 18:43:00
Сообщений: 24323
Откуда: г.Москва
Рейтинг сообщения: 0
novice2001 писал(а):
Подскажите, что из моей можно было бы выкинуть или заменить ?

..а я ведь говорил - осваивай микрокап.. :)

.."..время нет, время нет..".. :)

..освоил бы - выяснил, при каких уровнях по полярности оно срабатывает..

..так что не экономишь ты свое время... :) ..нечего тут менять - все выкидываем.. :)


Вложения:
У101защитапроект.rar [4.33 KiB]
Скачиваний: 378
Вернуться наверх
 
Не в сети
 Заголовок сообщения: Re: Простейшая защита от постоянки на выходе усилителя
СообщениеДобавлено: Чт янв 31, 2019 17:34:16 
Встал на лапы

Зарегистрирован: Вт дек 15, 2015 13:07:03
Сообщений: 87
Рейтинг сообщения: 0
novice2001 писал(а):
Подскажите, что из моей можно было бы выкинуть или заменить ?

..а я ведь говорил - осваивай микрокап.. :)

.."..время нет, время нет..".. :)

..освоил бы - выяснил, при каких уровнях по полярности оно срабатывает..

..так что не экономишь ты свое время... :) ..нечего тут менять - все выкидываем.. :)
спасибо, я помню ваш совет насчет микрокапа, надеюсь в феврале заняться, дело это сурьезное :)

..тем временем, я постарался нарисовать, одну из самых простых в мире :) защиту АС, от постоянки, и щелчков при вкл-выкл стерео-УМЗЧ.
Детекторы постоянки, как и в прошлой версии, нарисовал разные для ПК и ЛК - в макете выберу, какой лучше себя покажет. А может быть и лучше оставить их разными, так вероятность срабатывания возрастет :) Если из-за аварии, в одном канале уся полезет постоянка из-за перекоса питания, то в другом канале она тоже проявится - питальник то общий ..
Есть мнение, что двух-звенный RC-фильтр на входе детектора постоянки, хорошо справляется с работой, прикладываю скрин этого текста. На моей схемке нижний детектор с двойной RC-цепочкой, как на схеме Никитина (выкладывал выше).
Сдвоенные контакты клавиши включения уся, нарисовал для более надежного контакта - при замыкании будет подгорать от искры-дуги, только одна пара контактов - та которая раньше замыкается (технологическая особенность механики, особенно китайской). Вторая пара контактов (предположительно), будет замыкать ток уся, всегда чистенькая, без нагара. (подсмотрел у Аудиокиллера). Кто в курсе - наибольшая искра-дуга между контактами, образуется при замыкании или размыкании клавиши питания уся ? Насколько ей сможет противодействовать кондер 10 нФ в параллель контактам ?
Стабилитроны, напротив защитных диодов реле, вроде как помогают сократить время размыкания контактов реле. Прикладываю скриншоты, где я это прочитал. Что вы думаете по этому поводу - есть польза от стабов или это фейк ?
Схема заметно упростилась благодаря TL431, она держит максимально до 37 вольт на катод-анод, и ток до 100 мА, так что при питании схемы до 30 вольт, все должно быть ок.
PS. Подумал я, подумал, и решил убрать резисторы выравнивающие на релюшках напряжения. Вместо этого заменю спарки диод-стаб, на спарки стаб-стаб, по цене разницы никакой, зато теперь, при поступлении на катушки реле, напряжения любой полярности, оно не превысит 12,6 вольта на каждой катушке. Напряжение обратной полярности (большой амплитуды), появляется в момент закрытия ключа, из-за противо-ЭДС само-индукции катушек реле. Тут то и спасают ZZ цепочки (один из стабов спарки, в прямом включении для этого импульса, становится диодом).
Что скажете ?
Изображение Изображение Изображение Изображение


Вернуться наверх
 
Не в сети
 Заголовок сообщения: Re: Простейшая защита от постоянки на выходе усилителя
СообщениеДобавлено: Вс июн 15, 2025 01:57:34 
Первый раз сказал Мяу!
Аватар пользователя

Зарегистрирован: Сб мар 16, 2024 12:20:37
Сообщений: 33
Откуда: Мск
Рейтинг сообщения: 0
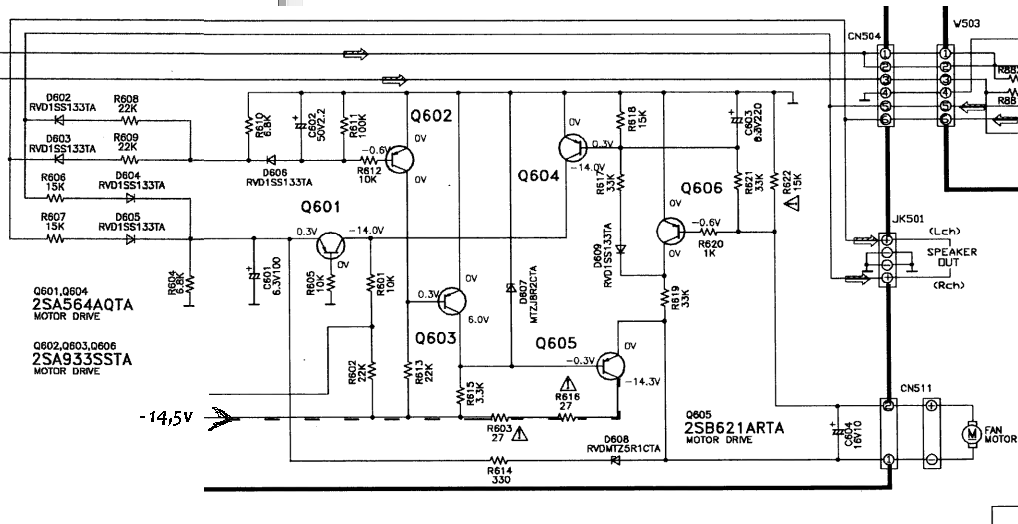
Вот очень похожая схема защиты в комбайне Panasonic 1996 г

Изображение


Изображение
Panasonic SA-CH73

А в Panasonic SA-CH75 то же самое, только добавлен впараллель ещё 1 кондер странного вида, похож на малюсенький резистор 1/8 Вт, на схеме маркировка "20.01", предположу 0,01мкФ 20В.

Коллекторы подтянуты резистором 10к к линии 5В, на схеме у транзисторов 4,9В написано (а у SA-CH73 - 5,2В). Линия 3/503 "DCDET" на вход проца.

Резисторы с выходов УМЗЧ ЛК и ПК разные, проверил на схеме, 82к и 120к. Видимо, для надежного срабатывания, если даже в ЛК и ПК появятся одинаковые напряжения противоположной полярности.

Копаюсь в усилке от такого центра, вот

https://www.radiokot.ru/forum/viewtopic ... 9#p4724339

Но основной вопрос у меня в схеме управления вентилятором...

Вентилятор включается при достижении на выходе уся определенного напряжения, а именно +1,7В на одном канале. И крутится от напряжения 9,7В. Из за чего может подрыгиваться в такт музыке. Если напряжение держится, то через 45 секунд переходит на "2 скорость" - 12,1В. При уменьшении напряжения до +1,6В останавливается сразу, без ощутимой задержки. Странное решение. Обычно термодатчик ставят...

Изображение

Непонятно, зачем идет от ЛК и ПК по 2 плеча??? Это в SA-CH73. В SA-CH75 вообще схема другая, но тоже 2 плеча, 1 идет на управление вентилятора, а 2 на линию сигнала 3/503 "DCDET"

Это в SA-CH73 :

Изображение

Изображение

Это в SA-CH75 :

Добавлено after 57 minutes 25 seconds:
Изображение

Изображение

Вентилятор не хотел работать, пришлось вникать в схему. В штатном режиме он питается через др. плату, на вывод 4/502 "MO+B" приходит +14В. Я взял их с 4/503 "+15V" (в реале там +14,3В)

Подтянул 3/503 "DCDET" резистором к 8 вольтам через 10к, отсоединил линию выхода, где "уши", подал на выходные клеммы УЗЧ 9 вольт, а потом 18, от батареек Крона... Вентилятор включается, а на линии 3/503 "DCDET" ничего не меняется. Хотя по идее должен открываться Q568 и тянуть линию к общему проводу...

Вообще, зачем я полез в эту схему.
1. Понять, не связана ли неисправность комбайна "ошибка F61" с линиями защиты.
2. Собрать усь в отдельном корпусе, использовать эти защиты. Релюха уже есть в схеме, ей управление от защиты пристроить.

Аппарат Panasonic SA-CH75! Была ошибка F61! RSN выпаял. Без нее работает, но естественно звука нет!


Спасибо за схемы попался панас SA CH75 С ошибкой F61 сдох проц(. Решил сделать УНЧ .....


Схемы pdf

Вложение:
Panasonic-SACH73-cs-sch.pdf [2.03 MiB]
Скачиваний: 45


Вложение:
panasonic SACH75.pdf [2.87 MiB]
Скачиваний: 54


Вложения:
2025-06-15_01-49-08.png [120.1 KiB]
Скачиваний: 373
2025-06-15_01-04-23_2.png [99.4 KiB]
Скачиваний: 389
photo_2025-06-15_01-24-05.jpg [96.52 KiB]
Скачиваний: 370
2025-06-15_01-04-23.png [135.62 KiB]
Скачиваний: 378
2025-06-15_00-37-08.png [22.28 KiB]
Скачиваний: 397
1s1m0fvj02_2.JPG [9.92 KiB]
Скачиваний: 384

_________________
https://www.youtube.com/@LiOPSIK_220
Вернуться наверх
 
Не в сети
 Заголовок сообщения: Re: Простейшая защита от постоянки на выходе усилителя
СообщениеДобавлено: Пн июн 16, 2025 20:50:50 
Вымогатель припоя

Зарегистрирован: Пт май 20, 2022 12:28:46
Сообщений: 597
Рейтинг сообщения: 0
Вот жеж эксгуматоры!
самый простой способ защиты от постоянки, это uPC1237HA в типовом включении.


Вернуться наверх
 
Показать сообщения за:  Сортировать по:  Вернуться наверх
Начать новую тему Ответить на тему  [ Сообщений: 35 ]    , 2

Часовой пояс: UTC + 3 часа


Кто сейчас на форуме

Сейчас этот форум просматривают: нет зарегистрированных пользователей и гости: 14


Вы не можете начинать темы
Вы не можете отвечать на сообщения
Вы не можете редактировать свои сообщения
Вы не можете удалять свои сообщения
Вы не можете добавлять вложения

Найти:
Перейти:  


Powered by phpBB © 2000, 2002, 2005, 2007 phpBB Group
Русская поддержка phpBB
Extended by Karma MOD © 2007—2012 m157y
Extended by Topic Tags MOD © 2012 m157y