Например TDA7294

Форум РадиоКот • Просмотр темы - Простая УКВ радиостанция с узкополосной ЧМ (20 МГц...50 МГц)
Форум РадиоКот
Здесь можно немножко помяукать :)

Текущее время: Сб дек 20, 2025 15:24:52

Часовой пояс: UTC + 3 часа


ПРЯМО СЕЙЧАС:



Начать новую тему Ответить на тему  [ Сообщений: 478 ]     ... , , , , 24
Автор Сообщение
Не в сети
 Заголовок сообщения: Re: Простая УКВ радиостанция с узкополосной ЧМ (20 МГц...50
СообщениеДобавлено: Чт мар 19, 2015 15:39:54 
Друг Кота

Карма: -1
Рейтинг сообщений: 86
Зарегистрирован: Вт мар 13, 2012 12:16:13
Сообщений: 8878
Откуда: .ru
Рейтинг сообщения: 0
Jemchug писал(а):
Возьмите обычный радиовещательный УКВ приемник и поймайте четвертую гармонику вашего передатчика.

Вообщето мы собираем приёмник. До передатчика мы ещё не дошли...
Изображение
DJ_club писал(а):
при подключении к схеме ГПД звук в динамике никак не меняется, такой же тихий-тихий шум (приходится на макс. выкручивать громкость)

Если приёмник работал, а потом вдруг перестал работать - это обычный обрыв в схеме. Или короткое замыкание. Пропаяй нормально все контакты...
Если например оторвать одну ногу фильтра, то звук будет тихий-тихий - это шумит сама микросхема... а дальше обрыв. При этом мерить напряжения на транзисторах нет смысла. Они будут нормальные. :roll:
Шум приёмника болжен быть громким даже с отключенным гетеродином. При подключении гетеродина - характер звука должен меняться...


Вернуться наверх
 
Не в сети
 Заголовок сообщения: Re: Простая УКВ радиостанция с узкополосной ЧМ (20 МГц...50
СообщениеДобавлено: Чт мар 19, 2015 15:53:05 
Вымогатель припоя
Аватар пользователя

Карма: 13
Рейтинг сообщений: 158
Зарегистрирован: Вс фев 01, 2015 08:56:13
Сообщений: 672
Откуда: елбасстан
Рейтинг сообщения: 0
roman.com писал(а):
Если приёмник работал, а потом вдруг перестал работать - это обычный обрыв в схеме. Или короткое замыкание.
Шум был очень тихим с самого начала - даже если принимались вещалки, звук приходилось выкручивать на максимум.
Подозреваю что фильтр впаял неправильно... В инете инфы по китайским фильтрам кот наплакал. Буду разбираться.

_________________
t.me/UN7FIL <== радиолюбительские полезности


Вернуться наверх
 
Не в сети
 Заголовок сообщения: Re: Простая УКВ радиостанция с узкополосной ЧМ (20 МГц...50
СообщениеДобавлено: Чт мар 19, 2015 16:03:33 
Друг Кота

Карма: -1
Рейтинг сообщений: 86
Зарегистрирован: Вт мар 13, 2012 12:16:13
Сообщений: 8878
Откуда: .ru
Рейтинг сообщения: 0
DJ_club писал(а):
Шум был очень тихим с самого начала...

Ну смотря чем слушать)) На выходе микросхемы должна быть амплитуда звука около 0,1 Вольт ... (100 mV). Т.е. можно подключать практически любой усилитель.
Фильтр обычный - китайский 455 кГц. Его нельзя перепутать .. там всего три выводв : вход, выход, и одщий (по центру). Причем если перепутать вход и выход то ничего не поменяется)))
Изображение
Я не вижу на фото всех номиналов... Нарисуйте нормальную схему (вместе с УНЧ) для начала. :roll:


Вложения:
ХА6.rar [9.63 KiB]
Скачиваний: 501
Вернуться наверх
 
Не в сети
 Заголовок сообщения: Re: Простая УКВ радиостанция с узкополосной ЧМ (20 МГц...50
СообщениеДобавлено: Пт мар 20, 2015 13:42:25 
Вымогатель припоя
Аватар пользователя

Карма: 13
Рейтинг сообщений: 158
Зарегистрирован: Вс фев 01, 2015 08:56:13
Сообщений: 672
Откуда: елбасстан
Рейтинг сообщения: 0
roman.com писал(а):
Ну смотря чем слушать))
Слушаю ушами :))) :))) С помощью заводского усилка microlab :)
roman.com писал(а):
Причем если перепутать вход и выход то ничего не поменяется)))
А, ну тогда все ок)))

Схему с номиналами прилагаю.
П.с. "1-2 В настройка" никуда не подключал... Может в этом дело? :roll:


Вложения:
ХА6.rar [10.02 KiB]
Скачиваний: 541

_________________
t.me/UN7FIL <== радиолюбительские полезности
Вернуться наверх
 
Эиком - электронные компоненты и радиодетали
Не в сети
 Заголовок сообщения: Re: Простая УКВ радиостанция с узкополосной ЧМ (20 МГц...50
СообщениеДобавлено: Сб мар 21, 2015 14:21:52 
Друг Кота

Карма: -1
Рейтинг сообщений: 86
Зарегистрирован: Вт мар 13, 2012 12:16:13
Сообщений: 8878
Откуда: .ru
Рейтинг сообщения: 1
1)- "1-2 В настройка" можно подключать, можно не подключать... на работу это не влияет.

2)- На схеме конденсаторы слишком большой ёмкости. Вообще должны быть в 10 раз меньше... Точно подбирается при настройке.
Изображение
Хотя может работать и так.

3)- Проверить выходное напряжение микросхемы очень просто: подключаем вольтметр к выходу детектора микросхемы и настраиваем на любую радиостанцию (или генератор). Крутим настройку приёмника (или генератора) туда-сюда до полного пропадания сигнала... напряжение должно меняться примерно +/- 0,1 V (при изменении частоты входного сигнала +/- 7 кГц):
Изображение
Это все уже писал на второй странице этого форума. viewtopic.php?f=25&t=81735&start=20 :tea:

если напряжение нормальное, то значит твой усилитель слабенький... для этого поставь дополнительный каскад на одном транзисторе, как у меня на схеме:
Изображение
и приёмник будет играть громко))


Вложения:
ХА6.JPG [79.01 KiB]
Скачиваний: 948
ХА6.JPG [107.37 KiB]
Скачиваний: 916
Вернуться наверх
 
Не в сети
 Заголовок сообщения: Re: Простая УКВ радиостанция с узкополосной ЧМ (20 МГц...50
СообщениеДобавлено: Пн мар 23, 2015 12:04:16 
Вымогатель припоя
Аватар пользователя

Карма: 13
Рейтинг сообщений: 158
Зарегистрирован: Вс фев 01, 2015 08:56:13
Сообщений: 672
Откуда: елбасстан
Рейтинг сообщения: 0
1) ок.
2) по невнимательности написал не тот номинал. :facepalm: Схему прилагаю. Кондёр связи ГПД-смеситель брал разные от 5,6 пф до 180, толку нет: ДО кондёра ВЧ есть, ПОСЛЕ - нет....
3) на генератор не настраивается. Вещалки ловит через раз... Короче, какая-то мистика с этим приёмником)))


Вложения:
сх.JPG [37.89 KiB]
Скачиваний: 1019

_________________
t.me/UN7FIL <== радиолюбительские полезности
Вернуться наверх
 
Не в сети
 Заголовок сообщения: Re: Простая УКВ радиостанция с узкополосной ЧМ (20 МГц...50
СообщениеДобавлено: Вт мар 24, 2015 14:12:01 
Друг Кота

Карма: -1
Рейтинг сообщений: 86
Зарегистрирован: Вт мар 13, 2012 12:16:13
Сообщений: 8878
Откуда: .ru
Рейтинг сообщения: 1
Да нет там никакой мистики)) Обычный простейший приёмник.
Для проверки отключи УВЧ. Прсто чтобы исключить возможное возбуждение УВЧ... Антенну подлючи напрямую к контуру смесителя... генератор должен ловить полюбому.

Правильно собранный и настроенный приёмник просто не может не работать... Если ловит через раз - нужно смотреть контакты монтажа...


Вложения:
ХА6.JPG [109.43 KiB]
Скачиваний: 692
Вернуться наверх
 
Не в сети
 Заголовок сообщения: Re: Простая УКВ радиостанция с узкополосной ЧМ (20 МГц...50
СообщениеДобавлено: Сб апр 04, 2015 07:03:24 
Вымогатель припоя
Аватар пользователя

Карма: 13
Рейтинг сообщений: 158
Зарегистрирован: Вс фев 01, 2015 08:56:13
Сообщений: 672
Откуда: елбасстан
Рейтинг сообщения: 0
Отпаял резистор 510 к.
Включил усилок на максимум.
Включил приемник.
"Шум эфира" в колонках очень тихий. Даже на максимуме громкости.

Включил пробный генератор. Покрутил кондер ГПД... Ничего. :dont_know:
Поднёс пробный генер к входному контуру смесителя... Появился громкий, сочный "шум эфира", как в заводских приёмниках. :)) :music: Так что похоже дело в "высокостабильном ГПД". :roll:

_________________
t.me/UN7FIL <== радиолюбительские полезности


Вернуться наверх
 
Не в сети
 Заголовок сообщения: Re: Простая УКВ радиостанция с узкополосной ЧМ (20 МГц...50
СообщениеДобавлено: Пн апр 06, 2015 15:38:59 
Друг Кота

Карма: -1
Рейтинг сообщений: 86
Зарегистрирован: Вт мар 13, 2012 12:16:13
Сообщений: 8878
Откуда: .ru
Рейтинг сообщения: 1
DJ_club писал(а):
Так что похоже дело в "высокостабильном ГПД"

А сразу проверить ГПД было нельзя? ))
Ну ничего... это нормально. При сбоорке новой конструкции ... всегда возникают разные нюансы...
Я с таким ГПД не работал... какая у него на самом деле стабильность - я сказать не могу.

Но для рации на частоты 27 мгц и выше ... он врятли годится. Рация должна быть на кварцах (или синтезаторе)... иначе замучаетесь подстраивать связь. Я давно отказался от идеи собирать рации на всяких ГПД... слишком не надёжно всё это :dont_know:


Вернуться наверх
 
Не в сети
 Заголовок сообщения: Re: Простая УКВ радиостанция с узкополосной ЧМ (20 МГц...50
СообщениеДобавлено: Пн апр 06, 2015 17:03:19 
Вымогатель припоя
Аватар пользователя

Карма: 13
Рейтинг сообщений: 158
Зарегистрирован: Вс фев 01, 2015 08:56:13
Сообщений: 672
Откуда: елбасстан
Рейтинг сообщения: 0
roman.com писал(а):
А сразу проверить ГПД было нельзя? ))
ГПД в поряде (работает), причём стабильно :)) , просто (как я понял) не хватает уровня для раскачки смесителя. Можно конечно прилепить каскад усиления, но мне это не надо)) Паял ведь эксперимента ради. :))

Вобще это мой первый самодельный супергетеродин, так что тапками не кидайтесь))) Главное что заработал. :))
Спасибо за консультации! :)) :beer:

_________________
t.me/UN7FIL <== радиолюбительские полезности


Вернуться наверх
 
Не в сети
 Заголовок сообщения: Re: Простая УКВ радиостанция с узкополосной ЧМ (20 МГц...50
СообщениеДобавлено: Вс май 17, 2015 11:07:23 
Друг Кота

Карма: -1
Рейтинг сообщений: 86
Зарегистрирован: Вт мар 13, 2012 12:16:13
Сообщений: 8878
Откуда: .ru
Рейтинг сообщения: 0
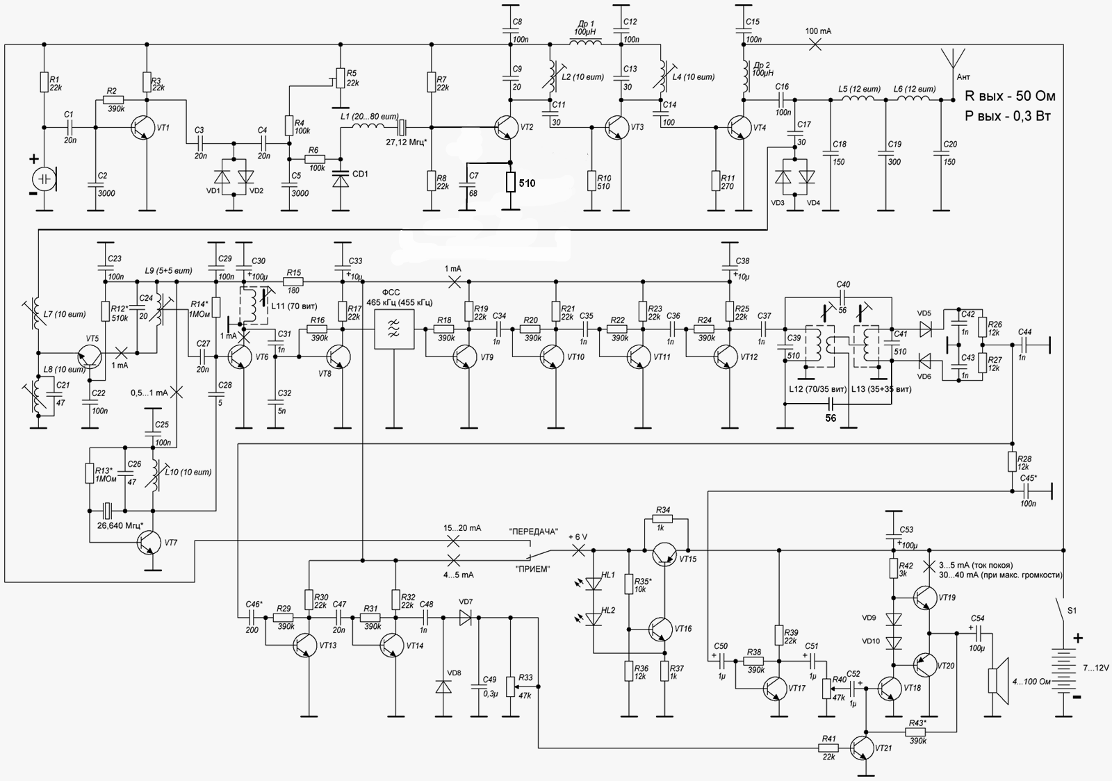
Усовершенствованная схема:
Вложение:
РС.png [122 KiB]
Скачиваний: 1158

Подробней по кварцевым генераторам:
http://useruser.narod.ru/harmonics_xtall_generators.htm
Недостаток схемы - температурная стабильность. Для повышения стабильности частоты передатчика необходимо добавить температурную стабилизацию...


Вернуться наверх
 
Не в сети
 Заголовок сообщения: Re: Простая УКВ радиостанция с узкополосной ЧМ (20 МГц...50
СообщениеДобавлено: Чт сен 29, 2016 08:25:44 
Родился

Зарегистрирован: Чт сен 29, 2016 05:10:11
Сообщений: 7
Рейтинг сообщения: 0
Доброго времени суток. Видимо тема давно закрыта. Подскажите начинающему радиолюбителю буквально в двух словах, какие приборы необходимо иметь чтобы настроить например вашу радиостанцию? Я так понимаю нужен осциллограф, так вот с какой полосой пропускания он необходим? Какие генераторы и другие пробники еще нужны? С Уважением Николай.


Вернуться наверх
 
Не в сети
 Заголовок сообщения: Re: Простая УКВ радиостанция с узкополосной ЧМ (20 МГц...50
СообщениеДобавлено: Чт сен 29, 2016 11:49:50 
Сверлит текстолит когтями
Аватар пользователя

Карма: 22
Рейтинг сообщений: 110
Зарегистрирован: Вс сен 25, 2005 10:07:31
Сообщений: 1219
Откуда: Россия.
Рейтинг сообщения: 0
kolipsol писал(а):
осциллограф, так вот с какой полосой пропускания он необходим? Какие генераторы и другие пробники еще нужны? С Уважением Николай.
Почитайте внимательнее эту тему.
viewtopic.php?f=14&t=122550
В ней как раз описывается настройка подобных приемников и также приводятся схемы пробников и генераторов, что необходимы для настройки подобных схем.


Вернуться наверх
 
Не в сети
 Заголовок сообщения: Re: Простая УКВ радиостанция с узкополосной ЧМ (20 МГц...50
СообщениеДобавлено: Чт сен 26, 2019 19:17:27 
Встал на лапы

Зарегистрирован: Ср сен 11, 2019 15:44:18
Сообщений: 86
Рейтинг сообщения: 0
Всем привет! Есть у кого плата на схему из статьи? Отзовитесь!


Вернуться наверх
 
Не в сети
 Заголовок сообщения: Re: Простая УКВ радиостанция с узкополосной ЧМ (20 МГц...50
СообщениеДобавлено: Пн авг 31, 2020 12:18:32 
Родился

Зарегистрирован: Чт авг 27, 2020 23:16:07
Сообщений: 1
Рейтинг сообщения: 0
День добрый! Не выходит завести задающий генератор... вроде бы и есть несущая, но модуляция очень тихая. Кажись, всё уже перепробовал: кучу варикапов, кучу кварцев, кт315-кт368, разные L1, и другую схему пробовал - всё одинаково. Не подскажете, куда копать?


Вернуться наверх
 
Не в сети
 Заголовок сообщения: Re: Простая УКВ радиостанция с узкополосной ЧМ (20 МГц...50
СообщениеДобавлено: Пн авг 31, 2020 14:49:35 
Друг Кота
Аватар пользователя

Карма: 55
Рейтинг сообщений: 668
Зарегистрирован: Вт сен 25, 2012 23:13:41
Сообщений: 5426
Откуда: г.Дзержинск Нижегородской обл.
Рейтинг сообщения: 0
Подсказываю: китайский Баофенг UV-5R поставил жирную точку в конструировании самодельных портативок. Проще чем купить за пару тыр. чувствительную двухдиапазонную рацию мощностью 5-8 Вт уже ничего быть не может.
Хотите помучиться? Да пожалуйста!
Чтобы понять причину тихого сигнала, необходимо увидеть его на анализаторе спектра. (Подойдёт даже недорогой SDR-приёмник.) Девиация частоты выходного сигнала передатчика д.б. 10-12 кГц (узкополосная ЧМ). Получить такое расстраивая кварцевый резонатор задающего генератора можно методом умножения частоты. Здесь же ничего подобного нет, взамен возбуждают кварц на третьей гармонике. Это требует тщательной настройки контуров, которую невозможно сделать без специальных приборов.

_________________
Спасение утопающих дело рук самих утопающих.


Вернуться наверх
 
Не в сети
 Заголовок сообщения: Re: Радиоуправляемый кораблик своими руками.
СообщениеДобавлено: Пт сен 04, 2020 04:26:05 
Нашел транзистор. Понюхал.

Зарегистрирован: Пн мар 12, 2012 19:25:22
Сообщений: 171
Рейтинг сообщения: 0
Не выходит завести задающий генератор... вроде бы и есть несущая, но модуляция очень тихая. Не подскажете, куда копать?
Эти темы почитайте и личные сообщения.
https://radiokot.ru/forum/viewtopic.php ... 4#p2588064
https://radiokot.ru/forum/viewtopic.php?f=28&t=43260


Вернуться наверх
 
Не в сети
 Заголовок сообщения: Re: Простая УКВ радиостанция с узкополосной ЧМ (20 МГц...50
СообщениеДобавлено: Вт июл 13, 2021 12:28:57 
Друг Кота

Карма: -1
Рейтинг сообщений: 86
Зарегистрирован: Вт мар 13, 2012 12:16:13
Сообщений: 8878
Откуда: .ru
Рейтинг сообщения: 0
Читаем с этого места.
https://www.radiokot.ru/forum/viewtopic ... start=1704


Вернуться наверх
 
Показать сообщения за:  Сортировать по:  Вернуться наверх
Начать новую тему Ответить на тему  [ Сообщений: 478 ]     ... , , , , 24

Часовой пояс: UTC + 3 часа


Кто сейчас на форуме

Сейчас этот форум просматривают: нет зарегистрированных пользователей и гости: 45


Вы не можете начинать темы
Вы не можете отвечать на сообщения
Вы не можете редактировать свои сообщения
Вы не можете удалять свои сообщения
Вы не можете добавлять вложения

Найти:
Перейти:  


Powered by phpBB © 2000, 2002, 2005, 2007 phpBB Group
Русская поддержка phpBB
Extended by Karma MOD © 2007—2012 m157y
Extended by Topic Tags MOD © 2012 m157y