Например TDA7294

Форум РадиоКот • Просмотр темы - Ультразвуковая рулетка "УЗР-400"
Форум РадиоКот
Здесь можно немножко помяукать :)

Текущее время: Пт янв 02, 2026 14:16:14

Часовой пояс: UTC + 3 часа


ПРЯМО СЕЙЧАС:



Начать новую тему Ответить на тему  [ Сообщений: 38 ]  1,  
Автор Сообщение
Не в сети
 Заголовок сообщения: Ультразвуковая рулетка "УЗР-400"
СообщениеДобавлено: Чт окт 10, 2013 00:35:50 
Открыл глаза
Аватар пользователя

Карма: 4
Рейтинг сообщений: 4
Зарегистрирован: Чт фев 21, 2013 22:19:35
Сообщений: 63
Рейтинг сообщения: 4
Подробности и обсуждение темы. http://radiokot.ru/circuit/digital/measure/112/

Участвуя в конкурсе поторопился и не смог описать и рассказать подробности. Теперь все ок'+ доработанная прошивка v1.a .
Отключение по времени при разрядки аккумулятора ниже 2.1в уже есть v.1a.
Индикатор отображения разряда акк. графический и цифровой есть v.1a.
Версия прошивки v.1а получилась просто для замера (кому как будет удобно "рулетка" или "дальномер").

Обозначение кнопок. На фото "УЗР-400"
1.Вкл/Выкл. рулетки.
2.Ввод ,сохранение ,выполнение
3.Выбор ,курсор
4.Вкл/Выкл. подсветки лсд.

При включении появляется надпись УЗР-400 ( 3 сек.) если в течении этого время нажать кнопку 2 (относительно схемы "Ввод" , все ни как не нарисую обозначения) то попадаете в меню "Настройки" , не нажимая авто переход главное окно " Измерение".

В меню настроек: кн.2 производим выбор нужного значения, кн 3 переход по меню (по строкам)
После выбора ,переходим на строку сохранить и удерживая кн.2 более 1сек. будет надпись сохранено и выход в главное окно "Измерение" .Если кратко временное нажатие то выход из меню настроек без сохр.

В окне "Измерение" нажатие на кн.3, переключение измерения рулетки от датчика или от задней стенки рулетки.

В архиве у первой прошивки в которой заложены функции сделаю чуть позднее так как Atmega 8 не умещает все это .

Что сделаю в дальнейшей прошивке(atmega168 или 328)

1.Установка Отключение по времени (есть v.1a)
2.Установка коэффициента ( подгонка для более точного замера)
3.Просмотр сохраненных замеров ред.,удаление.
4.Установка коэффициента замера от задней части рулетки (разные корпуса для изготовления ) в данной +7см.

Фузы в архиве.


Вложения:
UZR-400hex.rar [119.7 KiB]
Скачиваний: 569
Сохранение.JPG [27.3 KiB]
Скачиваний: 1162
Меню настроик.JPG [30.13 KiB]
Скачиваний: 889
Измерение от задней стор..jpg [69.34 KiB]
Скачиваний: 1184
uzr-400.jpg [54.75 KiB]
Скачиваний: 1166
Вернуться наверх
 
Не в сети
 Заголовок сообщения: Re: Ультразвуковая рулетка "УЗР-400"
СообщениеДобавлено: Чт окт 10, 2013 03:25:11 
Нашел транзистор. Понюхал.

Карма: 2
Рейтинг сообщений: 27
Зарегистрирован: Ср ноя 04, 2009 22:42:45
Сообщений: 188
Рейтинг сообщения: 0
Заинтересовала рулетка. есть несколько вопросов относительно питания. я так понял питание от литиевого аккумулятора. а зарядка как происходит, напрямую от юсб? может быть стоит добавить схему зарядки, к примеру на max1555, или аналогичных. отключение при 2.1 В, не маловато для лития?


Вернуться наверх
 
Не в сети
 Заголовок сообщения: Re: Ультразвуковая рулетка "УЗР-400"
СообщениеДобавлено: Чт окт 10, 2013 07:39:19 
Открыл глаза
Аватар пользователя

Карма: 4
Рейтинг сообщений: 4
Зарегистрирован: Чт фев 21, 2013 22:19:35
Сообщений: 63
Рейтинг сообщения: 0
Заряжаю акк. по схеме на фото ( ссылка на фото) . Вы правильно подметили про очень низкое значение разряда, рекомендуемое 2.85в-3.3в .У меня их скопилось достаточно (не жалко) :) .
Скажите сколько, вечером поправлю.


Вложения:
LiCharg.gif [24.4 KiB]
Скачиваний: 1408
Вернуться наверх
 
Не в сети
 Заголовок сообщения: Re: Ультразвуковая рулетка "УЗР-400"
СообщениеДобавлено: Чт окт 10, 2013 11:43:38 
Нашел транзистор. Понюхал.

Карма: -3
Рейтинг сообщений: -5
Зарегистрирован: Ср мар 04, 2009 09:30:14
Сообщений: 198
Рейтинг сообщения: 0
Интересная конструкция, хочу собрать, датчик ульразвуковой заказал. Интересует можно ли применить дисплеи от Нокии 1100, или 1110 (i) ?


Вернуться наверх
 
Эиком - электронные компоненты и радиодетали
Не в сети
 Заголовок сообщения: Re: Ультразвуковая рулетка "УЗР-400"
СообщениеДобавлено: Чт окт 10, 2013 14:22:35 
Нашел транзистор. Понюхал.

Карма: 2
Рейтинг сообщений: 27
Зарегистрирован: Ср ноя 04, 2009 22:42:45
Сообщений: 188
Рейтинг сообщения: 0
Да, кстати, на схеме и на фото судя по всему дисплей 1202, а файл прошивки для 1100? и фьюзы какие ставить?


Вернуться наверх
 
Не в сети
 Заголовок сообщения: Re: Ультразвуковая рулетка "УЗР-400"
СообщениеДобавлено: Чт окт 10, 2013 18:02:43 
Открыл глаза
Аватар пользователя

Карма: 4
Рейтинг сообщений: 4
Зарегистрирован: Чт фев 21, 2013 22:19:35
Сообщений: 63
Рейтинг сообщения: 0
Поддерживает дисплеи Nokia_1100_1101_1110_1110i_1112_1116_1200_1202_1203_1280_2300_2660_2760_6085

Из них больше всего нравиться 1202 габариты не нужно разьемы (паять одно удовольствие хотя мелковато). Почему 1100? да просто название папки и библиотеки не поменял когда собирал инфу и программировал. Короче зрите в корень :roll:
Подробности про все эти лсд ТУТ

Фузы в архиве (выше)


Вернуться наверх
 
Не в сети
 Заголовок сообщения: Re: Ультразвуковая рулетка "УЗР-400"
СообщениеДобавлено: Пт окт 11, 2013 21:55:20 
Открыл глаза
Аватар пользователя

Карма: 4
Рейтинг сообщений: 4
Зарегистрирован: Чт фев 21, 2013 22:19:35
Сообщений: 63
Рейтинг сообщения: 0
Поправил автоотключение при разряде акк. 3.3в.


Вложения:
UZR400-v1a(3.3volt).hex [22.1 KiB]
Скачиваний: 832
Вернуться наверх
 
Не в сети
 Заголовок сообщения: Re: Ультразвуковая рулетка "УЗР-400"
СообщениеДобавлено: Пт окт 11, 2013 22:52:31 
Нашел транзистор. Понюхал.

Карма: 2
Рейтинг сообщений: 27
Зарегистрирован: Ср ноя 04, 2009 22:42:45
Сообщений: 188
Рейтинг сообщения: 0
теперь осталось датчик дождаться. не думал, что они всего по 1.5$ :)
а датчик US-020, на 7 метров, работать будет?


Вернуться наверх
 
Не в сети
 Заголовок сообщения: Re: Ультразвуковая рулетка "УЗР-400"
СообщениеДобавлено: Сб окт 12, 2013 11:46:41 
Открыл глаза
Аватар пользователя

Карма: 4
Рейтинг сообщений: 4
Зарегистрирован: Чт фев 21, 2013 22:19:35
Сообщений: 63
Рейтинг сообщения: 0
dorya писал(а):
а датчик US-020, на 7 метров, работать будет?

Лично пока не пробовал но думаю что будет. Жду когда подойдут US-020 и US-100.
US-100 с температурной компенсацией и разрешение 1мм. Хочу поиграться с точностью.


Вернуться наверх
 
Не в сети
 Заголовок сообщения: Re: Ультразвуковая рулетка "УЗР-400"
СообщениеДобавлено: Сб окт 12, 2013 16:14:26 
Нашел транзистор. Понюхал.

Карма: 1
Рейтинг сообщений: 7
Зарегистрирован: Пн янв 14, 2013 15:06:57
Сообщений: 181
Откуда: Д.Вс.
Рейтинг сообщения: 0
Так и не понял, сейчас какое максимальное расстояние измеряет?


Вернуться наверх
 
Не в сети
 Заголовок сообщения: Re: Ультразвуковая рулетка "УЗР-400"
СообщениеДобавлено: Сб окт 12, 2013 16:51:44 
Открыл глаза
Аватар пользователя

Карма: 4
Рейтинг сообщений: 4
Зарегистрирован: Чт фев 21, 2013 22:19:35
Сообщений: 63
Рейтинг сообщения: 0
takei писал(а):
Так и не понял, сейчас какое максимальное расстояние измеряет?


В данной статье используется датчик HC_SR04 по даташиту 4метра, в моих испытаниях берет и 6м. но уже с погрешностью!
Приведенные выше датчики имеют место быть.
После проверки отпишусь но нескоро :?


Вернуться наверх
 
Не в сети
 Заголовок сообщения: Re: Ультразвуковая рулетка "УЗР-400"
СообщениеДобавлено: Пт окт 25, 2013 12:30:03 
Родился
Аватар пользователя

Зарегистрирован: Вт апр 17, 2007 15:10:22
Сообщений: 13
Откуда: Екатеринбург
Рейтинг сообщения: 0
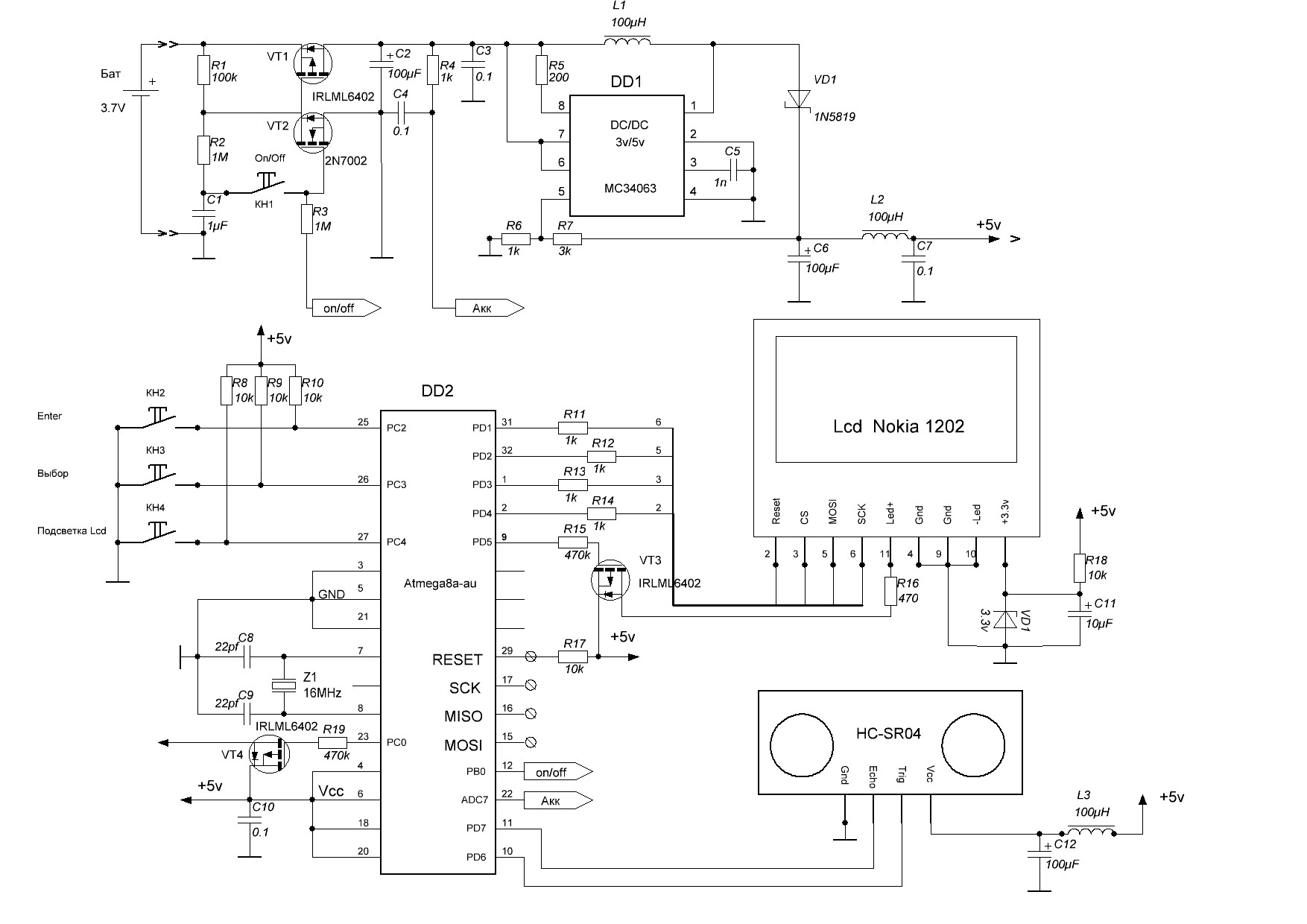
а можно схему посмотреть в нормальном качестве, покрупнее?


Вернуться наверх
 
Не в сети
 Заголовок сообщения: Re: Ультразвуковая рулетка "УЗР-400"
СообщениеДобавлено: Вс окт 27, 2013 16:57:33 
Нашел транзистор. Понюхал.

Карма: -3
Рейтинг сообщений: -5
Зарегистрирован: Ср мар 04, 2009 09:30:14
Сообщений: 198
Рейтинг сообщения: 0
Собрал схему на макетке, без включения питания и преобразователя, запитал от 5в. Включаю на дисплее надписи зеркально по вертикали (дисплей 1100), показания по нулям. Поменял сигнальные провода на УЗ датчик, стал мерять. На схеме выводы подключения кварца должны быть 7, 8.
Прошу не задeйствовать вывод ADC7 для контроля напряжения аккума , т.к его нет в дип корпусе. Хочу применить в Дип корпусе чтобы можно было перейти на Атмегу 328Р в дип.
Где в прошивке подправить, чтобы развернуть изображение по вертикали. Пару раз микроконтроллер заглючил и изображение было нормально , но не работал.
Для чего транзистор VT4?


Вернуться наверх
 
Не в сети
 Заголовок сообщения: Re: Ультразвуковая рулетка "УЗР-400"
СообщениеДобавлено: Пн окт 28, 2013 00:10:51 
Открыл глаза
Аватар пользователя

Карма: 4
Рейтинг сообщений: 4
Зарегистрирован: Чт фев 21, 2013 22:19:35
Сообщений: 63
Рейтинг сообщения: 0
grean2007 Выкладываю архив в нем 3 прошивки v.1a с разным позиционированием попробуй отпишись что подходит. Напиши какую тебе ногу посадить на контроль аккума.
Спасибо что сказал про схему поправил и выкладываю здесь.
Про схему спрашивал treestene она и так нормальна увеличивается .

Про T4 хотел подключить лазер(ную) или (фонарик) указку чтобы направлять туда откуда будет вестись подсчет. :dont_know: и кнопка для него предусмотрена. Пока свободна.


Вложения:
схема uzr-400a.JPG [202.51 KiB]
Скачиваний: 1290
pos.lcd.rar [23.74 KiB]
Скачиваний: 514
Вернуться наверх
 
Не в сети
 Заголовок сообщения: Re: Ультразвуковая рулетка "УЗР-400"
СообщениеДобавлено: Пн окт 28, 2013 05:30:01 
Родился
Аватар пользователя

Зарегистрирован: Вт апр 17, 2007 15:10:22
Сообщений: 13
Откуда: Екатеринбург
Рейтинг сообщения: 0
за схему спасибо.


Вернуться наверх
 
Не в сети
 Заголовок сообщения: Re: Ультразвуковая рулетка "УЗР-400"
СообщениеДобавлено: Пн окт 28, 2013 14:01:44 
Нашел транзистор. Понюхал.

Карма: -3
Рейтинг сообщений: -5
Зарегистрирован: Ср мар 04, 2009 09:30:14
Сообщений: 198
Рейтинг сообщения: 0
qewin писал(а):
grean2007 Выкладываю архив в нем 3 прошивки v.1a с разным позиционированием попробуй отпишись что подходит. Напиши какую тебе ногу посадить на контроль аккума.
Спасибо что сказал про схему поправил и выкладываю здесь.
Про схему спрашивал treestene она и так нормальна увеличивается .

Про T4 хотел подключить лазер(ную) или (фонарик) указку чтобы направлять туда откуда будет вестись подсчет. :dont_know: и кнопка для него предусмотрена. Пока свободна.


Спасибо! Первая прошивка изображение вверх ногами, две другие нормально, оставил lcd-1100 up ver1a. Верхнюю строку, или все изображение можно немного опустить, верх идет по обрезу экрана, Значек батареи в самом углу, можно чуть сдвинуть влево. Цифры показаний узковаты и близко друг к другу. СМ в черном квадрате не оконтурено с правой стороны черным полем. В общем картинка такая же как у Вас на видео. Вывод контроля аккума, сделайте как Вам удобней, чтобы можно было использовать Атмегу в Дипе с перспективой на АТ 328Р в дипе.


Вернуться наверх
 
Не в сети
 Заголовок сообщения: Re: Ультразвуковая рулетка "УЗР-400"
СообщениеДобавлено: Пн окт 28, 2013 20:39:55 
Открыл глаза
Аватар пользователя

Карма: 4
Рейтинг сообщений: 4
Зарегистрирован: Чт фев 21, 2013 22:19:35
Сообщений: 63
Рейтинг сообщения: 0
grean2007 и для всех кто будет делать на lcd 1100(но все-таки проверить надо) и dip 28 корпусе нага входа замера аккума. pc1 (adc1)
Подправил полное отображение "см" в квадрате малевича :))
grean2007 отпишись как попробуешь .Вывод другим размером получается или жирно или мелко или некрасиво.


Последний раз редактировалось qewin Вт окт 29, 2013 18:22:19, всего редактировалось 1 раз.

Вернуться наверх
 
Не в сети
 Заголовок сообщения: Re: Ультразвуковая рулетка "УЗР-400"
СообщениеДобавлено: Вт окт 29, 2013 14:57:44 
Нашел транзистор. Понюхал.

Карма: -3
Рейтинг сообщений: -5
Зарегистрирован: Ср мар 04, 2009 09:30:14
Сообщений: 198
Рейтинг сообщения: 0
Попрбывал последнюю прошивку. В общем нормально. Но все же желательно цифры измерений сделать пошире при той же высоте, или хотя бы расстояние между цифрами увеличить немного. Для этого можно значек измерения от стены развернуть вертикально, чтобы увеличить место, тем более что так наглядней
, соответсвует реальному перемещению. Про подключение УЗД не понял, на схеме ошибка или у меня датчик кривой, сигнальные провода я перекинул наоборот.
На старой и новой прошивках если направить на большое расстояние где то больше 2,5 м на дисплее вылазят числа типа 3809.4, если после этого измерять небольшое расстояние то лишние задние разряды не гаснут, показывает типа 40.6.7 . Тоже происходит при измерении от большего расстояния с большим числом знаков к меньшему, задние знаки не тухнут и не изменяются.


Вернуться наверх
 
Не в сети
 Заголовок сообщения: Re: Ультразвуковая рулетка "УЗР-400"
СообщениеДобавлено: Вт окт 29, 2013 18:49:46 
Открыл глаза
Аватар пользователя

Карма: 4
Рейтинг сообщений: 4
Зарегистрирован: Чт фев 21, 2013 22:19:35
Сообщений: 63
Рейтинг сообщения: 0
grean2007 Спасибо за замечания. Я только учусь и все приходит потихоньку да моя невнимательность :sleep:. Выкладываю последние (что бы не плодить прошивки - все грешки поправил) прошивки первой версии . Менять шрифт не буду иначе не влезет в 1 строку или будет мелко!
Схему тоже поправил ( подключения датчика)

Прошивки для 28 , 32 корпуса.


Вложения:
схема исп.UZR-400.JPG [202.46 KiB]
Скачиваний: 1217
lcd-1202 v.1b TQFP32.hex [22.34 KiB]
Скачиваний: 599
lcd-1202 v.1b (adc1) dip28 .hex [22.34 KiB]
Скачиваний: 802
lcd-1100 v.1b TQFP32.hex [22.34 KiB]
Скачиваний: 819
lcd-1100 v.1b (adc1) dip28.hex [22.34 KiB]
Скачиваний: 800
Вернуться наверх
 
Не в сети
 Заголовок сообщения: Re: Ультразвуковая рулетка "УЗР-400"
СообщениеДобавлено: Ср окт 30, 2013 14:29:08 
Нашел транзистор. Понюхал.

Карма: -3
Рейтинг сообщений: -5
Зарегистрирован: Ср мар 04, 2009 09:30:14
Сообщений: 198
Рейтинг сообщения: 0
Спасибо теперь с показаниями все нормально. Желательно сделать фиксацию показаний измерения, не всегда удобно посмотреть их во время измерения.


Вернуться наверх
 
Показать сообщения за:  Сортировать по:  Вернуться наверх
Начать новую тему Ответить на тему  [ Сообщений: 38 ]  1,  

Часовой пояс: UTC + 3 часа


Кто сейчас на форуме

Сейчас этот форум просматривают: нет зарегистрированных пользователей и гости: 23


Вы не можете начинать темы
Вы не можете отвечать на сообщения
Вы не можете редактировать свои сообщения
Вы не можете удалять свои сообщения
Вы не можете добавлять вложения

Найти:
Перейти:  


Powered by phpBB © 2000, 2002, 2005, 2007 phpBB Group
Русская поддержка phpBB
Extended by Karma MOD © 2007—2012 m157y
Extended by Topic Tags MOD © 2012 m157y