Например TDA7294

Форум РадиоКот • Просмотр темы - Необходима помощь в создании велофары.
Форум РадиоКот
Здесь можно немножко помяукать :)

Текущее время: Вс дек 28, 2025 23:31:07

Часовой пояс: UTC + 3 часа


ПРЯМО СЕЙЧАС:



Форум закрыт Эта тема закрыта, Вы не можете редактировать и оставлять сообщения в ней.  [ Сообщений: 57 ]  1, ,  
Автор Сообщение
Не в сети
 Заголовок сообщения: Необходима помощь в создании велофары.
СообщениеДобавлено: Пн дек 01, 2008 14:55:27 
Встал на лапы

Зарегистрирован: Сб ноя 01, 2008 11:50:26
Сообщений: 88
Рейтинг сообщения: 0
Всем привед. Я участнег Питерского вело клуба " Велопитер" ( http://velopiter.spb.ru/ ). Недавно озаботился созданием велофары на сверхярких светодиодах. Покопавшись в сети, нашел драйвер( http://www.e-neon.ru/catalog/id/2067271#2067271 ) для мощных светодиодов с ШИМ, и контроллер( Рис9 http://www.pitaemled.biz/zxsc400.html ) на ATtiny 13.
Далее я приобрел драйвера, диоды, заказал прошитую тиньку и сварганил фару. Но как показала практика зимнего катания, функций контроллера оказалось недостаточно. Да и хотелось создать ПУБЛИЧНУЮ программу и схему управления по ШИМ для фары, например на ATMEGA 8 . Сам я программист никакой, умею только шить AVR ы. На эту тему разгорелась дискуссия на вело форуме ( http://velopiter.spb.ru/forum/index.php ... 62&start=0 ) и примерно наметились след. требования от МК : (цитирую сам себя)

"...........Предлагаю озаботиться созданием контроллера для управления вело фарой при помощи одной кнопки (ШИМ). Возьмем стандартный набор , к примеру ближний и дальний свет (как у Володи-Ворона и у меня тоже кстати). Так вот при помощи одной кнопки мы могли-бы ( далее по нажатиям ):

"Кнопка одын ___ 1. Включается ближний свет в стробо режиме.
2. Включается ближний свет на 10 % (габарит).
3. Включается ближний свет на 100% (освещение).
4. Включается дальний на 30 % (подсветка даль.).
5. Включается дальний на 100 % ( освещение).
6. Выключается ближний свет
7 Выключается дальний свет.


___ Примерно так

Бонусы сей заморочки : Управление всеми режимами при помощи одной кнопки, наличие режима СТРОБО, наличие габаритных режимов( режим экономии ).

Конечно проще запендюлить резистор и еще там чего-нибудь, но это не продвинуто нифига.

Минусы необходимы некоторые навыки паяния и нужен программер который сочинит для нас программу. А, еще необходимо что-бы ваш драйвер поддерживал управление по ШИМ......."

Еще было бы неплохо добавить светодиодный иникатор разряда батарей (КАК ТУТ Рис9 http://www.pitaemled.biz/zxsc400.html) .


А, еще человек с форума предложил следующее дело :

Хе-хе.
Имхо тогда уж:
стоит сделать выключение длительным нажатием на кнопку (3с например)
................
переключение ближнего одинарным кликом
Переключение дальнего двойным кликом

Технологию сборки фары ( в доступной форме, для обывателя) я готов взять на себя, и в подробностях изложить её на форумах Кота и Велопитера. Необходим человек, который может бескорыстно помочь несчастным велосипедистам, и напишет для них программу вело фары. :o

В процессе дискуссии, мы могли бы разработать совместными усилиями схему. И выложить её на страничке Кота.


Это кстати будет большой вклад в общее дело, так как аналогичные фары (импортных производителей) на сверхъярких светодиодах, стоят заоблачные деньги (От 5тр и далее). Мало кто может позволить себе такое удовольствие.


Друзья программисты НИД ХЕЛП !!!!


Вложения:
Комментарий к файлу: фара с переди
IMG_4680 [640x480].jpg [44.94 KiB]
Скачиваний: 1032
Комментарий к файлу: фара с зади
IMG_4681 [640x480].jpg [43.86 KiB]
Скачиваний: 898
Вернуться наверх
 
Не в сети
 Заголовок сообщения:
СообщениеДобавлено: Пн дек 01, 2008 17:54:15 
Нашел транзистор. Понюхал.
Аватар пользователя

Зарегистрирован: Вт ноя 04, 2008 11:15:49
Сообщений: 179
Откуда: Санкт-Петербург
Рейтинг сообщения: 0
Давайте попробую сформулировать ваше Т.З.
В итоге вам нужен контроллер, имеющий два выхода шим, кнопку, и индикатор разряда батарей, по кнопке переключающий несколько фиксированных режимов работы шим? Вполне могу помочь...

Есть несколько вопросов уточняющих:
Напряжение исочника питания и уровень при котором надо зажигать светодиод разряда батареи (а может и ещё один уровень при котором им маргать?)
Определитесь с частотой ШИМ, какая нужна?
Определитесь с режимами и последовательностью их переключения.
Ну и соответственно, вы будете рисовать печатку? В этом случае я дал бы распиновку тиньки. Или могу я, но тогда габариты платы нужны, расположение разъёмов, используемый драйвер... Вообще лучше конечно вы нарисуйте... =)

П.С. Если используется одна кнопка, последовательное переключение режимов однократными нажатиями выгляди наиболее логичным решением... Ну возможно ещё длительное нажатие, как переход на первый режим или выключение.


Вернуться наверх
 
Не в сети
 Заголовок сообщения: =)
СообщениеДобавлено: Пн дек 01, 2008 19:35:51 
Встал на лапы

Зарегистрирован: Сб ноя 01, 2008 11:50:26
Сообщений: 88
Рейтинг сообщения: 0
Спасибо за то, что согласились помочь. Уверен, много людей Вам скажут спасибо, не только на Велопитере. Проблема в том, что нигде нет походящей программы . Вопрос к Вам как к спецу - правда ли что МЕГИ 8 сняты с производства? Просто думается конструкция на МЕГЕ 8 будет оптимальна... Поправьте меня , если я не прав.

Итак к делу.

Тех. задание, Вы сформулировали абсолютно правильно. Будет кнопка управления, индикатор разряда - обычный диод, который при просадке батарей должен начинать мигать иль просто светитьтся. Два выхода по ШИМ. Итак первый выход (1) - ближний свет, второй выход (2) дальний свет.

Алгаритм работы следующий -
(по нажатиям)

-1-Одно кратковременное нажатие на кнопку - размах ШИМ на (1) 100% в режиме "стробо".

-2-Следующие нажатие - размах ШИМ на (1) 10% в режиме "габаритного огня".

-3-Следующие нажатие -размах ШИМ на (1) 100% режим "освещение ближним светом 100%"

-4-Следующие нажатие включается выход (2) . Размах ШИМ на (2) 100% режим " освещение дальним светом 100%".

-5-Следующие нажатие - размах ШИМ на (2) 60% режим "экономичный дальний свет".

-6-Следующие нажатие - выключается ближний свет. ШИМ (1)=0

-7-Следующие нажатие - выключается дальний свет. ШИМ (2)=0


PS При удержании кнопки, хотелось-бы иметь полную вырубку.

:idea: PS 2 . Кстати, можно было бы-сделать две кнопки, одно листала бы режимы в верх, вторая в низ. Вдруг проскочишь нужный режим.... Придется весь цикл пролистывать заново.


А, на счет реализации индикатора разряда, тут есть умная идея -
http://www.pitaemled.biz/zxsc400.html Рисунок 9. Там чел поставил делитель Цитирую

" В данной схеме на МК возложена еще одна функция - контроль и сигнализация разряда аккумуляторов (элементов питания). Делителем R1 и R2 задаётся порог срабатывания. При разряде аккумуляторов ниже этого порога – начинает мигать светодиод HL.
Резистор R1 вычисляется из формулы : R1= R2 (Uср -1)
Где R2 =10 кОм, Uср – напряжение срабатывания (пороговое напряжение) " .



По поводу платы - я готов разработать её сам, но вот со схемой Вам придётся помочь однозначно. ТК от программиста она собсно и зависит. :) Главное схема контроллера должна быть максимально простой, ибо расчитана будет на простого юзера, который паяльник два раза в жизни держал :))) . У меня лично, приличный опыт в повторении различных устройств. И я думаю, что смогу объяснить чайнику как и чего делать...


По поводу питания - будет две схемы одна на 3.6 В, другая со стабилизаторов типа КРЕН 5 , на 7 вольт и выше (до 18) .


_______________Заранее спасибо за помощь!__________________


Вернуться наверх
 
Не в сети
 Заголовок сообщения: вариант
СообщениеДобавлено: Пн дек 01, 2008 19:50:30 
Встал на лапы

Зарегистрирован: Сб ноя 01, 2008 11:50:26
Сообщений: 88
Рейтинг сообщения: 0
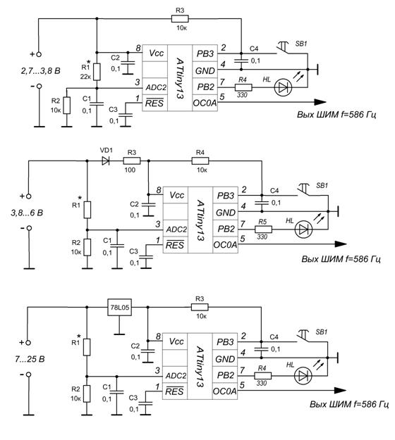
Вот простейший наглядный вариант на 13 тиньке .


Вложения:
Комментарий к файлу: скрин
zxsc400_clip_image002_0000.jpg [41.31 KiB]
Скачиваний: 1070
Вернуться наверх
 
Эиком - электронные компоненты и радиодетали
Не в сети
 Заголовок сообщения:
СообщениеДобавлено: Пн дек 01, 2008 20:32:09 
Модератор
Аватар пользователя

Карма: 46
Рейтинг сообщений: 236
Зарегистрирован: Чт окт 27, 2005 18:50:07
Сообщений: 11169
Откуда: из мест не столь отдалённых
Рейтинг сообщения: 0
Медали: 2
Получил миской по аватаре (1) Мявтор 3-й степени (1)
Насколько помню, в ж-ле"Радиохобби" была информация о светодиодном фонаре, с регулировкой яркости по описанному приципу. Если найду этот номер, дам ссылку на сайт, откуда она взята. Мне кажется, это-практически то, что вам надо.


Вернуться наверх
 
Не в сети
 Заголовок сообщения: =)
СообщениеДобавлено: Пн дек 01, 2008 20:46:17 
Встал на лапы

Зарегистрирован: Сб ноя 01, 2008 11:50:26
Сообщений: 88
Рейтинг сообщения: 0
Спасибо всем за помощь.

Хочется еще раз отметить, что стараемся для народа. Не для своей выгоды. Человек напишущий программу, и будет главным автором всей конструкции. Описание разместим в ряду других проектов на страницах Радиокота.Все авторские права будут соблюдены


Вернуться наверх
 
Не в сети
 Заголовок сообщения:
СообщениеДобавлено: Пн дек 01, 2008 21:23:37 
Нашел транзистор. Понюхал.
Аватар пользователя

Зарегистрирован: Вт ноя 04, 2008 11:15:49
Сообщений: 179
Откуда: Санкт-Петербург
Рейтинг сообщения: 0
Мне не сложно такую прогу написать, тем более у жены есть велик, может приделаем такую фару... =)

Оптимальна будет не мега8, а Tiny13A - она менее избыточна... =)
(Кстати она есть в наличии в Мега-электронике)

Схему можете рисовать, учтывая просто данную распиновку контроллера:
1 - n/c
2 - ADC, тут надо делитель, чтобы получать максимальное напряжение меньше чем напряжение питания контроллера. (Можно использовать подстроечный резистор, для плавной регулировки порога срабатывания. Килоом так на 20, с винтиком).
3 - Led, тут светодиод через резистор к земле или питанию контроллера, что удобнее по разводке.
4 - GND
5 - pwm1
6 - pwm2, ту всё вроде ясно - макс ток пина 40.0 mA
7 - key, кнопка на землю, защита от дребезга будет программная.
8 - Vcc, кондёр на 0,1uF между землёй и питанием не забываем.
И его напряжение питания - 1.8 - 5.5V

Все пины кроме pwm1,2 и естественно питания, можете поменять местами как вам удобно...

Взять тиньку лучше в DIP, т.к. проще паять начинающим.

В общем можете делать платку... Прошивку под это всё я постараюсь сделать с следующему понедельнику, можете пока собирать макет устройства.


Вернуться наверх
 
Не в сети
 Заголовок сообщения: фара
СообщениеДобавлено: Пн дек 01, 2008 22:11:23 
Встал на лапы

Зарегистрирован: Сб ноя 01, 2008 11:50:26
Сообщений: 88
Рейтинг сообщения: 0
Окей, завтра сяду нарисую схему. Выложу в с-плане и жэпеге.


Вернуться наверх
 
Не в сети
 Заголовок сообщения:
СообщениеДобавлено: Пн дек 01, 2008 22:41:53 
Нашел транзистор. Понюхал.
Аватар пользователя

Зарегистрирован: Вт ноя 04, 2008 11:15:49
Сообщений: 179
Откуда: Санкт-Петербург
Рейтинг сообщения: 0
Лучше уж в GIF он больше подходит для чертежей/схем, там не мажутся резкие переходы JPEG он для фоток больше... =)


Вернуться наверх
 
Не в сети
 Заголовок сообщения: вот не удержался...
СообщениеДобавлено: Пн дек 01, 2008 23:02:06 
Встал на лапы

Зарегистрирован: Сб ноя 01, 2008 11:50:26
Сообщений: 88
Рейтинг сообщения: 0
вот не удержался.... Дело вроде плёвое, нарисовал. Теперь вопрос : все ли правильно ?


Вложения:
со стаб.GIF [19.44 KiB]
Скачиваний: 935
без стаб.GIF [17.11 KiB]
Скачиваний: 710


Последний раз редактировалось FlyGreen Чт дек 04, 2008 20:46:42, всего редактировалось 2 раз(а).
Вернуться наверх
 
Не в сети
 Заголовок сообщения:
СообщениеДобавлено: Вт дек 02, 2008 02:13:28 
Друг Кота
Аватар пользователя

Карма: 50
Рейтинг сообщений: 759
Зарегистрирован: Чт дек 29, 2005 00:18:30
Сообщений: 6577
Откуда: Москва
Рейтинг сообщения: 0
Так а какие ИС драйверов светодиодов будут стоять? Тут же надо будет какие-то ШИМ драйверы будет ставить, а на них аналоговый сигнал с контроллера подавать. Я что-то такое макетировал (без CPU ессно) на драйверах из терраэлектроники. Это кстати и повышает экономичность фонаря и позволяет питать всё от 12 вольтовой гелевой батареи без риска пережечь светодиоды... У меня был 5 ваттный желтый светодиод для дальнего света и белые для ближнего/разбавление жёлтого света 5-и ваттки.

_________________
Ничто так не укрепляет взаимное доверие, как 100% предоплата! Дмитрий, ex-RK3AOR.


Вернуться наверх
 
Не в сети
 Заголовок сообщения:
СообщениеДобавлено: Вт дек 02, 2008 03:02:48 
Потрогал лапой паяльник
Аватар пользователя

Зарегистрирован: Чт июн 07, 2007 12:05:08
Сообщений: 305
Откуда: Санкт-Петербург, Россия
Рейтинг сообщения: 0
А зачем на драйверы аналоговый сигнал подавать?

Уже есть МК с ШИМ-выходом.
На него вешается MOSFET и все.
Последовательно со светодиодом ставится резистор, для обратной связи по току.


Вернуться наверх
 
Не в сети
 Заголовок сообщения:
СообщениеДобавлено: Вт дек 02, 2008 03:09:18 
Нашел транзистор. Понюхал.
Аватар пользователя

Зарегистрирован: Вт ноя 04, 2008 11:15:49
Сообщений: 179
Откуда: Санкт-Петербург
Рейтинг сообщения: 0
Если между плюсом и минусом меньше 5 вольт, то правильно, возможно кроме номинала резистора на светодиод. (питание-таки скока вольт будет?)
Теперь также аккуратно пририсовать драйверы с обвязкой, и разводить можно плату будет... =)
Да, ещё вопрос, с какой частотой моргаем в режиме стробоскопа?

Для Дмитрия: У контроллера два выхода ШИМ, какие будут драйверы, знает автор темы, я пока нет, намётки были в ссылках в первом сообщении... =) Мне лишь бы они ШИМ на вход понимали...
Можно и мосфеты, но тогда схему придётся усложнять...


Вернуться наверх
 
Не в сети
 Заголовок сообщения:
СообщениеДобавлено: Вт дек 02, 2008 08:01:20 
Друг Кота
Аватар пользователя

Карма: 50
Рейтинг сообщений: 759
Зарегистрирован: Чт дек 29, 2005 00:18:30
Сообщений: 6577
Откуда: Москва
Рейтинг сообщения: 0
У Е-Неона есть симпатичные ИС, серии DD. Те, что по ссылке в первом посте. Конечно драйвер надо, иначе схема сильно усложнится, заставить контроллер ещё и ток светодиодов стабилизировать..ножек надо гораздо больше, да и схема усложнится...

_________________
Ничто так не укрепляет взаимное доверие, как 100% предоплата! Дмитрий, ex-RK3AOR.


Вернуться наверх
 
Не в сети
 Заголовок сообщения:
СообщениеДобавлено: Вт дек 02, 2008 12:46:15 
Родился

Зарегистрирован: Вт дек 02, 2008 10:56:22
Сообщений: 2
Откуда: СПб, север
Рейтинг сообщения: 0
Приветствую всех участников темы!

Я тоже велосипедист (пришёл по ссылке с ВелоПитера), и тоже уже давно думаю над самодельной фарой (по известным причинам: ничего толкового за адекватные деньги в продаже нет и не предвидится).
Двумя руками поддерживаю идущее у вас обсуждение, и, если позволите, слегка приму в нём участие :)

[ Последнее время думал про использование 34063 с токовой ОС, но ищу менее извращённый вариант по количеству навески :) ]

Дмитрий М писал(а):
У Е-Неона есть симпатичные ИС, серии DD. Те, что по ссылке в первом посте.


Да, мне тож приглянулись. Пока что оставлю за рамками вопрос надёжности и обеспечения заданных характеристик (фирму-производителя "SiTI" до этого не встречал нигде), в остальном всё очень "вкусно".

Как я понял, планируется использовать 3-ваттные сверхъяркие диоды с номинальным током 700 мА. Для этих целей из приведённого по ссылке списка подходят микросхемы DD311 и DD312, обе в корпусах D-Pack. Что, по вашему мнению, будет разумнее применить? Я не вижу пока что очевидных преимуществ одной перед другой, хоть из даташитов и видна некоторая конструктивная разница (DD311 построена по принципу "токового зеркала") и разница в верхней планке питающего напряжения.

Я прорисовал всю схему (что не составило никакого труда) с расчётом на DD312 и ток 700 мА. Ему соответствует значение REXT=0,714 Ом или приближённо (в сторону уменьшения тока) 2х1,5 Ом впараллель. Это не имеет принципиальной разницы, при поступлении более разумного решения будет исправлено.

[upd] Пояснения к схеме:
Vcc - входное напряжение (либо 3,7 В для 1sNp Li-*, либо 3,6 В для 3sNp Ni-*), в общем случае - до 18 В;
D1, D2 - драйверы управления светодиодами ближнего и дальноего света LED1, LED2 (при желании число с/д можно увеличить);
U1 - микроконтроллер со своей обвязкой.

Если будем рисовать поодиночке, ориентируюсь на редактор DipTrace, поверхностный монтаж (кроме, наверное, контроллера, который надо сажать на панельку) и типоразмеры порядка 2010/2512, чтобы не сдуть эту россыпь со стола вместе с пылью :))


Вложения:
fara_principial.GIF [15.66 KiB]
Скачиваний: 865


Последний раз редактировалось igorniy Вт дек 02, 2008 15:07:08, всего редактировалось 1 раз.
Вернуться наверх
 
Не в сети
 Заголовок сообщения: megafara
СообщениеДобавлено: Вт дек 02, 2008 14:27:08 
Встал на лапы

Зарегистрирован: Сб ноя 01, 2008 11:50:26
Сообщений: 88
Рейтинг сообщения: 0
Привет. Я уже достаточно давно юзаю ДДэшки. Меня они всем устраивают. Покупал в НЕОНе . Хоть и торгуют они безналом - можно с ними договориться. :idea: У меня работают DD312 и DD311, у моего товарища DD311.Проблем не возникло, микросхемы не греются, имеется в наличии очень удобный корпус TO-252. Так-же я юзаю корпуса SOP-8. Хочется отметить что, у НЕОНа имеются так-же повышающие драйвера DD-212. С генератором накачки и ШИМ управлением. Првда про КПД линейки DD я ничего так и не нашел... Но думаю, оно не самое высокое.

PS Ни-кто не мешает использовать другие драйвера, например эти http://www.pitaemled.biz/datasheet/zxsc300.pdf .

Фота в приложении - плата с двумя DD-312


Вложения:
IMG_4663 [640x480].jpg [111.96 KiB]
Скачиваний: 812
Вернуться наверх
 
Не в сети
 Заголовок сообщения:
СообщениеДобавлено: Вт дек 02, 2008 14:41:00 
Встал на лапы

Зарегистрирован: Сб ноя 01, 2008 11:50:26
Сообщений: 88
Рейтинг сообщения: 0
bsyomov писал(а):
Если между плюсом и минусом меньше 5 вольт, то правильно, возможно кроме номинала резистора на светодиод. (питание-таки скока вольт будет?)
Теперь также аккуратно пририсовать драйверы с обвязкой, и разводить можно плату будет... =)
Да, ещё вопрос, с какой частотой моргаем в режиме стробоскопа?

Питание будет по любому 4.8 (для схемы без стабилизации 3 аккума по 1.2 В, или 5 В соответственно. Вроде разница небольшая, на работу ус-ва не повлеяет.
Далее выложу схему со стабилизацией на LM'ке и с драйверами DD-312.
Напряжение питания будет 7.2 - 9.6 В. Диоды будут включены последовательно. Будет два диода по 1 wt на ближний свет, и два на дальний по 3 Wt. Почему напряжение именно такое - это либо 6 или 8 аккумов по 1.2 В. Можно использовать LI-Ion аккумы серии 18650. Они по 3.7 номиналом. Заряжаются до 4.18 Вольт. Гораздо легче по весу и более ёмкие.

Про стробоскоп - меня как офтопиководителя, аццки разражают быстромигающие стробоскопы на некоторых китайских фонарях. В своей конструкции я применил частоту прорядка 1 Гц. Отлично видно и не раздражает глаза водителей. Думаю на 1 Гц и остановимся.


Вернуться наверх
 
Не в сети
 Заголовок сообщения: Re: megafara
СообщениеДобавлено: Вт дек 02, 2008 19:03:26 
Родился

Зарегистрирован: Вт дек 02, 2008 10:56:22
Сообщений: 2
Откуда: СПб, север
Рейтинг сообщения: 0
FlyGreen, спасибо за комментарий!

А я тем временем накидал плату под основную схему (т.е. без отдельного стабилизатора). Если кто заинтересуется - смотрите во вложении.

Получается, что панельку под контроллер придётся монтировать с обратной стороны от поверхностного монтажа, что не особо радует :( Как-нибудь обойти это возможно? (Может есть в наличии панельки для DIP под пов. монтаж?) Но если нет - не беда, ведь самопал - не серийное изделие :)


Вложения:
Комментарий к файлу: печатная плата в масштабе 2:1 (размеры по рамке 43,2х47,6 мм)
fara_mount2.GIF [5.94 KiB]
Скачиваний: 755
Комментарий к файлу: расположение элементов на печатной плате
fara_mount.GIF [20.92 KiB]
Скачиваний: 800
Вернуться наверх
 
Не в сети
 Заголовок сообщения: =)
СообщениеДобавлено: Вт дек 02, 2008 20:09:39 
Встал на лапы

Зарегистрирован: Сб ноя 01, 2008 11:50:26
Сообщений: 88
Рейтинг сообщения: 0
Шикарная плата , друг мой. Я в ближайшее время нарисую плату с контроллером без драйверов. Всё-таки основная задача нашего проекта - создание универсально ШИМ контроллера для светодидной фары. Драйвер люди смогут выбрать сами. Все-таки DD 312 вещь дефицитная. Надо будет добавить схему более распространенных драйверов - например ZXSC400 .


Вернуться наверх
 
Не в сети
 Заголовок сообщения:
СообщениеДобавлено: Вт дек 02, 2008 20:33:22 
Нашел транзистор. Понюхал.
Аватар пользователя

Зарегистрирован: Вт ноя 04, 2008 11:15:49
Сообщений: 179
Откуда: Санкт-Петербург
Рейтинг сообщения: 0
Можно выполнить модульно, разъём поставить просто...

2 igorniy: Симпатично! тогда вам лучше без панельки, в соике контроллер просто(он есть в таком корпусе), и возможно, перемычки сделать на выходы ШИМ контроллера, чтобы прошивать прямо на плате можно было(ну и площадочки под это -rst, mosi,miso,clk, питание, земля)...
Или панельку с плоскими лапами, а их загнуть наружу под 90 градусов и распаять.
А разъёмы площадками по краю платы, без отверстий. В этом случае даже сверлить плату не нужно, что мне например всегда лень делать... =)

И заодно полигончики под микросхемами драйверов побольше можно сделать.


Вернуться наверх
 
Показать сообщения за:  Сортировать по:  Вернуться наверх
Форум закрыт Эта тема закрыта, Вы не можете редактировать и оставлять сообщения в ней.  [ Сообщений: 57 ]  1, ,  

Часовой пояс: UTC + 3 часа


Кто сейчас на форуме

Сейчас этот форум просматривают: нет зарегистрированных пользователей и гости: 14


Вы не можете начинать темы
Вы не можете отвечать на сообщения
Вы не можете редактировать свои сообщения
Вы не можете удалять свои сообщения
Вы не можете добавлять вложения

Найти:
Перейти:  


Powered by phpBB © 2000, 2002, 2005, 2007 phpBB Group
Русская поддержка phpBB
Extended by Karma MOD © 2007—2012 m157y
Extended by Topic Tags MOD © 2012 m157y