Например TDA7294

Форум РадиоКот • Просмотр темы - Колесо обозрения для велосипеда
Форум РадиоКот
Здесь можно немножко помяукать :)

Текущее время: Пт янв 02, 2026 21:42:26

Часовой пояс: UTC + 3 часа


ПРЯМО СЕЙЧАС:



Начать новую тему Ответить на тему  [ Сообщений: 45 ]  1, ,  
Автор Сообщение
Не в сети
 Заголовок сообщения: Колесо обозрения для велосипеда
СообщениеДобавлено: Чт июл 05, 2012 16:00:43 
Открыл глаза
Аватар пользователя

Карма: 8
Рейтинг сообщений: 5
Зарегистрирован: Пн дек 07, 2009 16:00:31
Сообщений: 70
Рейтинг сообщения: 0
Ссылка на статью http://radiokot.ru/circuit/digital/game/23/

Забыл к статье приложить прогу "Колесо 7 цветов.xls"
Исправляюсь.


Вложения:
Колесо 7 цветов.xls [233.5 KiB]
Скачиваний: 728
Вернуться наверх
 
Не в сети
 Заголовок сообщения: Re: Колесо обозрения для велосипеда
СообщениеДобавлено: Пт июл 06, 2012 22:32:46 
Родился
Аватар пользователя

Зарегистрирован: Пт сен 10, 2010 19:23:22
Сообщений: 12
Рейтинг сообщения: 0
Интересное предложение по улучшению?
Да пожалуйста=)
http://www.youtube.com/watch?v=tGZdE02-yf4
http://www.youtube.com/watch?v=iIk4KpaM ... re=related


Вернуться наверх
 
Не в сети
 Заголовок сообщения: Re: Колесо обозрения для велосипеда
СообщениеДобавлено: Чт июл 12, 2012 21:56:11 
Мучитель микросхем
Аватар пользователя

Карма: 4
Рейтинг сообщений: 9
Зарегистрирован: Вс ноя 28, 2010 15:18:52
Сообщений: 444
Откуда: Минск
Рейтинг сообщения: 0
на фотках BMX чтоле?


Вернуться наверх
 
Не в сети
 Заголовок сообщения: Re: Колесо обозрения для велосипеда
СообщениеДобавлено: Пт июл 13, 2012 11:16:09 
Открыл глаза
Аватар пользователя

Карма: 8
Рейтинг сообщений: 5
Зарегистрирован: Пн дек 07, 2009 16:00:31
Сообщений: 70
Рейтинг сообщения: 0
Нет конечно))) Ребёнку только три с половиной. Ещё и боковые колёсики не снимали.
Но над ВМХ подумаю.


Вернуться наверх
 
Эиком - электронные компоненты и радиодетали
Не в сети
 Заголовок сообщения: Re: Колесо обозрения для велосипеда
СообщениеДобавлено: Пт авг 31, 2012 17:39:38 
Родился

Зарегистрирован: Пн фев 20, 2012 07:15:06
Сообщений: 2
Рейтинг сообщения: 0
В схеме у вас, насколько я понял, используется по ножке микроконтроллера для каждого светодиода. Можно количество используемых ножек сильно сократить, за счет использования микросхемы - сдвигового регистра. Почитать об сдвиговом регистре можно тут: http://easyelectronics.ru/sdvigovyj-registr.html, а вот пример использования: http://easyelectronics.ru/upravlenie-semisegmentnymi-indikatorami-po-odnomu-provodu.html


Вернуться наверх
 
Не в сети
 Заголовок сообщения: Re: Колесо обозрения для велосипеда
СообщениеДобавлено: Пн сен 03, 2012 09:06:26 
Открыл глаза
Аватар пользователя

Карма: 8
Рейтинг сообщений: 5
Зарегистрирован: Пн дек 07, 2009 16:00:31
Сообщений: 70
Рейтинг сообщения: 0
При проектировании устройства рассматривался и такой вариант (с регистрами сдвига).
Недостатков три:
1. Удорожание (дополнительные микросхемы, хоть и копеечные)
2. На имеющейся монтажке нет мест для дополнительных микросхем
3. Несколько более "мудрёное" ПО
Достоинство одно:
1. Микроконтроллер с меньшим числом ног.
Вообще то для массового производства, что бы сократить количество соединений к "линейкам", такой вариант (по три регистра сдвига на линейке) вероятно предпочтительней.
В Ссылке 2 (последний абзац) точно сказано: "Вот, взяли и применив копеечный регистр, сэкономили на микроконтроллере. Зажопили кучу выводов и получили моральное удоволетворение от извращенского метода :)"
P.S. За предложение спасибо. Программер разыгран, подарен пользователю Atmega8


Вернуться наверх
 
Не в сети
 Заголовок сообщения: Re: Колесо обозрения для велосипеда
СообщениеДобавлено: Ср окт 24, 2012 13:59:17 
Родился
Аватар пользователя

Зарегистрирован: Ср окт 24, 2012 13:37:48
Сообщений: 4
Рейтинг сообщения: 0
Скажите пожалуйста, а почему геркон уже не нужен, а то я не догоняю?

_________________
Falsus in uno, falsus in omnibus


Вернуться наверх
 
Не в сети
 Заголовок сообщения: Re: Колесо обозрения для велосипеда
СообщениеДобавлено: Чт окт 25, 2012 08:28:20 
Открыл глаза
Аватар пользователя

Карма: 8
Рейтинг сообщений: 5
Зарегистрирован: Пн дек 07, 2009 16:00:31
Сообщений: 70
Рейтинг сообщения: 0
Просто, когда я только проектировал устройство, не был уверен, что без синхронизации оборотов колеса "картинка" будет устойчивой, поэтому и предполагалась установка геркона. При установки устройства на колесо велосипеда, в процессе регулировки зазора между магнитиком и герконом, я нечаянно сломал геркон. В запасе его не было. Пришлось "закомментировать" строки связанные с герконом и выставить "скорость оборотов колеса" примерно на среднюю. После проверки в работе, оказалось что и так всё отлично, а может даже и лучше)) В общем, к геркону я так и не вернулся, так как не вижу причин к этому.


Вернуться наверх
 
Не в сети
 Заголовок сообщения: Re: Колесо обозрения для велосипеда
СообщениеДобавлено: Чт окт 25, 2012 18:23:05 
Родился
Аватар пользователя

Зарегистрирован: Ср окт 24, 2012 13:37:48
Сообщений: 4
Рейтинг сообщения: 0
Спасибо! за ответ! А если раскоментировать эти строки, работать будет?

_________________
Falsus in uno, falsus in omnibus


Вернуться наверх
 
Не в сети
 Заголовок сообщения: Re: Колесо обозрения для велосипеда
СообщениеДобавлено: Пт окт 26, 2012 07:23:15 
Открыл глаза
Аватар пользователя

Карма: 8
Рейтинг сообщений: 5
Зарегистрирован: Пн дек 07, 2009 16:00:31
Сообщений: 70
Рейтинг сообщения: 0
Работать конечно будет. Появится синхронизация. Только, в этом случае, наличие геркона и движение магнита рядом с частотой 1-4 Гц будет обязательным.
//TCNT2=tmp_t2;
TCNT2=220;
+ этот фрагмент программы поменять на это: TCNT2=tmp_t2;
Тут видно, что теперь получится что TCNT2 не жестко равно 220, а меняется в зависимости от скорости движения велосипеда.


Вернуться наверх
 
Не в сети
 Заголовок сообщения: Re: Колесо обозрения для велосипеда
СообщениеДобавлено: Сб ноя 24, 2012 01:15:54 
Встал на лапы
Аватар пользователя

Зарегистрирован: Ср окт 06, 2010 17:00:30
Сообщений: 137
Рейтинг сообщения: 0
отличная штука, ну не очень из-за соединительных проводов, можно сделать конешно три платы на каждую по сдвиговом регистру и по пальчиковому акаммулятору и на одной с планак мк)) тогда была бы былансировка. а то я не 15 на велику в среднем гоняю а 25 и 30 км в час, опасно


Вернуться наверх
 
Не в сети
 Заголовок сообщения: Re: Колесо обозрения для велосипеда
СообщениеДобавлено: Пн ноя 26, 2012 07:54:26 
Открыл глаза
Аватар пользователя

Карма: 8
Рейтинг сообщений: 5
Зарегистрирован: Пн дек 07, 2009 16:00:31
Сообщений: 70
Рейтинг сообщения: 0
Балансировки колеса я добился меняя местоположение аккумулятора. Насчет регистра сдвига так же были варианты (см. выше). Думаю, что регистр сдвига предпочтительно использовать при массовом производстве устройства.


Вернуться наверх
 
Не в сети
 Заголовок сообщения: Re: Колесо обозрения для велосипеда
СообщениеДобавлено: Чт май 02, 2013 13:10:05 
Родился

Зарегистрирован: Чт май 02, 2013 12:41:10
Сообщений: 6
Рейтинг сообщения: 0
Хочу попытаться сделать для мотоцикла (ИЖ-Ю5, колеса литье). Нужно 7 линеек на сторону и минимум проводов (линейки трапецевидные равносторонние 100 мм в длину 15/25 в ширину. В глубину не более 10-12 мм). Так что применение сдвиговых регистров (а также датчика положения) просто необходимо. Однако в разработке и программировании (на МК) я полный нуб, могу только повторить за кем-то, была бы просто нормальная схема и прошивка (печатную плату мне разработать и сделать вообще не вопрос) :(
Буду благодарен за любой толковый совет.
Сама идея пока такова: на колесе расположить только линейки с диодами и регистрами (по 14 линеек на колесо по 7 на сторону), а управление и питание провести через щеточный узел (10-15 скользящих контактов я осилю)


Вернуться наверх
 
Не в сети
 Заголовок сообщения: Re: Колесо обозрения для велосипеда
СообщениеДобавлено: Пн май 06, 2013 13:50:54 
Открыл глаза
Аватар пользователя

Карма: 8
Рейтинг сообщений: 5
Зарегистрирован: Пн дек 07, 2009 16:00:31
Сообщений: 70
Рейтинг сообщения: 0
Не знаю насколько мой совет будет толковым, но на мой взгляд, одной - двух линеек (на одну сторону) при такой угловой скорости для мотоцикла вполне достаточно. Балансировка - не проблема.
Менять прошивку суперпроблематично. Схема в принципе будет не сложной.
Скользящие контакты считаю утопией (без обид).


Вернуться наверх
 
Не в сети
 Заголовок сообщения: Re: Колесо обозрения для велосипеда
СообщениеДобавлено: Вс янв 26, 2014 15:50:58 
Опытный кот

Карма: 16
Рейтинг сообщений: 74
Зарегистрирован: Вс янв 19, 2014 00:55:09
Сообщений: 766
Рейтинг сообщения: 0
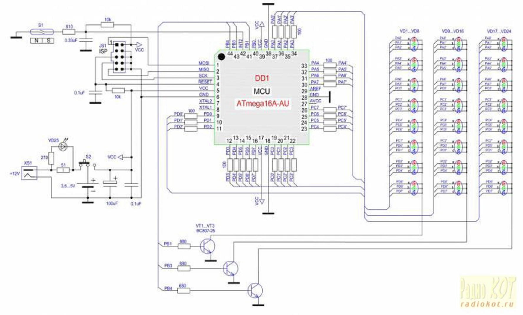
Схема плохо читается, покрупнее бы...


Вернуться наверх
 
Не в сети
 Заголовок сообщения: Re: Колесо обозрения для велосипеда
СообщениеДобавлено: Вс янв 26, 2014 16:06:41 
Поставщик валерьянки для Кота
Аватар пользователя

Карма: 29
Рейтинг сообщений: 354
Зарегистрирован: Вс июл 11, 2010 14:39:04
Сообщений: 2458
Откуда: Россия.
Рейтинг сообщения: 0
СпойлерИзображение


Вложения:
1.PNG [1.27 MiB]
Скачиваний: 1924
Вернуться наверх
 
Не в сети
 Заголовок сообщения: Re: Колесо обозрения для велосипеда
СообщениеДобавлено: Пн янв 27, 2014 09:41:34 
Открыл глаза
Аватар пользователя

Карма: 8
Рейтинг сообщений: 5
Зарегистрирован: Пн дек 07, 2009 16:00:31
Сообщений: 70
Рейтинг сообщения: 0
Тысяча извинений... Вот.
Изображение


Вернуться наверх
 
Не в сети
 Заголовок сообщения: Re: Колесо обозрения для велосипеда
СообщениеДобавлено: Вт дек 16, 2014 22:27:59 
Родился

Зарегистрирован: Вс фев 12, 2012 20:10:00
Сообщений: 14
Рейтинг сообщения: 0
Два вечера пытаюсь понять как выставить фюзы. Сам прошиваю понипрогом, затаскал CodeVision до дыр, ни чего не понял что имел ввиду автор относительно фюзов. Может кто скинет скрин с галочками.
Заранее благодарю.


Вернуться наверх
 
Не в сети
 Заголовок сообщения: Re: Колесо обозрения для велосипеда
СообщениеДобавлено: Ср дек 17, 2014 14:20:57 
Друг Кота
Аватар пользователя

Карма: 67
Рейтинг сообщений: 1066
Зарегистрирован: Чт сен 18, 2008 12:27:21
Сообщений: 20013
Откуда: Столица Мира Санкт-Петербург
Рейтинг сообщения: 0
Медали: 1
Получил миской по аватаре (1)
VERHOVNY писал(а):
ни чего не понял что имел ввиду автор относительно фюзов
По-моему, всё предельно ясно
Цитата:
LowValue – E3, HighValue – D9

Посмотреть как это выглядит в виде галочек можно, например, здесь: http://www.engbedded.com/fusecalc/

_________________
[ Всё дело не столько в вашей глупости, сколько в моей гениальности ] [ Правильно заданный вопрос содержит в себе половину ответа ]
Измерить нннада?


Вернуться наверх
 
Не в сети
 Заголовок сообщения: Re: Колесо обозрения для велосипеда
СообщениеДобавлено: Ср дек 17, 2014 22:27:09 
Родился

Зарегистрирован: Вс фев 12, 2012 20:10:00
Сообщений: 14
Рейтинг сообщения: 0
Теперь всё понял, благодарю.


Вернуться наверх
 
Показать сообщения за:  Сортировать по:  Вернуться наверх
Начать новую тему Ответить на тему  [ Сообщений: 45 ]  1, ,  

Часовой пояс: UTC + 3 часа


Кто сейчас на форуме

Сейчас этот форум просматривают: k174 и гости: 28


Вы не можете начинать темы
Вы не можете отвечать на сообщения
Вы не можете редактировать свои сообщения
Вы не можете удалять свои сообщения
Вы не можете добавлять вложения

Найти:
Перейти:  


Powered by phpBB © 2000, 2002, 2005, 2007 phpBB Group
Русская поддержка phpBB
Extended by Karma MOD © 2007—2012 m157y
Extended by Topic Tags MOD © 2012 m157y