Например TDA7294

Форум РадиоКот • Просмотр темы - Винил-корректор
Форум РадиоКот
Здесь можно немножко помяукать :)

Текущее время: Пн дек 22, 2025 21:29:15

Часовой пояс: UTC + 3 часа


ПРЯМО СЕЙЧАС:



Начать новую тему Ответить на тему  [ Сообщений: 158 ]     ... , , , 7,  
Автор Сообщение
Не в сети
 Заголовок сообщения: Re: Винил-корректор
СообщениеДобавлено: Ср июл 03, 2019 09:20:37 
Потрогал лапой паяльник
Аватар пользователя

Зарегистрирован: Вт апр 28, 2015 18:56:49
Сообщений: 301
Откуда: РФ, Самарская обл., г. Тольятти
Рейтинг сообщения: 0
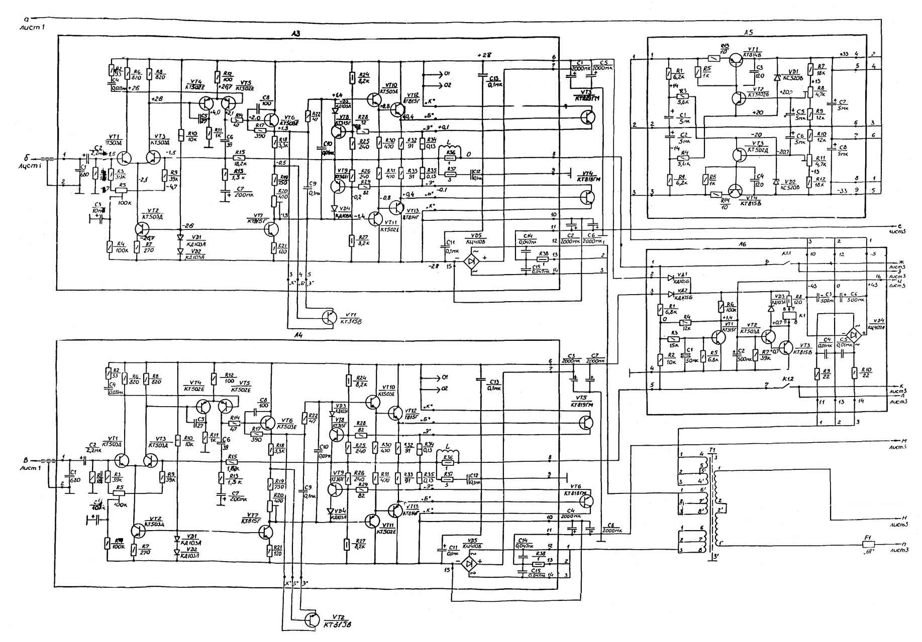
По входам МАГНИТОФОН и ТЮНЕР при подаче 1кГц выдает 15 Вольт на 8 Ом нагрузки до срабатывания защиты и правильной (дифференцированной) индикации перегрузки. Здесь проблем нет.

Вход ЗС до замены электролитов не проверил. А зря, может всё работало :(

Кстати, судя по тому, что питание двухполярное и от точки 4 ипоступает отрицательное, то С 14 должен быть всё таки плюсом к земле.


Вернуться наверх
 
Не в сети
 Заголовок сообщения: Re: Винил-корректор
СообщениеДобавлено: Ср июл 03, 2019 10:20:14 
Друг Кота
Аватар пользователя

Карма: 41
Рейтинг сообщений: 2990
Зарегистрирован: Пн июл 23, 2018 10:36:20
Сообщений: 3484
Откуда: Казань
Рейтинг сообщения: 0
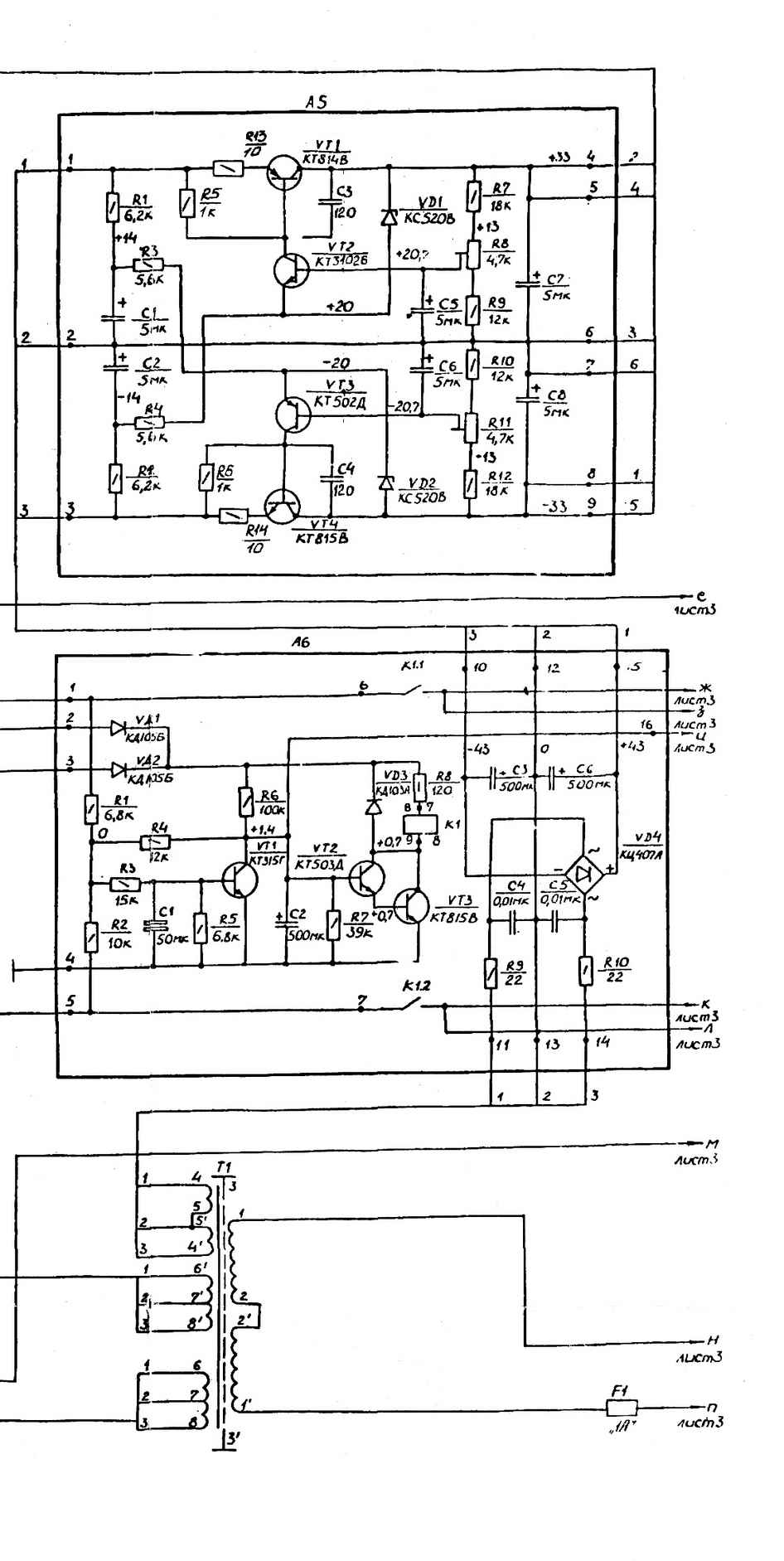
Не понятно по конденсаторам С14. На разных схемах они ориентированы то + к земле, то минусом.


ну перепутала девчонка оформитель место плюсика, ну и что)))
Изображение

а на других схемах не перепутала.
Изображение

Добавлено after 5 minutes 46 seconds:
судя по тому, что питание двухполярное

а вот и не двуполярное.
Изображение

и пусть не смущает подача минуса на R17, для чего это я и сам не знаю. но это не двуполяр.

_________________
ZZZ С Нами Бог ZZZ


Вернуться наверх
 
Не в сети
 Заголовок сообщения: Re: Винил-корректор
СообщениеДобавлено: Ср июл 03, 2019 11:05:04 
Потрогал лапой паяльник
Аватар пользователя

Зарегистрирован: Вт апр 28, 2015 18:56:49
Сообщений: 301
Откуда: РФ, Самарская обл., г. Тольятти
Рейтинг сообщения: 0
ну перепутала девчонка оформитель место плюсика, ну и что)))


На R15 от точки 4 по схеме и по факту приходит - 33 В а на R 16 от точки 5 приходит + 33 В.

При этом логично, что С14 плюсом к земле.


Вернуться наверх
 
Не в сети
 Заголовок сообщения: Re: Винил-корректор
СообщениеДобавлено: Ср июл 03, 2019 11:22:25 
Друг Кота
Аватар пользователя

Карма: 41
Рейтинг сообщений: 2990
Зарегистрирован: Пн июл 23, 2018 10:36:20
Сообщений: 3484
Откуда: Казань
Рейтинг сообщения: 0
На R15 от точки 4 по схеме и по факту приходит - 33 В


точно ничего не смущает?
Изображение

или у вас схема стабилизатора другая?

_________________
ZZZ С Нами Бог ZZZ


Вернуться наверх
 
Эиком - электронные компоненты и радиодетали
Не в сети
 Заголовок сообщения: Re: Винил-корректор
СообщениеДобавлено: Ср июл 03, 2019 11:54:46 
Потрогал лапой паяльник
Аватар пользователя

Зарегистрирован: Вт апр 28, 2015 18:56:49
Сообщений: 301
Откуда: РФ, Самарская обл., г. Тольятти
Рейтинг сообщения: 0
точно ничего не смущает?

или у вас схема стабилизатора другая?


Нет, ничего не смущает.

Вот Ваша схема с напряжениями.


Вложения:
1xq6sr0ohr.JPG [93.31 KiB]
Скачиваний: 541
Вернуться наверх
 
Не в сети
 Заголовок сообщения: Re: Винил-корректор
СообщениеДобавлено: Ср июл 03, 2019 12:22:04 
Друг Кота
Аватар пользователя

Карма: 41
Рейтинг сообщений: 2990
Зарегистрирован: Пн июл 23, 2018 10:36:20
Сообщений: 3484
Откуда: Казань
Рейтинг сообщения: 0
Вот Ваша схема с напряжениями.


На R15 от точки 4 по схеме и по факту приходит - 33 В а на R 16 от точки 5 приходит + 33 В.


так + или - на точке 4?

_________________
ZZZ С Нами Бог ZZZ


Вернуться наверх
 
Не в сети
 Заголовок сообщения: Re: Винил-корректор
СообщениеДобавлено: Ср июл 03, 2019 12:36:48 
Потрогал лапой паяльник
Аватар пользователя

Зарегистрирован: Вт апр 28, 2015 18:56:49
Сообщений: 301
Откуда: РФ, Самарская обл., г. Тольятти
Рейтинг сообщения: 0
Хороший вопрос.

Посмотрев все имеющиеся у меня схемы, сделал такой вывод :

т. 4 фонокорректора соответствует т. 8 стабилизатора (- 33 В)

т. 5 фонокорректора соответствует т. 4 стабилизатора (+ 33 В)

Прошу прощения - вот так верно.


Последний раз редактировалось Костя_1986 Ср июл 03, 2019 12:47:11, всего редактировалось 1 раз.

Вернуться наверх
 
Не в сети
 Заголовок сообщения: Re: Винил-корректор
СообщениеДобавлено: Ср июл 03, 2019 12:44:53 
Друг Кота
Аватар пользователя

Карма: 41
Рейтинг сообщений: 2990
Зарегистрирован: Пн июл 23, 2018 10:36:20
Сообщений: 3484
Откуда: Казань
Рейтинг сообщения: 0
ЩАЗ.
Фоник контакт 4 - контакт 8 стаб. (-33В)
Фоник контакт 5 - контакт 4 стаб. (+33В)
Фоник контакт 6 - контакт 6 стаб. (общ)

Изображение

_________________
ZZZ С Нами Бог ZZZ


Вернуться наверх
 
Не в сети
 Заголовок сообщения: Re: Винил-корректор
СообщениеДобавлено: Ср июл 03, 2019 12:48:01 
Потрогал лапой паяльник
Аватар пользователя

Зарегистрирован: Вт апр 28, 2015 18:56:49
Сообщений: 301
Откуда: РФ, Самарская обл., г. Тольятти
Рейтинг сообщения: 0
Опередили меня чуток :)


Вернуться наверх
 
Не в сети
 Заголовок сообщения: Re: Винил-корректор
СообщениеДобавлено: Ср июл 03, 2019 12:55:48 
Друг Кота
Аватар пользователя

Карма: 41
Рейтинг сообщений: 2990
Зарегистрирован: Пн июл 23, 2018 10:36:20
Сообщений: 3484
Откуда: Казань
Рейтинг сообщения: 0
Изображение
хотя если верить подписанным напряжениям не схеме... они положительные.. или минусы просто не ставили.

но сравнить тем что в реальном фонике можно, глядишь и в неисправном канале чего то найдется.

_________________
ZZZ С Нами Бог ZZZ


Вернуться наверх
 
Не в сети
 Заголовок сообщения: Re: Винил-корректор
СообщениеДобавлено: Ср июл 03, 2019 21:21:03 
Потрогал лапой паяльник
Аватар пользователя

Зарегистрирован: Вт апр 28, 2015 18:56:49
Сообщений: 301
Откуда: РФ, Самарская обл., г. Тольятти
Рейтинг сообщения: 0
Буду сегодня искать :))

Добавлено after 8 hours 4 minutes 15 seconds:
Всё проверил, транзисторы припаяны правильно, конденсаторы тоже. Результат отрицательный.

Мой проигрыватель имеет встроенный фонокорректор и выход 500 мВ, так что решил я снять плату корректора с усилителя. Теперь не замыкается реле на плате защиты. Я так подозреваю с этим связано отсоединение (размыкание цепи) проводков приходивших на точки 9 и 12 корректора.

Как бы их теперь соединить правильно ? Каждый Через резистор 120 к Ом на землю ?


Вложения:
Стабилизатор - плата защиты.jpg [127.5 KiB]
Скачиваний: 537
Фонокорректор - селектор входов.jpg [204.52 KiB]
Скачиваний: 478
Вернуться наверх
 
Не в сети
 Заголовок сообщения: Re: Винил-корректор
СообщениеДобавлено: Ср июл 03, 2019 23:13:37 
Друг Кота
Аватар пользователя

Карма: 107
Рейтинг сообщений: 3801
Зарегистрирован: Пн фев 09, 2009 22:19:49
Сообщений: 24360
Откуда: Когда-то был прекрасный город для людей
Рейтинг сообщения: 0
Это вряд-ли - реле защиты работает лишь по состоянию выходного усилителя, и питание его не должно проходить через малосигнальную входную плату.
Скорее задел что то в проводах.


Вернуться наверх
 
Не в сети
 Заголовок сообщения: Re: Винил-корректор
СообщениеДобавлено: Чт июл 04, 2019 07:26:33 
Друг Кота
Аватар пользователя

Карма: 41
Рейтинг сообщений: 2990
Зарегистрирован: Пн июл 23, 2018 10:36:20
Сообщений: 3484
Откуда: Казань
Рейтинг сообщения: 0
Теперь не замыкается реле на плате защиты.

напортачил

(размыкание цепи) проводков приходивших на точки 9 и 12 корректора.


нихт нихт
Изображение
А1-фоник
А5-стаб.
А6-защита

защита рубит при постоянке на выходе, отсутвию плеча питалова, положение доп контактов тумблера сети замыканием на общий.
питается от отдельной обмотки транса, свой выпрямитель на борту.

не вижу проблем проверить.

_________________
ZZZ С Нами Бог ZZZ


Вернуться наверх
 
Не в сети
 Заголовок сообщения: Re: Винил-корректор
СообщениеДобавлено: Чт июл 04, 2019 08:25:14 
Потрогал лапой паяльник
Аватар пользователя

Зарегистрирован: Вт апр 28, 2015 18:56:49
Сообщений: 301
Откуда: РФ, Самарская обл., г. Тольятти
Рейтинг сообщения: 0
защита рубит при постоянке на выходе, отсутвию плеча питалова, положение доп контактов тумблера сети замыканием на общий.
питается от отдельной обмотки транса, свой выпрямитель на борту.

не вижу проблем проверить.


Да, точки 9 и 12 фонокоррктора не влияют на плату защиты - они связаны только с работой фильтра 20 Гц корректора.

И не трогал ведь плату защиты то...
С утра успел померить напряжения в т. 10 и 15 платы защиты. Должно быть +- 43 Вольта, а у меня разница + 49 и - 38 Вольт.

Вечером буду ковыряться :solder:


Вернуться наверх
 
Не в сети
 Заголовок сообщения: Re: Винил-корректор
СообщениеДобавлено: Чт июл 04, 2019 21:51:31 
Потрогал лапой паяльник
Аватар пользователя

Зарегистрирован: Вт апр 28, 2015 18:56:49
Сообщений: 301
Откуда: РФ, Самарская обл., г. Тольятти
Рейтинг сообщения: 0
защита рубит при постоянке на выходе


Что это значит ?

Перекос питания на плате защиты и далее устранил путем припаивания общего провода приходившего в точку 6 корректора на землю.

Реле всё также не срабатывает.

Напряжение на резисторах R 36 плат усилителей мощности + 30 В. Это постоянка на выходе ?


Вложения:
Амфитон 25у-002с .jpg [221.95 KiB]
Скачиваний: 538
Вернуться наверх
 
Не в сети
 Заголовок сообщения: Re: Винил-корректор
СообщениеДобавлено: Чт июл 04, 2019 22:07:30 
Друг Кота
Аватар пользователя

Карма: 41
Рейтинг сообщений: 2990
Зарегистрирован: Пн июл 23, 2018 10:36:20
Сообщений: 3484
Откуда: Казань
Рейтинг сообщения: 0
Константин, похоже амфитон пока побеждает. Защита подключена к выходам усилителей на контроль постоянного напряжения на выходе, подключена к цепям питания на усилителей, то бишь контроль перекоса (хотя если плечо упадет, то появиться постоянна, ну да бог с ним), подключена к доп контактам сетевого выключателя и рубит АС при выключении аппарата.
Чего ты там устранил я чес слово не понял.
Все лекго проверяется.

_________________
ZZZ С Нами Бог ZZZ


Вернуться наверх
 
Не в сети
 Заголовок сообщения: Re: Винил-корректор
СообщениеДобавлено: Чт июл 04, 2019 22:19:02 
Потрогал лапой паяльник
Аватар пользователя

Зарегистрирован: Вт апр 28, 2015 18:56:49
Сообщений: 301
Откуда: РФ, Самарская обл., г. Тольятти
Рейтинг сообщения: 0
На плате УМ Резистор R36 номиналом 1 Ом шунтированный индуктивностью. На нем (у обоих каналов) сейчас напряжение 30 В. Это постоянка на выходе ?


Вернуться наверх
 
Не в сети
 Заголовок сообщения: Re: Винил-корректор
СообщениеДобавлено: Чт июл 04, 2019 22:39:47 
Друг Кота
Аватар пользователя

Карма: 41
Рейтинг сообщений: 2990
Зарегистрирован: Пн июл 23, 2018 10:36:20
Сообщений: 3484
Откуда: Казань
Рейтинг сообщения: 0
Ес оф кос

_________________
ZZZ С Нами Бог ZZZ


Вернуться наверх
 
Не в сети
 Заголовок сообщения: Re: Винил-корректор
СообщениеДобавлено: Пт июл 05, 2019 06:20:12 
Потрогал лапой паяльник
Аватар пользователя

Зарегистрирован: Вт апр 28, 2015 18:56:49
Сообщений: 301
Откуда: РФ, Самарская обл., г. Тольятти
Рейтинг сообщения: 0
Проверил входа :

ЗС и Тюнер - постоянка на общем :shock:

МФ - постоянка везде :o

Што это такое :dont_know:


Вернуться наверх
 
Не в сети
 Заголовок сообщения: Re: Винил-корректор
СообщениеДобавлено: Пт июл 05, 2019 07:58:15 
Друг Кота
Аватар пользователя

Карма: 41
Рейтинг сообщений: 2990
Зарегистрирован: Пн июл 23, 2018 10:36:20
Сообщений: 3484
Откуда: Казань
Рейтинг сообщения: 0
Што это такое


невнимательность.
аппарат нужно чинить так как будто там вообще ничего не работает.
начни проверку с блока питания, чтоб присутствовали нужные напряжения в нужных точках.
потом защита
потом блок ТБ и РГ, затем УМ.
фоник тож лучше оставить, комплектность.

_________________
ZZZ С Нами Бог ZZZ


Вернуться наверх
 
Показать сообщения за:  Сортировать по:  Вернуться наверх
Начать новую тему Ответить на тему  [ Сообщений: 158 ]     ... , , , 7,  

Часовой пояс: UTC + 3 часа


Кто сейчас на форуме

Сейчас этот форум просматривают: нет зарегистрированных пользователей и гости: 39


Вы не можете начинать темы
Вы не можете отвечать на сообщения
Вы не можете редактировать свои сообщения
Вы не можете удалять свои сообщения
Вы не можете добавлять вложения

Найти:
Перейти:  


Powered by phpBB © 2000, 2002, 2005, 2007 phpBB Group
Русская поддержка phpBB
Extended by Karma MOD © 2007—2012 m157y
Extended by Topic Tags MOD © 2012 m157y