Например TDA7294

Форум РадиоКот • Просмотр темы - Самодельная УЗ ванна.
Форум РадиоКот
Здесь можно немножко помяукать :)

Текущее время: Пт ноя 21, 2025 00:27:39

Часовой пояс: UTC + 3 часа


ПРЯМО СЕЙЧАС:



Начать новую тему Ответить на тему  [ Сообщений: 87 ]    , , 3, ,  
Автор Сообщение
Не в сети
 Заголовок сообщения: Re: Самодельная УЗ ванна.
СообщениеДобавлено: Пн сен 13, 2010 14:02:57 
Говорящий с текстолитом
Аватар пользователя

Карма: 12
Рейтинг сообщений: 99
Зарегистрирован: Пн апр 12, 2010 13:08:39
Сообщений: 1513
Откуда: Новосибирская область. Колхоз.
Рейтинг сообщения: 0
2.64 МГц.
Стандарт, вроде.

_________________
Я не хочу ни чего ни от кого.
Просто, за державу обидно.


Вернуться наверх
 
Не в сети
 Заголовок сообщения: Re: Самодельная УЗ ванна.
СообщениеДобавлено: Пн сен 13, 2010 14:24:06 
Первый раз сказал Мяу!

Зарегистрирован: Пт окт 30, 2009 18:39:01
Сообщений: 35
Рейтинг сообщения: 0
разве? почему именно эта частота?


Вернуться наверх
 
Не в сети
 Заголовок сообщения: Re: Самодельная УЗ ванна.
СообщениеДобавлено: Пн сен 13, 2010 14:53:02 
Друг Кота
Аватар пользователя

Карма: 77
Рейтинг сообщений: 1247
Зарегистрирован: Вс мар 29, 2009 22:09:05
Сообщений: 7518
Рейтинг сообщения: 0
Цитата:
Стабилитроны и то, что слева - долой, С5 туда же, вместо мотора - излучатель. Между левыми концами R8 и R9 любой инвертор ...


И получается ровно то, что я нарисовал. :) Ну, в общем, я так понял, мостовая схема вполне катит. Это хорошо. А то я видел, на трансформаторах каких-то делают выходные каскады... Бррр. :)

А кто что скажет по поводу излучателя из открыток? Он не развалится от той мощности, которая необходима для распыления воды? Повторюсь, меня интересует только распыление, и ничего более. В принципе, у меня где-то валялся древний ультразвуковой ингалятор... Но хотелось бы сделать на обычном пьезоизлучателе как на наиболее доступном.

Цитата:
2.64 МГц.


Спасибо! :beer:

_________________
Разница между теорией и практикой на практике гораздо больше, чем в теории.


Вернуться наверх
 
Не в сети
 Заголовок сообщения: Re: Самодельная УЗ ванна.
СообщениеДобавлено: Пн сен 13, 2010 14:55:14 
Первый раз сказал Мяу!

Зарегистрирован: Пт окт 30, 2009 18:39:01
Сообщений: 35
Рейтинг сообщения: 0
а там и стоят такие. имею ввиду в тех, что продаются в магазинах


Вернуться наверх
 
Эиком - электронные компоненты и радиодетали
Не в сети
 Заголовок сообщения: Re: Самодельная УЗ ванна.
СообщениеДобавлено: Пн сен 13, 2010 14:58:11 
Друг Кота
Аватар пользователя

Карма: 77
Рейтинг сообщений: 1247
Зарегистрирован: Вс мар 29, 2009 22:09:05
Сообщений: 7518
Рейтинг сообщения: 0
О! Это обнадеживает. Я пошел экспериментировать... :)

_________________
Разница между теорией и практикой на практике гораздо больше, чем в теории.


Вернуться наверх
 
Не в сети
 Заголовок сообщения: Re: Самодельная УЗ ванна.
СообщениеДобавлено: Пн сен 13, 2010 21:57:53 
Вымогатель припоя
Аватар пользователя

Карма: 4
Рейтинг сообщений: 20
Зарегистрирован: Пт сен 21, 2007 07:09:33
Сообщений: 585
Откуда: Беларусь
Рейтинг сообщения: 0
2 YS
Присмотритесь лучше, в вашей схеме серьезные нестыковки. Верхние по схеме транзисторы будут постоянно открыты.


Вернуться наверх
 
Не в сети
 Заголовок сообщения: Re: Самодельная УЗ ванна.
СообщениеДобавлено: Вт сен 14, 2010 18:14:08 
Друг Кота
Аватар пользователя

Карма: 77
Рейтинг сообщений: 1247
Зарегистрирован: Вс мар 29, 2009 22:09:05
Сообщений: 7518
Рейтинг сообщения: 0
Цитата:
Верхние по схеме транзисторы будут постоянно открыты.


Ну да, есть немного... :)

_________________
Разница между теорией и практикой на практике гораздо больше, чем в теории.


Вернуться наверх
 
Не в сети
 Заголовок сообщения: Re: Самодельная УЗ ванна.
СообщениеДобавлено: Вт сен 14, 2010 19:10:16 
Говорящий с текстолитом
Аватар пользователя

Карма: 12
Рейтинг сообщений: 99
Зарегистрирован: Пн апр 12, 2010 13:08:39
Сообщений: 1513
Откуда: Новосибирская область. Колхоз.
Рейтинг сообщения: 0
А чем не нравится схемка транзисторного моста с ОК?
Вроде, как на сайте в схеме "Переключатель полярности".

_________________
Я не хочу ни чего ни от кого.
Просто, за державу обидно.


Вернуться наверх
 
Не в сети
 Заголовок сообщения: Re: Самодельная УЗ ванна.
СообщениеДобавлено: Вт сен 14, 2010 20:10:40 
Вымогатель припоя
Аватар пользователя

Карма: 4
Рейтинг сообщений: 20
Зарегистрирован: Пт сен 21, 2007 07:09:33
Сообщений: 585
Откуда: Беларусь
Рейтинг сообщения: 0
2 <kotenok>
В этой схеме напряжение питания моста не выше питания микросхем, т.е. большую мощность не получишь.


Вернуться наверх
 
Не в сети
 Заголовок сообщения: Re: Самодельная УЗ ванна.
СообщениеДобавлено: Вт сен 14, 2010 20:22:09 
Друг Кота
Аватар пользователя

Карма: 77
Рейтинг сообщений: 1247
Зарегистрирован: Вс мар 29, 2009 22:09:05
Сообщений: 7518
Рейтинг сообщения: 0
Ну, ino53 уже ответил, чем она меня не устраивает.

А что общественность скажет по поводу полумоста? Можно ли использовать его? А то мне показалось, что четыре транзистора как-то жирновато для такой схемы...

Изображение

Мостовую схему я тоже поправил:

Изображение

Теперь все ОК. :)

P.S.

Да, да, на схеме полумоста не хватает базовых резисторов - лень было рисовать. :) Но смысл-то и так понятен.


Вложения:
sch.GIF [3.22 KiB]
Скачиваний: 5780

_________________
Разница между теорией и практикой на практике гораздо больше, чем в теории.
Вернуться наверх
 
Не в сети
 Заголовок сообщения: Re: Самодельная УЗ ванна.
СообщениеДобавлено: Вт сен 14, 2010 22:58:10 
Говорящий с текстолитом
Аватар пользователя

Карма: 12
Рейтинг сообщений: 99
Зарегистрирован: Пн апр 12, 2010 13:08:39
Сообщений: 1513
Откуда: Новосибирская область. Колхоз.
Рейтинг сообщения: 0
ino53 писал(а):
2 <kotenok>
В этой схеме напряжение питания моста не выше питания микросхем, т.е. большую мощность не получишь.

А разве это проблема?
Я одному кенту схемку управления плунжером (от вертолёта на 48 вольт) собирал с управлением от К561- всё работало! Просто управлял транзюками моста- транзисторами по схеме ОЭ.
Легко, и просто!
З.ы. ...а с полумоста- так-же мощи не добиться. :(

_________________
Я не хочу ни чего ни от кого.
Просто, за державу обидно.


Вернуться наверх
 
Не в сети
 Заголовок сообщения: Re: Самодельная УЗ ванна.
СообщениеДобавлено: Ср сен 15, 2010 07:15:13 
Вымогатель припоя
Аватар пользователя

Карма: 4
Рейтинг сообщений: 20
Зарегистрирован: Пт сен 21, 2007 07:09:33
Сообщений: 585
Откуда: Беларусь
Рейтинг сообщения: 0
2 YS

По поводу полумоста. Мощность в 4 раза меньше, можно с таким же успехом взять обычный двухтактный УНЧ с кондесатором на выходе, в т.ч. и микросхемный, только чтобы частотку вытянул. С вашей схемой - представим, на входе единица-нижний транзистор открыт, при этом на выходе инвертора уже 0, соответственно, и верхний тоже. Тут лучше взять половину схемы <kotenok>-а.
А про мост - как там, каждый кулик СВОЕ болото хвалит? :)) Вообще то есть такой эффект - гонка фронтов, но на таких частотах он вряд ли скажется.


Вернуться наверх
 
Не в сети
 Заголовок сообщения: Re: Самодельная УЗ ванна.
СообщениеДобавлено: Пт сен 24, 2010 09:14:20 
Друг Кота
Аватар пользователя

Карма: 33
Рейтинг сообщений: 122
Зарегистрирован: Ср сен 22, 2010 07:46:01
Сообщений: 4582
Откуда: Севастополь,город Русских моряков
Рейтинг сообщения: 0
Слепые котята.
Первым делом достаём излучатель на 22-44кгц. Эти частоты применяются для УЗ ванн. Диаметром 6-10см и толщиной 5-8мм. это будет ванна 50-150вт. В качестве генератора прмменяем балласт для ламп ЛДЦ (продаются в магазинах. ) Именно эта схема и применяется в УЗ ваннах,автогенератор. Размах на излучателе 1000вольт.
Не путайте УЗ ванну для своих целей с УЗ фонтанчиками,ингаляторами,Ретонами и пр чепухой.
Вот схема УЗ ванны моей . И схема балласта. Схема сама войдёт в резонанс на частоте излучателя.

Вложение:
P1010003.JPG [132.75 KiB]
Скачиваний: 6402

_________________
Паяю уже 60лет.


Вернуться наверх
 
Не в сети
 Заголовок сообщения: Re: Самодельная УЗ ванна.
СообщениеДобавлено: Пт сен 24, 2010 20:30:21 
Друг Кота
Аватар пользователя

Карма: 77
Рейтинг сообщений: 1247
Зарегистрирован: Вс мар 29, 2009 22:09:05
Сообщений: 7518
Рейтинг сообщения: 0
Мне совершенно не нужна пятидесятиваттная УЗ-ванна, мне как раз таки нужен УЗ-фонтанчик. Пишу сюда, просто чтобы не плодить тем. :idea:

_________________
Разница между теорией и практикой на практике гораздо больше, чем в теории.


Вернуться наверх
 
Не в сети
 Заголовок сообщения: Re: Самодельная УЗ ванна.
СообщениеДобавлено: Сб сен 25, 2010 23:44:02 
Родился

Зарегистрирован: Сб сен 25, 2010 20:31:56
Сообщений: 9
Рейтинг сообщения: 0
Рад что нашёл такую тему. Сам занимаюсь этим вопросом. Теория ни к чему пока что ни привела. Завтра хотел пойти купить пьезоизлучатель со встроенным генератором на 3000 - 4000 Гц и посмотреть сможет ли он превратить в туман хотя бы каплю воды. Никто подобный опыт не делал?

Или 3-4 кГц изначально обречены на провал?


Вернуться наверх
 
Не в сети
 Заголовок сообщения: Re: Самодельная УЗ ванна.
СообщениеДобавлено: Вс сен 26, 2010 09:22:00 
Родился

Зарегистрирован: Сб сен 25, 2010 20:31:56
Сообщений: 9
Рейтинг сообщения: 0
Нашёл вот такую схему. Если резистор R3 заменить на дроссель ДМ-0,1 500 мкГн схема выдаст частоту в 100000?


Вложения:
123qwe.PNG [24.09 KiB]
Скачиваний: 1222
Вернуться наверх
 
Не в сети
 Заголовок сообщения: Re: Самодельная УЗ ванна.
СообщениеДобавлено: Вс сен 26, 2010 10:26:02 
Родился

Зарегистрирован: Сб сен 25, 2010 20:12:33
Сообщений: 7
Рейтинг сообщения: 0
Народ, а из чего можно сделать излучатель ? Знаю что можно сделать из куска ферита и соленоида


Вернуться наверх
 
Не в сети
 Заголовок сообщения: Re: Самодельная УЗ ванна.
СообщениеДобавлено: Вс сен 26, 2010 10:38:14 
Родился

Зарегистрирован: Сб сен 25, 2010 19:51:45
Сообщений: 6
Рейтинг сообщения: 0
Вроде делают из пьезоэлемента


Вернуться наверх
 
Не в сети
 Заголовок сообщения: Re: Самодельная УЗ ванна.
СообщениеДобавлено: Вс сен 26, 2010 11:47:52 
Родился

Зарегистрирован: Сб сен 25, 2010 20:31:56
Сообщений: 9
Рейтинг сообщения: 0
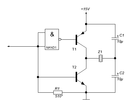
Нашёл пьезоизлучатель с частотой резонанса 1,66 мГц. Идеальный вариант. Посмотрите пожайлуста данную схему. Будет ли она автономно создавать частоту равную частоте резонанса?


Вложения:
123qw.PNG [12.58 KiB]
Скачиваний: 1217
Вернуться наверх
 
Не в сети
 Заголовок сообщения: Re: Самодельная УЗ ванна.
СообщениеДобавлено: Вс сен 26, 2010 11:55:30 
Родился

Зарегистрирован: Сб сен 25, 2010 18:29:38
Сообщений: 1
Рейтинг сообщения: 0
нет


Вернуться наверх
 
Показать сообщения за:  Сортировать по:  Вернуться наверх
Начать новую тему Ответить на тему  [ Сообщений: 87 ]    , , 3, ,  

Часовой пояс: UTC + 3 часа


Кто сейчас на форуме

Сейчас этот форум просматривают: нет зарегистрированных пользователей и гости: 28


Вы не можете начинать темы
Вы не можете отвечать на сообщения
Вы не можете редактировать свои сообщения
Вы не можете удалять свои сообщения
Вы не можете добавлять вложения

Найти:
Перейти:  


Powered by phpBB © 2000, 2002, 2005, 2007 phpBB Group
Русская поддержка phpBB
Extended by Karma MOD © 2007—2012 m157y
Extended by Topic Tags MOD © 2012 m157y