Например TDA7294

Форум РадиоКот • Просмотр темы - Понимаем мультивибратор
Форум РадиоКот
Здесь можно немножко помяукать :)

Текущее время: Ср окт 29, 2025 11:54:08

Часовой пояс: UTC + 3 часа


ПРЯМО СЕЙЧАС:



Начать новую тему Ответить на тему  [ Сообщений: 438 ]    , , 3, , , ...  
Автор Сообщение
Не в сети
 Заголовок сообщения: Re: Понимаем мультивибратор
СообщениеДобавлено: Пн дек 06, 2010 12:01:13 
Сверлит текстолит когтями
Аватар пользователя

Карма: 16
Рейтинг сообщений: 62
Зарегистрирован: Сб апр 21, 2007 10:40:53
Сообщений: 1292
Рейтинг сообщения: 0
telomtr писал(а):
транзистор открылся не полностью, в этот момент начал заряжаться
Если один транзистор открылся не полностью, то другой транзистор закроется не полностью и емкость "худая" :)) получится.
Сверху наливаешь, а снизу выливается и в ней ничего не будет оставаться, т.е. заряжаться она толком не будет.
Схема мультивибратора обычно же симметричная.


Вернуться наверх
 
Не в сети
 Заголовок сообщения: Re: Понимаем мультивибратор
СообщениеДобавлено: Пн дек 06, 2010 13:38:07 
Вымогатель припоя

Зарегистрирован: Вт мар 30, 2010 11:23:14
Сообщений: 591
Рейтинг сообщения: 0
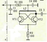
Судя по этой схеме если коэффициент усиления транзистора 100, в цепи коллектора будет всего 17мА примерно. тем более катушка проводник для постоянного тока. выходит транзистор не в режиме насыщения...


Вложения:
Мулт.JPG [11.77 KiB]
Скачиваний: 1173
Вернуться наверх
 
Не в сети
 Заголовок сообщения: Re: Понимаем мультивибратор
СообщениеДобавлено: Пн дек 06, 2010 13:50:56 
Сверлит текстолит когтями
Аватар пользователя

Карма: 16
Рейтинг сообщений: 62
Зарегистрирован: Сб апр 21, 2007 10:40:53
Сообщений: 1292
Рейтинг сообщения: 0
А в эмиттерах там что за резистор?
На нем ничего падать не будет по Вашему?


Вернуться наверх
 
Не в сети
 Заголовок сообщения: Re: Понимаем мультивибратор
СообщениеДобавлено: Пн дек 06, 2010 13:55:43 
Вымогатель припоя

Зарегистрирован: Вт мар 30, 2010 11:23:14
Сообщений: 591
Рейтинг сообщения: 0
Будет. но не много. поидее резистор эмиттера необходим для ограничения тока при ключевом режиме. но скажите пожалуйста, как в схеме устанавливается ключевой режим? как в схеме падение на коллекторе становится равным падению на эмиттере?


Вернуться наверх
 
Эиком - электронные компоненты и радиодетали
Не в сети
 Заголовок сообщения: Re: Понимаем мультивибратор
СообщениеДобавлено: Пн дек 06, 2010 14:12:18 
Сверлит текстолит когтями
Аватар пользователя

Карма: 16
Рейтинг сообщений: 62
Зарегистрирован: Сб апр 21, 2007 10:40:53
Сообщений: 1292
Рейтинг сообщения: 0
telomtr писал(а):
резистор эмиттера необходим для ограничения тока при ключевом режиме
А с чего Вы взяли, что здесь транзисторы работают в ключевом режиме?
Я например здорово в этом сомневаюсь. Она всего лишь схожа со схемой мультивибратора и не более.


Вернуться наверх
 
Не в сети
 Заголовок сообщения: Re: Понимаем мультивибратор
СообщениеДобавлено: Пн дек 06, 2010 14:14:19 
Вымогатель припоя

Зарегистрирован: Вт мар 30, 2010 11:23:14
Сообщений: 591
Рейтинг сообщения: 0
А где узнать как работает эта схема?


Вернуться наверх
 
Не в сети
 Заголовок сообщения: Re: Понимаем мультивибратор
СообщениеДобавлено: Пн дек 06, 2010 14:23:01 
Сверлит текстолит когтями
Аватар пользователя

Карма: 16
Рейтинг сообщений: 62
Зарегистрирован: Сб апр 21, 2007 10:40:53
Сообщений: 1292
Рейтинг сообщения: 0
Не знаю. Я вообще такой схемы с двумя отдельными катушками не знаю.
Знаю если только одна катушка с отводом и будет двухтактный генератор

Изображение

Или такую.

Изображение

Вот такой еще генератор СВЧ знаю. Здесь катушка выполнены в виде полосковой линии, но это все равно эквивалентно катушке с отводом.

Изображение

А то, что у Вас нарисована это у автора этой схемы нужно спросить, что это у него тут такое.


Вложения:
33.JPG [6.16 KiB]
Скачиваний: 3094
11.JPG [11.31 KiB]
Скачиваний: 3340
Вернуться наверх
 
Не в сети
 Заголовок сообщения: Re: Понимаем мультивибратор
СообщениеДобавлено: Вт дек 07, 2010 11:19:14 
Вымогатель припоя

Зарегистрирован: Вт мар 30, 2010 11:23:14
Сообщений: 591
Рейтинг сообщения: 0
Скажите, а двухтактный генератор одновременно положительной и отрицательной положительной полуволной питается?


Вернуться наверх
 
Не в сети
 Заголовок сообщения: Re: Понимаем мультивибратор
СообщениеДобавлено: Вт дек 07, 2010 12:46:51 
Вымогатель припоя

Зарегистрирован: Вт мар 30, 2010 11:23:14
Сообщений: 591
Рейтинг сообщения: 0
Так ктонибудь, подскажет? Откуда в двухтактном генераторе берется энергия? Катушка одновременно открывает два транзистора? не мало ли будет тока к-э? Вдь образуется прямая цепь через резистор...


Вернуться наверх
 
Не в сети
 Заголовок сообщения: Re: Понимаем мультивибратор
СообщениеДобавлено: Вт дек 07, 2010 13:10:14 
Модератор
Аватар пользователя

Карма: 162
Рейтинг сообщений: 2421
Зарегистрирован: Пн июл 07, 2008 10:46:09
Сообщений: 10734
Откуда: Россия
Рейтинг сообщения: 0
telomtr писал(а):
Откуда в двухтактном генераторе берется энергия?

От источника питания, как это ни странно... :))
telomtr писал(а):
Катушка одновременно открывает два транзистора?..

Нет, по-очереди.

_________________
Если хотите, чтобы жизнь улыбалась вам, подарите ей своё хорошее настроение


Вернуться наверх
 
Не в сети
 Заголовок сообщения: Re: Понимаем мультивибратор
СообщениеДобавлено: Вт дек 07, 2010 13:31:34 
Вымогатель припоя

Зарегистрирован: Вт мар 30, 2010 11:23:14
Сообщений: 591
Рейтинг сообщения: 0
Так почему тогда мощность удвоенная?


Вернуться наверх
 
Не в сети
 Заголовок сообщения: Re: Понимаем мультивибратор
СообщениеДобавлено: Вт дек 07, 2010 13:53:15 
Сверлит текстолит когтями
Аватар пользователя

Карма: 16
Рейтинг сообщений: 62
Зарегистрирован: Сб апр 21, 2007 10:40:53
Сообщений: 1292
Рейтинг сообщения: 0
Да потому что в такой схеме мы ток через транзистор можем в два раза больше установить и он не перегреется, т.к. он с перерывами работает. Половину периода через него ток течет, а половину он отдыхает и остывает.


Вернуться наверх
 
Не в сети
 Заголовок сообщения: Re: Понимаем мультивибратор
СообщениеДобавлено: Вт дек 07, 2010 15:32:33 
Вымогатель припоя

Зарегистрирован: Вт мар 30, 2010 11:23:14
Сообщений: 591
Рейтинг сообщения: 0
А с какой стороны катушки идет сигнал на транзисторы? С верху плюс с низу минус?


Вернуться наверх
 
Не в сети
 Заголовок сообщения: Re: Понимаем мультивибратор
СообщениеДобавлено: Чт дек 09, 2010 03:56:25 
Вымогатель припоя

Зарегистрирован: Вт мар 30, 2010 11:23:14
Сообщений: 591
Рейтинг сообщения: 0
Помогите, разобраться, как работает двухтактный генератор...
По моим догадкам когда один конденсатор заряжается открывается первый транзистор, так он же открывает и второй. как тогда они по очередно питают КК?


Вернуться наверх
 
Не в сети
 Заголовок сообщения: Мультивибратор на транзисторах!
СообщениеДобавлено: Сб янв 01, 2011 19:41:04 
Нашел транзистор. Понюхал.

Зарегистрирован: Пн авг 23, 2010 17:02:10
Сообщений: 159
Откуда: от туда
Рейтинг сообщения: 0
Я сделал мультивибратор все работает но у меня есть такое ощущение что когда горит один светодиод другой полностью не гаснет а в сего лишь пригасает. Как это исправить?

_________________
Изображение


Вернуться наверх
 
Не в сети
 Заголовок сообщения: Re: Понимаем мультивибратор
СообщениеДобавлено: Сб янв 01, 2011 20:30:15 
Мудрый кот
Аватар пользователя

Карма: 14
Рейтинг сообщений: 230
Зарегистрирован: Пн янв 12, 2009 01:59:20
Сообщений: 1815
Откуда: Россия.
Рейтинг сообщения: 0
Sckat* писал(а):
Я сделал мультивибратор
Мультивибратор какой?
Этот?
Резисторы R1 и R4 какого номинала стоят?

Изображение


Вернуться наверх
 
Не в сети
 Заголовок сообщения: Re: Понимаем мультивибратор
СообщениеДобавлено: Сб янв 01, 2011 21:04:12 
Модератор
Аватар пользователя

Карма: 162
Рейтинг сообщений: 2421
Зарегистрирован: Пн июл 07, 2008 10:46:09
Сообщений: 10734
Откуда: Россия
Рейтинг сообщения: 0
А на схеме разве не указано?
А если непонятно, что означает число 300, то стоит прочитать ГОСТ 2.702-75 (2000) "ЕСКД Правила выполнения электрических схем", п 3.36

_________________
Если хотите, чтобы жизнь улыбалась вам, подарите ей своё хорошее настроение


Вернуться наверх
 
Не в сети
 Заголовок сообщения: Re: Понимаем мультивибратор
СообщениеДобавлено: Вс янв 02, 2011 16:11:09 
Нашел транзистор. Понюхал.

Зарегистрирован: Пн авг 23, 2010 17:02:10
Сообщений: 159
Откуда: от туда
Рейтинг сообщения: 0
SERJ
SERJ писал(а):
Sckat* писал(а):
Я сделал мультивибратор
Мультивибратор какой?
Этот?
Резисторы R1 и R4 какого номинала стоят?

Изображение

Да этот, R1 и R4 по 180, R2 R3 я поставил 1 на 12кОм у меня от 2 баз идёт 2 диода и после них резистор, 2 кондера 50в на 10мкф, транзисторы С3128 из старого монитора вытащил, частота на один светодиод примерно 4 Гц! Ставил в место 1 диода транзистор (цеплял базу и эмиттер) дальше питающий трансформатор 10в 1а и трансформатор из зарядника от сотового только питал выход что бы повысить напряжение вольт на каждый импульс 30 было но проще было отключать и включать мультивибратор (у него отдельный источник питания аккумулятор 40 мА 3.6В) тогда вольт 300 на выходи было!


Вложения:
Фото0903.jpg [27.45 KiB]
Скачиваний: 1036

_________________
Изображение
Вернуться наверх
 
Не в сети
 Заголовок сообщения: Re: Понимаем мультивибратор
СообщениеДобавлено: Вс янв 02, 2011 16:20:46 
Мудрый кот
Аватар пользователя

Карма: 19
Рейтинг сообщений: 166
Зарегистрирован: Сб окт 10, 2009 17:16:58
Сообщений: 1732
Откуда: Россия.
Рейтинг сообщения: 0
Sckat* писал(а):
R2 R3 я поставил 1 на 12кОм у меня от 2 баз идёт 2 диода
Ничего непонятно. Вместо фото своей руки может лучше схему нарисовать и выложить?


Вернуться наверх
 
Не в сети
 Заголовок сообщения: Re: Понимаем мультивибратор
СообщениеДобавлено: Вс янв 02, 2011 16:36:54 
Нашел транзистор. Понюхал.

Зарегистрирован: Пн авг 23, 2010 17:02:10
Сообщений: 159
Откуда: от туда
Рейтинг сообщения: 0
Изображение
вот что делает дефицит запчастей :)


Вложения:
11.JPG [17.44 KiB]
Скачиваний: 3496

_________________
Изображение
Вернуться наверх
 
Показать сообщения за:  Сортировать по:  Вернуться наверх
Начать новую тему Ответить на тему  [ Сообщений: 438 ]    , , 3, , , ...  

Часовой пояс: UTC + 3 часа


Кто сейчас на форуме

Сейчас этот форум просматривают: Michael_Sch, shtepa и гости: 22


Вы не можете начинать темы
Вы не можете отвечать на сообщения
Вы не можете редактировать свои сообщения
Вы не можете удалять свои сообщения
Вы не можете добавлять вложения

Найти:
Перейти:  


Powered by phpBB © 2000, 2002, 2005, 2007 phpBB Group
Русская поддержка phpBB
Extended by Karma MOD © 2007—2012 m157y
Extended by Topic Tags MOD © 2012 m157y