Например TDA7294

Форум РадиоКот • Просмотр темы - Для чего и как называется часть схемы БП ATX250
Форум РадиоКот
Здесь можно немножко помяукать :)

Текущее время: Вт дек 16, 2025 16:40:45

Часовой пояс: UTC + 3 часа


ПРЯМО СЕЙЧАС:



Начать новую тему Ответить на тему  [ Сообщений: 15 ] 
Автор Сообщение
Не в сети
 Заголовок сообщения: Для чего и как называется часть схемы БП ATX250
СообщениеДобавлено: Сб май 22, 2021 15:32:18 
Родился

Зарегистрирован: Сб май 22, 2021 15:16:48
Сообщений: 6
Откуда: Омск
Рейтинг сообщения: 0
Добрый день
Я студент 4 курса ОмГУПСа, делаю курсовую по Электропитающим установкам
Одно из заданий - нам выдана Принципиальная схема БП ATX 250, нам необходимо по ней написать Структурную схему блока питания ATX 250.
Само собой чтобы выполнить задание для начала нужно понять схему

Почти всё уже подписал, но не понимаю для чего нужна одна часть схемы. На форумах нашёл, что вроде как эта схема похожа на схему генератора, но зачем он там нужен?

Если не сложно, подскажите, для чего нужна и как называется эта часть схемы? Если посмотрите остальное подписанное мной и раскритикуете или подскажите - будут рад)
Заранее спасибо

Изображение


Последний раз редактировалось FluffSkill Сб май 22, 2021 18:36:35, всего редактировалось 1 раз.

Вернуться наверх
 
Не в сети
 Заголовок сообщения: Re: Для чего и как называется часть схемы БП ATX250
СообщениеДобавлено: Сб май 22, 2021 17:10:50 
Друг Кота

Карма: 27
Рейтинг сообщений: 1283
Зарегистрирован: Ср фев 11, 2009 20:35:58
Сообщений: 7853
Рейтинг сообщения: 0
Пойди от обратного. Пронумеруй квадратики.Напиши все необходимые узлы блока АТХ и поставь на против номера квадратиков.


Вернуться наверх
 
Не в сети
 Заголовок сообщения: Re: Для чего и как называется часть схемы БП ATX250
СообщениеДобавлено: Сб май 22, 2021 17:22:37 
Опытный кот

Карма: -9
Рейтинг сообщений: 28
Зарегистрирован: Пт янв 27, 2012 20:07:54
Сообщений: 859
Откуда: Томск
Рейтинг сообщения: 0
> Если посмотрите остальное подписанное мной и раскритикуете или подскажите - будут рад)

Не будут.
Насколько мне видно на этой мелкой картинке, там нет ничего, что было подписано _тобой_.
В следующий раз заливай схемы еще более мелкого размера, ага.

-----

Подсказка:
Эта схема (в отличие от некоторых схем "из интернета") нарисована правильно, в том плане, что слева у неё вход, справа выход, и, соответственно, сигналы большей частью распространяются слева направо, что упрощает чтение схемы.

Если есть какой-то непонятный узел, вам надо посмотреть, что в него входит и что из него выходит.
Применив логическое мышление, будут получены требуемые ответы.


Вернуться наверх
 
Не в сети
 Заголовок сообщения: Re: Для чего и как называется часть схемы БП ATX250
СообщениеДобавлено: Сб май 22, 2021 17:23:38 
Друг Кота
Аватар пользователя

Карма: 197
Рейтинг сообщений: 8593
Зарегистрирован: Пн ноя 30, 2009 03:00:01
Сообщений: 43097
Откуда: Нерезиновая
Рейтинг сообщения: 1
То, что выделено квадратиком- БЛОК ПИТАНИЯ ДЕЖУРНОГО РЕЖИМА, это как бы "второй бп", он работает даже тогда, когда основной БП выключён.
Вырабатывает 2 напряжения- 5 вольт 1 ампер ( 5V SB) и 12 вольт для "начального запуска ШИМ- контроллера.

зы.. :idea: Если выделенную квадратиком часть схемы "выпилить" из платы БП, то, подав на неё 200~300 вольт постоянки, можно получить маломощный БП.. :))) :dont_know:


Вернуться наверх
 
Эиком - электронные компоненты и радиодетали
Не в сети
 Заголовок сообщения: Re: Для чего и как называется часть схемы БП ATX250
СообщениеДобавлено: Сб май 22, 2021 17:32:25 
Родился

Зарегистрирован: Сб май 22, 2021 15:16:48
Сообщений: 6
Откуда: Омск
Рейтинг сообщения: 0
>
Насколько мне видно на этой мелкой картинке, там нет ничего, что было подписано _тобой_.
В следующий раз заливай схемы еще более мелкого размера, ага.
.


То что выделено пунктиром и подписано буквами - подписано мной

Само собой что схема правильная, мне подписать её части нужно, а не схему с нуля собрать.

Так вы откройте файл, чтобы видно было лучше, но на вопрос вроде как уже ответили, это Блок дежурного питания.


Вернуться наверх
 
Не в сети
 Заголовок сообщения: Re: Для чего и как называется часть схемы БП ATX250
СообщениеДобавлено: Сб май 22, 2021 17:36:59 
Опытный кот

Карма: -9
Рейтинг сообщений: 28
Зарегистрирован: Пт янв 27, 2012 20:07:54
Сообщений: 859
Откуда: Томск
Рейтинг сообщения: -1
А ничего, что даже на этой картинке есть подпись "Дежурное питание" , и сделана она таким же шрифтом, как и всё остальное.

Вы забыли, что сами подписали? ну ну.


Вернуться наверх
 
Не в сети
 Заголовок сообщения: Re: Для чего и как называется часть схемы БП ATX250
СообщениеДобавлено: Сб май 22, 2021 17:38:32 
Родился

Зарегистрирован: Сб май 22, 2021 15:16:48
Сообщений: 6
Откуда: Омск
Рейтинг сообщения: 0
БЛОК ПИТАНИЯ ДЕЖУРНОГО РЕЖИМА, это как бы "второй бп", он работает даже тогда, когда основной БП выключён.
Вырабатывает 2 напряжения- 5 вольт 1 ампер ( 5V SB) и 12 вольт для "начального запуска ШИМ- контроллера.

КРУТО, спасибо! А то я уже какой час пытаюсь найти что же эта часть схемы делает и не могу. Спасибо вам большое)

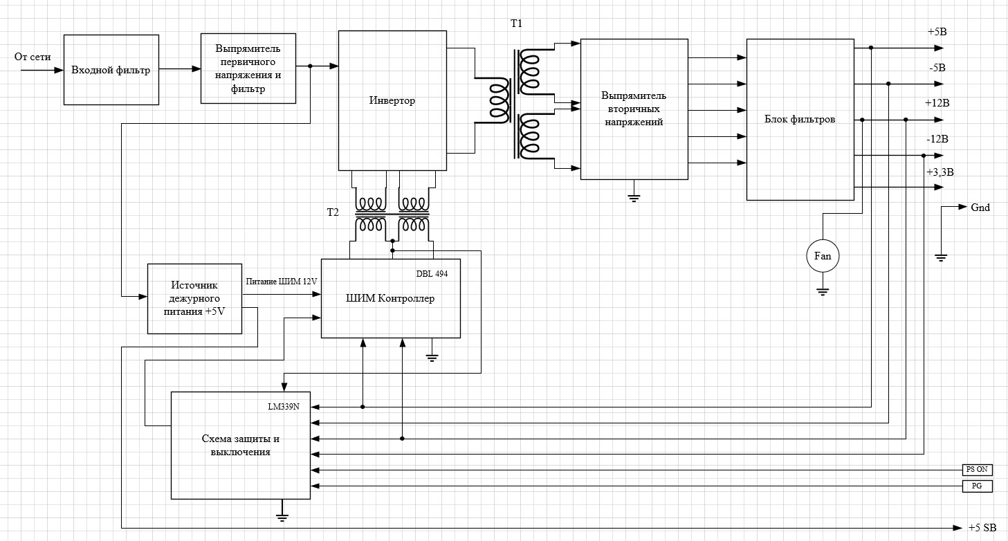
Вот что у меня получилось)

Изображение


Вложения:
Структурная схема.jpg [232.49 KiB]
Скачиваний: 120


Последний раз редактировалось FluffSkill Сб май 22, 2021 17:46:32, всего редактировалось 1 раз.
Вернуться наверх
 
Не в сети
 Заголовок сообщения: Re: Для чего и как называется часть схемы БП ATX250
СообщениеДобавлено: Сб май 22, 2021 17:40:03 
Опытный кот

Карма: -9
Рейтинг сообщений: 28
Зарегистрирован: Пт янв 27, 2012 20:07:54
Сообщений: 859
Откуда: Томск
Рейтинг сообщения: 0
Вот схема в нормальном размере, не заставляющая людей страдать:
Вложение:
jnc_200-atx[1].gif [107.68 KiB]
Скачиваний: 145

Ну, без квадратиков, конечно.


Вернуться наверх
 
Не в сети
 Заголовок сообщения: Re: Для чего и как называется часть схемы БП ATX250
СообщениеДобавлено: Сб май 22, 2021 17:43:22 
Родился

Зарегистрирован: Сб май 22, 2021 15:16:48
Сообщений: 6
Откуда: Омск
Рейтинг сообщения: 0
А ничего, что даже на этой картинке есть подпись "Дежурное питание" , и сделана она таким же шрифтом, как и всё остальное.

Вы забыли, что сами подписали? ну ну.


Это остатки болвана от другого блока питания. Там Дежурное питание выглядело по другому и подключено было несколько не так. Из-за чего я подумал, что эта часть схемы в ATX 250 предназначена для чего-то другого.
Я же только учусь, чего уж вы ругаетесь


Вернуться наверх
 
Не в сети
 Заголовок сообщения: Re: Для чего и как называется часть схемы БП ATX250
СообщениеДобавлено: Сб май 22, 2021 17:49:01 
Опытный кот

Карма: -9
Рейтинг сообщений: 28
Зарегистрирован: Пт янв 27, 2012 20:07:54
Сообщений: 859
Откуда: Томск
Рейтинг сообщения: 0
На вашей структурной схеме БП есть блок номер 2 "выпрямитель первичного напряжения и фильтр".
Какие элементы принципиальной схемы относятся к фильтру?

Добавлено after 4 minutes 56 seconds:
Красивая картинка для размышления с https://tech.wikireading.ru/14252

Вложение:
320766_17_Autogen_eBook_id52.png [18.99 KiB]
Скачиваний: 174


СпойлерИзображение


Последний раз редактировалось pavel2000 Сб май 22, 2021 17:50:16, всего редактировалось 1 раз.

Вернуться наверх
 
Не в сети
 Заголовок сообщения: Re: Для чего и как называется часть схемы БП ATX250
СообщениеДобавлено: Сб май 22, 2021 17:49:33 
Друг Кота
Аватар пользователя

Карма: 197
Рейтинг сообщений: 8593
Зарегистрирован: Пн ноя 30, 2009 03:00:01
Сообщений: 43097
Откуда: Нерезиновая
Рейтинг сообщения: 0
pavel2000 писал(а):
Вот схема в нормальном размере,

Да она и так "в нормальном размере", если знать, как посмотреть:
СпойлерИзображение

FluffSkill писал(а):
Вот что у меня получилось

СпойлерИзображение

Там ещё забыли питание ШИМ- контроллера от выпрямителя вторичных напряжений-
через D18 питание на ШИМ поступает от БП дежурного режима, а при включённом БП питание на ШИМ идёт от обмотки на 12 вольт через диод D16.
И на "схему защиты" НЕ ПОДАЮТСЯ напряжения минус 5 вольт и минус 12 вольт..


Вернуться наверх
 
Не в сети
 Заголовок сообщения: Re: Для чего и как называется часть схемы БП ATX250
СообщениеДобавлено: Сб май 22, 2021 17:55:57 
Опытный кот

Карма: -9
Рейтинг сообщений: 28
Зарегистрирован: Пт янв 27, 2012 20:07:54
Сообщений: 859
Откуда: Томск
Рейтинг сообщения: 0
>И на "схему защиты" НЕ ПОДАЮТСЯ напряжения минус 5 вольт и минус 12 вольт..

-5 подается, на D28.


Вернуться наверх
 
Не в сети
 Заголовок сообщения: Re: Для чего и как называется часть схемы БП ATX250
СообщениеДобавлено: Сб май 22, 2021 18:11:41 
Родился

Зарегистрирован: Сб май 22, 2021 15:16:48
Сообщений: 6
Откуда: Омск
Рейтинг сообщения: 0
>И на "схему защиты" НЕ ПОДАЮТСЯ напряжения минус 5 вольт и минус 12 вольт..

-5 подается, на D28.


Действительно, спасибо

А если -5 подаётся на D28, разве далее не на "Схему защиты" идёт?


Вернуться наверх
 
Не в сети
 Заголовок сообщения: Re: Для чего и как называется часть схемы БП ATX250
СообщениеДобавлено: Сб май 22, 2021 18:13:30 
Опытный кот

Карма: -9
Рейтинг сообщений: 28
Зарегистрирован: Пт янв 27, 2012 20:07:54
Сообщений: 859
Откуда: Томск
Рейтинг сообщения: 0
да, -5 подается на D28 как на схему защиты (и что-то мне кажется, что D28 нарисован наоборот).


Вернуться наверх
 
Не в сети
 Заголовок сообщения: Re: Для чего и как называется часть схемы БП ATX250
СообщениеДобавлено: Сб май 22, 2021 18:16:40 
Родился

Зарегистрирован: Сб май 22, 2021 15:16:48
Сообщений: 6
Откуда: Омск
Рейтинг сообщения: 0
Там ещё забыли питание ШИМ- контроллера от выпрямителя вторичных напряжений-
через D18 питание на ШИМ поступает от БП дежурного режима, а при включённом БП питание на ШИМ идёт от обмотки на 12 вольт через диод D16.
И на "схему защиты" НЕ ПОДАЮТСЯ напряжения минус 5 вольт и минус 12 вольт..


не заметил этого, спасибо


Вернуться наверх
 
Показать сообщения за:  Сортировать по:  Вернуться наверх
Начать новую тему Ответить на тему  [ Сообщений: 15 ] 

Часовой пояс: UTC + 3 часа


Кто сейчас на форуме

Сейчас этот форум просматривают: Николай_С и гости: 64


Вы не можете начинать темы
Вы не можете отвечать на сообщения
Вы не можете редактировать свои сообщения
Вы не можете удалять свои сообщения
Вы не можете добавлять вложения

Найти:
Перейти:  


Powered by phpBB © 2000, 2002, 2005, 2007 phpBB Group
Русская поддержка phpBB
Extended by Karma MOD © 2007—2012 m157y
Extended by Topic Tags MOD © 2012 m157y