Например TDA7294

Форум РадиоКот • Просмотр темы - Подключение сотового к ПК через СОМ: схемы, команды и т.д.
Форум РадиоКот
Здесь можно немножко помяукать :)

Текущее время: Пт янв 16, 2026 09:01:27

Часовой пояс: UTC + 3 часа


ПРЯМО СЕЙЧАС:



Начать новую тему Ответить на тему  [ Сообщений: 22 ]  1,  
Автор Сообщение
Не в сети
 Заголовок сообщения: Подключение сотового к ПК через СОМ: схемы, команды и т.д.
СообщениеДобавлено: Ср апр 25, 2007 10:20:55 
Опытный кот
Аватар пользователя

Зарегистрирован: Ср апр 25, 2007 09:50:43
Сообщений: 800
Откуда: Киев
Рейтинг сообщения: 0
Схема подключения телефона к ПК через компорт.
Более подробное описание (читаем ниже).
Красота в простоте, я думаю, что такую схему сможет собрать любой владеющий паяльником. Короче говоря: подходит "новичкам".

Плюсы: даст новую жизнь для старого телефона. СОМ-порт - с ним можно работать везде без проблем, нпр: Linux, DOS. Изготовить недорогой охранный модуль GSM - невопрос, можно даже с помощью BASIC`a.

Собиралась много раз. Дарилась и продавалась. Нареканий нет.

Всяких радостей Радиокоту и всем посетителям его сайта.
----------

29.12.2007 - добавляю фото самого девайса. Это последний на данный момент мной собраный. (Но будут ещё, для МК AVR).

Немного по сборке: я начинаю с загибания ножек транзисторов и припаивания к ним резисторов1кОм. Затем впаиваю в ножку 2 DB9
кт315 номер "раз". Далее сопротивление с кт315 номер "два" - в ножку 3 DB9. А потом как душе угодно. Места в разъёме DB9 -немеряно! (Поэтому можно не сильно заморачиваться по поводу эстетики пайки)

Как показал опыт использования с телефонами - с нормальными
работает нормально. Но вот например с siemens A75 подглючивает.
...Теоретически более критично в таком случае передача более "правильных" импульсов в сторону телефона. Это можно
обеспечить (не усложняя сильно схему) повесив стабилитрон
после резюка 10К на линию передачи сигналов к нашему девайсу,
+ изменив чуток силу этого сопротивления 10К. (Теоретически)

Практически практически, не выключаться A75 я застаил повесив стабилитрон 1 шт. 3в (в штекер к телефону) и со включеной зарядкой телефон видит ПК и работает. А с выключеной - нет :))) . (Конкретно для этого случая надо и сопротивление 10К уменьшить, потихоньку не спеша.)

Думаю к МК это тоже относиться.

Комент к Cab_1.jpg: проводки красный и черный над белой пласмаской - от зарядного устройства телефона.

Ну и поскольку коты проявляли интерес и общались в этой теме по поводу полных кабелей для телефонов, (Кот даже тему переназвал), где-то внизу помещаю пару мне понравившихся других схем...


Вложения:
Комментарий к файлу: Вид слева снизу
Cab_3.jpg [20.35 KiB]
Скачиваний: 2411
Комментарий к файлу: Вид слева
Cab_2.jpg [25.28 KiB]
Скачиваний: 2144
Комментарий к файлу: Вид "лицом"с открытой сверху "рубашкой"
Cab_1.jpg [24.62 KiB]
Скачиваний: 1691
Комментарий к файлу: Схема
DATACAB.gif [11 KiB]
Скачиваний: 2822

_________________
Скелет колобка состоит из черепа.


Последний раз редактировалось Аксель Пт янв 04, 2008 20:20:17, всего редактировалось 4 раз(а).
Вернуться наверх
 
Не в сети
 Заголовок сообщения:
СообщениеДобавлено: Ср апр 25, 2007 10:28:43 
Э...
Аватар пользователя

Карма: 1
Рейтинг сообщений: 9
Зарегистрирован: Ср апр 04, 2007 08:39:14
Сообщений: 2792
Откуда: Москва
Рейтинг сообщения: 0
Можно еще на микрухах max3xxx сделать.


Вернуться наверх
 
Не в сети
 Заголовок сообщения:
СообщениеДобавлено: Ср апр 25, 2007 11:17:04 
Ум, честь и совесть. И скромность.
Аватар пользователя

Карма: 98
Рейтинг сообщений: 2135
Зарегистрирован: Чт дек 28, 2006 08:19:56
Сообщений: 18454
Откуда: Новочеркасск
Рейтинг сообщения: 0
Медали: 2
Получил миской по аватаре (1) Мявтор 3-й степени (1)
От себя добавлю, что данная схема прекрасно подойдет и для сопряжения МК с компьютером на умеренной скорости.

_________________
если рассматривать человека снизу, покажется, что мозг у него глубоко в жопе
при взгляде на многих сверху ничего не меняется...

Мой уютный бложик... заходите!


Вернуться наверх
 
Не в сети
 Заголовок сообщения:
СообщениеДобавлено: Вт июл 03, 2007 09:33:33 
Встал на лапы
Аватар пользователя

Зарегистрирован: Сб мар 31, 2007 13:53:07
Сообщений: 111
Откуда: Lviv
Рейтинг сообщения: 0
подключил телефон Siemens M55 к COM-порту через MAX232, так вот, звоню на моб. телефон и терминалом смотрю что он мне пришлет(должен прислать Ring) а он присылает иероглифы, пробывал менять скорость, прошол по всем скоростям, непомогает. в чем может быть проблема?
P.S. после MAX232 замыкал Тх и Rx, так в терминале отсылал даные такиеж даные принимал.


Вложения:
sshot-2.png [49.46 KiB]
Скачиваний: 1451
sshot-1.png [20.06 KiB]
Скачиваний: 1308
Вернуться наверх
 
Эиком - электронные компоненты и радиодетали
Не в сети
 Заголовок сообщения:
СообщениеДобавлено: Вт июл 03, 2007 15:10:28 
Мявтор!
Аватар пользователя

Карма: 5
Рейтинг сообщений: 42
Зарегистрирован: Вс дек 18, 2005 20:04:42
Сообщений: 825
Откуда: Свердловская обл.
Рейтинг сообщения: 0
Возможно из за помех, обычно пины со стороны тела подтягивают 10кОм резюками. Для работы с АТ командами есть хорошая прога easyport сам её давно юзаю и доволен. Программа бесплатная и русская.

_________________
Настоящий кот всегда либо голоден,
либо невыспался ...


Вернуться наверх
 
Не в сети
 Заголовок сообщения:
СообщениеДобавлено: Чт июл 05, 2007 12:35:19 
Встал на лапы
Аватар пользователя

Зарегистрирован: Сб мар 31, 2007 13:53:07
Сообщений: 111
Откуда: Lviv
Рейтинг сообщения: 0
допаял к MAX232 пару конденсаторов:), Rx и Tx притягнул к земле резистором 10 кОм, картина поменялась, теперь приходят, отсылает четкие даные только, но немогу понять, почему телефон не присылает в комп Ring когда на него позвонить, и на любую команду АТ присилает ..ERROR..


Вложения:
sshot-2.jpg [88.66 KiB]
Скачиваний: 1682
Вернуться наверх
 
Не в сети
 Заголовок сообщения:
СообщениеДобавлено: Чт июл 05, 2007 14:44:57 
Мявтор!
Аватар пользователя

Карма: 5
Рейтинг сообщений: 42
Зарегистрирован: Вс дек 18, 2005 20:04:42
Сообщений: 825
Откуда: Свердловская обл.
Рейтинг сообщения: 0
телефон изначаально надо инициализировать как модем
ate0
и т.д.

_________________
Настоящий кот всегда либо голоден,
либо невыспался ...


Вернуться наверх
 
Не в сети
 Заголовок сообщения:
СообщениеДобавлено: Ср окт 17, 2007 19:55:40 
Опытный кот
Аватар пользователя

Зарегистрирован: Ср апр 25, 2007 09:50:43
Сообщений: 800
Откуда: Киев
Рейтинг сообщения: 0
Хочу добавить, что по данному мной адресу описания схемы уже нет и не будет. (И так всё просто, но на заметку:
схему можно подключать к разным телефонам которые работают через rs232)
ё ...По поводу микрух max3xxx - можно, но не нужно. Как показал опыт: компорт прекрасно понимает "0" и при 0 вольт на компорт, вместо "-3...-15". (Гдето читал так, неофициально для упрощения, решили производители компов :-) )

- По идее, можно с кт315 сделать и полный кабель.
- И не пробовал дорабатывать этот девайс для более поздних Siemens x65, x75 - допаиванием 2-х резисторов в штекер к телефону
2-5, 2-7 номинал 10кОм. (Что работает на USB кабеле)

_________________
Скелет колобка состоит из черепа.


Вернуться наверх
 
Не в сети
 Заголовок сообщения:
СообщениеДобавлено: Чт окт 18, 2007 11:05:04 
Открыл глаза
Аватар пользователя

Зарегистрирован: Вс окт 01, 2006 14:26:36
Сообщений: 47
Откуда: Харьков
Рейтинг сообщения: 0
я уже несколько лет пользуюсь такой схемой, нареканий никаких нет, она повторена много раз, содержит копеечные детали... проверялась на телефонах сименс от 55 до 75 серии, работает на ура!
Диоды в схеме КД522 или КД521


Вложения:
Комментарий к файлу: вид со стороны пайки
plata.jpg [19.65 KiB]
Скачиваний: 1779
Комментарий к файлу: датакабель
datacable.gif [42.11 KiB]
Скачиваний: 1563

_________________
Only the strongest will survive...
Вернуться наверх
 
Не в сети
 Заголовок сообщения:
СообщениеДобавлено: Пт окт 19, 2007 22:16:42 
Опытный кот
Аватар пользователя

Зарегистрирован: Ср апр 25, 2007 09:50:43
Сообщений: 800
Откуда: Киев
Рейтинг сообщения: 0
Прокомментирую сообщение Spike_k4: Кот Spike_k4 не вдавался в подробности – во-вторых, для работы на сименсах x65, x75 схема, присланная им, всё равно требует доработки. Во-первых, на принципиальной схеме:
RTS(телефон)---RTS(комп) и СTS(телефон)---СTS(комп), а надо RTS(телефон)---СTS(комп) и СTS(телефон)---RTS(комп).
Слегонцухи неправильная схема. Как, там на плате распаяно - не углублялся, но знаю, что по этой схеме мой товарищ делал и работало.
Но скорость была не супер, и очень явно скорость не дотягивала до 115000 бит/с. В отличии от моих дата-кабелей.

Кстати на сайте товарища, который нарисовал схему, было много хорошей инфы (которая лично мне далее в жизни врядли пригодиться). Вечная ему память. И ещё, кстати, т.н. неполная схема
3-х проводного кабеля, которая была нерабочей. И кстати этот товарищ просил не спрашивать у него, почему не работает.

Я воспринял это так: хороший матеръял для размышлений, и шутку-юмора заценил. Короче меседж от товарища я понял так - "я много работал, даю вам результаты своих исканий, а теперь и вы воспользуйтесь своей головой".

Я поработал головой 8) и так появилась моя схема. А поскольку я не "электронщик" - то и нарисовал схему, для каждого. Где не надо
после её распечатки искать в других местах инфу по "бкэ" у кт315.
...Да и можно вообще собрать её не пользуясь тестером :)
Навесным монтажом в разъём DB9 всё прекрасно влазит! (рисунок за мной :) )

_________________
Скелет колобка состоит из черепа.


Вернуться наверх
 
Не в сети
 Заголовок сообщения: Re: Схема: телефон - COM(ПК)
СообщениеДобавлено: Пт окт 19, 2007 22:22:40 
Э...
Аватар пользователя

Карма: 1
Рейтинг сообщений: 9
Зарегистрирован: Ср апр 04, 2007 08:39:14
Сообщений: 2792
Откуда: Москва
Рейтинг сообщения: 0
Аксель писал(а):
Схема подключения телефона к ПК через компорт.


Можно добавить диод к резистору 100 ом от питания 5 вольт.

_________________
Думайте сами, решайте сами ... а вот он-лайн перевод на корявый русский http://translate.ru


Вернуться наверх
 
Не в сети
 Заголовок сообщения:
СообщениеДобавлено: Пн дек 03, 2007 22:16:29 
Опытный кот
Аватар пользователя

Зарегистрирован: Ср апр 25, 2007 09:50:43
Сообщений: 800
Откуда: Киев
Рейтинг сообщения: 0
Сегодня опять сделал по этой схеме кабель - для ноута без USB.

Большинство проблем с кабелем (в т.ч. на MAX232) - некачественная пайка (типа разок прихватили - может не прокатить, + обезжиривайте (я пользуюсь спиртом етиловым 96%)). Притянуть к земле - такого быть не должно! И многое зависит от проводков :)))
Проблема в получении непонятно чего или ничего от телефона - это оно.

Распаять в разъёме - самый быстрый(и надёжный) вариант :))


В наличии было 2 сименса A65, A75
Из-за неконтакта, или недопайки в штекере неработали оба.
Потом заработал только A65. А для A75 я попробовал допаять резюки:

Резюки для ID кабеля телефоном - ну если 2-5, 2-7 по 10кОм и не спаивать 5-6 со стороны телефона, то получаем DCA-5 (пять).
(Ну с таким кабелем в инете не полазить, а как там задействовать RTS телефона мне не интересно)
Если 5-6 оставить - не работало.

Короче сименс A75 глючил - выключался, скорее больше батарея, решилось припаиванием зарядки. ...но я сначала подумал только о жлобстве Benq по поводу фильтров в телефоне, потом сотворил DCA-5, потом уже припаял зарядку, потом вернул всё как было изначально на схеме - таки с этим кабелем буду в нете с ноута лавзить.
*На заметку: вторая большая проблема была в батарее, замена аккумулятора решила оставшиеся глюки.


В заключении на сегодня:
...о доделке USB - фото доделки кабеля на PL-2303HX (превращаем его в найроднейший DCA-510 c подзарядкой)
Отпечатки китайские.


Вложения:
USB_pl2303HX_DCA510.JPG [43.66 KiB]
Скачиваний: 1890

_________________
Скелет колобка состоит из черепа.
Вернуться наверх
 
Не в сети
 Заголовок сообщения:
СообщениеДобавлено: Сб дек 29, 2007 22:15:33 
Опытный кот
Аватар пользователя

Зарегистрирован: Ср апр 25, 2007 09:50:43
Сообщений: 800
Откуда: Киев
Рейтинг сообщения: 0
...Вот и пара схем "полных" дата кабелей.

Кабель на K561ЛН2:
DCA500_K561ЛН2.GIF - уже обсуждаемая здесь(коменттарии от меня см. выше), многим известная.
На схеме адрес сайта, откуда скачено, там и описание к ней.
Теперь доработанная под возможность запитки от самого COM-порта.
Кстати она тоже может влезть в разъём DB9. Только не в тот, что на винтах, а в тот, который на защёлках.

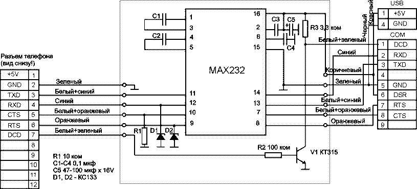
Полный кабель на MAX232 + кт315:
DCA500_MAX232.gif - ну эта схема просто понравилась :) , там какраз стабилитроны где надо.


Вложения:
DCA500_K561ЛН2.GIF [26.69 KiB]
Скачиваний: 1514
DCA500_MAX232.gif [11 KiB]
Скачиваний: 1658

_________________
Скелет колобка состоит из черепа.
Вернуться наверх
 
Не в сети
 Заголовок сообщения:
СообщениеДобавлено: Вс дек 30, 2007 01:38:27 
Первый раз сказал Мяу!

Зарегистрирован: Чт май 03, 2007 18:43:32
Сообщений: 27
Откуда: Kirov:\
Рейтинг сообщения: 0
Вот тут: http://craz.clubefir.net - есть такой девайс.
Схема и печатка есть, фотография тоже.


Вернуться наверх
 
Не в сети
 Заголовок сообщения:
СообщениеДобавлено: Пн дек 31, 2007 21:12:53 
Опытный кот
Аватар пользователя

Зарегистрирован: Ср апр 25, 2007 09:50:43
Сообщений: 800
Откуда: Киев
Рейтинг сообщения: 0
Вот фото девайса с сайта указанного в последнем сообщении.
...Прикольно. Для настоящих эстетов.
Размещаю, чтоб коты лишний раз не ломились на указаный сайт, смотреть, так что там? В общем: посмотрели фото, заценили, забыли.


Вложения:
gprs_c_индикацией.jpg [22.48 KiB]
Скачиваний: 1668

_________________
Скелет колобка состоит из черепа.
Вернуться наверх
 
Не в сети
 Заголовок сообщения:
СообщениеДобавлено: Чт янв 31, 2008 23:55:03 
Родился

Зарегистрирован: Вт ноя 06, 2007 13:00:33
Сообщений: 5
Рейтинг сообщения: 0
http://sx1.oslik.ru/werefox/circuit/cable55.html


Вернуться наверх
 
Не в сети
 Заголовок сообщения:
СообщениеДобавлено: Пн апр 21, 2008 15:52:13 
Опытный кот
Аватар пользователя

Зарегистрирован: Ср апр 25, 2007 09:50:43
Сообщений: 800
Откуда: Киев
Рейтинг сообщения: 0
Как самому сделать кабель DLR-3

Для тех, кто в не в курсе: кабель DLR-3 служит для передачи данных через телефоны Nokia 6210/6250/7110 и использования ее в качестве модема.

В кабеле использована ATTiny15.

На некоторые вопросы, почему плохо работают гавёные кабели для Нокии производства noname (в т.ч. DKU-5), можно найти там.

_________________
Скелет колобка состоит из черепа.


Вернуться наверх
 
Не в сети
 Заголовок сообщения:
СообщениеДобавлено: Пн апр 28, 2008 17:38:00 
Открыл глаза
Аватар пользователя

Карма: 1
Рейтинг сообщений: 1
Зарегистрирован: Вс фев 17, 2008 05:56:50
Сообщений: 49
Рейтинг сообщения: 0
Аксель писал(а):
На некоторые вопросы, почему плохо работают гавёные кабели для Нокии производства noname (в т.ч. DKU-5), можно найти там.

У некотрых аппаратов все ужо есть. К примеру Blackberry телефоны, где есть USB и модем в телефоне видиться как виртуальный порт. Пробовал GPRS, работает вполне прилично. Правда расценки в нашей мерзлоте на GPRS просто кашмаръ, последню сметанку к кота отнимают..


Вернуться наверх
 
Не в сети
 Заголовок сообщения:
СообщениеДобавлено: Ср авг 06, 2008 19:16:36 
Родился

Зарегистрирован: Ср авг 06, 2008 17:34:38
Сообщений: 2
Рейтинг сообщения: 0
Вот тут ещё несколько схем есть http://www.radio-portal.ru/modules.php? ... x&menu=109


Вернуться наверх
 
Не в сети
 Заголовок сообщения:
СообщениеДобавлено: Вс фев 15, 2009 01:47:28 
Опытный кот
Аватар пользователя

Зарегистрирован: Ср апр 25, 2007 09:50:43
Сообщений: 800
Откуда: Киев
Рейтинг сообщения: 0
FBus (eng)


Ссылки по кабелям DKU-5 / CA-42 для NOKIA:

Nokia Pop-port - распиновка

Кратенько о Pop-port (eng)

Описание Accessory control interface (eng)

При помощи Accessory control interface телефон распознает, что к нему подключено.
Если телефон не распознает подключенный кабель как DKU-5 / CA-42 - интернета не будет :) За ID кабеля отвечает 53A1S.

пины Pop-Port'а для Accessory control interface 3, 4, 8(GND).


Вложения:
Комментарий к файлу: 53A1S схема подключения
53a1s.zip [1.08 KiB]
Скачиваний: 674
Вернуться наверх
 
Показать сообщения за:  Сортировать по:  Вернуться наверх
Начать новую тему Ответить на тему  [ Сообщений: 22 ]  1,  

Часовой пояс: UTC + 3 часа


Кто сейчас на форуме

Сейчас этот форум просматривают: нет зарегистрированных пользователей и гости: 7


Вы не можете начинать темы
Вы не можете отвечать на сообщения
Вы не можете редактировать свои сообщения
Вы не можете удалять свои сообщения
Вы не можете добавлять вложения

Найти:
Перейти:  


Powered by phpBB © 2000, 2002, 2005, 2007 phpBB Group
Русская поддержка phpBB
Extended by Karma MOD © 2007—2012 m157y
Extended by Topic Tags MOD © 2012 m157y