Например TDA7294

Форум РадиоКот • Просмотр темы - Входной узел частотомера
Форум РадиоКот
Здесь можно немножко помяукать :)

Текущее время: Пн дек 01, 2025 21:44:25

Часовой пояс: UTC + 3 часа


ПРЯМО СЕЙЧАС:



Начать новую тему Ответить на тему  [ Сообщений: 339 ]  1, , , , ...  
Автор Сообщение
Не в сети
 Заголовок сообщения: Входной узел частотомера
СообщениеДобавлено: Вт окт 16, 2007 01:17:32 
Мучитель микросхем
Аватар пользователя

Зарегистрирован: Чт ноя 23, 2006 22:47:35
Сообщений: 487
Рейтинг сообщения: 0
Вот есть такая схема.
Изображение
Я в нете смотрел схемы других частотомеров. Входной каскад на транзисторе примерно одинаков во всех схемах. Но очень сильно различаются емкость входного кондера C1 от неполярного 0,1мкф до электролита в 1-10 мкф. Очень интересует из каких соображений выбирается его емкость.
Далее в других схемах выход транзистора сразу идет на счетчики. В моей схеме есть еще цепочка R5-DD1.1-DD1.2 с резистором R6. Я не пойму что это за включение такое, как оно работает и нах. нужно. Пробовал моделировать в протеусе - но он впадает в глубокую кому от такого включения :roll: И будет ли какое различие, если там стоит не 155 серия, а 531.


Вложения:
Комментарий к файлу: Вот такая схема
fmvhod.gif [4.74 KiB]
Скачиваний: 3416
Вернуться наверх
 
Не в сети
 Заголовок сообщения:
СообщениеДобавлено: Вт окт 16, 2007 01:29:25 
Сверлит текстолит когтями
Аватар пользователя

Карма: 11
Рейтинг сообщений: 13
Зарегистрирован: Пт июл 21, 2006 15:05:19
Сообщений: 1268
Откуда: плод воображения
Рейтинг сообщения: 0
Медали: 1
Получил миской по аватаре (1)
Кондер выбирается так, чтобы обеспечить нормальную передачу сигнала, без затуханий в нужном частотном диапазоне - в данной схеме с резисторов R3 он образует ФНЧ. Насчет цепочки логики - это формирователь импульсов, чтобы подавать на счетчики частотомера нужные ТТЛ-уровни. Зачем там нужен резистор R6 - я не знаю, надеюсь, найдутся форумчане, которые объяснят.

Я в свое время вот так сделал:

Изображение

_________________
R2AIV 73!


Вернуться наверх
 
Не в сети
 Заголовок сообщения:
СообщениеДобавлено: Вт окт 16, 2007 01:37:29 
Первый раз сказал Мяу!

Зарегистрирован: Чт окт 11, 2007 14:49:01
Сообщений: 23
Рейтинг сообщения: 0
Если хотим сделать вход широкополосным (от ЗЧ до ВЧ) то параллельно входному электролиту устанавливаем керамический конденсатор емкостью 100-1000 пф.
Разница между 155 и 531 серией в энергопотреблении и верхней рабочей частоте (531 серия-30-40 Мгц, 155-15-20 Мгц). R6 участвует в формировании крутизны фронта импульса на выходе формирователя.Величину R6 в небольших пределах можно менять (изменение формы сигнала на выходе можно на осциллографе посмотреть)


Вернуться наверх
 
Не в сети
 Заголовок сообщения:
СообщениеДобавлено: Вт окт 16, 2007 01:52:28 
Мучитель микросхем
Аватар пользователя

Зарегистрирован: Чт ноя 23, 2006 22:47:35
Сообщений: 487
Рейтинг сообщения: 0
KT315B писал(а):
Кондер выбирается так, чтобы обеспечить нормальную передачу сигнала, без затуханий в нужном частотном диапазоне - в данной схеме с резисторов R3 он образует ФНЧ.

Я в протеусе пробовал от 1Гц до 15 МГц и кондер 1 и 10мкф. Сигнал был синус и меандр. В любом случае сигнал проходил нормально. Оставить как есть?

KT315B писал(а):
Насчет цепочки логики - это формирователь импульсов, чтобы подавать на счетчики частотомера нужные ТТЛ-уровни.

Дык там на коллекторе вроде и так нормальный ТТЛ уровень будет. Чего там формировать еще :))) ? Склоняюсь к мысле вообще выкинуть зту цепочку, ну или оставить просто 1-2 инвертора.


Вернуться наверх
 
Эиком - электронные компоненты и радиодетали
Не в сети
 Заголовок сообщения:
СообщениеДобавлено: Вт окт 16, 2007 01:55:47 
Мучитель микросхем
Аватар пользователя

Зарегистрирован: Чт ноя 23, 2006 22:47:35
Сообщений: 487
Рейтинг сообщения: 0
soomtaw писал(а):
Разница между 155 и 531 серией в энергопотреблении и верхней рабочей частоте (531 серия-30-40 Мгц, 155-15-20 Мгц).

Именно по-этому и поставил 531
(пока писал ответ выше, не видел твоего поста)


Вернуться наверх
 
Не в сети
 Заголовок сообщения:
СообщениеДобавлено: Вт окт 16, 2007 11:00:16 
Сверлит текстолит когтями
Аватар пользователя

Карма: 11
Рейтинг сообщений: 13
Зарегистрирован: Пт июл 21, 2006 15:05:19
Сообщений: 1268
Откуда: плод воображения
Рейтинг сообщения: 0
Медали: 1
Получил миской по аватаре (1)
Pahan писал(а):
Оставить как есть?

Дык там на коллекторе вроде и так нормальный ТТЛ уровень будет. Чего там формировать еще :))) ?


Значит, кондер можно оставить так как есть. А на коллекторе уровень-то нормальный будет, а вот форма - еще под вопросом, на слабом сигнале транзистор будет работать не в режиме насыщения, а в линейном режиме, логика там стоит как раз для четкости срабатывания последующих счетчиков...

_________________
R2AIV 73!


Вернуться наверх
 
Не в сети
 Заголовок сообщения: Re: Входной узел частотомера
СообщениеДобавлено: Вт окт 16, 2007 11:27:19 
Модератор
Аватар пользователя

Карма: 158
Рейтинг сообщений: 1600
Зарегистрирован: Пт апр 28, 2006 15:26:07
Сообщений: 11940
Откуда: Россия.
Рейтинг сообщения: 0
Медали: 2
Мявтор 3-й степени (1) Лучший человек Форума 2017 (1)
Pahan писал(а):
Вот есть такая схема.

С вышесказанным полностью согласен, поэтому буду повторяться.
Самый главный вопрос.
Какая максимальная рабочая частота?
Эту схему можно ставить на частоту до единиц мегагерц.
Слишком много ФНЧ.
R1 поставили, что бы увеличить входное сопротивление, но он вместе со входной ёмкостью образует ФНЧ с частотой среза в сотни килогерц и т.д.
Сопротивление R4 вместе с выходной ёмкостью тоже ФНЧ, да и ток через коллектор КТ315-го ограничен одним милиампером, т.к.
R4=5,1 ком, что очень режет частотку.
Дальше там на инверторах спаяли формирователь импульсов. Такие паяли когда в составе 155 серии не было триггеров Шмидта 155ТЛ1 например.
В итоге.
Если максимальная частота не больше 1 мгц, то нормально. Если выше, то уж лучше, как говорилось выше поставить один каскад на транзисторе например КТ316 с сопротивлением в коллекторе меньше одного килоома и ток сделать около 5 ма. Или уж лучше инвертор перевести в активный режим с помощью сопротивления с выхода на вход.
Или пиши подробней, что нужно и будем выбирать. Тыкался с такими в своё время. Сейчас выбор конечно больше.


Вложения:
Безымянный.GIF [14.4 KiB]
Скачиваний: 4349
Вернуться наверх
 
Не в сети
 Заголовок сообщения: Re: Входной узел частотомера
СообщениеДобавлено: Вт окт 16, 2007 12:00:59 
Мучитель микросхем
Аватар пользователя

Зарегистрирован: Чт ноя 23, 2006 22:47:35
Сообщений: 487
Рейтинг сообщения: 0
aen писал(а):
Какая максимальная рабочая частота?.

Частота (цифровой части) ограничена быстродействием 531 серии, а так теоретически схема может мерить до 99.999999МГц :))) Ну будем считать до 20-30МГц.

aen писал(а):
Или пиши подробней, что нужно и будем выбирать.

Просто лет 10 назад сваял сей частотомер. Но при таком входном узле он не работал (совсем), и т.к. я работал только с ТТЛ, я просто обрезал дорожку и подключил вход сразу к счетчикам. И на этом конструкцию забросил. А щаз вот чего-то решил довести до ума (ностальгия что-ли, старею :)) ). Еслиб я делал щаз - то конечно элементная база былаб совсем другая, но раз уже сделал так - пущай работает. Труда я внего вложитл - :shock:. Схему взял из радио, но не помно какого года (кстати может подскажете?). Кажется это было в конце курса по цифровой технике "радио-начинающим".
Схему переделал очень сильно. Полностью изменил блок формирования эталонных частот. Заменил индикаторы 155ИД1+ИНки на 514ИД1+7 сегмент.светодиодный. Заместо 3 разрядов сделал 6. Выбор диапазона сделал не механическим переключателем, а от кнопки по кругу (кнопка->счетчик->мультиплексор), добавил между выходом счетчиков и входом 514ИД1 защелки ИР23, чтобы цифры не гасли на время измерения, добавил индикатор переполнения счета.


Вернуться наверх
 
Не в сети
 Заголовок сообщения:
СообщениеДобавлено: Вт окт 16, 2007 12:17:03 
Мучитель микросхем
Аватар пользователя

Зарегистрирован: Чт ноя 23, 2006 22:47:35
Сообщений: 487
Рейтинг сообщения: 2
Кстати все схемы я успешно где-то прое..., ну в смысле потерял :))) :))) :)))
Изображение

Вот тут слева виден этот 315-й
Изображение


Вложения:
f2.jpg [38.8 KiB]
Скачиваний: 2998
f1.jpg [36.19 KiB]
Скачиваний: 2284
Вернуться наверх
 
Не в сети
 Заголовок сообщения: Re: Входной узел частотомера
СообщениеДобавлено: Вт окт 16, 2007 12:41:07 
Модератор
Аватар пользователя

Карма: 158
Рейтинг сообщений: 1600
Зарегистрирован: Пт апр 28, 2006 15:26:07
Сообщений: 11940
Откуда: Россия.
Рейтинг сообщения: 1
Медали: 2
Мявтор 3-й степени (1) Лучший человек Форума 2017 (1)
Pahan писал(а):
будем считать до 20-30МГц.

Примерно такое я тоже делал в своё время. Входной усилитель конечно тяжёлая вещь.
Я забыл выше спросить, какое входное сопротивление хочешь.
Когда большое не нужно и усиливать здорово не нужно, то я обычно ограничивался переводом инвертера в активный режим. А 155 серии, это сопротивление со входа на выход порядка 1,5 ком. В 531 другое. Можно опытным путём подобрать. Берёшь переменное и крутишь добиваясь на выходе инвертора 1,5 вольта.
Если усилить нужно больше, то делал усилитель на КТ316Б. В коллектор сопротивление порядка 500 ом. Смещение опытным путём.
Ток примерно 5 ма получался. А так смотри. Здесь паразитные ёмкости важны и последовательные с ними сопротивления.
Я бы вот здесь посмотрел. Правда там ошибки есть, например рис.6.
download/file.php?id=3653
http://zpostbox.chat.ru/index.htm


Вернуться наверх
 
Не в сети
 Заголовок сообщения: Re: Входной узел частотомера
СообщениеДобавлено: Вт окт 16, 2007 19:32:36 
Мучитель микросхем
Аватар пользователя

Зарегистрирован: Чт ноя 23, 2006 22:47:35
Сообщений: 487
Рейтинг сообщения: 0
aen писал(а):
Я забыл выше спросить, какое входное сопротивление хочешь.
Когда большое не нужно и усиливать здорово не нужно, то я обычно ограничивался переводом инвертера в активный режим.

Чем больше, тем лучше 8) Нашел описание, сказано что чувствительность данной схемы 50мВ. Хочется добить именно эту схему, так как ужо все давно собрано. Надо тока наладить. Пока думаю уменьшить R4. В описании так же сказано, что надо подобрать R2, чтоб на коллекторе было 2,5-3В. Завтра поэкспериментирую.

aen писал(а):
Я бы вот здесь посмотрел. Правда там ошибки есть, например рис.6.
http://zpostbox.chat.ru/index.htm

Не понял, где именно? Никакова рис.6 я там не нашел :lol:

Сомневаюсь че делать с C1. Оставить 10мкф или уменьшить до 1? И ставить ли паралельно 1000пик по совету soomtawа


Вернуться наверх
 
Не в сети
 Заголовок сообщения: Re: Входной узел частотомера
СообщениеДобавлено: Ср окт 17, 2007 07:34:20 
Модератор
Аватар пользователя

Карма: 158
Рейтинг сообщений: 1600
Зарегистрирован: Пт апр 28, 2006 15:26:07
Сообщений: 11940
Откуда: Россия.
Рейтинг сообщения: 0
Медали: 2
Мявтор 3-й степени (1) Лучший человек Форума 2017 (1)
Pahan писал(а):
aen писал(а):
Не понял, где именно? Никакова рис.6 я там не нашел :lol:

Сомневаюсь че делать с C1. Оставить 10мкф или уменьшить до 1? И ставить ли паралельно 1000пик по совету soomtawа

Зря ты к С1 привязался. Я писал, что там частотку режет.
Насчет ссылки тогда вот так.


Вложения:
Усилители.zip [32.67 KiB]
Скачиваний: 4425
Вернуться наверх
 
Не в сети
 Заголовок сообщения:
СообщениеДобавлено: Чт окт 18, 2007 00:09:40 
Мучитель микросхем
Аватар пользователя

Зарегистрирован: Чт ноя 23, 2006 22:47:35
Сообщений: 487
Рейтинг сообщения: 0
aen
Спасибо за архивчег. Сохранил себе на диск. Жаль тока что к схемам характеристик нет.

А пока возился со своей. Все таки хочу добить ее. Собрал тестовую схемку - кварцевый генератор на 32МГц и 2штуки 74S74 (4 D триггера как делители). Имеем 32,16,8,4,2 МГц. Сначала подрубил напрямую к цифровой части, чтоб определить какой вообще верхний предел. Как и ожидалось 32МГц мерит без проблем. Стал мучить входной формирователь. В ходе экспериментов выяснил, что собранный точно по схеме в первом посте - измерения идут до 4 МГц, на 8 уже показывает 0.
Очень сильно влияет R4. Вот слова aenа "R4=5,1 ком, что очень режет частотку". Уменьшил до 1К - начал мерять 8 МГц, но на 16 - опять 0. Далее снизил R4 до 470 Ом - и чудо, измерения пошли на 32МГц.
Кондер C1 не влиял ни на что. Я пробовал также электролит 1мкф, обычные 0,1 и 0,047мкф.Измерения с любыми из них шли на 32МГц. Решил оставить 10 как и было.

Но вылезла другая бяка. Я эти опыты проводил снимая сигнал в цифровую часть прямо с коллектора, минуя DD1.1-DD1.3. Уже думал выкинть ее вообще нах. Решил померить синус (не совсем синус, а ту шнягу в 100Гц, что после диодного моста). И вылезла какая-то меняющаяся цифра около 6500Гц. Подрубил назад DD1.1-DD1.3 и измерилось как и надо 100Гц. Т.е. этот формирователь формы сигнала все-таки нужен для "не цифровых" сигналов. Но беда в том, что цепочка DD1.1-DD1.3 почему-то "портит" измерения 16, 32 Мгц. Т.е. она их вроде меряет, но показывает с большой ошибкой. Вместо 16 - 159...., а вместо 32 вообще где-то 27. На более низких нормально. Завтра попробую поиграться с R5, R6. А пока принимаются ваши идеи.
И еще оказалось, что у меня там не ЛА3, а "настоящие инверторы" ЛН1. Скорее всего это ничего не меняет, а так, к сведению.


Вернуться наверх
 
Не в сети
 Заголовок сообщения:
СообщениеДобавлено: Чт окт 18, 2007 07:30:52 
Модератор
Аватар пользователя

Карма: 158
Рейтинг сообщений: 1600
Зарегистрирован: Пт апр 28, 2006 15:26:07
Сообщений: 11940
Откуда: Россия.
Рейтинг сообщения: 0
Медали: 2
Мявтор 3-й степени (1) Лучший человек Форума 2017 (1)
Pahan писал(а):
Спасибо за архивчег. Сохранил себе на диск. Жаль тока что к схемам характеристик нет.

Но та подписано откуда взято. См. картинку.
Pahan писал(а):
aen
Кондер C1 не влиял ни на что.

Ну вобщем, что предполагали, то и выходит.
Pahan писал(а):
aen
Т.е. этот формирователь формы сигнала все-таки нужен для "не цифровых" сигналов.

Да. Всё правильно. Но здесь, как я сказал уж лучше ТЛ поставить.
И сделай переключатеть ВЧ - НЧ.
Смысл в том, что когда подаёшь синусоидальный НЧ сигнал, то при достижения на входе лог. элемента уровня 1,5 вольта он переходит в активный режим, т.е. работает в режиме усиления и любое дрожание уровня даёт на его выходе серию коротких паразитных импульсов.
Но применённый формирователь слишком низкочастотный.


Вложения:
Безымянный.GIF [23.84 KiB]
Скачиваний: 2767
Вернуться наверх
 
Не в сети
 Заголовок сообщения:
СообщениеДобавлено: Пт окт 19, 2007 00:49:56 
Мучитель микросхем
Аватар пользователя

Зарегистрирован: Чт ноя 23, 2006 22:47:35
Сообщений: 487
Рейтинг сообщения: 0
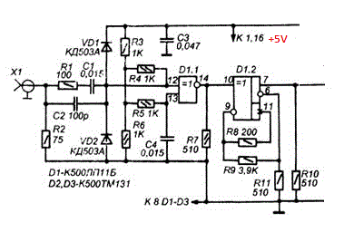
добил сегодня эту схему. Щаз вроде и цифру 32МГц нормально мерит и полусинус 100Гц. Вот рабочий вариант, может кому пригодится. Красными точками я отметил резисторы, которые пришлось подбирать и менять по сравнению с исходной схемой.
Изображение
Что интересно, 4-ый инвертор нужен. Если снимать сигнал с выхода третьего, то на 32МГц появляется ошибка (показывает где-то 31.xxxxxx).

Когда отдадут материнку с работающей звуковухой :cry: , погоняю на разных сигналах типа синуса, пилы и т.д.


Вложения:
vhodnew.gif [4.95 KiB]
Скачиваний: 2532
Вернуться наверх
 
Не в сети
 Заголовок сообщения:
СообщениеДобавлено: Ср окт 07, 2009 13:49:55 
Родился

Зарегистрирован: Чт май 21, 2009 19:04:19
Сообщений: 17
Откуда: Москва
Рейтинг сообщения: 0
Если тема еще для кого-то актуальна, позволю себе изложить пару мыслей.
Я в свое время тоже собрал частотомер (до 10 МГц) на базе какой-то большой микросхемы (если интересно, могу посмотреть точно). Короче, к ней подвешивается кварц, индикаторы, переключатели режимов и чуть-чуть всякой мелочи. Так плата и валяется до сих пор, а для законченного прибора не хватало корпуса, источника питания и входного усилителя.
Когда-то давно я натыкался на схему на базе логического элемента ЭСЛ. Если кто еще помнит, это быстродействующая и сильнокушающая логика на дифференциальных усилителях. Если память не изменяет, 193 серия - ее, вероятно еще можно найти в старом барахле или в антикварных магазинах :-) В принципе мегагерц 100 она должна пропустить. К сожалению, источник утерян, возможно это была заметка в "Радио".
А позже пришла другая идея. Почему бы не запихнуть это внутрь осциллографа? Место там наверняка найдется. Источник питания готовый. Входные цепи - более чем достаточные. А на вход счетчика можно подать сигнал синхронизации или даже непосредственно с развертки. Что скажете?


Вернуться наверх
 
Не в сети
 Заголовок сообщения:
СообщениеДобавлено: Ср окт 07, 2009 16:14:11 
Модератор
Аватар пользователя

Карма: 158
Рейтинг сообщений: 1600
Зарегистрирован: Пт апр 28, 2006 15:26:07
Сообщений: 11940
Откуда: Россия.
Рейтинг сообщения: 0
Медали: 2
Мявтор 3-й степени (1) Лучший человек Форума 2017 (1)
brownfox писал(а):
натыкался на схему на базе логического элемента ЭСЛ. Если память не изменяет, 193

Нет. Это на серии 500. Схему я где то в форуме выкладывал.
Там предварительный делитель.
Вот здесь можно посмотреть
http://radionl.ru/izm/frm/fmt18.htm
Или здесь.
http://radionl.ru/izm/frm/fmt19.htm

Сам делал подобное. Чувствительность хорошая. До 144 Мгц мерял нормально.
Это входной усилитель.

Изображение

А это с прескалером.

Изображение

193 серию тоже можно применить. Схем в интернете много.

Насчет осцилографа.
Частота синхронизации и пилы не равна частоте сигнала. В автоколебательном режиме кратна, а в ждущем вообще ничего не поймешь. Может быть кратной, может и не быть


Вложения:
1.gif [23.53 KiB]
Скачиваний: 16568
1.gif [14.26 KiB]
Скачиваний: 14409
Вернуться наверх
 
Не в сети
 Заголовок сообщения:
СообщениеДобавлено: Ср окт 07, 2009 16:27:33 
Родился

Зарегистрирован: Чт май 21, 2009 19:04:19
Сообщений: 17
Откуда: Москва
Рейтинг сообщения: 0
aen писал(а):
Это на серии 500. Схему я где то в форуме выкладывал.
Там предварительный делитель.
Вот здесь можно посмотреть
http://radionl.ru/izm/frm/fmt18.htm
Или здесь.
http://radionl.ru/izm/frm/fmt19.htm
Спасибо за ссылки, это действительно то самое.
А на 193-й серии планировалось сделать предварительный депитель частоты 1:10. Впрочем, сейчас это для меня не актуально.
aen писал(а):
Насчет осцилографа.
Частота синхронизации и пилы не равна частоте сигнала. В автоколебательном режиме кратна, а в ждущем вообще ничего не поймешь. Может быть кратной, может и не быть
Это как раз понятно. Но все же на экране видно.
Мне просто хотелось бы заранее оценить, насколько удобно будет работать с таким "гибридом".


Вернуться наверх
 
Не в сети
 Заголовок сообщения:
СообщениеДобавлено: Ср окт 07, 2009 16:38:59 
Модератор
Аватар пользователя

Карма: 158
Рейтинг сообщений: 1600
Зарегистрирован: Пт апр 28, 2006 15:26:07
Сообщений: 11940
Откуда: Россия.
Рейтинг сообщения: 0
Медали: 2
Мявтор 3-й степени (1) Лучший человек Форума 2017 (1)
В принципе идея не нова. По моему удобно. Только сигнал нужно с вертикального усилителя снять через буфер, а не с горизонтального. Само собой и осциллограф должен быть с полосой 100 Мгц


Вернуться наверх
 
Не в сети
 Заголовок сообщения:
СообщениеДобавлено: Пт дек 18, 2009 02:53:32 
Родился

Зарегистрирован: Пт дек 18, 2009 02:23:34
Сообщений: 4
Рейтинг сообщения: 0
Pahan писал(а):

Кондер C1 не влиял ни на что. Я пробовал также электролит 1мкф, обычные 0,1 и 0,047мкф.Измерения с любыми из них шли на 32МГц. Решил оставить 10 как и было.


Ну это не совсем верно, то что он ни на что не влияет. Влияет на минимально измеряемую частоту. Ну 10мкФ это оч. много, если, конечно не собираешся доли герца мерять)) 0,1 в самый раз

Pahan писал(а):


Но беда в том, что цепочка DD1.1-DD1.3 почему-то "портит" измерения 16, 32 Мгц. Т.е. она их вроде меряет, но показывает с большой ошибкой. Вместо 16 - 159...., а вместо 32 вообще где-то 27. На более низких нормально.


Может сказывается быстродействие логики?

А вообще-то, входная часть не очень, я бы диод еще один на вход добавил))) Да и с входным сопротивлением и чувством есть лучшие варианты.
Сам вх. часть собрал по схеме из "В помощь радиолюбителю" Вып.84, транзисторы - полевик 303 на входе, остальные поменял на 315, 361, триггер Шмитта 74АС14, все сразу заработало, несмотря на изменения, только чуть режимы подкрутил. Здесь тебе и вх. сопротивление и чувствительность отменная, транзисторы можно и более высочастотные, тогда можно хорошей полосы добиться, а дальше логику быстродействующую. Неохота возиться было, потом еще SAB приделаю, чтоб ГГц можно мерять было))


Вернуться наверх
 
Показать сообщения за:  Сортировать по:  Вернуться наверх
Начать новую тему Ответить на тему  [ Сообщений: 339 ]  1, , , , ...  

Часовой пояс: UTC + 3 часа


Кто сейчас на форуме

Сейчас этот форум просматривают: нет зарегистрированных пользователей и гости: 29


Вы не можете начинать темы
Вы не можете отвечать на сообщения
Вы не можете редактировать свои сообщения
Вы не можете удалять свои сообщения
Вы не можете добавлять вложения

Найти:
Перейти:  


Powered by phpBB © 2000, 2002, 2005, 2007 phpBB Group
Русская поддержка phpBB
Extended by Karma MOD © 2007—2012 m157y
Extended by Topic Tags MOD © 2012 m157y