Например TDA7294

Форум РадиоКот • Просмотр темы - Кухонный таймер "Чтота".
Форум РадиоКот
Здесь можно немножко помяукать :)

Текущее время: Чт дек 11, 2025 15:00:01

Часовой пояс: UTC + 3 часа


ПРЯМО СЕЙЧАС:



Начать новую тему Ответить на тему  [ Сообщений: 221 ]    , 2, , , ...  
Автор Сообщение
Не в сети
 Заголовок сообщения: Re: Кухонный таймер "Чтота".
СообщениеДобавлено: Пт июн 04, 2010 21:00:46 
Мучитель микросхем
Аватар пользователя

Карма: -8
Рейтинг сообщений: 1
Зарегистрирован: Чт июн 03, 2010 23:06:12
Сообщений: 420
Рейтинг сообщения: 0
printman писал(а):
Вот моя платка. Вроде ничего не упустил. Индикатор поменял на общий анод. Тоже не работает, но немного по другому (в старшем разряде горит средняя палка).

Платка твоя правильная , идикатор дожен быть ОА,прошивка я думаю у тебя тоже нипричём ,а вот энкодер это тонкая штучка,
printman писал(а):
......в старшем разряде горит средняя палка......

Вот так может быть в исправном таймере, если энкодер на 7 ногу не подаёт +
Ты какой используеш энкодер ?

_________________
Некакого перимирия, Некаких мирных шагов навстречу и периговоров.


Вернуться наверх
 
Не в сети
 Заголовок сообщения: Re: Кухонный таймер "Чтота".
СообщениеДобавлено: Сб июн 05, 2010 10:53:52 
Родился
Аватар пользователя

Зарегистрирован: Пн ноя 24, 2008 11:06:12
Сообщений: 11
Откуда: Ukraine
Рейтинг сообщения: 0
скажите пожалуйста, а можно использовать для питания таймера 5 вольт вместо указаных 3 вольт?

_________________
wmbizness.at.ua


Вернуться наверх
 
Не в сети
 Заголовок сообщения: Re: Кухонный таймер "Чтота".
СообщениеДобавлено: Сб июн 05, 2010 15:11:24 
Родился
Аватар пользователя

Зарегистрирован: Пн ноя 24, 2008 11:06:12
Сообщений: 11
Откуда: Ukraine
Рейтинг сообщения: 0
Coviraylhik писал(а):
printman писал(а):
Вот моя платка. Вроде ничего не упустил. Индикатор поменял на общий анод. Тоже не работает, но немного по другому (в старшем разряде горит средняя палка).

Платка твоя правильная , идикатор дожен быть ОА,прошивка я думаю у тебя тоже нипричём ,а вот энкодер это тонкая штучка,
printman писал(а):
......в старшем разряде горит средняя палка......

Вот так может быть в исправном таймере, если энкодер на 7 ногу не подаёт +
Ты какой используеш энкодер ?


платка все-таки не правильная, колектор транзистора должен быть на плюсе, а на плате он на минусе :))

_________________
wmbizness.at.ua


Вернуться наверх
 
Не в сети
 Заголовок сообщения: Re: Кухонный таймер "Чтота".
СообщениеДобавлено: Пт июн 18, 2010 07:26:11 
Родился

Зарегистрирован: Вт май 25, 2010 10:54:35
Сообщений: 6
Рейтинг сообщения: 0
Спасибо вам Coviraylhik за прошивку. Пришлось собрать свой программатор Ponyprog c внешним питанием. До этого просил знакомого прошивать. Залил и сразу почти все заработало. С транзистором да, напутал. С энкодером, согласен, еще тот вопрос. Я использовал, как и советовал автор, от мышки механизм. Но както все ненадежно получилось. Например яркость индикаторов зависит от положения колеса относительно оптопары. Цифири изменяются, но тикать не хочет. И при нажатии кнопки режимы както быстро перебираются. Нужно чтото делать. Пока не придумал


Вернуться наверх
 
Эиком - электронные компоненты и радиодетали
Не в сети
 Заголовок сообщения: Re: Кухонный таймер "Чтота".
СообщениеДобавлено: Вс июн 20, 2010 20:10:35 
Мучитель микросхем
Аватар пользователя

Карма: -8
Рейтинг сообщений: 1
Зарегистрирован: Чт июн 03, 2010 23:06:12
Сообщений: 420
Рейтинг сообщения: 0
Цитата:
Цифири изменяются, но тикать не хочет

Еще раз обрати внимание, на 7 выводе Тиньки должно установится (после установки минут), +5 V


Вложения:
Комментарий к файлу: фьюзы я выставил так
фьюзы кух тайм чтото.jpg [25.01 KiB]
Скачиваний: 1950

_________________
Некакого перимирия, Некаких мирных шагов навстречу и периговоров.
Вернуться наверх
 
Не в сети
 Заголовок сообщения: Re: Кухонный таймер "Чтота".
СообщениеДобавлено: Пн июн 21, 2010 12:08:34 
Родился

Зарегистрирован: Вт май 25, 2010 10:54:35
Сообщений: 6
Рейтинг сообщения: 0
У меня по рекомендации автора схема питается от 2-х пальчиковых батареек т.е. 3 вольта. на 7 выводе при установке остается 2,6 вольта. фьюзы я специально не устанавливал, взял ваш файлик и залил. сначала считал то что там было, потом посмотрел то что там стало, после перепрошивки. вроде так же как в статье у автора. может запитать от 5 вольт?


Вернуться наверх
 
Не в сети
 Заголовок сообщения: Re: Кухонный таймер "Чтота".
СообщениеДобавлено: Пн июн 21, 2010 16:25:50 
Мучитель микросхем
Аватар пользователя

Карма: -8
Рейтинг сообщений: 1
Зарегистрирован: Чт июн 03, 2010 23:06:12
Сообщений: 420
Рейтинг сообщения: 0
Файлик файликом ,а фьюзы выставляются вручную , проверь их состояние, у тебя они находятся или в заводском состоянии или то что ты выставил раньше, ставь как на картинке(только внимательно, ничего лишнего) и всё будет ОК!

_________________
Некакого перимирия, Некаких мирных шагов навстречу и периговоров.


Вернуться наверх
 
Не в сети
 Заголовок сообщения: Re: Кухонный таймер "Чтота".
СообщениеДобавлено: Чт июн 24, 2010 12:30:13 
Родился

Зарегистрирован: Вт май 25, 2010 10:54:35
Сообщений: 6
Рейтинг сообщения: 0
У меня наверно программатор какойто не такой. Как только меняю состояние фьюзов и записываю их, дальнейшие действия с микрушкой невозможны. ошибка операции, и все. если записываю только данные, все ок.


Вернуться наверх
 
Не в сети
 Заголовок сообщения: Re: Кухонный таймер "Чтота".
СообщениеДобавлено: Чт июн 24, 2010 13:22:27 
Родился

Зарегистрирован: Вт июн 08, 2010 05:03:21
Сообщений: 8
Откуда: Сибирская тайга
Рейтинг сообщения: 0
printman писал(а):
Но както все ненадежно получилось. Например яркость индикаторов зависит от положения колеса относительно оптопары. Нужно чтото делать.


Сказывается динамическая индикация и нестабилизированное питание.. За простоту конструкции приходиться платить ее эксплуатационными характеристиками. Как не печально но факт!
Забудте вы этот гемор с тремя вольтами.. Это когда батарейки новые там три, а когда они месяц поработают? К тому же светодиодные индикаторы могут хавать немало (по меркам пальчиковых батареек..)
Конечно лучше 5 В и чтоб стабилизировано, а подключение индикаторов к МК производить через транзисторные ключи, чтобы незамечать зависимость яркости свечения от количества работающих сегментов индикатора. :oops:


Вернуться наверх
 
Не в сети
 Заголовок сообщения: Re: Кухонный таймер "Чтота".
СообщениеДобавлено: Вт июн 29, 2010 12:48:15 
Мучитель микросхем
Аватар пользователя

Карма: -8
Рейтинг сообщений: 1
Зарегистрирован: Чт июн 03, 2010 23:06:12
Сообщений: 420
Рейтинг сообщения: 0
printman писал(а):
У меня наверно программатор какойто не такой. Как только меняю состояние фьюзов и записываю их, дальнейшие действия с микрушкой невозможны. ошибка операции, и все. если записываю только данные, все ок.

очевидно ты програмируеш МК не в схеме ,и используеш программатор без кварца, конечно после изменения фьюзов МК не будет "отзыватся"

_________________
Некакого перимирия, Некаких мирных шагов навстречу и периговоров.


Вернуться наверх
 
Не в сети
 Заголовок сообщения: Re: Кухонный таймер "Чтота".
СообщениеДобавлено: Вт июн 29, 2010 15:14:24 
Мучитель микросхем
Аватар пользователя

Карма: -8
Рейтинг сообщений: 1
Зарегистрирован: Чт июн 03, 2010 23:06:12
Сообщений: 420
Рейтинг сообщения: 0
КП904Б писал(а):
...... а подключение индикаторов к МК производить через транзисторные ключи, чтобы незамечать зависимость яркости свечения от количества работающих сегментов индикатора. :oops:

Я вот хочу собрать этот таймер на индикаторах A-1501SR (высота у них 46 мм), тут очевидно без транзисторных ключей не обойтись,
Нашел подобную схему подключения, вот как на рисунке
Изображение
но это какое-то странное подключение Б-К управление Э- нагрузка
Для этого транзистора правильное подключение Б-Э управление К- нагрузка,
Кто подскажет схемку, как правильно подключить эти индикаторы A-1501SR

_________________
Некакого перимирия, Некаких мирных шагов навстречу и периговоров.


Вернуться наверх
 
Не в сети
 Заголовок сообщения: Re: Кухонный таймер "Чтота".
СообщениеДобавлено: Ср июн 30, 2010 22:38:56 
Друг Кота
Аватар пользователя

Карма: 81
Рейтинг сообщений: 1377
Зарегистрирован: Пн май 11, 2009 14:15:00
Сообщений: 3059
Откуда: СПб
Рейтинг сообщения: 0
Медали: 1
Мявтор 3-й степени (1)
Да всё правильно. Управление Б-Э через индикатор. Ток попадает на базу и "сливается" по переходу Б-Э через индикатор на землю. (через МК)

_________________
Этот пост оказался полезен? Не поленись, нажми Изображение слева!
:) :)) :)))
Куплю индикаторы ИТС-1А, ИТС-1Б, ИГВ1-8х5Л, ИГПС1-222/7, ИГПС1-111/7 и подобные.


Вернуться наверх
 
Не в сети
 Заголовок сообщения: Re: Кухонный таймер "Чтота".
СообщениеДобавлено: Чт июл 01, 2010 11:57:49 
Родился

Зарегистрирован: Вт июн 08, 2010 05:03:21
Сообщений: 8
Откуда: Сибирская тайга
Рейтинг сообщения: 0
Coviraylhik писал(а):
Я вот хочу собрать этот таймер на индикаторах A-1501SR
Кто подскажет схемку, как правильно подключить эти индикаторы A-1501SR

Чего-то негрузится ваша схема, ну да ладно..
Согласно даташиту этот индикатор с ОА типовое прямое напряжение 3.6 В ток 20-30 мА на один сегмент.
Существует три вида включения биполярных транзисторов: ОК, ОЭ, ОБ. Вы очевидно нашли схему с ОК тобишь эммитерный повторитель (нагрузка в цепи эммитеров транзисторы P-N-P типа, базы транзисторов соед. с выводами МК, коллекторы с минусом питания).
В данном конкретном случае предпочтительнее использовать включение с ОЭ и транзисторы типа N-P-N, т.к.
Во-первых: у микроконтроллеров общий провод это минус (GND), а лог. 1 на портах ВВ МК это плюс. (VCC)
Во вторых: Cхема с ОЭ имет максимальное усиление по мощности и минимальные потери напряжения на откр. транзисторах. (где-то 0,6 В).
К несущественному недостаку схемы с ОЭ по сравнению с ОК следует отнести необходимость применения токоограничивающих резисторов в цепи базы каждого транзистора. В схеме с ОК можно обойтись и без них.. А вот токоограничивающие резисторы в цепи нагрузки (сегментов) необходимы в любой схеме.
Также не забывайте про напряжение питания (к сегменту нужно приложить от 3,6 до 4,4 В + 0,6 В потери на транзисторе получим 4,2....5 В) Желательно стабилизировать. Если напряжение питания схемы 3 В и меннее, транзисторные ключи затеивать не стоит (будут только снижать яркость)..


Вложения:
Комментарий к файлу: Даташит A-1501SR
CA1501X,CA1505X.pdf [67.09 KiB]
Скачиваний: 962
Вернуться наверх
 
Не в сети
 Заголовок сообщения: Re: Кухонный таймер "Чтота".
СообщениеДобавлено: Чт июл 01, 2010 13:48:59 
Мучитель микросхем
Аватар пользователя

Карма: -8
Рейтинг сообщений: 1
Зарегистрирован: Чт июн 03, 2010 23:06:12
Сообщений: 420
Рейтинг сообщения: 0
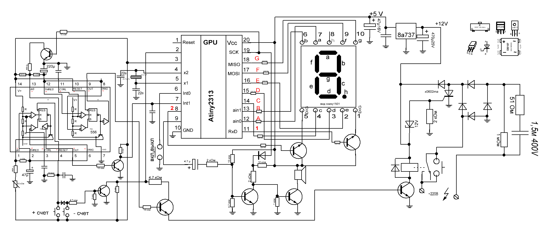
Нравится мне этот таймер,я уже себе собрал таких два,
(фото один встроен в кухонную вытяжку, другой отдельным устройством инд. 1501)
Изображение
к моему сожалению программированием не владею, приходится за счёт дополнит. деталей добавлять разные фичи которые мне нужны в этом чтота-таймере,
Вот схемка может тут что то и заковыристо, ну это кто как любит.
Изображение


Вложения:
Таймер ч.т.GIF [61.51 KiB]
Скачиваний: 1848

_________________
Некакого перимирия, Некаких мирных шагов навстречу и периговоров.
Вернуться наверх
 
Не в сети
 Заголовок сообщения: Re: Кухонный таймер "Чтота".
СообщениеДобавлено: Ср июл 21, 2010 12:06:09 
Родился

Зарегистрирован: Вт июн 08, 2010 05:03:21
Сообщений: 8
Откуда: Сибирская тайга
Рейтинг сообщения: 0
Да уж, замудреная схемка вышла.. Как кстати с яркостью сегментов, очевидно проблемма осталась? :)
Я помню, Вы спрашивали про включение, я к сожалению не мог оперативно ответить.. :cry:


Вернуться наверх
 
Не в сети
 Заголовок сообщения: Re: Кухонный таймер "Чтота".
СообщениеДобавлено: Ср июл 21, 2010 21:16:48 
Мучитель микросхем
Аватар пользователя

Карма: -8
Рейтинг сообщений: 1
Зарегистрирован: Чт июн 03, 2010 23:06:12
Сообщений: 420
Рейтинг сообщения: 0
КП904Б писал(а):
Да уж, замудреная схемка вышла.. Как кстати с яркостью сегментов, очевидно проблемма осталась? :)
.......

Нет проблемы нет ,устройство отлично работает (свечение индикаторов с транзисторными ключами ровное) схема выложеная мной выше, у меня окончательна.
Твой предыдущий пост, информация в нём, восполнила недостающий пробел в моих знаниях.
Спасибо КП904Б

_________________
Некакого перимирия, Некаких мирных шагов навстречу и периговоров.


Вернуться наверх
 
Не в сети
 Заголовок сообщения: Re: Кухонный таймер "Чтота".
СообщениеДобавлено: Вт авг 17, 2010 18:01:36 
Электрический кот
Аватар пользователя

Карма: 19
Рейтинг сообщений: 170
Зарегистрирован: Чт мар 04, 2010 13:48:56
Сообщений: 1023
Откуда: Недалеко от Тулы
Рейтинг сообщения: 0
Собрал и я таймер. Работает он нормально,вот только при вращении колеса мыши наблюдается интересная картина. Предположим,идет отсчет 10 минутного интервала. Если тронуть колесико на один щелчок,то схема входит в какое-то подвешенное состояние и отсчет прекращается. Но если еще один щелчок-то все нормально. Причину этого вижу в том,что примененное мной колесико имеет очень широкие ламельки,и для прохода одной ламели требуется два щелчка колесиком. Попробую поставить энкодер,товарищ должен скоро привезти,у нас нет таких. Как поменяю-отпишусь


Вернуться наверх
 
Не в сети
 Заголовок сообщения: Re: Кухонный таймер "Чтота".
СообщениеДобавлено: Ср авг 18, 2010 17:11:04 
Электрический кот
Аватар пользователя

Карма: 19
Рейтинг сообщений: 170
Зарегистрирован: Чт мар 04, 2010 13:48:56
Сообщений: 1023
Откуда: Недалеко от Тулы
Рейтинг сообщения: 0
Поставил вместо колесика от мыши энкодер РЕС12,стало еще хуже. Из-за дребезга контактов показания дисплея принимают непредсказуемый вид,да и время выставить сложно


Вернуться наверх
 
Не в сети
 Заголовок сообщения: Re: Кухонный таймер "Чтота".
СообщениеДобавлено: Чт сен 09, 2010 08:35:59 
Прорезались зубы

Зарегистрирован: Сб дек 15, 2007 23:00:54
Сообщений: 247
Откуда: Moscow
Рейтинг сообщения: 0
Решил сделать себе такой тамер, будет он в корпусе от мышки, энкодер будет колесо мышки, которая между кнопок, экран врежу в корпус мышки, где на ней обычно рука лежит , работать все будет от батареек ААА, которые будут в корпусе мышки. На место шарика приклею магнит неодиновый и все это дело быдет висеть на холодильнике.
Кто делал такое?
У кого есть исходники на Си, чтобы не переписывать все с нуля по алгоритму статьи?


Вернуться наверх
 
Не в сети
 Заголовок сообщения: Re: Кухонный таймер "Чтота".
СообщениеДобавлено: Чт сен 09, 2010 18:30:41 
Электрический кот
Аватар пользователя

Карма: 19
Рейтинг сообщений: 170
Зарегистрирован: Чт мар 04, 2010 13:48:56
Сообщений: 1023
Откуда: Недалеко от Тулы
Рейтинг сообщения: 0
Нашел мышку дохлую, у которой оптический энкодер,с мелкими ламелями, таймер стал превосходно работать. Автору респект! Вот попытаюсь теперь всю конструкцию в мышкин корпус засунуть


Вернуться наверх
 
Показать сообщения за:  Сортировать по:  Вернуться наверх
Начать новую тему Ответить на тему  [ Сообщений: 221 ]    , 2, , , ...  

Часовой пояс: UTC + 3 часа


Кто сейчас на форуме

Сейчас этот форум просматривают: нет зарегистрированных пользователей и гости: 30


Вы не можете начинать темы
Вы не можете отвечать на сообщения
Вы не можете редактировать свои сообщения
Вы не можете удалять свои сообщения
Вы не можете добавлять вложения

Найти:
Перейти:  


Powered by phpBB © 2000, 2002, 2005, 2007 phpBB Group
Русская поддержка phpBB
Extended by Karma MOD © 2007—2012 m157y
Extended by Topic Tags MOD © 2012 m157y