Например TDA7294

Форум РадиоКот • Просмотр темы - Опознание SMD радиоэлементов
Форум РадиоКот
Здесь можно немножко помяукать :)

Текущее время: Пн апр 13, 2026 13:07:45

Часовой пояс: UTC + 3 часа


ПРЯМО СЕЙЧАС:



Начать новую тему Ответить на тему  [ Сообщений: 4360 ]     ... , , , , 218
Автор Сообщение
 Заголовок сообщения: Re: Опознание SMD радиоэлементов
СообщениеДобавлено: Ср мар 18, 2026 21:41:57 
Прорезались зубы

Зарегистрирован: Ср фев 04, 2026 21:29:19
Сообщений: 241
Откуда: Из норки где-то в России
Рейтинг сообщения: 0
Скорее стаб, но на транзисторность завтра прозвоню.

Остался элемент (точно диод) со значком похожим на "А" и двумя точками над ним (если катодом вправо) - рисунок есть тоже.

Добавлено after 34 seconds:
Скорее стаб, но на транзисторность завтра прозвоню.

Остался элемент (точно диод) со значком похожим на "А" и двумя точками над ним (если катодом вправо) - рисунок есть тоже.


Вернуться наверх
 
 Заголовок сообщения: Re: Опознание SMD радиоэлементов
СообщениеДобавлено: Чт мар 19, 2026 03:24:21 
Первый раз сказал Мяу!
Аватар пользователя

Зарегистрирован: Вт сен 26, 2023 13:45:55
Сообщений: 25
Рейтинг сообщения: 0
Призрачный Суслик, Похоже это то, что Вы ищите: 1SS355TE-17
https://jlcpcb.com/partdetail/ROHMSemic ... 17/C122634


Вернуться наверх
 
 Заголовок сообщения: Re: Опознание SMD радиоэлементов
СообщениеДобавлено: Чт мар 19, 2026 13:03:17 
Прорезались зубы

Зарегистрирован: Ср фев 04, 2026 21:29:19
Сообщений: 241
Откуда: Из норки где-то в России
Рейтинг сообщения: 0
С большой вероятностью это оно, но как я не пытался разглядеть буква "А" очень "стилизованная", больше похоже на логотип. Потому и спросил.

Напрягает факт, что в пределах одной платы 5 типономиналов диодов с одинаковыми параметрами. Не знаю как в США, но у нас за такое 3 шкуры бы спустили.

Добавлено after 1 hour 39 minutes 47 seconds:
Если первый символ — это «1», то маркировка читается как 1E.

Вариант 2: Это линейный стабилизатор (LDO)
Если это все же буквы IE, то это может быть продукция компании Seiko (ABLIC).


Мда - похоже не то, ни другое. Звонится как диодная сборка с прямым падением 0,7В/1 мА и общим анодом в середине..... Это 6 тип диодов в пределах 8 см^2 платы....


Вернуться наверх
 
 Заголовок сообщения: Re: Опознание SMD радиоэлементов
СообщениеДобавлено: Пт мар 20, 2026 11:46:20 
Открыл глаза
Аватар пользователя

Зарегистрирован: Вт окт 22, 2024 07:20:18
Сообщений: 61
Откуда: Тюмень
Рейтинг сообщения: 0
Помогите опознать, пжлст.

Изображение


Вернуться наверх
 
Эиком - электронные компоненты и радиодетали
 Заголовок сообщения: Re: Опознание SMD радиоэлементов
СообщениеДобавлено: Пт мар 20, 2026 12:12:07 
Поставщик валерьянки для Кота

Карма: 48
Рейтинг сообщений: 516
Зарегистрирован: Вт фев 23, 2010 08:30:30
Сообщений: 2266
Откуда: Новосибирск
Рейтинг сообщения: 0
прецизионный двухканальный компаратор TLV3202 от компании Texas Instruments


Вернуться наверх
 
 Заголовок сообщения: Re: Опознание SMD радиоэлементов
СообщениеДобавлено: Сб мар 21, 2026 12:05:59 
Друг Кота
Аватар пользователя

Карма: 32
Рейтинг сообщений: 979
Зарегистрирован: Пт сен 10, 2021 15:19:36
Сообщений: 6655
Откуда: Протвино
Рейтинг сообщения: 0
Призрачный Суслик писал(а):
как я не пытался разглядеть буква "А" очень "стилизованная", больше похоже на логотип.

на мелких корпусах вроде sot23/dfn/... надписи довольно мелкие и от всяких вибраций и интерференций в механизме лазерного привода они получаются довольно разнообразными, иногда смотришь на ленту с (вродебы) одинаковыми компанентами и удивляешься разнообразию "шрифта" , кабудто от руки писали китайские товарисчи :)) так что если скажем L больше похожа на отзеркаленную J - а 5 неоличима от S и т.п. - не удивляемся :)

Добавлено after 9 minutes 48 seconds:
Помогите опознать, пжлст.

Изображение

не LM7705 ?


Вернуться наверх
 
 Заголовок сообщения: Re: Опознание SMD радиоэлементов
СообщениеДобавлено: Вс мар 22, 2026 22:29:40 
Вымогатель припоя
Аватар пользователя

Зарегистрирован: Сб дек 19, 2015 18:45:15
Сообщений: 504
Рейтинг сообщения: 0
Всех приветствую, товарищи!
Помогите пожалуйста опознать отсутствующую микросхему (ШИМ-контроллер) и номинал резистора.
Принесли плату от стиральной машины. Так как плату принесли "от знакомого знакомых", нормальной связи с хозяевами нет, поэтому и марку стиральной машины примерно выяснил, исходя из модели платы — это Bosch / Siemens. Модель платы — DIEHL Controls 748 340. Плата уже была у кого-то в ремонте и принесли мне его без одной микросхемы, которая производит на плате низкое напряжение. Исходя из платы я нарисовал схему — может, кто-то узнает, какая микросхема там должна стоять? Также на схеме есть резистор с надписью "? Ом" (на фото он рядом с отсутствующей микросхемой, белого цвета, в самом краю платы) — там резистор двойной (поэтому белый, второй припаян дном вверх) — полагаю, прежний мастер так припаял. Через этот резистор микросхема берёт высокое напряжение (то есть прозванивается 0 Ом на плюс высоковольтного конденсатора). Сейчас там сопротивление 0,8 Ом, правильно ли мастер его припаял?

Изображение Изображение Изображение Изображение


Вернуться наверх
 
 Заголовок сообщения: Re: Опознание SMD радиоэлементов
СообщениеДобавлено: Пн мар 23, 2026 00:37:57 
Потрогал лапой паяльник
Аватар пользователя

Карма: 5
Рейтинг сообщений: 35
Зарегистрирован: Ср сен 11, 2024 10:18:53
Сообщений: 305
Рейтинг сообщения: 0
Как то так выглядит
Изображение
хотя что там увидишь :)
а чип LNK304


Вложения:
LNK302DG-TL.PDF [1000.32 KiB]
Скачиваний: 34

_________________
Audiatur et altera pars !
Вернуться наверх
 
 Заголовок сообщения: Re: Опознание SMD радиоэлементов
СообщениеДобавлено: Пн мар 23, 2026 01:24:26 
Друг Кота
Аватар пользователя

Карма: 182
Рейтинг сообщений: 8347
Зарегистрирован: Пт фев 04, 2011 17:57:51
Сообщений: 20167
Откуда: Рыбинск
Рейтинг сообщения: 3
Медали: 1
Лучший человек Форума 2017 (1)
Информация чтобы напрасно не тратить время на поиски названий деталей, их покупки и замену. При повреждении микросхем в подобных понижающих неизолированных БП нужно сразу проверять нагрузку этих БП на предмет пробоя, туда может прилететь 300В и живого там ничего не остается. Если микросхема снята, а резисторы в цепи 300В менялись, то скорее всего и был пробой микросхемы.


Вернуться наверх
 
 Заголовок сообщения: Re: Опознание SMD радиоэлементов
СообщениеДобавлено: Пн мар 23, 2026 14:20:44 
Вымогатель припоя
Аватар пользователя

Зарегистрирован: Сб дек 19, 2015 18:45:15
Сообщений: 504
Рейтинг сообщения: 0
zAries, спасибо!
Martin76, измерял сопротивление на конденсаторе 25в 220мкф — 25кОм, подключил 5в — потребление 0А. Поэтому, надеюсь, процессор-многоножка PIC33EP жив. Силовая часть драйвера мотора не пробита.


Вернуться наверх
 
 Заголовок сообщения: Re: Опознание SMD радиоэлементов
СообщениеДобавлено: Пн мар 23, 2026 15:25:55 
Друг Кота
Аватар пользователя

Карма: 182
Рейтинг сообщений: 8347
Зарегистрирован: Пт фев 04, 2011 17:57:51
Сообщений: 20167
Откуда: Рыбинск
Рейтинг сообщения: 0
Медали: 1
Лучший человек Форума 2017 (1)
Повезло, обычно кз в подобных платах.


Вернуться наверх
 
 Заголовок сообщения: Опознание деталей
СообщениеДобавлено: Вт мар 31, 2026 20:44:34 
Родился

Зарегистрирован: Вт мар 31, 2026 20:38:16
Сообщений: 2
Рейтинг сообщения: 0
Помогите пожалуйста распознать детали.Не получается найти datasheet к ним.


Вложения:
20260330.jpg [114.67 KiB]
Скачиваний: 37
2026033.jpg [103.31 KiB]
Скачиваний: 33
Вернуться наверх
 
 Заголовок сообщения: Re: Опознание SMD радиоэлементов
СообщениеДобавлено: Ср апр 01, 2026 15:13:36 
Первый раз сказал Мяу!
Аватар пользователя

Зарегистрирован: Вт сен 26, 2023 13:45:55
Сообщений: 25
Рейтинг сообщения: 0
90Arthur90, Вот ваши детали:
316Bxx_xxxxxx_xxx - MLX90316
52s_xx - TLE4250-2G


Вложения:
316Bxx_xxxxxx_xxx - MLX90316.pdf [882.83 KiB]
Скачиваний: 20
52s_xx - TLE4250-2G.pdf [428.98 KiB]
Скачиваний: 21
Вернуться наверх
 
 Заголовок сообщения: Re: Опознание SMD радиоэлементов
СообщениеДобавлено: Ср апр 01, 2026 22:09:25 
Родился

Зарегистрирован: Вт мар 31, 2026 20:38:16
Сообщений: 2
Рейтинг сообщения: 0
Благодарю за помощь!!!


Вернуться наверх
 
 Заголовок сообщения: Re: Опознание SMD радиоэлементов
СообщениеДобавлено: Ср апр 01, 2026 22:19:17 
Первый раз сказал Мяу!
Аватар пользователя

Зарегистрирован: Вт сен 26, 2023 13:45:55
Сообщений: 25
Рейтинг сообщения: 0
Рад помочь!


Вернуться наверх
 
 Заголовок сообщения: Re: Опознание SMD радиоэлементов
СообщениеДобавлено: Пт апр 03, 2026 13:32:23 
Родился

Зарегистрирован: Пн фев 26, 2024 14:27:14
Сообщений: 7
Рейтинг сообщения: 0
Добрый день. Помогите распознать smd элемент. маркировка Y1, под "1" точка. корпус sot-23. Судя по всему управляет мосфетом fqd7p06. Интересно то что этот элемент мультиметром в режиме прозвонки диодов показыват обрыв во всех вариантах. А сгоревший такой элемент имеет падение 0.7 или 1.5в между ногами 1 и 3.
По поиску Y10 выдает стабилитрон BZX84C, а по Y1 транзистор SS8050. Пробовал оба варианта, мосфет греться начинает и лбп в защиту по току уходит.


Вернуться наверх
 
 Заголовок сообщения: Re: Опознание SMD радиоэлементов
СообщениеДобавлено: Пт апр 03, 2026 14:07:28 
Друг Кота
Аватар пользователя

Карма: 182
Рейтинг сообщений: 8347
Зарегистрирован: Пт фев 04, 2011 17:57:51
Сообщений: 20167
Откуда: Рыбинск
Рейтинг сообщения: 0
Медали: 1
Лучший человек Форума 2017 (1)
Valdimar72 писал(а):
Y1 транзистор SS8050
Обычно так и есть.


Вернуться наверх
 
 Заголовок сообщения: Re: Опознание SMD радиоэлементов
СообщениеДобавлено: Пт апр 03, 2026 14:34:56 
Прорезались зубы

Зарегистрирован: Ср фев 04, 2026 21:29:19
Сообщений: 241
Откуда: Из норки где-то в России
Рейтинг сообщения: 0
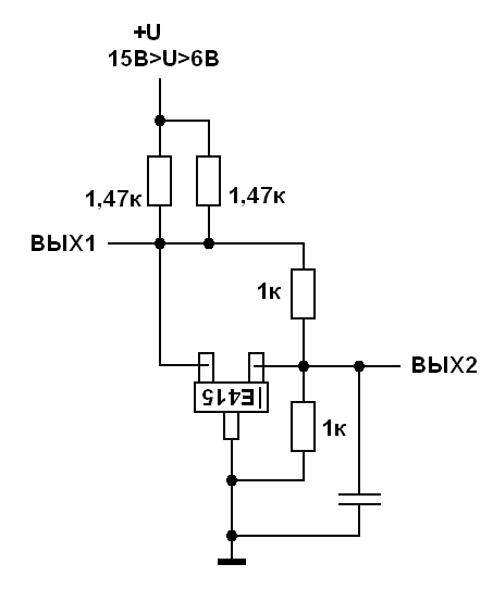
По элементу Е415 в SOT23, появилась схема включения. Похоже на TL431, но каково опорное напряжение ?

Изображение

Изображение


S-812C41AUA в SOT-23 с 3 выводами вроде как не существует.


Вложения:
415.PNG [4.87 KiB]
Скачиваний: 181
415_.PNG [11.85 KiB]
Скачиваний: 184
Вернуться наверх
 
 Заголовок сообщения: Re: Опознание SMD радиоэлементов
СообщениеДобавлено: Пт апр 03, 2026 16:44:51 
Родился

Зарегистрирован: Пн фев 26, 2024 14:27:14
Сообщений: 7
Рейтинг сообщения: 0
Valdimar72 писал(а):
Y1 транзистор SS8050
Обычно так и есть.

Но почему рабочий элемент(выпаял из рабочей схемы) ни как не звонится ни в каких направлениях))

Добавлено after 1 hour 39 minutes 41 second:
Стало чуть яснее. Видимо это стабилитрон все таки. выпаял с другой платы, там падение 0.7 на ногах 1-3 как и у стабилитронов. А вот у транзистора падение 0.7 на 1-3 и 2-3.


Вернуться наверх
 
 Заголовок сообщения: Re: Опознание SMD радиоэлементов
СообщениеДобавлено: Пт апр 03, 2026 16:57:24 
Друг Кота
Аватар пользователя

Карма: 182
Рейтинг сообщений: 8347
Зарегистрирован: Пт фев 04, 2011 17:57:51
Сообщений: 20167
Откуда: Рыбинск
Рейтинг сообщения: 0
Медали: 1
Лучший человек Форума 2017 (1)
Значит стабилитрон BZX84C11.


Вернуться наверх
 
Показать сообщения за:  Сортировать по:  Вернуться наверх
Начать новую тему Ответить на тему  [ Сообщений: 4360 ]     ... , , , , 218

Часовой пояс: UTC + 3 часа


Вы не можете начинать темы
Вы не можете отвечать на сообщения
Вы не можете редактировать свои сообщения
Вы не можете удалять свои сообщения
Вы не можете добавлять вложения

Найти:
Перейти:  


Powered by phpBB © 2000, 2002, 2005, 2007 phpBB Group
Русская поддержка phpBB
Extended by Karma MOD © 2007—2012 m157y
Extended by Topic Tags MOD © 2012 m157y