Например TDA7294

Форум РадиоКот • Просмотр темы - Фотоархив ваших устройств!
Форум РадиоКот
Здесь можно немножко помяукать :)

Текущее время: Вт мар 03, 2026 03:06:32

Часовой пояс: UTC + 3 часа


ПРЯМО СЕЙЧАС:



Начать новую тему Ответить на тему  [ Сообщений: 12096 ]     ... , , , 600, , , ...  
Автор Сообщение
 Заголовок сообщения: Re: Фотоархив ваших устройств!
СообщениеДобавлено: Сб мар 08, 2025 23:26:16 
Встал на лапы

Зарегистрирован: Пт май 20, 2022 22:19:02
Сообщений: 134
Откуда: Ижевск
Рейтинг сообщения: 0
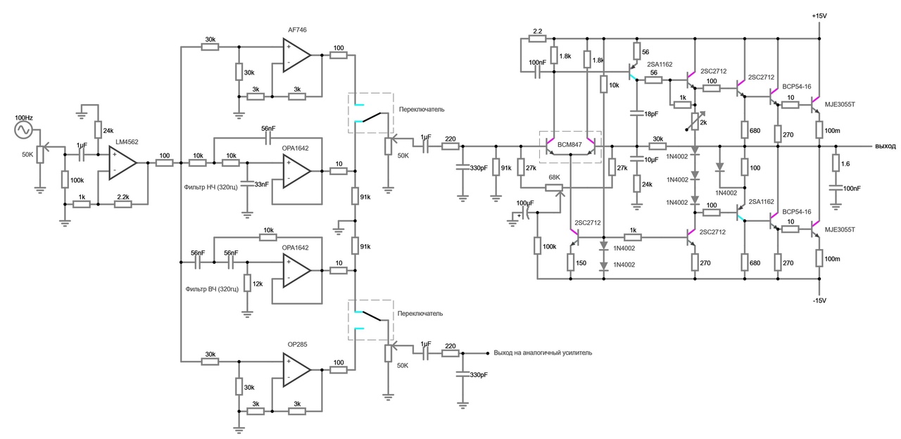
Хочется поделиться своим изделием, собрал четырехканальный усилитель для дома на 35 ватт в каждый канал, звук шикарный, абсолютно бесшумный в паузах, без фона от розетки 50 гц, меня удивило что теперь мне не нужен бассбуст, который собирал для предыдущего усилителя на двух tda7391pd, правда в выключенном состоянии на корпусе имеется едва ощутимая переменка 100 вольт 50гц, для меня загадка откуда оно берется, ведь блоки питания отключены и нет абсолютно никакого электрического контакта с алюминиевой анодированой поверхностью корпуса.

Не знаю на сколько полезен этот пост кому-то будет кроме меня, но всё таки попытаюсь подробно описать.

За основу взял знакомый мне усилитель Шушурина, опубликованный в журнале радио номер 6 1978 года на странице 46 (там в подробностях описан каждый элемент схемы) я такой уже собирал для автомобиля, только помощнее раз в 5-10, в симуляторе как обычно рассчитал номиналы резисторов под свое питание и начал в декабре закупать материалы и разводить печатную плату под фрезеровку, мне так проще, так как я наладчик ЧПУшных фрезерных станков, купил пару фрез 1мм и 0.5мм, блок питания взял две штуки RS-25-15 от MEAN WELL на 15 вольт и 1.7А каждый, и подключил их как двухполярный источник питания, вроде их мощности для звука хватает, спроектировал алюминиевый корпус под фрезеровку и последующее анодирование на территоррии предприятия, на котором я работаю, чтоб не заморачиваться с изолирующими подложками под транзисторы, собирать начал в новогодние праздники и закончил только в середине февраля, пытался даже подбирать парами транзисторы по усилению, запустился с пол оборота без взяких шипений, свистов и волшебного дыма транзисторов, Шушурин такой Шушурин, максимально прост в настройке, легче чем кажется. Только ошибку маленькую допустил, надо было текст гравировать после анодирования, а то черный текст на черном не читается и путаюсь в переключателях)) хех.

Возможности:
1. Переключатель между низкими частотами под сабвуфер 20гц-320гц и широкополосным сигналом.
2. Переключатель между высокими частотами под среднее звено 320гц-18кгц и широкополосным сигналом.
3. Выход под наушники аж до 1 ватта, не знаю пригодится или нет, но он есть, это просто силовой выход через резистор 100ом, чтоб не сжечь наушники в момент подключения.
4. Регулировка по общей громкости, отдельно регулировка громкости НЧ звена/ширикополосного, отдельно регулировка громкости ВЧ звена/ширикополосного.

(На схеме указан AF746, конечно же это AD746, и вместо 18пф по факту установлен 33пф, на самом деле и с 18пф тоже будет работать)


Вложения:
Комментарий к файлу: Схема
1741464681.jpg [124.98 KiB]
Скачиваний: 358
Комментарий к файлу: Готовый в сборе
1739577360~2.jpg [164.96 KiB]
Скачиваний: 294
Комментарий к файлу: Открытый корпус сзади
1739577366~2.jpg [198.91 KiB]
Скачиваний: 265
Комментарий к файлу: Открытый корпус спереди
1739577370~3.jpg [226.62 KiB]
Скачиваний: 255
Комментарий к файлу: Плата снизу
1739579801~2.jpg [227.44 KiB]
Скачиваний: 271
Вернуться наверх
 
 Заголовок сообщения: Re: Фотоархив ваших устройств!
СообщениеДобавлено: Вс мар 09, 2025 00:05:38 
Друг Кота
Аватар пользователя

Карма: 24
Рейтинг сообщений: 208
Зарегистрирован: Ср мар 06, 2019 12:23:29
Сообщений: 9871
Рейтинг сообщения: 0
правда в выключенном состоянии на корпусе имеется едва ощутимая переменка 100 вольт 50гц, для меня загадка откуда оно берется, ведь блоки питания отключены и нет абсолютно никакого электрического контакта с алюминиевой анодированой поверхностью корпуса.
Что, вот прям когда они отключены из розетки и от источника сигнала, всё равно 100 В на корпусе? от чего сигнал на него подаётся? и блоки питания разве не прикручены к корпусу, полность изолированны?
Половина сети на корпусе может от фильтра в БП быть...

_________________
Койот (Canis latrans) – это не Кот, а известен как американский шакал, является видом псовых...
____________

"Кто хочет, тот ищет возможности, кто не хочет —ищет причины."


Вернуться наверх
 
 Заголовок сообщения: Re: Фотоархив ваших устройств!
СообщениеДобавлено: Вс мар 09, 2025 00:14:57 
Встал на лапы

Зарегистрирован: Пт май 20, 2022 22:19:02
Сообщений: 134
Откуда: Ижевск
Рейтинг сообщения: 0
Нет, в розетку включены, но кнопка один провод отключает и фаза (без нуля) всё равно заходит в блок питания, при включении наводка уменьшается сильно, блок питания изолирован с помощью анодированной поверхности и до кучи еще скотчем обклеил, винтики пластиковые

Напряжение замерял с помощью осцилографа относительно пальцев руки, 100 вольт переменки размахом 200в, небольшое уточнение


Вернуться наверх
 
 Заголовок сообщения: Re: Фотоархив ваших устройств!
СообщениеДобавлено: Вс мар 09, 2025 00:36:11 
Друг Кота
Аватар пользователя

Карма: 24
Рейтинг сообщений: 208
Зарегистрирован: Ср мар 06, 2019 12:23:29
Сообщений: 9871
Рейтинг сообщения: 0
Сигнал на него от чего подаётся? на этом источнике нет 100 В на корпусе и может через соединительный шнур попадает?

_________________
Койот (Canis latrans) – это не Кот, а известен как американский шакал, является видом псовых...
____________

"Кто хочет, тот ищет возможности, кто не хочет —ищет причины."


Вернуться наверх
 
Эиком - электронные компоненты и радиодетали
 Заголовок сообщения: Re: Фотоархив ваших устройств!
СообщениеДобавлено: Вс мар 09, 2025 00:48:18 
Встал на лапы

Зарегистрирован: Пт май 20, 2022 22:19:02
Сообщений: 134
Откуда: Ижевск
Рейтинг сообщения: 0
Да не, звук подается через самостоятельные устройства - модуль блютуз, телефон, я так понимаю если землю усилителя кинуть на корпус, то всё встанет на свои места, но фон в колонках мне не нужен, боюсь даже пробовать проверять, пусть лучше щипается корпус, это безболезно, 100 вольт не настоящие, от них светодиод едва-едва загорается)))


Вернуться наверх
 
 Заголовок сообщения: Re: Фотоархив ваших устройств!
СообщениеДобавлено: Вс мар 09, 2025 00:55:41 
Друг Кота
Аватар пользователя

Карма: 24
Рейтинг сообщений: 208
Зарегистрирован: Ср мар 06, 2019 12:23:29
Сообщений: 9871
Рейтинг сообщения: 0
Конденсаторы фильтра блока питания скорее всего, а корпус не заземленный, соотв. половина сети на корпусе...
С блока питания крышку снять и посмотреть, шнур сетевой с заземлением...

_________________
Койот (Canis latrans) – это не Кот, а известен как американский шакал, является видом псовых...
____________

"Кто хочет, тот ищет возможности, кто не хочет —ищет причины."


Вернуться наверх
 
 Заголовок сообщения: Re: Фотоархив ваших устройств!
СообщениеДобавлено: Вс мар 09, 2025 06:54:34 
Модератор
Аватар пользователя

Карма: 159
Рейтинг сообщений: 4081
Зарегистрирован: Пт янв 23, 2009 19:20:05
Сообщений: 45724
Рейтинг сообщения: 0
Медали: 1
Получил миской по аватаре (1)
Использование блоков питания "для светодиодных лент" - так себе идея... Уровень помех на выходе у них вряд ли нормирован. А вот на входе фильтр есть обязательно, он должен соединяться с выводом защитной земли в розетке сети питания. Соответственно, розетка и питающий кабель должны иметь третий контакт РЕ... От помех импульсных питальников этот провод не спасет, но снизит вероятность выхода из строя подключаемых источников сигнала... :dont_know:


Вернуться наверх
 
 Заголовок сообщения: Re: Фотоархив ваших устройств!
СообщениеДобавлено: Пн мар 10, 2025 23:47:11 
Собутыльник Кота
Аватар пользователя

Карма: -19
Рейтинг сообщений: -171
Зарегистрирован: Пт янв 03, 2025 16:26:44
Сообщений: 2690
Рейтинг сообщения: 0
Экспериментальный (собранный и разобранный) искровой передатчик на катушке Румкорфа с целью проверки передачи и приема музыки, качества сигнала и приемник к нему

Описание

Вложение:
11.jpg [224.41 KiB]
Скачиваний: 296

_________________
Нет смысла перечислять игнорируемых, пускай догадываются сами по отсутствию ответов. Да и не по фэнь-шую называть их недоброжелателями, это просто глупые люди, число которых, увы, растет.


Вернуться наверх
 
 Заголовок сообщения: Re: Фотоархив ваших устройств!
СообщениеДобавлено: Вт мар 11, 2025 12:32:22 
Это не хвост, это антенна
Аватар пользователя

Карма: 35
Рейтинг сообщений: 239
Зарегистрирован: Пт сен 30, 2016 20:52:15
Сообщений: 1311
Откуда: Белгородская область.
Рейтинг сообщения: 0
Мне кажется для такого усилителя ТОР был бы уместнее чем импульсник от светодиодных лент


Вернуться наверх
 
 Заголовок сообщения: Re: Фотоархив ваших устройств!
СообщениеДобавлено: Сб мар 15, 2025 16:59:14 
Поставщик валерьянки для Кота
Аватар пользователя

Карма: 61
Рейтинг сообщений: 952
Зарегистрирован: Чт июн 26, 2014 17:05:10
Сообщений: 1969
Откуда: -Моск-
Рейтинг сообщения: 0
Из платы контроллера крепко потраченной клавиатуры и фрагмента с кнопками какого то неведомого устройства, спаял годную вещь.

Изображение

Пульт управления воспроизведением и громкостью для ПК, смартфона, планшета или скажем головного устройства автомобиля.

Изображение

Корпус две 5" заглушки от передней панели ПК.
Размер 42 X 85 мм.


Вернуться наверх
 
 Заголовок сообщения: Re: Фотоархив ваших устройств!
СообщениеДобавлено: Вс июн 08, 2025 22:35:45 
Родился

Зарегистрирован: Вс июн 08, 2025 22:04:25
Сообщений: 2
Рейтинг сообщения: 0
С сыном семиклассником собрали наборчик с Ali - калькулятор.
Изображение
Паяется легко и весело, вещь вполне прикладная.
Изображение
Складывает, отнимает, умножает, делит, корень.
Показывает сопротивление при вводе цветов колец резисторов.
Считает величину резистора по падению напряжения и току светодиода.
Десятичные числа переводит в шестнадцатеричные.
Рекомендую для поднятия скила в пайке.



К этой вундервафле нужно блок питания приделать.
Вместо таблеток поставить разъем.
Это лучше чем покупать батарейки


Вернуться наверх
 
 Заголовок сообщения: Re: Фотоархив ваших устройств!
СообщениеДобавлено: Пн июн 09, 2025 12:53:25 
Поставщик валерьянки для Кота
Аватар пользователя

Карма: 61
Рейтинг сообщений: 952
Зарегистрирован: Чт июн 26, 2014 17:05:10
Сообщений: 1969
Откуда: -Моск-
Рейтинг сообщения: 0
Собирали набор на новогодних каникулах. Прошло пол года, калькулятор иногда используется, батарейки не меняли.
На плате предусмотрено место подключения внешнего питания.
Изображение
Нормально работает от зарядки телефона, для аккумулятора Li-ion 3,7В нужен Step-Up преобразователь.
Набор для сборки появился на Ozon, сегодня нижняя цена 603 руб.


Вернуться наверх
 
 Заголовок сообщения: Re: Фотоархив ваших устройств!
СообщениеДобавлено: Вт сен 16, 2025 21:27:54 
Мучитель микросхем

Карма: 4
Рейтинг сообщений: 42
Зарегистрирован: Вс авг 16, 2015 13:08:53
Сообщений: 425
Рейтинг сообщения: 0
Собрал показометр-тестер любых аккумуляторов и батарей. Тестирует емкость, внутреннее сопротивление(последнее по постоянному току, точность +- километр :)) , но для оценки изношенности акб вполне хорошая инфа). Можно выставлять пороги напряжений как по заряду так и по разряду. При переходе через уставки отключает нагрузку либо зарядку. Диапазон измерений где-то от -80 до +80 вольт с разрешением 1 мВ. Ток от -45 до +45 ампер с разрешением 1 мА. Понятное дело при таких токах отгорит шунт со всеми компонентами. Юзаю до 10 ампер. Имеет гальваническую развязку контроллер, ацп вольтметра, ацп тока, развязка необходима для более точного измерения внутреннего сопротивления акб. Питается от 12 вольт.
Изображение
Эхх... Корпус бы... :facepalm:


Вернуться наверх
 
 Заголовок сообщения: Re: Фотоархив ваших устройств!
СообщениеДобавлено: Вт сен 16, 2025 23:08:48 
Мучитель микросхем
Аватар пользователя

Карма: 4
Рейтинг сообщений: 116
Зарегистрирован: Вс окт 25, 2020 22:13:25
Сообщений: 443
Откуда: Смоленск
Рейтинг сообщения: 0
Бубоник писал(а):
от -80 до +80 вольт с разрешением 1 мВ. Ток от -45 до +45 ампер с разрешением 1 мА

При помощи какого измерителя достигнута такая точность? +-80 тысяч это что-то 18-битное должно быть...


Вернуться наверх
 
 Заголовок сообщения: Re: Фотоархив ваших устройств!
СообщениеДобавлено: Ср сен 17, 2025 02:20:22 
Собутыльник Кота
Аватар пользователя

Карма: -19
Рейтинг сообщений: -171
Зарегистрирован: Пт янв 03, 2025 16:26:44
Сообщений: 2690
Рейтинг сообщения: 0
Ясно же видно, что цена деления 3 знака после запятой. И 2 разряда целых. 5 знаков нормально. Каких 18, 4 бита в 4 младших разрядах 3 бита в старшем.
Цена деления не есть точность, домашние весы цена деления 100 г, точность полкило.

Я тоже такой делал, только на Дельфи, ходил с сынулей на курсы, одного его рано было отпускать по вечерам, и помогал ему. Там препод интересный был, его с армии турнули когда сокращение было, но зачем-то сделали из боевых офицеров учителей информатики. Он только начинал работать, знал мало. Я же сам на сертификат сделал вычислитель нормального веса по вводу параметров, не сидеть же попусту.

_________________
Нет смысла перечислять игнорируемых, пускай догадываются сами по отсутствию ответов. Да и не по фэнь-шую называть их недоброжелателями, это просто глупые люди, число которых, увы, растет.


Вернуться наверх
 
 Заголовок сообщения: Re: Фотоархив ваших устройств!
СообщениеДобавлено: Ср сен 17, 2025 06:10:20 
Друг Кота
Аватар пользователя

Карма: 139
Рейтинг сообщений: 2973
Зарегистрирован: Чт янв 10, 2008 22:01:02
Сообщений: 24867
Откуда: Московская область, Фрязино
Рейтинг сообщения: 0
Ясно же видно, что цена деления 3 знака после запятой. И 2 разряда целых. 5 знаков нормально. Каких 18, 4 бита в 4 младших разрядах 3 бита в старшем....
Я тоже такой делал, только на Дельфи, ходил с сынулей на курсы

Эта пять, Витюша... :))) :))) :)))
Мир потерял в твоем лице гениального погромиста.
Пешы исчо. Клоуны нынче в тренде... :music:
Бубоник писал(а):
от -80 до +80 вольт с разрешением 1 мВ. Ток от -45 до +45 ампер с разрешением 1 мА

При помощи какого измерителя достигнута такая точность? +-80 тысяч это что-то 18-битное должно быть...

Сигма-дельта АЦП. На постоянке получить 18 разрядов с интегрированием как разрешение, а не как точность, это простая задача.
Точность тут будет проблематичная из-за внешних цепей. Сам АЦП справится.


Вернуться наверх
 
 Заголовок сообщения: Re: Фотоархив ваших устройств!
СообщениеДобавлено: Ср сен 17, 2025 07:04:05 
Собутыльник Кота
Аватар пользователя

Карма: -19
Рейтинг сообщений: -171
Зарегистрирован: Пт янв 03, 2025 16:26:44
Сообщений: 2690
Рейтинг сообщения: 0
Держал пальцы скрещенными ждал когда персонаж откликнется. Он реально болен, можно к гадалке не ходить что написал что Дельфи учат только дураки, а вот он-то сам - ого-го, преподавал там где мы учились.

_________________
Нет смысла перечислять игнорируемых, пускай догадываются сами по отсутствию ответов. Да и не по фэнь-шую называть их недоброжелателями, это просто глупые люди, число которых, увы, растет.


Вернуться наверх
 
 Заголовок сообщения: Re: Фотоархив ваших устройств!
СообщениеДобавлено: Ср сен 17, 2025 07:45:28 
Друг Кота
Аватар пользователя

Карма: 107
Рейтинг сообщений: 3836
Зарегистрирован: Пн фев 09, 2009 22:19:49
Сообщений: 25206
Откуда: Когда-то был прекрасный город для людей
Рейтинг сообщения: 0
Биты говоришь.... Обьяснять нормально когда научишься ?

Добавлено after 22 minutes 11 seconds:
Бубоник писал(а):
от -80 до +80 вольт с разрешением 1 мВ. Ток от -45 до +45 ампер с разрешением 1 мА

При помощи какого измерителя достигнута такая точность? +-80 тысяч это что-то 18-битное должно быть...


Лабораторными весами доводилось в школе пользоваться ?

Как набор гирек из 20 штук позволяют взвесить от 10 мг до 1кг 111 гр, с шагом в 10 мг ?

Это же 11111 значений . А 20 гирек можно в двоичке сосчитать всего 5 битами.


Последний раз редактировалось Муркиз Ср сен 17, 2025 07:54:42, всего редактировалось 2 раз(а).

Вернуться наверх
 
 Заголовок сообщения: Re: Фотоархив ваших устройств!
СообщениеДобавлено: Ср сен 17, 2025 07:48:48 
Друг Кота
Аватар пользователя

Карма: 139
Рейтинг сообщений: 2973
Зарегистрирован: Чт янв 10, 2008 22:01:02
Сообщений: 24867
Откуда: Московская область, Фрязино
Рейтинг сообщения: 0
Держал пальцы скрещенными ждал когда персонаж откликнется. Он реально болен, можно к гадалке не ходить что написал что Дельфи учат только дураки, а вот он-то сам - ого-го, преподавал там где мы учились.

Нащщет Дельфи ничего плохого сказать не могу, но, глядя на тебя, Витюша, можно сделать вывод, что все дураки учат Дельфи...
И таки да, ты реально болен. Ибо только психи и совсем маленькие дети говорят о себе в третьем лице.


Вернуться наверх
 
 Заголовок сообщения: Re: Фотоархив ваших устройств!
СообщениеДобавлено: Ср сен 17, 2025 09:45:44 
Мучитель микросхем
Аватар пользователя

Карма: 4
Рейтинг сообщений: 116
Зарегистрирован: Вс окт 25, 2020 22:13:25
Сообщений: 443
Откуда: Смоленск
Рейтинг сообщения: 0
КРАМ писал(а):
Сигма-дельта АЦП

Я понимаю, что дельта-сигма АЦП. Хотелось узнать какой чип и увидеть конкретное схемотехническое решение.
Вдруг мне для ЛБП пригодится.

Добавлено after 3 minutes 56 seconds:
Муркиз писал(а):
А 20 гирек можно в двоичке сосчитать всего 5 битами.

Любопытно посмотреть на кодирование 20 различных гирек в 5 бит. Я бы взял на заметку такой алгоритм.


Вернуться наверх
 
Показать сообщения за:  Сортировать по:  Вернуться наверх
Начать новую тему Ответить на тему  [ Сообщений: 12096 ]     ... , , , 600, , , ...  

Часовой пояс: UTC + 3 часа


Вы не можете начинать темы
Вы не можете отвечать на сообщения
Вы не можете редактировать свои сообщения
Вы не можете удалять свои сообщения
Вы не можете добавлять вложения

Найти:
Перейти:  


Powered by phpBB © 2000, 2002, 2005, 2007 phpBB Group
Русская поддержка phpBB
Extended by Karma MOD © 2007—2012 m157y
Extended by Topic Tags MOD © 2012 m157y