Например TDA7294

Форум РадиоКот • Просмотр темы - согласовать Rx Tx
Форум РадиоКот
Здесь можно немножко помяукать :)

Текущее время: Сб мар 14, 2026 07:45:36

Часовой пояс: UTC + 3 часа


ПРЯМО СЕЙЧАС:



Начать новую тему Ответить на тему  [ Сообщений: 14 ] 
Автор Сообщение
 Заголовок сообщения: согласовать Rx Tx
СообщениеДобавлено: Пт мар 28, 2025 14:43:27 
Грызет канифоль
Аватар пользователя

Карма: -2
Рейтинг сообщений: -13
Зарегистрирован: Вт июн 30, 2009 09:17:54
Сообщений: 259
Откуда: г.Сыктывкар
Рейтинг сообщения: 0
Как правильно подключить этот модуль?

Добавлено after 41 minute 29 seconds:
ФОТО:


Вложения:
2_Преобразователь логических уровней 5В - 3В.jpg [72.91 KiB]
Скачиваний: 94
1_Преобразователь логических уровней 5В - 3В.jpg [82.68 KiB]
Скачиваний: 79
Преобразователь логических уровней 5В - 3В__1.JPG [22.54 KiB]
Скачиваний: 94
BSS138_.GIF [46.3 KiB]
Скачиваний: 78
BSS138.JPG [175.53 KiB]
Скачиваний: 90
Вернуться наверх
 
 Заголовок сообщения: Re: согласовать Rx Tx
СообщениеДобавлено: Пт мар 28, 2025 16:00:09 
Опытный кот

Зарегистрирован: Вс мар 23, 2025 14:56:55
Сообщений: 700
Рейтинг сообщения: 0
Куда подключить?
Вы можете описать желаемое, возникшие трудности при реализации?
Тема названа "Согласовать Rx Tx". Согласовать с чем, как? Между собой? С другим устройством, как на "схеме" одной из картинок? Так оно уже нарисовано, в чём суть вопроса?

Найдите, пожалуйста, в интернете статью "Как правильно задавать вопросы", прочитайте.


Вернуться наверх
 
 Заголовок сообщения: Re: согласовать Rx Tx
СообщениеДобавлено: Пт мар 28, 2025 17:36:24 
Грызет канифоль
Аватар пользователя

Карма: -2
Рейтинг сообщений: -13
Зарегистрирован: Вт июн 30, 2009 09:17:54
Сообщений: 259
Откуда: г.Сыктывкар
Рейтинг сообщения: 0
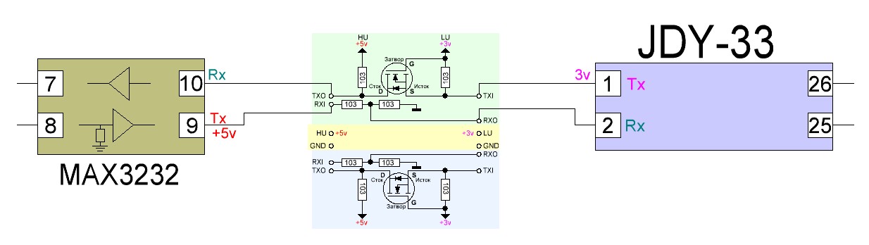
Так оно уже нарисовано.

Это и хотел услышать.
Остаётся понять зачем RXI и RXO


Вернуться наверх
 
 Заголовок сообщения: Re: согласовать Rx Tx
СообщениеДобавлено: Пт мар 28, 2025 17:42:43 
Опытный кот

Зарегистрирован: Вс мар 23, 2025 14:56:55
Сообщений: 700
Рейтинг сообщения: 0
I=Input, Вход
O=Output, Выход


Вернуться наверх
 
Эиком - электронные компоненты и радиодетали
 Заголовок сообщения: Re: согласовать Rx Tx
СообщениеДобавлено: Пт мар 28, 2025 17:48:14 
Друг Кота
Аватар пользователя

Карма: 59
Рейтинг сообщений: 2255
Зарегистрирован: Чт янв 26, 2012 16:44:29
Сообщений: 20067
Откуда: Таксимо
Рейтинг сообщения: 0
А чо непонятного? i вход o выход.
Txi сигнал от 3 вольтовой логики идет на txo пятивольтовую логику.
Rxi сигнал от пятивольовой логики идет на Rxo 3х вольтовую.

_________________
Мои поставщики запчастей с отличной репутацией
texnomag.ru
radioremont.com
pl-1.org
4ip.info
elitan.ru


Вернуться наверх
 
 Заголовок сообщения: Re: согласовать Rx Tx
СообщениеДобавлено: Пт мар 28, 2025 18:22:30 
Грызет канифоль
Аватар пользователя

Карма: -2
Рейтинг сообщений: -13
Зарегистрирован: Вт июн 30, 2009 09:17:54
Сообщений: 259
Откуда: г.Сыктывкар
Рейтинг сообщения: 0
Так, второй канал лишний?


Вложения:
TXI-TXO_RXO-RXI.JPG [53.67 KiB]
Скачиваний: 71
Вернуться наверх
 
 Заголовок сообщения: Re: согласовать Rx Tx
СообщениеДобавлено: Пт мар 28, 2025 18:33:11 
Опытный кот

Зарегистрирован: Вс мар 23, 2025 14:56:55
Сообщений: 700
Рейтинг сообщения: 0
Откуда знать возможно? Кому-то лишний, кому-то нет. Вам сколько каналов нужно?


Вернуться наверх
 
 Заголовок сообщения: Re: согласовать Rx Tx
СообщениеДобавлено: Пт мар 28, 2025 19:01:50 
Грызет канифоль
Аватар пользователя

Карма: -2
Рейтинг сообщений: -13
Зарегистрирован: Вт июн 30, 2009 09:17:54
Сообщений: 259
Откуда: г.Сыктывкар
Рейтинг сообщения: 0
Транзистор работает в обе стороны?
Зачем пускать сигнал через резисторы, если можно пустить через транзистор


Вернуться наверх
 
 Заголовок сообщения: Re: согласовать Rx Tx
СообщениеДобавлено: Пт мар 28, 2025 19:14:17 
Друг Кота
Аватар пользователя

Карма: 59
Рейтинг сообщений: 2255
Зарегистрирован: Чт янв 26, 2012 16:44:29
Сообщений: 20067
Откуда: Таксимо
Рейтинг сообщения: 0
Да в обе. На тразисторах можно двунаправленую квадратную шину делать. Если только однонаправленое то одна с транзистором, вторая с резисторами

_________________
Мои поставщики запчастей с отличной репутацией
texnomag.ru
radioremont.com
pl-1.org
4ip.info
elitan.ru


Вернуться наверх
 
 Заголовок сообщения: Re: согласовать Rx Tx
СообщениеДобавлено: Пт мар 28, 2025 19:51:09 
Опытный кот

Зарегистрирован: Вс мар 23, 2025 14:56:55
Сообщений: 700
Рейтинг сообщения: 0
если бы было через транзисторы, то вопрос был бы "зачем через транзисторы, когда можно через резисторы, а они стоят в тыщу раз дешевле?"


Вернуться наверх
 
 Заголовок сообщения: Re: согласовать Rx Tx
СообщениеДобавлено: Пт мар 28, 2025 20:48:24 
Грызет канифоль
Аватар пользователя

Карма: -2
Рейтинг сообщений: -13
Зарегистрирован: Вт июн 30, 2009 09:17:54
Сообщений: 259
Откуда: г.Сыктывкар
Рейтинг сообщения: 0
на резисторах 2,5v вместо 3v


Вернуться наверх
 
 Заголовок сообщения: Re: согласовать Rx Tx
СообщениеДобавлено: Пт мар 28, 2025 21:07:16 
Опытный кот

Зарегистрирован: Вс мар 23, 2025 14:56:55
Сообщений: 700
Рейтинг сообщения: 0
Нарисуйте схему. Укажите точку, где эти 2,5 вместо 3 В. "На резисторах" - это неинформативно. На каких, где?


Вернуться наверх
 
 Заголовок сообщения: Re: согласовать Rx Tx
СообщениеДобавлено: Сб мар 29, 2025 07:04:46 
Грызет канифоль
Аватар пользователя

Карма: -2
Рейтинг сообщений: -13
Зарегистрирован: Вт июн 30, 2009 09:17:54
Сообщений: 259
Откуда: г.Сыктывкар
Рейтинг сообщения: 0
Вот так надо делать:


Вложения:
TXI-TXO_RXO-RXI.JPG___.JPG [52.33 KiB]
Скачиваний: 72
Proteus.png [45.45 KiB]
Скачиваний: 80
Proteus _.png [17.49 KiB]
Скачиваний: 64
Вернуться наверх
 
 Заголовок сообщения: Re: согласовать Rx Tx
СообщениеДобавлено: Сб мар 29, 2025 08:12:39 
Опытный кот

Зарегистрирован: Вс мар 23, 2025 14:56:55
Сообщений: 700
Рейтинг сообщения: 0
Не надо так делать: MAX3232 прекрасно работает с питанием и сигналами 3 В.


Вернуться наверх
 
Показать сообщения за:  Сортировать по:  Вернуться наверх
Начать новую тему Ответить на тему  [ Сообщений: 14 ] 

Часовой пояс: UTC + 3 часа


Вы не можете начинать темы
Вы не можете отвечать на сообщения
Вы не можете редактировать свои сообщения
Вы не можете удалять свои сообщения
Вы не можете добавлять вложения

Найти:
Перейти:  


Powered by phpBB © 2000, 2002, 2005, 2007 phpBB Group
Русская поддержка phpBB
Extended by Karma MOD © 2007—2012 m157y
Extended by Topic Tags MOD © 2012 m157y