Например TDA7294

Форум РадиоКот • Просмотр темы - ремонт тестера UT70A
Форум РадиоКот
Здесь можно немножко помяукать :)

Текущее время: Вт дек 02, 2025 02:08:33

Часовой пояс: UTC + 3 часа


ПРЯМО СЕЙЧАС:



Начать новую тему Ответить на тему  [ Сообщений: 23 ]  1,  
Автор Сообщение
Не в сети
 Заголовок сообщения: ремонт тестера UT70A
СообщениеДобавлено: Вт май 10, 2011 20:14:54 
Первый раз сказал Мяу!

Зарегистрирован: Сб ноя 13, 2010 11:44:58
Сообщений: 36
Откуда: Калуга
Рейтинг сообщения: 0
Итак начнем с предыстории.Достался на халяву тестер UT70A,но он оказался не рабочий.Мне интересно что там самое так сказать ломаемое
и если можно схему этого тестера


Вернуться наверх
 
Не в сети
 Заголовок сообщения: Re: ремонт тестера UT70A
СообщениеДобавлено: Вт май 10, 2011 20:37:33 
Поставщик валерьянки для Кота
Аватар пользователя

Карма: 3
Рейтинг сообщений: 24
Зарегистрирован: Вс дек 27, 2009 17:17:38
Сообщений: 2208
Откуда: Глазов
Рейтинг сообщения: 0
так хоть бы разобрал, осмотрел, прозвонил мелочь, телепаты в отпуске (безсрочном)

_________________
не включайте аппаратуру в сеть, чтобы не выйти за границы ОБР


Вернуться наверх
 
Не в сети
 Заголовок сообщения: Re: ремонт тестера UT70A
СообщениеДобавлено: Вт май 10, 2011 21:48:37 
Первый раз сказал Мяу!

Зарегистрирован: Сб ноя 13, 2010 11:44:58
Сообщений: 36
Откуда: Калуга
Рейтинг сообщения: 0
я завтра фотки плат сфоткаю


Вернуться наверх
 
Не в сети
 Заголовок сообщения: Re: ремонт тестера UT70A
СообщениеДобавлено: Чт июл 16, 2015 16:26:40 
Родился

Зарегистрирован: Чт апр 12, 2012 07:49:48
Сообщений: 7
Рейтинг сообщения: 0
Здравствуйте.
Имею UT70A - после случайной проверки сети 220 в режиме амперметр, с прибором стало творится не ладное. Предохранители оба под крышкой были сгоревшие, - заменил.
Прозвонка работает. Сопротивление меряет. Индуктивность и емкость не меряет. Переменку меряет. Температуру меряет. Постоянное напряжения , бегают самопроизвольно цифры (иногда когда меряю - показывает правильно ), беру рукой за щупы показывает несколько вольт, отпускаю щупы - пытается показать ноль, но на месте не стоит.
Изображение Диоды D5, D6, D7, D8, и стабилитрон Z1 целые, а так же D21, D22, D3, D4, Z2 - целые. Изображение Подскажите, что проверять дальше ?.
Вот несколько фото.
Изображение Изображение Изображение Изображение Изображение


Вернуться наверх
 
Эиком - электронные компоненты и радиодетали
Не в сети
 Заголовок сообщения: Re: ремонт тестера UT70A
СообщениеДобавлено: Сб июл 18, 2015 18:02:15 
Друг Кота
Аватар пользователя

Карма: 123
Рейтинг сообщений: 7959
Зарегистрирован: Сб сен 13, 2014 16:27:32
Сообщений: 39199
Откуда: СпиртоГонск созвездия Омега
Рейтинг сообщения: 0
щунты меняйте после 222 на токе
если ацп еще живо
иначе его менять надо

_________________
ZМудрость(Опыт и выдержка) приходит с годами.
Все Ваши беды и проблемы, от недостатка знаний.
Умный и у дурака научится, а дураку и ..
Алберт Ейнштейн не поможет и ВВП не спасет.и МЧС опаздает


Вернуться наверх
 
Не в сети
 Заголовок сообщения: Re: ремонт тестера UT70A
СообщениеДобавлено: Вс июл 19, 2015 01:26:38 
Родился

Зарегистрирован: Чт апр 12, 2012 07:49:48
Сообщений: 7
Рейтинг сообщения: 0
Привет всем.
Почистил и смазал (жидким силиконом) контакты переключателя.
Все работает нормально, кроме измерение индуктивности и емкости.
Не включается подсветка.
Что посоветуете, что именно проверить на схеме ?.


Вернуться наверх
 
Не в сети
 Заголовок сообщения: Re: ремонт тестера UT70A
СообщениеДобавлено: Чт сен 03, 2020 20:46:03 
Открыл глаза
Аватар пользователя

Зарегистрирован: Пт июл 19, 2019 17:14:49
Сообщений: 56
Откуда: Питер
Рейтинг сообщения: 0
Так и не нашлась причина?
Мой тоже недавно перестал измерять LC. Просто на ровном месте - пару дней назад измерял, сегодня какую то бяку кажет на L, а спустя ещё пару дней, уже не кажет ничего - идёт тупой отсчёт в обратную сторону от перегрузки и, чем ближе к "0", тем медленнее...


Вернуться наверх
 
Не в сети
 Заголовок сообщения: Re: ремонт тестера UT70A
СообщениеДобавлено: Вс янв 30, 2022 14:20:20 
Открыл глаза

Зарегистрирован: Чт ноя 15, 2007 19:31:24
Сообщений: 40
Рейтинг сообщения: 0
[img]
Вложение:
70a%20медяшка.JPG
[/img] Что посоветуете? Потерял второй контактик медный, кстати куда он вставляется?


Вложения:
70a медяшка.JPG [53.56 KiB]
Скачиваний: 289
Вернуться наверх
 
Не в сети
 Заголовок сообщения: Re: ремонт тестера UT70A
СообщениеДобавлено: Вт окт 04, 2022 11:22:20 
Нашел транзистор. Понюхал.
Аватар пользователя

Зарегистрирован: Сб фев 20, 2010 17:33:02
Сообщений: 169
Рейтинг сообщения: 0
Всем добрый , тоже имею такой прибор. После летнего простоя включил и попробовал померить напряжение на батарейке. Прибор показывает какуюто чепуху. На батарейке 3В должно быть, при подключении щупов прибор показывает примерно 70% от нужного и показания медленно растут. При снятии щупов показания резко падают до 1В и очень медленно падают до 0. Как будто в цепи есть какаято паразитная емкость.
При измерении переменного напряжения кажет 105В вместо 220В.
При измерении в положении переключателя 200мВ при разомкнутых щупах кажет 15мВ.
До лета прибор работал нормально , после простоя вот такая чепуха. Может кто подкинет идей в чем дело.


Вложения:
post-140194-0-05744100-1327526756.gif [235.63 KiB]
Скачиваний: 267
Вернуться наверх
 
Не в сети
 Заголовок сообщения: Re: ремонт тестера UT70A
СообщениеДобавлено: Вс окт 09, 2022 11:12:35 
Нашел транзистор. Понюхал.
Аватар пользователя

Зарегистрирован: Сб фев 20, 2010 17:33:02
Сообщений: 169
Рейтинг сообщения: 0
Еще заметил что при разомкнутых щупах (ничего не меряя) в режиме измерения V , прибор показывает 10-15мв, если щупы сомкнуть падает в 0, если нажать кнопку LC прибор начинает показывать 800мв.


Вернуться наверх
 
Не в сети
 Заголовок сообщения: Re: ремонт тестера UT70A
СообщениеДобавлено: Пт окт 21, 2022 16:34:30 
Нашел транзистор. Понюхал.
Аватар пользователя

Зарегистрирован: Сб фев 20, 2010 17:33:02
Сообщений: 169
Рейтинг сообщения: 0
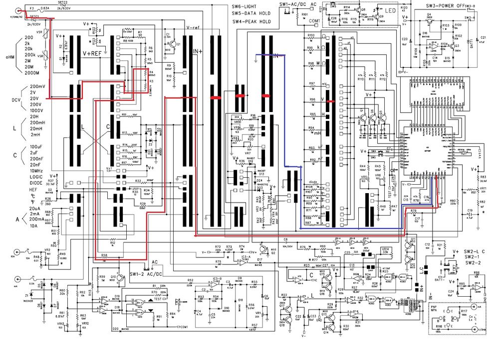
В общем пока в ступоре не знаю куда дальше двигаться , изложу на чем остановился. На картинке ниже попытался изобразить следование сигнала от щупов до АЦП IC0(UM7108F) до входов VIN+(45нога) и VIN-(44нога). Переключатели режимов установлены на DCV 20.
На клемы измерения подаю 12В, далее этот уровень подается на делитель напряжения образованный из R3,R4,R5,R6,R7.
R3 на схеме записан как 2.25Мом / 4 , в реальности это 4 сопротивления включенных последовательно тоесть R3=9МОм.
Далее уровень напряжения снимается между R4 и R5 , в этом месте делитель составляет 100кОм / 9.9МОм при 12В в указанном месте должно быть 120мВ . При замерах в этой точке мультиметр показывет 90мВ и это значение очень медленно примерно 1мВ\3сек растет до 105мВ максимум. Далее этот уровень передается через резистор R79 с подтяжкой C17 на 45ногу АЦП. 44 нога АЦП при указанном положении переключателя режимов засажена на землю (COM).

Все резисторы делителя R3-R7 проверил по мультиметру все точно, R79 C17 тоже в норме. Отпаивал VCR не влияет. Q11 Q12 кз в Э/Б нет.
В общем больше не вижу что еще может влиять на линию измерения , но чтото влияет.

Может ктото чтото заметит куда еще посмотреть ))

Изображение


Вложения:
Безымянный.jpg [184.32 KiB]
Скачиваний: 212
Безымянный.jpg [184.32 KiB]
Скачиваний: 193
Вернуться наверх
 
Не в сети
 Заголовок сообщения: Re: ремонт тестера UT70A
СообщениеДобавлено: Вс окт 23, 2022 14:27:33 
Нашел транзистор. Понюхал.
Аватар пользователя

Зарегистрирован: Сб фев 20, 2010 17:33:02
Сообщений: 169
Рейтинг сообщения: 0
В итоге победил. Всем у кого такие же симптомы как на видео пропаять хорошо резистивный делитель R3,R4,R5,R6,R7 особенно R3 он из себя представляет 4 последовательных резистора по 2,25 МОм .





Вернуться наверх
 
Не в сети
 Заголовок сообщения: Re: ремонт тестера UT70A
СообщениеДобавлено: Ср мар 06, 2024 17:51:43 
Поставщик валерьянки для Кота

Карма: 34
Рейтинг сообщений: 313
Зарегистрирован: Вс ноя 15, 2009 23:13:59
Сообщений: 2126
Откуда: Харьков
Рейтинг сообщения: 0
Достался такой на халяву, сдох чип UM7108F. По питанию звенит почти накоротко, если принудительно дать 9 вольт - сильно греется, кварц генерирует (!!!), на выходах еле-еле заметные импульсы, на ёмкости интегратора тишина. Реально ли достать этот чип и есть ли у него аналоги? Находил на алиэкспрессе, он там 15..17$ штука, так и должно быть?

_________________
Иногда мой питомец уходит в такую спячку, что разбудить его можно только щелчком по первой ноге...


Вернуться наверх
 
Не в сети
 Заголовок сообщения: Re: ремонт тестера UT70A
СообщениеДобавлено: Пт мар 29, 2024 13:51:10 
Родился

Зарегистрирован: Пт мар 29, 2024 13:47:22
Сообщений: 2
Рейтинг сообщения: 0
Добрый день, знатокам.

Uni t UT70a , знакомый разобрал его и раскидал контракты на центральном переключателе. Подскажите, пожалуйста, правильные позиции.
Желательно фото разбора.

P.S.
Ламели слетели, собрали обратно, не так как было.


Вернуться наверх
 
Не в сети
 Заголовок сообщения: Re: ремонт тестера UT70A
СообщениеДобавлено: Пт мар 29, 2024 23:26:03 
Поставщик валерьянки для Кота

Карма: 34
Рейтинг сообщений: 313
Зарегистрирован: Вс ноя 15, 2009 23:13:59
Сообщений: 2126
Откуда: Харьков
Рейтинг сообщения: 0
Uni t UT70a , знакомый разобрал его и раскидал контракты на центральном переключателе. Подскажите, пожалуйста, правильные позиции.
Желательно фото разбора.

На всех фото ручка переключателя смотрит в сторону дисплея.
СпойлерИзображение
Изображение
Изображение

_________________
Иногда мой питомец уходит в такую спячку, что разбудить его можно только щелчком по первой ноге...


Вернуться наверх
 
Не в сети
 Заголовок сообщения: Re: ремонт тестера UT70A
СообщениеДобавлено: Сб мар 30, 2024 17:46:19 
Поставщик валерьянки для Кота

Карма: 34
Рейтинг сообщений: 313
Зарегистрирован: Вс ноя 15, 2009 23:13:59
Сообщений: 2126
Откуда: Харьков
Рейтинг сообщения: 0
Кстати, вопрос по этому прибору. Какой тип предохранителя должен стоять по цепи 10 А? Искал по размерам держателя - нахожу только номиналы 5 А и 13 А. Пока поставил 13 А, но хотелось бы найти правильный.

_________________
Иногда мой питомец уходит в такую спячку, что разбудить его можно только щелчком по первой ноге...


Вернуться наверх
 
Не в сети
 Заголовок сообщения: Re: ремонт тестера UT70A
СообщениеДобавлено: Сб мар 30, 2024 20:14:17 
Друг Кота
Аватар пользователя

Карма: 80
Рейтинг сообщений: 1077
Зарегистрирован: Ср мар 25, 2015 15:25:51
Сообщений: 5767
Откуда: ст. Новоминская
Рейтинг сообщения: 0
Официальный магазин Uni-T на Али: предохранители.


Вернуться наверх
 
Не в сети
 Заголовок сообщения: Re: ремонт тестера UT70A
СообщениеДобавлено: Вс мар 31, 2024 01:59:29 
Поставщик валерьянки для Кота

Карма: 34
Рейтинг сообщений: 313
Зарегистрирован: Вс ноя 15, 2009 23:13:59
Сообщений: 2126
Откуда: Харьков
Рейтинг сообщения: 0
Понятно, буду искать у нас, в крайнем случае придётся заказывать.

_________________
Иногда мой питомец уходит в такую спячку, что разбудить его можно только щелчком по первой ноге...


Вернуться наверх
 
Не в сети
 Заголовок сообщения: Re: ремонт тестера UT70A
СообщениеДобавлено: Ср апр 10, 2024 09:54:11 
Родился

Зарегистрирован: Пт мар 29, 2024 13:47:22
Сообщений: 2
Рейтинг сообщения: 0
vitaminkvl, vitaminkvl,
Добрый день, подскажите, пожалуйста, правильный вариант ламелей на центральном переключателе.


Вернуться наверх
 
Не в сети
 Заголовок сообщения: Re: ремонт тестера UT70A
СообщениеДобавлено: Ср апр 10, 2024 19:25:21 
Друг Кота
Аватар пользователя

Карма: 80
Рейтинг сообщений: 1077
Зарегистрирован: Ср мар 25, 2015 15:25:51
Сообщений: 5767
Откуда: ст. Новоминская
Рейтинг сообщения: 0
Чем Вам этот ответ не угодил? viewtopic.php?p=4561479#p4561479
:dont_know:


Вернуться наверх
 
Показать сообщения за:  Сортировать по:  Вернуться наверх
Начать новую тему Ответить на тему  [ Сообщений: 23 ]  1,  

Часовой пояс: UTC + 3 часа


Кто сейчас на форуме

Сейчас этот форум просматривают: нет зарегистрированных пользователей и гости: 8


Вы не можете начинать темы
Вы не можете отвечать на сообщения
Вы не можете редактировать свои сообщения
Вы не можете удалять свои сообщения
Вы не можете добавлять вложения

Найти:
Перейти:  


Powered by phpBB © 2000, 2002, 2005, 2007 phpBB Group
Русская поддержка phpBB
Extended by Karma MOD © 2007—2012 m157y
Extended by Topic Tags MOD © 2012 m157y