Например TDA7294

Форум РадиоКот • Просмотр темы - Обьясните, пожалуйста, про кварцевый резонатор
Форум РадиоКот
Здесь можно немножко помяукать :)

Текущее время: Сб дек 20, 2025 02:42:01

Часовой пояс: UTC + 3 часа


ПРЯМО СЕЙЧАС:



Начать новую тему Ответить на тему  [ Сообщений: 37 ]    , 2
Автор Сообщение
Не в сети
 Заголовок сообщения:
СообщениеДобавлено: Пт авг 03, 2007 23:35:20 
Друг Кота
Аватар пользователя

Карма: 50
Рейтинг сообщений: 759
Зарегистрирован: Чт дек 29, 2005 00:18:30
Сообщений: 6577
Откуда: Москва
Рейтинг сообщения: 0
Ну мы же о ширпотребе беседуем. Давайте ещё о ЖИГ сфрех поговорим (железо-иттриевых гранатах), они до 40 Гиг работают. Можно и на основной запустить, но стараются (!!) сделать гармониковый срез максимально точно, для исключения этого (перескока на основную частоту) в ТИПОВЫХ (рекомендованных производителем) схемах включения. Не зря же к кварцам даётся бумажка с указанием паретров резонатора, обычно типовых. А для "крутых" кварцев (перцев :) ) и индивидуальных.

_________________
Ничто так не укрепляет взаимное доверие, как 100% предоплата! Дмитрий, ex-RK3AOR.


Вернуться наверх
 
Не в сети
 Заголовок сообщения:
СообщениеДобавлено: Вс авг 05, 2007 17:48:19 
Нашел транзистор. Понюхал.
Аватар пользователя

Зарегистрирован: Пн дек 04, 2006 09:50:08
Сообщений: 157
Откуда: Vladivostok
Рейтинг сообщения: 0
Чтобы настроить кварц 28Мгц на 3ю гармонику нужно настроить контур на 84Мгц так чтоли?
Спасибо!

_________________
Век живи! - Век учись!
ICQ-15B87330h


Вернуться наверх
 
Не в сети
 Заголовок сообщения:
СообщениеДобавлено: Вс авг 05, 2007 18:17:14 
Модератор
Аватар пользователя

Карма: 158
Рейтинг сообщений: 1600
Зарегистрирован: Пт апр 28, 2006 15:26:07
Сообщений: 11940
Откуда: Россия.
Рейтинг сообщения: 0
Медали: 2
Мявтор 3-й степени (1) Лучший человек Форума 2017 (1)
Артур писал(а):
Чтобы настроить кварц 28Мгц на 3ю гармонику нужно настроить контур на 84Мгц так чтоли?
Спасибо!

Да.


Вернуться наверх
 
Не в сети
 Заголовок сообщения:
СообщениеДобавлено: Вс авг 05, 2007 21:56:04 
Друг Кота
Аватар пользователя

Карма: 50
Рейтинг сообщений: 759
Зарегистрирован: Чт дек 29, 2005 00:18:30
Сообщений: 6577
Откуда: Москва
Рейтинг сообщения: 0
На 9-ой гармонике (7,.. МгцХ3=28Х3=84 Мгц) без промежуточного усиления и умножения вряд-ли выделите достаточный уровень.

_________________
Ничто так не укрепляет взаимное доверие, как 100% предоплата! Дмитрий, ex-RK3AOR.


Вернуться наверх
 
Эиком - электронные компоненты и радиодетали
Не в сети
 Заголовок сообщения:
СообщениеДобавлено: Пн авг 06, 2007 08:16:12 
Модератор
Аватар пользователя

Карма: 158
Рейтинг сообщений: 1600
Зарегистрирован: Пт апр 28, 2006 15:26:07
Сообщений: 11940
Откуда: Россия.
Рейтинг сообщения: 0
Медали: 2
Мявтор 3-й степени (1) Лучший человек Форума 2017 (1)
Артур писал(а):
Чтобы настроить кварц 28Мгц Спасибо!

Дмитрий М писал(а):
На 9-ой гармонике (7,.. МгцХ3=28Х3=84 Мгц) без промежуточного усиления и умножения вряд-ли выделите достаточный уровень.

Дмитрий М писал(а):
Кварцы с первой гармоникой выпускаются до 20 мгц. Обычно даже ниже. Поэтому кварц на 28 Мгц это уже на 3-ю гармонику.

Какой то спор у нас с Вами безпредметный. Посмотрел Ваш профиль, Москва, а у меня деревня Павлово, но и даже в деревне есть возможность найти кварц 25 мгц на основную частоту и даже 32 и 36 мгц. В приводах СD- ромов добываю. Кварцы на основную 24 мгц в карточках IDE. LPT. COM портов. Правда там попадаются и гармониковые на 8 мгц. Узнать очень просто. Делаем осциляторную схему, что на картинке нарисована и смотрим основную гармонику.
На картинке сетевая карточка, кварц 25 мгц основная гармоника. Проверено не один раз. К сожалению не нашёл разобранного CD, но тоже не раз проверено. Правда сейчас в новых CD "нехорошие люди" :shock: СМДешные малюсенькие. Они чего то плохо заводятся.


Вложения:
Кварц..JPG [76.4 KiB]
Скачиваний: 4252
Вернуться наверх
 
Не в сети
 Заголовок сообщения:
СообщениеДобавлено: Сб дек 06, 2008 18:32:47 
Первый раз сказал Мяу!

Зарегистрирован: Пт окт 10, 2008 18:47:03
Сообщений: 31
Откуда: город на енисее
Рейтинг сообщения: 0
Такой вот вопрос. Ну вот работает передатчик, на определенной частоте, например, 300 Мгц, допустим, это его основная гармоника. Точнее, кварца, установленного в нем.
Ну или какая-либо по счету, не важно. Но ведь на частоте в десять раз меньшей он не может выдавать сигнал, способный к восприятию приемником? Или все-таки может?


Вернуться наверх
 
Не в сети
 Заголовок сообщения: Кварцевый генератор
СообщениеДобавлено: Вт янв 10, 2012 17:07:56 
Родился

Зарегистрирован: Вт янв 03, 2012 22:39:44
Сообщений: 5
Откуда: Краснодар
Рейтинг сообщения: 0
Какие преимущества использования кварца? Почему у него несколько резонансных частот?







Тема дубль. Поиском не пробовали пользоваться?
Здесь на форуме десяток тем про кварцы и кварцевые генераторы.
Вот хотя бы первая попавшаяся. Только с самого начала читайте тему.
Сюда перенес.

Еще про это я подробнее здесь писал.
http://vrtp.ru/index.php?showtopic=6079&st=0




aen


Вернуться наверх
 
Не в сети
 Заголовок сообщения: Re: Кварцевый генератор
СообщениеДобавлено: Вт янв 10, 2012 17:09:59 
Модератор
Аватар пользователя

Карма: 14
Рейтинг сообщений: 37
Зарегистрирован: Чт дек 11, 2008 14:52:26
Сообщений: 11492
Откуда: град Нижний
Рейтинг сообщения: 0
Getor писал(а):
Какие преимущества использования кварца?
Например - стабильность частоты..
Getor писал(а):
Почему у него несколько резонансных частот?
Правильнее будет - гармоник..
Но не все кварцы "гармониковые", некоторые могут возбуждаться только на основной частоте..

_________________
ИзображениеМежду людьми возникает напряжение, если у них разный потенциал...


Вернуться наверх
 
Не в сети
 Заголовок сообщения: Re: Обьясните, пожалуйста, про кварцевый резонатор
СообщениеДобавлено: Вт июл 06, 2021 08:59:41 
Родился

Зарегистрирован: Вт июл 06, 2021 08:43:45
Сообщений: 2
Рейтинг сообщения: 0
Добрый день. Интересует включение резонатора через цифровую логику (схема приложена). Про частоты и гармоники почитал, интересует вот что: с какой гармоникой предпочтительней выбирать кварц для более надежного запуска подобной схемы? Просто частота будет выше 20 МГц, а кварцы продаются и с 1-й, и с 3-й. Или при включении через микруху разницы нет? Еще бы хотелось подсказку по номиналу резистора в контуре (левого) ... оптимально или можно куда-то варьировать. И последнее, по нагрузочной емкости. Критична она для такого включения или нет? В прайсах указаны разные значения, а то и вовсе "без нагрузки"...
Заранее благодарю.


Вложения:
кварц на инверторе.png [9.22 KiB]
Скачиваний: 229
Вернуться наверх
 
Не в сети
 Заголовок сообщения: Re: Обьясните, пожалуйста, про кварцевый резонатор
СообщениеДобавлено: Вт июл 06, 2021 12:53:07 
Собутыльник Кота

Карма: 14
Рейтинг сообщений: 472
Зарегистрирован: Вс фев 02, 2020 09:12:37
Сообщений: 2804
Рейтинг сообщения: 0
когда разговор про 20 МГц, то будут вопросы и ваша "схема" без указания логики становится просто картинкой...В любом случае предпочтительнее резонатор на 1ю гармонику, а уж если нет, то изощряться с 3й....Если нет рабочей схемы, то придётся пробовать самому....


Вернуться наверх
 
Не в сети
 Заголовок сообщения: Re: Обьясните, пожалуйста, про кварцевый резонатор
СообщениеДобавлено: Вт июл 06, 2021 14:44:50 
Родился

Зарегистрирован: Вт июл 06, 2021 08:43:45
Сообщений: 2
Рейтинг сообщения: 0
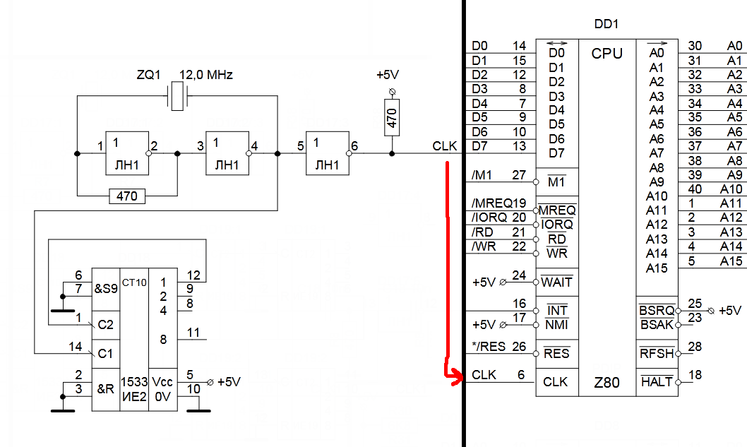
ммм ну вот схема не обрезанная, если нужно. Это типичная схема включения кварца в отечественных клонах Спектрума, например.
Собственно, работать и будет в некоем гибриде на Z80. Сигнал CLK идет сразу на процессор, его инверсная копия - на счетчик-делитель.
Целиком схему, полагаю, постить смысла нет - все, что касается кварца, изображено тут. ЛН1 - 1533ЛН1


Вложения:
кварц.png [77.21 KiB]
Скачиваний: 238
Вернуться наверх
 
Не в сети
 Заголовок сообщения: Re: Обьясните, пожалуйста, про кварцевый резонатор
СообщениеДобавлено: Вт июл 06, 2021 16:05:35 
Собутыльник Кота

Карма: 14
Рейтинг сообщений: 472
Зарегистрирован: Вс фев 02, 2020 09:12:37
Сообщений: 2804
Рейтинг сообщения: 0
паяйте и пробуйте, то, что работает на 8 МГц, не всегда заработает на 20...времени на пайку уходит меньше, чем на писанину...))))


Вернуться наверх
 
Не в сети
 Заголовок сообщения: Re: Обьясните, пожалуйста, про кварцевый резонатор
СообщениеДобавлено: Сб июл 10, 2021 12:47:12 
Это не хвост, это антенна

Карма: 20
Рейтинг сообщений: 444
Зарегистрирован: Пн июн 12, 2017 13:29:46
Сообщений: 1431
Рейтинг сообщения: 0
Вряд ли схема на логических элементах заведётся на гармонике. Будет шлёпать на основной частоте кварца. В Спектрумах кварцы не работали на гармониках, заводились на основной частоте. В АТМ-Турбо и в Ленинград ставили кварц на 14 МГц, в АТМ-Турбо это давало турбирование Z80 на 7 МГц (в Ленинграде делили на четыре до основной тактовой частоты).


Вернуться наверх
 
Не в сети
 Заголовок сообщения: Re: Обьясните, пожалуйста, про кварцевый резонатор
СообщениеДобавлено: Сб июл 10, 2021 16:56:22 
Друг Кота

Карма: -1
Рейтинг сообщений: 86
Зарегистрирован: Вт мар 13, 2012 12:16:13
Сообщений: 8876
Откуда: .ru
Рейтинг сообщения: 0
1818ВГ93 писал(а):
частота будет выше 20 МГц

1818ВГ93 писал(а):
ЛН1 - 1533ЛН1

Фиг его знает)) К155ЛН1 максимум до 18 МГц у меня работала )) Больше не хотела.
Для надежного запуска подобной схемы кварцы надо с 1-й гармоникой.
:tea:


Вернуться наверх
 
Не в сети
 Заголовок сообщения: Re: Обьясните, пожалуйста, про кварцевый резонатор
СообщениеДобавлено: Сб июл 10, 2021 17:14:17 
Это не хвост, это антенна

Карма: 20
Рейтинг сообщений: 444
Зарегистрирован: Пн июн 12, 2017 13:29:46
Сообщений: 1431
Рейтинг сообщения: 0
[quote="1818ВГ93"]Для надежного запуска подобной схемы кварцы надо с 1-й гармоникой.

Хотел бы я увидеть кварц без первой гармоники :D


Вернуться наверх
 
Не в сети
 Заголовок сообщения: Re: Обьясните, пожалуйста, про кварцевый резонатор
СообщениеДобавлено: Пт май 05, 2023 20:26:29 
Друг Кота

Карма: 6
Рейтинг сообщений: 303
Зарегистрирован: Вт авг 26, 2008 14:36:02
Сообщений: 5248
Откуда: москва
Рейтинг сообщения: 0
Чтобы получить из 28 56 надо сделать генератор на 28, потом удвоитель - фильтр на 56


Вернуться наверх
 
Не в сети
 Заголовок сообщения: Re: Обьясните, пожалуйста, про кварцевый резонатор
СообщениеДобавлено: Сб май 06, 2023 04:40:22 
Говорящий с текстолитом
Аватар пользователя

Карма: 17
Рейтинг сообщений: 181
Зарегистрирован: Пт дек 12, 2008 21:12:14
Сообщений: 1604
Откуда: Moscow
Рейтинг сообщения: 4
все резонаторы разные. Для того чтобы генератор работал стабильно
нужно скомпенсировать проходную емкость резонатора.
Вы наверное заметили в разных схемах подключенные
конденсаторы с обкладок резонатора на землю.
Получается емкостной делитель. Иначе велика возможность
генерации не на частоте резонатора.
Для ВЧ генераторов на механических гармониках
применяют параллельно кварцу индуктивность которая
вместе с емкостью резонатора образует контур настроенный
на частоту нужной механической гармоники.
Таким образом компенсируется проходная емкость резонатора
В обычных кварцевых генераторах частоты две
одна если генератор с параллельным резонансом
вторая если с последовательным резонансом т е
с кварцем в цепи обратной связи. И эту обратную связь
нужно отрегулировать так чтобы генерация была устойчивой
и форма колебаний была без (ну там на фронтах звон
Отличается резонансным промежутком. Полно материала
на эту тему Например у Реда или у Лабутина была статья
в журнале Радио, а сам он в свое время возглавлял
лабораторию пъезокварцевой техники НИИ Радиосвязи
Ну так его уже нет как нет и МНИИРС (развалился)

_________________
Еси хочешь чтоб комп был быстрым - ставь Пингвин,- он будет чистым


Вернуться наверх
 
Показать сообщения за:  Сортировать по:  Вернуться наверх
Начать новую тему Ответить на тему  [ Сообщений: 37 ]    , 2

Часовой пояс: UTC + 3 часа


Кто сейчас на форуме

Сейчас этот форум просматривают: нет зарегистрированных пользователей и гости: 21


Вы не можете начинать темы
Вы не можете отвечать на сообщения
Вы не можете редактировать свои сообщения
Вы не можете удалять свои сообщения
Вы не можете добавлять вложения

Найти:
Перейти:  


Powered by phpBB © 2000, 2002, 2005, 2007 phpBB Group
Русская поддержка phpBB
Extended by Karma MOD © 2007—2012 m157y
Extended by Topic Tags MOD © 2012 m157y