Например TDA7294

Форум РадиоКот • Просмотр темы - Блок питания АТХ выдает низкие напряжения по всем выходам
Форум РадиоКот
Здесь можно немножко помяукать :)

Текущее время: Пт ноя 28, 2025 20:11:28

Часовой пояс: UTC + 3 часа


ПРЯМО СЕЙЧАС:



Начать новую тему Ответить на тему  [ Сообщений: 22 ]  1,  
Автор Сообщение
Не в сети
 Заголовок сообщения: Блок питания АТХ выдает низкие напряжения по всем выходам
СообщениеДобавлено: Чт фев 04, 2010 18:43:51 
Первый раз сказал Мяу!
Аватар пользователя

Зарегистрирован: Чт фев 04, 2010 17:42:34
Сообщений: 26
Откуда: Хабаровск
Рейтинг сообщения: 0
Аларм.... Аларм... Катастроффн!!!!

Всем доброго времени суток :)
Помогите решить проблему с неисправным блоком питания ПК (схему прилагаю)

Симптомы таковы:
При подаче на БП сетевого напряжения (как с лампочкой так и без) на выходе дежурного напряжения появляются как и положено +5 В.
При замыкании контакта PS-ON на землю на выходах появляются рабочие напряжения, запускается вентилятор... но все напряжения пониженные примерно на треть (вместно +5 есть +3,5 и т.д.).
В качестве нагрузки цеплял жёсткий диск.

Выпрямитель в силовой входной цепи:
напряжения на конденсаторах в норме как в рабочем, так и дежурном режиме (по 160 В на каждом электролите);
пробоев и обрывов нет.

Силовой транзисторный каскад:
проверял без пристрастия, но вроде всё в норме без пробоев и обрывов.

Проверил работу схемы ШИМ и каскад управления (ШИМ поменял на всякий случай):
питание в дежурном режиме +17 В, в рабочем +27 В;
опорное напряжение формируется +5 В;
на генераторе - пила;
на выходах микросхемы - прямоугольные импульсы;
на управляющем каскаде (транзисторы) - прямоугольные импульсы тоже.
Проверил ещё резисторы R16 и R15, которые идут от выходных напряжений к усилителю ошибки ШИМ (подключены на н.1 ШИМ) - соответствуют номиналу.

Выходной выпрямительный каскад:
пробитых диодов нету;
заменил поголовно все электролиты (парочка была с пониженными ёмкостями и утечками);
замыканий и обрывов не нашёл.

Линейка компараторов защиты и формирования сигнала PG (поменял компаратор так же):
тут какая-то непонятность.... уровень сигнала, поступающий от выходных рабочих цепей, положительный, но очень низкий + 0,68 В... такое впечатление, что защита не даёт разрешение на работу (ведь напряжение на выходах низкое), но не глушит БП полностью.
Сигнал PG на выходе компаратора низкий +3,5 В.
Но неисправных навесных элементов не нашёл.

Блок при работе не шумит и не греется, но напряжений нормальных не даёт. Мне кажется, что по какой-то причине ШИМ не может сформировать импульсы большей длительности. Даже не знаю, что ещё проверить! :shock:


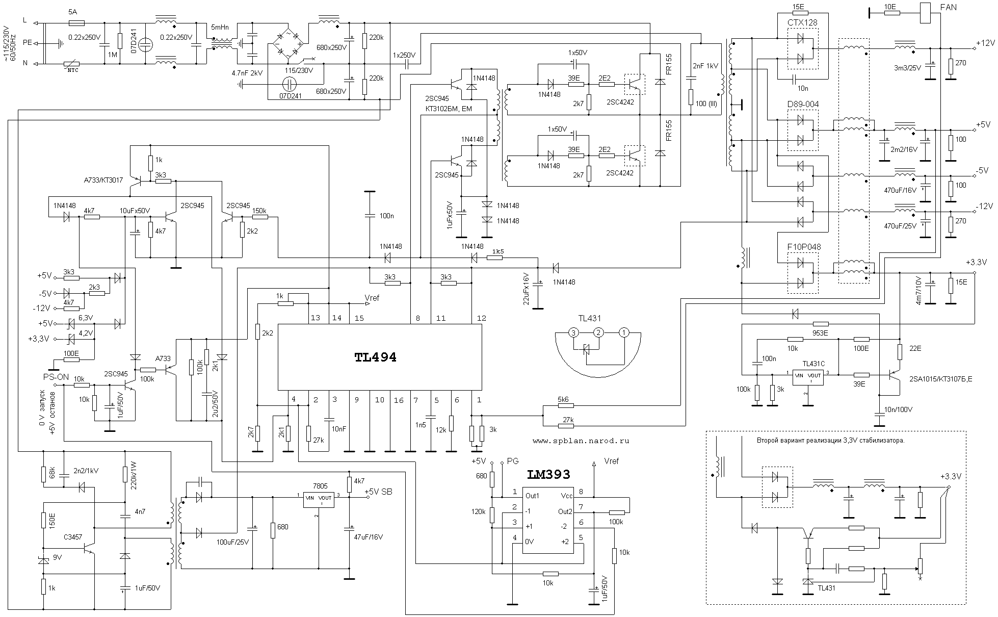
Вложения:
Комментарий к файлу: Эта вот схема и есть
shido_atx-250w.jpg [175.71 KiB]
Скачиваний: 4168
Вернуться наверх
 
Не в сети
 Заголовок сообщения:
СообщениеДобавлено: Чт фев 04, 2010 18:54:42 
Модератор
Аватар пользователя

Карма: 14
Рейтинг сообщений: 37
Зарегистрирован: Чт дек 11, 2008 14:52:26
Сообщений: 11492
Откуда: град Нижний
Рейтинг сообщения: 0
Цепи Обратной Связи могут шалить...


Вернуться наверх
 
Не в сети
 Заголовок сообщения:
СообщениеДобавлено: Чт фев 04, 2010 19:25:24 
Первый раз сказал Мяу!
Аватар пользователя

Зарегистрирован: Чт фев 04, 2010 17:42:34
Сообщений: 26
Откуда: Хабаровск
Рейтинг сообщения: 0
Не очень я силён в электронике... от случая к случаю только...

а что именно посмотреть?


Вернуться наверх
 
Не в сети
 Заголовок сообщения:
СообщениеДобавлено: Чт фев 04, 2010 22:57:01 
Вымогатель припоя
Аватар пользователя

Карма: 1
Рейтинг сообщений: 44
Зарегистрирован: Пн окт 06, 2008 19:47:07
Сообщений: 596
Откуда: Донбасс. г. Луганск
Рейтинг сообщения: 0
Жесткого диска может быть маловасто.
Диск в топку:)
Подкинь по +5 лампочку от фары автомобиля, и опять померяй напруги, а дальше видно будет. :wink:


Вернуться наверх
 
Эиком - электронные компоненты и радиодетали
Не в сети
 Заголовок сообщения:
СообщениеДобавлено: Пт фев 05, 2010 01:42:22 
Первый раз сказал Мяу!
Аватар пользователя

Зарегистрирован: Чт фев 04, 2010 17:42:34
Сообщений: 26
Откуда: Хабаровск
Рейтинг сообщения: 0
Подколючал на вход сопротивление 0,15 Ом... напряжение садится на всех выходах... не вытягивает блок питания.

Потом подключил на свой страх и риск мамку и жесткий диск (комп промышленный и числится в неисправных, хотя неисправен только БП)... так вот... БП не может обеспечить его нормальную работу... пытается запуститься, кое-как крутит вентилятор... и всё :(

а диск и мамка живые... я их проверял с тестовым БП... всё работает


Вернуться наверх
 
Не в сети
 Заголовок сообщения:
СообщениеДобавлено: Пт фев 05, 2010 01:53:20 
Друг Кота
Аватар пользователя

Карма: 46
Рейтинг сообщений: 977
Зарегистрирован: Ср май 28, 2008 00:32:54
Сообщений: 7616
Откуда: г. Россия
Рейтинг сообщения: 0
Блок питания просто не может разогнать полную мощность.
Поэтому напруга должна плавать от нагрузки.

Проверьте неисправность одного из силовых транзисторов Q01 и Q02.
Проверьте диоды D3.....D6.
Поменяйте кондёры С7, С8, С9 и С40, С22.

Потом нужно проверить транзисторы Q3 и Q4, диоды D12 и D19.


Вернуться наверх
 
Не в сети
 Заголовок сообщения:
СообщениеДобавлено: Пт фев 05, 2010 03:41:03 
Первый раз сказал Мяу!
Аватар пользователя

Зарегистрирован: Чт фев 04, 2010 17:42:34
Сообщений: 26
Откуда: Хабаровск
Рейтинг сообщения: 0
Конденсаторы С9 менял не помогло, электролит С22 в дежурке тоже в норме.... после отключения БП от сети держит напряжения 5В довольно долго (без нагрузки конечно).

Остальное буду выпаивать тогда и мерить.... Спасибо :)


Вернуться наверх
 
Не в сети
 Заголовок сообщения:
СообщениеДобавлено: Пт фев 05, 2010 03:51:59 
Первый раз сказал Мяу!
Аватар пользователя

Зарегистрирован: Чт фев 04, 2010 17:42:34
Сообщений: 26
Откуда: Хабаровск
Рейтинг сообщения: 0
Кстати, проводил такой эксперемент:
параллельно резисторам R33, 35 и 69 (подключены к ножке 1 ШИМ) подпаивал ещё одно сопротивление 10 кОм... величина положительного сигнала снизилась и ШИМ попыталась увеличить ширину импульсов..... ширина импульсов увеличилась, но незначительно... напряжение на выходе +5 В повысилось с 3,5 до 3,8 В.... короче, помогло мало :(


Вернуться наверх
 
Не в сети
 Заголовок сообщения:
СообщениеДобавлено: Пт фев 05, 2010 10:49:49 
Вымогатель припоя
Аватар пользователя

Карма: 1
Рейтинг сообщений: 44
Зарегистрирован: Пн окт 06, 2008 19:47:07
Сообщений: 596
Откуда: Донбасс. г. Луганск
Рейтинг сообщения: 0
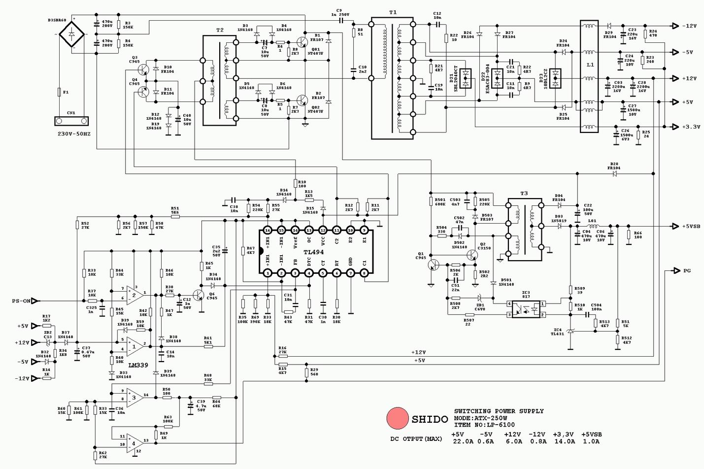
Схема не полная - не хватает входных фильтров и элемента NTS, иногда в нем бывает проблема.
С шима сигналы усиливаются транзисторами, сигналы должны быть не только ровными, но и одинаковыми по форме и амплитуде. В их эмиттерах стоит кондерчик,надо проверить.
Также немаловажно проверить кондерчики и остальные элементы в базовых цепях выходного каскада


Вложения:
atx.gif [56.12 KiB]
Скачиваний: 2304
Вернуться наверх
 
Не в сети
 Заголовок сообщения:
СообщениеДобавлено: Пт фев 05, 2010 11:00:29 
Модератор
Аватар пользователя

Карма: 46
Рейтинг сообщений: 236
Зарегистрирован: Чт окт 27, 2005 18:50:07
Сообщений: 11169
Откуда: из мест не столь отдалённых
Рейтинг сообщения: 0
Медали: 2
Получил миской по аватаре (1) Мявтор 3-й степени (1)
Диоды выпрямителей вторичных напряжений на обрыв не проверяли? Заодно и дроссель групповой стабилизации.


Вернуться наверх
 
Не в сети
 Заголовок сообщения:
СообщениеДобавлено: Пт фев 05, 2010 12:05:03 
Друг Кота
Аватар пользователя

Карма: 8
Рейтинг сообщений: 28
Зарегистрирован: Вс мар 22, 2009 17:31:41
Сообщений: 4077
Рейтинг сообщения: 0
У меня было 2 подобных случая.
В первом заменил ШИМ контроллер.(после прогрева напряжение садилось)
Во втором в управляющем трансформаторе между сердечниками появился зазор и напряжение падало на половину на всех каналах.(прошлось менять трансформатор)

_________________
Раз reset, два reset - полyчи на диске bad !
Тpанзистоp p-n-p. Plug-n-Play ?
У кого что сбоит, тот о том и говорит.


Вернуться наверх
 
Не в сети
 Заголовок сообщения:
СообщениеДобавлено: Пт фев 05, 2010 14:42:13 
Первый раз сказал Мяу!
Аватар пользователя

Зарегистрирован: Чт фев 04, 2010 17:42:34
Сообщений: 26
Откуда: Хабаровск
Рейтинг сообщения: 0
Сообщение для всех принявших участие в судьбе моего блока питания, но особенно для lluganet (с благодарностью)!!!!

Схема действительно не полная, нет схемки стабилизации напряжения +3,3 В, а в натуре она присутствует!

Так вот... в схеме стабилизации похоже имеется неисправная микросхема стабилизатора TL431 и такой же неисправный p-n-p транзистор А1015. При прозвонке они сильно отличаются от новых элементов.
Например, старый транзистор в переходе Б-К показывает бесконечность независимо от приложенной полярности напряжения, а новый только при обратной полярности (как и должно быть).
Аналогично и с микросхемой стабилизатора (не звонится никак).

Сейчас не могу проверить на сколько это поможет блоку питания, поскольку доберусь до него только в понедельник, но полагаю, что от такой неисправности уровень выходного напряжения может подсесть.

И ещё вывод... надо тщательней изучать и сравнивать схему и печатную плату и не пропускать "незначительных" на вид элементов!!! :)

PS:
А так в целом плату облазил всю, проверил на ёмкость все электролиты и конденсаторы в задающем генераторе, выпаял и прозвонил все диоды и транзисторы.... короче! всё целое, кроме выше указанных двух элементов.

_________________
Надо было родиться Буратиной.... куда я только свой нос не засунул... теперь вот в электронику...


Вернуться наверх
 
Не в сети
 Заголовок сообщения:
СообщениеДобавлено: Пт фев 05, 2010 15:27:11 
Вымогатель припоя
Аватар пользователя

Карма: 1
Рейтинг сообщений: 44
Зарегистрирован: Пн окт 06, 2008 19:47:07
Сообщений: 596
Откуда: Донбасс. г. Луганск
Рейтинг сообщения: 0
Конечно, обязательно просядут остальные. Если вместо 3.3в попытается выдать чуть больше, схема стабилизации будет подперать шим. Чето я про него совсем и забыл :( , а ведь встречалось же...


Вернуться наверх
 
Не в сети
 Заголовок сообщения:
СообщениеДобавлено: Пт фев 05, 2010 17:28:20 
Друг Кота
Аватар пользователя

Карма: 46
Рейтинг сообщений: 977
Зарегистрирован: Ср май 28, 2008 00:32:54
Сообщений: 7616
Откуда: г. Россия
Рейтинг сообщения: 0
Роланд писал(а):
электролит С22 в дежурке тоже в норме.... после отключения БП от сети держит напряжения 5В довольно долго (без нагрузки конечно).

С22 стоит не на дежурку, а на питание задающего генератора TL494.


Вернуться наверх
 
Не в сети
 Заголовок сообщения:
СообщениеДобавлено: Пт фев 05, 2010 19:18:46 
Первый раз сказал Мяу!
Аватар пользователя

Зарегистрирован: Чт фев 04, 2010 17:42:34
Сообщений: 26
Откуда: Хабаровск
Рейтинг сообщения: 0
согласен, но не столь суть важно как его (конденсатор назвать)... всё равно это напряжение не только от основного источника, но и от дополнительного...

_________________
Надо было родиться Буратиной.... куда я только свой нос не засунул... теперь вот в электронику...


Вернуться наверх
 
Не в сети
 Заголовок сообщения:
СообщениеДобавлено: Сб фев 06, 2010 05:52:17 
Друг Кота
Аватар пользователя

Карма: 46
Рейтинг сообщений: 977
Зарегистрирован: Ср май 28, 2008 00:32:54
Сообщений: 7616
Откуда: г. Россия
Рейтинг сообщения: 0
Роланд писал(а):
согласен, но не столь суть важно как его (конденсатор назвать)...

Это важно
1)Кондёры дежурки это С04 и С06.
2)Кондёр С22 сглаживает питание основного ШИМ (TL494) контроллера в дежурном режиме БП, если он высохнет питание будет зашумлено импульсными помехами и будет сильно занижено.
Напряжение на С22 должно быть в районе 10в в дежурном режиме.

В рабочем режиме питание подаётся с основного БП через диод D28.
Но чтобы оно появилось нужно чтобы БП разогнался до 12в.
Чего у вас не происходит, как я понимаю. :roll:

Роланд писал(а):
всё равно это напряжение не только от основного источника, но и от дополнительного...

Вот тут не понял :shock:


Вернуться наверх
 
Не в сети
 Заголовок сообщения:
СообщениеДобавлено: Сб фев 06, 2010 13:14:30 
Вымогатель припоя
Аватар пользователя

Карма: 1
Рейтинг сообщений: 44
Зарегистрирован: Пн окт 06, 2008 19:47:07
Сообщений: 596
Откуда: Донбасс. г. Луганск
Рейтинг сообщения: 0
SLvik

Немного не согласен с вами.
На С 22 (это просто схема не самая лучшая) напруга обычно не менее 12в а то и до 17 . Например взгляните на схему которую я скидывал, там питание ШИМ берется до фильтра групповой стабилизации и у него свой выпрямитель.


Вернуться наверх
 
Не в сети
 Заголовок сообщения:
СообщениеДобавлено: Сб фев 06, 2010 13:58:40 
Первый раз сказал Мяу!
Аватар пользователя

Зарегистрирован: Чт фев 04, 2010 17:42:34
Сообщений: 26
Откуда: Хабаровск
Рейтинг сообщения: 0
"не столь суть важно...", потому что конденсатор С22 в норме (проверял на измерителе иммитанса) и он соответствует своему номиналу в 100 мкФ и без утечек даже. И напряжение на нём в дежурном режиме действительно 17 В (я указывал в самом начале), а в рабочем аж 27 В с лишним (и это с учетом, что у меня выходное напряжение + 12В "просажено" до +8,5 В).
И судя по моей схеме С22 сглаживает пульсации напряжения, питающего ШИМ, как предварительного (от вспомогательного трансформатора), так рабочего 12 В (катоды диодов D04 и D28 подключены к положительной обкладке С22 в одной точке). Хотя рабочее напряжение вроде как уже сглажено своими конденсаторами С03 и С28 :)

А вот что мне не понятно (просто не понятно :) ), так это, что напряжение в рабочем режиме увеличивается до этих самых 27 В. Ведь дежурное напряжение 17 В больше рабочего 12 В и диод D28 по идее вообще не должен открываться......?????

_________________
Надо было родиться Буратиной.... куда я только свой нос не засунул... теперь вот в электронику...


Вернуться наверх
 
Не в сети
 Заголовок сообщения:
СообщениеДобавлено: Сб фев 06, 2010 14:30:39 
Друг Кота
Аватар пользователя

Карма: 44
Рейтинг сообщений: 601
Зарегистрирован: Вс мар 04, 2007 11:39:00
Сообщений: 4469
Откуда: Ukraine, Kyiv
Рейтинг сообщения: 0
Роланд писал(а):
А вот что мне не понятно, так это, что напряжение в рабочем режиме увеличивается до этих самых 27 В. Ведь дежурное напряжение 17 В больше рабочего 12 В и диод D28 по идее вообще не должен открываться......?????

О! Еще один "путник", заблудившийся в трех соснах!.. lluganet ведь Вам четко и ясно написАл:
lluganet писал(а):
...питание ШИМ берется до фильтра групповой стабилизации и у него свой выпрямитель.
На ДГС поступают импульсы постоянного напряжения (эти самые 27 В), но вариируемой длительности, а дроссель их интегрирует, выделяя среднее значение, равное площади импульсов. Если брать из ДО дросселя, то происходит их детектирование до амплитудного значения. Просто, как угол дома. Если немножко подумкать, конечно.

_________________
Выслушай и противную сторону, даже если она и противна


Вернуться наверх
 
Не в сети
 Заголовок сообщения:
СообщениеДобавлено: Сб фев 06, 2010 14:32:53 
Друг Кота
Аватар пользователя

Карма: 44
Рейтинг сообщений: 601
Зарегистрирован: Вс мар 04, 2007 11:39:00
Сообщений: 4469
Откуда: Ukraine, Kyiv
Рейтинг сообщения: 0
Роланд писал(а):
А вот что мне не понятно, так это, что напряжение в рабочем режиме увеличивается до этих самых 27 В. Ведь дежурное напряжение 17 В больше рабочего 12 В и диод D28 по идее вообще не должен открываться......?????

О! Еще один "путник", заблудившийся в трех соснах!.. lluganet ведь Вам четко и ясно написАл (правда, "дроссель" назвал "фильтром"):
lluganet писал(а):
...питание ШИМ берется до дросселя групповой стабилизации и у него свой выпрямитель.
На ДГС поступают импульсы постоянного напряжения (эти самые 27 В), но различной длительности, а дроссель их интегрирует, выделяя среднее значение, равное площади. Если брать их ДО дросселя, то происходит их детектирование до амплитудного значения. Просто, как угол дома. Если немножко подумкать, конечно.

Если преобразователь, в принципе, работает, надо глянуть, что творится на 4-й ножке микросхемы. Возможно, так присутствует какое-то положительное напряжение, уменьшающее длительность импульсов, что и ведет в итоге к занижению выходных напряжений.

_________________
Выслушай и противную сторону, даже если она и противна


Вернуться наверх
 
Показать сообщения за:  Сортировать по:  Вернуться наверх
Начать новую тему Ответить на тему  [ Сообщений: 22 ]  1,  

Часовой пояс: UTC + 3 часа


Кто сейчас на форуме

Сейчас этот форум просматривают: нет зарегистрированных пользователей и гости: 18


Вы не можете начинать темы
Вы не можете отвечать на сообщения
Вы не можете редактировать свои сообщения
Вы не можете удалять свои сообщения
Вы не можете добавлять вложения

Найти:
Перейти:  


Powered by phpBB © 2000, 2002, 2005, 2007 phpBB Group
Русская поддержка phpBB
Extended by Karma MOD © 2007—2012 m157y
Extended by Topic Tags MOD © 2012 m157y