Например TDA7294

Форум РадиоКот • Просмотр темы - Вентилятор 3 pin в 4 pin разъем с регул., переходник, схема
Форум РадиоКот
Здесь можно немножко помяукать :)

Текущее время: Сб янв 31, 2026 21:59:45

Часовой пояс: UTC + 3 часа


ПРЯМО СЕЙЧАС:



Начать новую тему Ответить на тему  [ Сообщений: 149 ]    , , , , 5, , ,  
Автор Сообщение
Не в сети
 Заголовок сообщения: Re: Вентилятор 3 pin в 4 pin разъем с регул., переходник, сх
СообщениеДобавлено: Пт апр 27, 2018 21:17:31 
Сверлит текстолит когтями
Аватар пользователя

Карма: 9
Рейтинг сообщений: 19
Зарегистрирован: Ср мар 10, 2010 22:28:34
Сообщений: 1292
Откуда: Запад Беларуси
Рейтинг сообщения: 0
Да ну, какие 200Вт. Обычные компьютерные вентиляторы на 8 и 12см. Там 0,5А максимум.
По ходу это окончательный вариант:
Изображение

_________________
Изображение
Изображение


Вернуться наверх
 
Не в сети
 Заголовок сообщения: Re: Вентилятор 3 pin в 4 pin разъем с регул., переходник, сх
СообщениеДобавлено: Пт апр 27, 2018 23:00:11 
Друг Кота

Карма: 28
Рейтинг сообщений: 568
Зарегистрирован: Чт май 05, 2011 21:26:34
Сообщений: 4550
Откуда: Украина, Славутич
Рейтинг сообщения: 0
Тихо ржу... с ума посходили? 100А полевик ставить на вентик макс. 0.5А? Буд-то послабее полевиков вообще не бывает. И это не LogicLevel полевик, его сложно будет ШИМ-ом без драйвера раскачать даже на 5 вольтах.

Даташит открываем, входная емкость - 6300пФ, с таким резистором частота среза фильтра резистор-полевик будет на уровне 54кГц, если 8 бит ШИМ будет на частоте выше 6кГц, то на полевик 100% будет работать в линейном режиме не успевая открываться. Тут для гарантии надо будет наверно герц 100-200 ШИМ подавать.

Возьми полевик хотябы irlml2502.


Вернуться наверх
 
Не в сети
 Заголовок сообщения: Re: Вентилятор 3 pin в 4 pin разъем с регул., переходник, сх
СообщениеДобавлено: Сб апр 28, 2018 10:40:55 
Друг Кота
Аватар пользователя

Карма: 95
Рейтинг сообщений: 2428
Зарегистрирован: Пт май 18, 2007 22:56:58
Сообщений: 26671
Рейтинг сообщения: 0
Тихо ржу... с ума посходили?
Ну видимо что есть то и ставят.
У меня дохера IRLZ44, хочу его попробовать приколхозить. Если что, можно резистор уменьшить... может вытянет.

А какая частота реально, кто знает? Мы чет ни#уя не знаем, ни мощность выхода, ни частоту.
Я однажды перепутал провода и подключил вентилятор на этот шим выход - и услышал писк из вентилятора, довольно низкочастотный (меньше 1 кгц), как ни странно (вентилятор не работал, не вращался).

Возьми полевик хотябы irlml2502.
Маломощный клоп. А если 2-3 мощных вентилятора кто повесит - он уже на пределе будет, куда его паять? Под него печатка нужна, для охлаждения в том числе. Из крайности в крайность тоже плохо.

_________________
Не променяю медь на ржавую несгорайку!


Вернуться наверх
 
Не в сети
 Заголовок сообщения: Re: Вентилятор 3 pin в 4 pin разъем с регул., переходник, сх
СообщениеДобавлено: Сб апр 28, 2018 19:34:12 
Друг Кота

Карма: 28
Рейтинг сообщений: 568
Зарегистрирован: Чт май 05, 2011 21:26:34
Сообщений: 4550
Откуда: Украина, Славутич
Рейтинг сообщения: 0
Ну тут и гадать не надо, простой расчет и видишь сразу вытянет или нет. Надо учесть что выход контроллера тоже ограничен по току, даже если меньше резистор поставишь это может не помочь т.к. просядет уже выход.
Так-то полевики по затвору гоняют ток по пол ампера, чтобы он побыстрее открывался/закрывался.


Вернуться наверх
 
Эиком - электронные компоненты и радиодетали
Не в сети
 Заголовок сообщения: Re: Вентилятор 3 pin в 4 pin разъем с регул., переходник, сх
СообщениеДобавлено: Вт май 01, 2018 19:33:03 
Сверлит текстолит когтями
Аватар пользователя

Карма: 9
Рейтинг сообщений: 19
Зарегистрирован: Ср мар 10, 2010 22:28:34
Сообщений: 1292
Откуда: Запад Беларуси
Рейтинг сообщения: 0
Да, IRLML2502 по даташиту только в SOT23. Разве что платка 14х8мм:
Изображение
По 2-3 вентилятора вешать не буду. Думал подпаять на провод вентилятора и закрыть термоусадкой.

_________________
Изображение
Изображение


Вернуться наверх
 
Не в сети
 Заголовок сообщения: Re: Вентилятор 3 pin в 4 pin разъем с регул., переходник, сх
СообщениеДобавлено: Вс ноя 18, 2018 13:02:26 
Родился

Зарегистрирован: Вс ноя 18, 2018 12:53:48
Сообщений: 9
Рейтинг сообщения: 0
Привет. Собрал такую схему, скорость регулируется очень слабо. Может, процентов на 25 от диапазона. К примеру, макс. 2300 оборотов, мин. 1800. Плата asus p5ql-e, вентилятор zalman 9500. Соответственно, как модифицировать, чтобы регулировалась в широких пределах? В идеале, до нуля. Скорость замерял встроенной программой AI Suite, там есть калибровка от 20% до 100%. На низких оборотах (ниже 1200) начинает сбоить датчик скорости (такие обороты получил при подключении через реобас и эту схему последовательно).
Изображение


Вернуться наверх
 
Не в сети
 Заголовок сообщения: Re: Вентилятор 3 pin в 4 pin разъем с регул., переходник, сх
СообщениеДобавлено: Вс ноя 18, 2018 14:08:23 
Друг Кота
Аватар пользователя

Карма: 1
Рейтинг сообщений: 179
Зарегистрирован: Пн окт 11, 2010 19:00:08
Сообщений: 3382
Рейтинг сообщения: 0
После транзистора нужно ставить катушку, диод Шоттки и конденсатор. Как в импульсных преобразователях напряжения.


Вернуться наверх
 
Не в сети
 Заголовок сообщения: Re: Вентилятор 3 pin в 4 pin разъем с регул., переходник, сх
СообщениеДобавлено: Вс ноя 18, 2018 14:15:15 
Друг Кота

Карма: 28
Рейтинг сообщений: 568
Зарегистрирован: Чт май 05, 2011 21:26:34
Сообщений: 4550
Откуда: Украина, Славутич
Рейтинг сообщения: 0
Вообще-то должно сбоить всегда. Такие кулеры не предназначены для работы с ШИМ - выходной сигнал сенсора модулируется питающим напряжением и получается бред. У вас похоже просто не успевают переключаться транзисторы. Схема безграмотная... KT814 зачем там? Неужели нельзя поставить полевик?


Вернуться наверх
 
Не в сети
 Заголовок сообщения: Re: Вентилятор 3 pin в 4 pin разъем с регул., переходник, сх
СообщениеДобавлено: Вс ноя 18, 2018 18:42:48 
Родился

Зарегистрирован: Вс ноя 18, 2018 12:53:48
Сообщений: 9
Рейтинг сообщения: 0
В первом посте есть ссылка на эту схему. Это то, что находится интернетом.
Можете показать на картинке, что менять? Сам слабо разбираюсь.
Или нужно делать, опять же, как в первом посте - "разобрать вентилятор и вывести пару проводов - запитать микросхему от постоянного питания, а катушками уже рулить через транзистор" - опять же, там один транзистор, или?


Вернуться наверх
 
Не в сети
 Заголовок сообщения: Re: Вентилятор 3 pin в 4 pin разъем с регул., переходник, сх
СообщениеДобавлено: Вс ноя 18, 2018 19:33:07 
Друг Кота
Аватар пользователя

Карма: 1
Рейтинг сообщений: 179
Зарегистрирован: Пн окт 11, 2010 19:00:08
Сообщений: 3382
Рейтинг сообщения: 0
Вот смотрите. http://gyrator.ru/power-ponizhayuschii
После транзистора нужно поставить диод Шоттки, катушку и конденсатор.


Вернуться наверх
 
Не в сети
 Заголовок сообщения: Re: Вентилятор 3 pin в 4 pin разъем с регул., переходник, сх
СообщениеДобавлено: Вс ноя 18, 2018 21:45:45 
Друг Кота

Карма: 28
Рейтинг сообщений: 568
Зарегистрирован: Чт май 05, 2011 21:26:34
Сообщений: 4550
Откуда: Украина, Славутич
Рейтинг сообщения: 0
Оно всё безграмотное. Во первых, встроенный датчик скорости использовать не выйдет, он скорей всего совмещён с схемой управления обмотками и отвязать его от питания вентилятора не выйдет, поэтому нужен внешний датчик холла, который должен быть запитан от постоянного питания до этой схемы.
Транзисторы на этой схеме вижу вообще выбраны наобум, какие были у автора. А на деле, там хватит какого-то мелкого P-канального полевика, или вовсе прерывать питание в "-" вентилятора и обойтись одним мелким N-канальным полевиком вроде irlml2502.


Вернуться наверх
 
Не в сети
 Заголовок сообщения: Re: Вентилятор 3 pin в 4 pin разъем с регул., переходник, сх
СообщениеДобавлено: Вс ноя 18, 2018 23:26:34 
Поставщик валерьянки для Кота
Аватар пользователя

Карма: 42
Рейтинг сообщений: 161
Зарегистрирован: Вт июл 27, 2010 11:31:59
Сообщений: 2209
Откуда: Кххх
Рейтинг сообщения: 0
Проблема была - не регулируется 3хпроводной кулер на 4х пиновом разъеме у j1900i-c.
Питание на 4х пиновом разъеме на маман выведено прямо на 12В разъем , понятно почему трех пиновые не регулировались.
Ради интереса посмотрел скопом, что творится на шим пине - там 3В, шим сигнал с соответствующим заполнением.
У меня вся эта возня закончилась покупкой китайского вентилятора с 4 пинами... Материнка холодная и вентилятор в основном стоит....

Пока шли вентиляторы нашел забавный форум: автор oPossum предложил прибор для проверки 4 проводных вентиляторов и несколько схем переходников 4-3 также графики их работы в координатах заполнение шим - скорость.

https://www.eevblog.com/forum/projects/ ... b0ug98djt6
Вот к примеру линейная версия,
СпойлерИзображение

Печатка smd.
https://radiokot.ru/forum/download/file.php?id=318345
Там есть еще микроконтроллерная версия клона переходника Nanoxia PWMX с исходником
СпойлерИзображение


Вложения:
Комментарий к файлу: Исходник микропрограммы клона
fsc.asm [5.41 KiB]
Скачиваний: 845
Комментарий к файлу: клон
pwmx_clone.png [21.43 KiB]
Скачиваний: 1808
Комментарий к файлу: Печатка аналоговой платы
PWM.zip [13.28 KiB]
Скачиваний: 694
Комментарий к файлу: Схема аналоговой платы
pc_fan_speed_linear_adjustable.png [18.71 KiB]
Скачиваний: 1973
Вернуться наверх
 
Не в сети
 Заголовок сообщения: Re: Вентилятор 3 pin в 4 pin разъем с регул., переходник, сх
СообщениеДобавлено: Пн ноя 19, 2018 11:32:39 
Родился

Зарегистрирован: Вс ноя 18, 2018 12:53:48
Сообщений: 9
Рейтинг сообщения: 0
На другом компе, с другим кулером, эта схема работает, но там и так есть выбор - Voltage или PWM.
Или что ещё может отличаться? Уровни сигнала?
На первом компе не работает с этим же кулером.
Вроде напряжение у этих плат одно и то же на PWM - 5 вольт.

Только есть некоторая странность - вроде на 40% оборотов крутится быстрее, чем на 50%.


Вернуться наверх
 
Не в сети
 Заголовок сообщения: Re: Вентилятор 3 pin в 4 pin разъем с регул., переходник, сх
СообщениеДобавлено: Пн ноя 19, 2018 13:18:42 
Первый раз сказал Мяу!

Зарегистрирован: Ср авг 22, 2018 22:44:21
Сообщений: 26
Рейтинг сообщения: 0
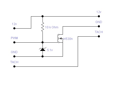
Есть задача, подключить 3pin вентилятор к мамке с ШИМ и что-бы ШИМ работал, нашел такую схему в сети.
Как она по вашему?
Изображение


Вложения:
PWM to 3-pin.jpg [15.65 KiB]
Скачиваний: 5716
Вернуться наверх
 
Не в сети
 Заголовок сообщения: Re: Вентилятор 3 pin в 4 pin разъем с регул., переходник, сх
СообщениеДобавлено: Пн ноя 19, 2018 14:08:02 
Друг Кота
Аватар пользователя

Карма: 123
Рейтинг сообщений: 7959
Зарегистрирован: Сб сен 13, 2014 16:27:32
Сообщений: 39199
Откуда: СпиртоГонск созвездия Омега
Рейтинг сообщения: 0
я вот 5 страниц не могу понять неужели настока все онищали что не могут купить новый вертущ с нужным разьемром заметьте я о внтиляторе толка хотя чаще можно улер всборе менять но если см кулер хорош просто меняем вертухая и живем счастьлива а все эти костыли в современых компах еах 6нога для осла

Добавлено after 6 minutes 32 seconds:
Re: Вентилятор 3 pin в 4 pin разъем с регул., переходник, схема
в некоторых вертушках плата универсалная но часть сжемы не собрана тогда это лучше допилка вентиля чем навесные костыли...

_________________
ZМудрость(Опыт и выдержка) приходит с годами.
Все Ваши беды и проблемы, от недостатка знаний.
Умный и у дурака научится, а дураку и ..
Алберт Ейнштейн не поможет и ВВП не спасет.и МЧС опаздает


Вернуться наверх
 
Не в сети
 Заголовок сообщения: Re: Вентилятор 3 pin в 4 pin разъем с регул., переходник, сх
СообщениеДобавлено: Пн ноя 19, 2018 15:16:36 
Первый раз сказал Мяу!

Зарегистрирован: Ср авг 22, 2018 22:44:21
Сообщений: 26
Рейтинг сообщения: 0
В местных железячных магазинах их в продаже нету, только 3pin.
Только в ДНСе есть по 700Р, меня комп меньше стоит)))


Вернуться наверх
 
Не в сети
 Заголовок сообщения: Re: Вентилятор 3 pin в 4 pin разъем с регул., переходник, сх
СообщениеДобавлено: Пн ноя 19, 2018 19:21:47 
Друг Кота
Аватар пользователя

Карма: 95
Рейтинг сообщений: 2428
Зарегистрирован: Пт май 18, 2007 22:56:58
Сообщений: 26671
Рейтинг сообщения: 0
Да, как ни странно выбор небольшой до сих пор. Глупость какая-то, придумали аж 4 провода. Управляли всегда напряжением и было все хорошо..

_________________
Не променяю медь на ржавую несгорайку!


Вернуться наверх
 
Не в сети
 Заголовок сообщения: Re: Вентилятор 3 pin в 4 pin разъем с регул., переходник, сх
СообщениеДобавлено: Пн ноя 19, 2018 19:30:56 
Друг Кота
Аватар пользователя

Карма: 123
Рейтинг сообщений: 7959
Зарегистрирован: Сб сен 13, 2014 16:27:32
Сообщений: 39199
Откуда: СпиртоГонск созвездия Омега
Рейтинг сообщения: 0
скажи те спасиба интелу за его новухайю имено с его подали на мамках стали ставить 4 пин разьемизза того что боксовые кулера 775 и выше имели ТОЛКО такой разьем мамки для амд поддерживвали оба типа с выбором режима джампером или бивасом но позне от подержки 3 пиновых отказались почти act бренды долже всех держал оборону гигабайт но и он слился

Добавлено after 1 minute 54 seconds:
Re: Вентилятор 3 pin в 4 pin разъем с регул., переходник, схема
впрочем переходники китайские имеются и на ряде мамок мси шли в комлекте

_________________
ZМудрость(Опыт и выдержка) приходит с годами.
Все Ваши беды и проблемы, от недостатка знаний.
Умный и у дурака научится, а дураку и ..
Алберт Ейнштейн не поможет и ВВП не спасет.и МЧС опаздает


Вернуться наверх
 
Не в сети
 Заголовок сообщения: Re: Вентилятор 3 pin в 4 pin разъем с регул., переходник, сх
СообщениеДобавлено: Пн ноя 19, 2018 23:47:44 
Друг Кота

Карма: 28
Рейтинг сообщений: 568
Зарегистрирован: Чт май 05, 2011 21:26:34
Сообщений: 4550
Откуда: Украина, Славутич
Рейтинг сообщения: 0
У всех этих трехпиновых кулеров одна беда на всех - работа датчика скорости зависит от напряжения питания кулера, и если его шимить то и датчик шимится а как на это отреагирует материнка - одному богу известно, скорей всего фигово. Если датчик работает независимо - вам повезёт, а если нет... то фигово, и скорей всего более вероятен второй вариант. А без мониторинга оборотов управление оборотами кулера тоже не имеет смысла, не тыкать же наугад?
Возьмите тогда обычный двухпроводный, и приклеить сбоку датчик холла так чтобы реагировал на внутренний магнит, который в виде кольца на внешней части ротора.


Вернуться наверх
 
Не в сети
 Заголовок сообщения: Re: Вентилятор 3 pin в 4 pin разъем с регул., переходник, сх
СообщениеДобавлено: Вт ноя 20, 2018 01:13:42 
Друг Кота
Аватар пользователя

Карма: 95
Рейтинг сообщений: 2428
Зарегистрирован: Пт май 18, 2007 22:56:58
Сообщений: 26671
Рейтинг сообщения: 0
В SpeedFan установлена зависимость подачи напряжения от температуры - без мониторинга оборотов все замечательно работает. Я провода датчика часто тупо не подключаю))

_________________
Не променяю медь на ржавую несгорайку!


Вернуться наверх
 
Показать сообщения за:  Сортировать по:  Вернуться наверх
Начать новую тему Ответить на тему  [ Сообщений: 149 ]    , , , , 5, , ,  

Часовой пояс: UTC + 3 часа


Кто сейчас на форуме

Сейчас этот форум просматривают: нет зарегистрированных пользователей и гости: 9


Вы не можете начинать темы
Вы не можете отвечать на сообщения
Вы не можете редактировать свои сообщения
Вы не можете удалять свои сообщения
Вы не можете добавлять вложения

Найти:
Перейти:  


Powered by phpBB © 2000, 2002, 2005, 2007 phpBB Group
Русская поддержка phpBB
Extended by Karma MOD © 2007—2012 m157y
Extended by Topic Tags MOD © 2012 m157y