Например TDA7294

Форум РадиоКот • Просмотр темы - преобразование ttl->lvttl (5V->3.3V) bus switch level shift
Форум РадиоКот
Здесь можно немножко помяукать :)

Текущее время: Сб дек 27, 2025 23:21:15

Часовой пояс: UTC + 3 часа


ПРЯМО СЕЙЧАС:



Начать новую тему Ответить на тему  [ Сообщений: 14 ] 
Автор Сообщение
Не в сети
 Заголовок сообщения: преобразование ttl->lvttl (5V->3.3V) bus switch level shift
СообщениеДобавлено: Вс апр 14, 2013 00:44:47 
Родился

Зарегистрирован: Вс апр 14, 2013 00:18:21
Сообщений: 13
Рейтинг сообщения: 0
Всем привет, я давно хочу разобраться с теорией применения в одной и той же схеме цифровых микросхем с разными технологиями. Ну начиная с самого простого (как я понимаю) совмещения 155-й серии TTL с современной SRAM которая lvttl (3.3v). А вообще в идеале хотелось бы понять основные принципы и приемы, чтобы хотя бы в теории представлять как вообще возможно сделать схему в которой одновременно есть и новейшие fpga (типа Cyclone4) и старые советские 580ВВ55 и ЭСЛ логика 500-й серии (ну не буду говорить о радиолампах :) чтобы не доводить тему до полного экстрима). Есть ли какие-то толковые книги об этом?

Вот тут есть шото похожее но многое неясно http://www.daycounter.com/Circuits/Leve ... tors.phtml


Вернуться наверх
 
Не в сети
 Заголовок сообщения: Re: преобразование ttl->lvttl (5V->3.3V) bus switch level sh
СообщениеДобавлено: Вс апр 14, 2013 01:31:44 
Друг Кота
Аватар пользователя

Карма: 75
Рейтинг сообщений: 621
Зарегистрирован: Ср дек 24, 2008 09:58:58
Сообщений: 3764
Рейтинг сообщения: 0
Медали: 3
Мявтор 1-й степени (1) Мявтор 2-й степени (1) Мявтор 3-й степени (1)
Вряд-ли об этом есть отдельные книги, поскольку ответ очевиден - нужен преобразователь уровня. Если нужен однонаправленный, то решения по ссылке типичные, хотя и несколько брутальные. Кстати, упомянутая там микросхема ADG3231 - однонаправленная, а не двунаправленная. Более грамотное решение, особенно если важна скорость и токопотребление - применить специализированные микросхемы. Их много у каждого производителя, выбирайте что Вам доступно. Из однонаправленных могу порекомендовать MC14504. Из двунаправленных, сам недавно использовал TXS0102 - очень рекомендую. Она может работать и как однонаправленная, конечно. Для однонаправленного преобразования высокого уровня в низкий, если не важно токопотребление, на практике часто используют просто делители напряжения на резисторах.


Вернуться наверх
 
Не в сети
 Заголовок сообщения: Re: преобразование ttl->lvttl (5V->3.3V) bus switch level sh
СообщениеДобавлено: Вс апр 14, 2013 11:04:02 
Друг Кота
Аватар пользователя

Карма: 9
Рейтинг сообщений: 96
Зарегистрирован: Пн июл 13, 2009 14:37:39
Сообщений: 3961
Откуда: Московская область, наукоград.....
Рейтинг сообщения: 0
Тема о сопряжении избитая-перебитая, на любом форуме с электронной направленностью поднимается каждый месяц.
Применял у себя двунаправленный 8-миразрядный буфер SN74LVC4245.
Относительно резисторов - они хороши лишь в направлении от 5В к 3В. В обратном направлении можно поставить транзисторы. Но если организуются шины - то буферы однозначно.
Относительно связки FPGA и древней серии TTL, ну тут я вообще не понимаю зачем это надо.

_________________
Загружая на вход компьютера "мусор", на выходе получим "мусор^32".
PS. Не работаю с: Proteus, Multisim, EWB, Micro-Cap... не спрашивайте даже


Вернуться наверх
 
Не в сети
 Заголовок сообщения: Re: преобразование ttl->lvttl (5V->3.3V) bus switch level sh
СообщениеДобавлено: Пн апр 15, 2013 15:50:37 
Говорящий с текстолитом

Зарегистрирован: Чт авг 06, 2009 20:34:52
Сообщений: 1627
Откуда: Новосибирск
Рейтинг сообщения: 0
А про ЭСЛ, наверное, вообще лучше забиыть... :tea:


Вернуться наверх
 
Эиком - электронные компоненты и радиодетали
Не в сети
 Заголовок сообщения: Re: преобразование ttl->lvttl (5V->3.3V) bus switch level sh
СообщениеДобавлено: Вт апр 16, 2013 13:57:27 
Друг Кота

Карма: 28
Рейтинг сообщений: 568
Зарегистрирован: Чт май 05, 2011 21:26:34
Сообщений: 4550
Откуда: Украина, Славутич
Рейтинг сообщения: 0
Низковольтными микросхемы делают не просто так. В основном это продиктовано необходимым условием достижения быстродействия - уменьшения длительности переходных процессов. Сопрягая 3.3В микросхемы с 5В логикой необходимо быть уверенным что хватит быстродействия 5-вольтовой логики, иначе возникнут глюки из-за повышенных задержек. Не видел ни одной 5-вольтовой логической микросхемы которая прекрасно работала бы на 200Мгц, а вот 3.3В - это разве что исключение когда рассчитана на частоты менее 200Мгц. Это правда касается современной быстродействующей логики, есть ведь ниша микросхем питающихся от 3.3В исключительно ради совместимости по логическим уровням, но они как правило спокойно могут работать и от 5В.

Пожалуй, согласование уровней при помощи резисторов стоит рассматривать как крайний случай с ограниченным применением, т.к. резисторы ограничивают ток и следовательно затягивают фронты что очень критично на высоких частотах. Уменьшение номинала этих резисторов ведет к увеличению тока по шинам питания, который при увеличении разрядности очень быстро растет до невероятных значений, и все это уходит в тепло и паразитные импульсы по цепям питания.


Вернуться наверх
 
Не в сети
 Заголовок сообщения: Re: преобразование ttl->lvttl (5V->3.3V) bus switch level sh
СообщениеДобавлено: Сб апр 20, 2013 00:01:47 
Родился

Зарегистрирован: Вс апр 14, 2013 00:18:21
Сообщений: 13
Рейтинг сообщения: 0
Alexeyslav писал(а):
Низковольтными микросхемы делают не просто так...


Во во... хотел бы услышать таких ответов побольше. Я конечно понимаю ответы "бывалых" - ставь то и будет тебе счатье, тема избита и все такое. Я такие ответы могу и на базаре услышать или от манагера фирмы торгующего микросхемами. Не думайте что я кому-то хочу морочить голову. Но мне чето кажется что есть какая-то вполне понятная и законченная теория на счет этого вопроса.

Ну например есть какие нибудь но четко известные параметры для компонента А и Б, и нужно эти элементы согласовать по:

1. в зависимости от того ток идет от А к Б или от Б к А или может ити в обе стороны, возможны такие-то варианты сопряжения... какие?
2. так как речь идет о цифровой технике то желательно уменьшить протекаемый между элементами ток до минимума но обеспечить гарантированную передачу сигнала; как? особенно если для одной логики 1- это 5V а для другой -5V?
3. так как А и Б могут потенциально работать на разной скорости то могут быть глюки (не успевание среагировать на сигнал) как с этим быть?


Вернуться наверх
 
Не в сети
 Заголовок сообщения: Re: преобразование ttl->lvttl (5V->3.3V) bus switch level sh
СообщениеДобавлено: Сб апр 20, 2013 00:20:09 
Родился

Зарегистрирован: Вс апр 14, 2013 00:18:21
Сообщений: 13
Рейтинг сообщения: 0
YAA писал(а):
А про ЭСЛ, наверное, вообще лучше забиыть... :tea:


это исходя из чисто практических применений на сегодняшний день (наверное больше никто не делает эту логику в мире, да?)


Вернуться наверх
 
Не в сети
 Заголовок сообщения: Re: преобразование ttl->lvttl (5V->3.3V) bus switch level sh
СообщениеДобавлено: Сб апр 20, 2013 00:39:58 
Друг Кота

Карма: 27
Рейтинг сообщений: 206
Зарегистрирован: Чт ноя 26, 2009 11:16:50
Сообщений: 6015
Откуда: Москва
Рейтинг сообщения: 0
Почему же никто не делает? Кто-то делает, до 4 ГГц работает, от 2,5В питается:
http://www.ti.com/analog/docs/genconten ... er+OT+pecl


Вернуться наверх
 
Не в сети
 Заголовок сообщения: Re: преобразование ttl->lvttl (5V->3.3V) bus switch level sh
СообщениеДобавлено: Вт апр 23, 2013 00:11:18 
Родился

Зарегистрирован: Вс апр 14, 2013 00:18:21
Сообщений: 13
Рейтинг сообщения: 0
SmarTrunk писал(а):
Почему же никто не делает? Кто-то делает, до 4 ГГц работает, от 2,5В питается:
http://www.ti.com/analog/docs/genconten ... er+OT+pecl


Хм, довольно интересная дока http://www.ti.com/lit/ml/scyb018e/scyb018e.pdf

особенно, если бы кто-то перевел на "простой" язык лишенный маркетингового мусора


Вернуться наверх
 
Не в сети
 Заголовок сообщения: Re: преобразование ttl->lvttl (5V->3.3V) bus switch level sh
СообщениеДобавлено: Чт авг 18, 2016 15:45:34 
Потрогал лапой паяльник
Аватар пользователя

Карма: -3
Рейтинг сообщений: -73
Зарегистрирован: Чт сен 16, 2010 16:21:20
Сообщений: 329
Рейтинг сообщения: 0
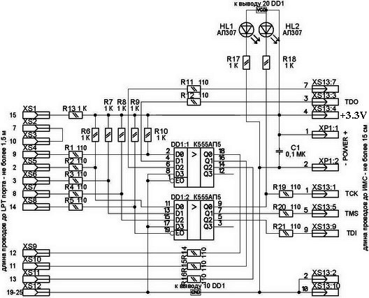
Казалось мне принципы согласования ttl->lvttl (5V->3.3V) я понимаю, но просто в ступор ввел меня один из вариантов LPT - ByteBlaster-а :

Изображение

Если разрисовать схему согласования подробно, то получается вот такой странный, на мой взгляд, делитель:

Изображение

Смысл резистора , подключенного к +3.3В питания мне не совсем понятен.

Ну, при "0" ТТЛ вроде как просто не мешает притянуть вход +3.3В-логики к 0...
А вот при "1" ТТЛ на входе роль резистора и вовсе непонятна...


Вложения:
half244.gif [6.28 KiB]
Скачиваний: 3538
ProgrAltera.gif [85.46 KiB]
Скачиваний: 3892
Вернуться наверх
 
Не в сети
 Заголовок сообщения: Re: преобразование ttl->lvttl (5V->3.3V) bus switch level sh
СообщениеДобавлено: Чт авг 18, 2016 19:44:01 
Потрогал лапой паяльник
Аватар пользователя

Карма: -3
Рейтинг сообщений: -73
Зарегистрирован: Чт сен 16, 2010 16:21:20
Сообщений: 329
Рейтинг сообщения: 0
Перерыл я кучу форумов, где обсуждают согласование логических уровней +5В -> +3.3B...

Сверился даже с оригиналом этой схемы - ByteBlasterMV :

Изображение

Поскольку видно, что номинал высокоомных резисторов к +3.3B некритичен (1 ... 2,2К), то у меня есть
только одно разумное предположение о назначении этих резисторов - они формируют логическую "1"
на входах 74LS244 (или её аналога) на тот случай, если разъем LPT окажется не подключен
или в нём
пропадет контакт.

На входах ПЛИС должны быть устойчивые уровни лог. "1", если попыток связаться с ней по JTAG нет.
Изображение
С точки зрения согласования логических уровней +5В -> +3.3B высокоомные резисторы практически не играют никакой роли.


P.S. Правильно угадал - это действительно просто подтягивающие резисторы! :)))
http://www.chipinfo.ru/literature/chipnews/200005/20.html
Цитата:
Подтягивающие резисторы (pull-up resistors), обозначенные "(2)", имеют номинал 2,2 кОм (от 1 до 3,3 кОм).


Вложения:
m7k.gif [3.87 KiB]
Скачиваний: 3339
ByteBlasterMV.gif [19.27 KiB]
Скачиваний: 3527
Вернуться наверх
 
Не в сети
 Заголовок сообщения: Re: преобразование ttl->lvttl (5V->3.3V) bus switch level sh
СообщениеДобавлено: Чт авг 18, 2016 22:31:35 
Друг Кота
Аватар пользователя

Карма: 52
Рейтинг сообщений: 846
Зарегистрирован: Вт сен 07, 2010 03:01:06
Сообщений: 16545
Откуда: Moscow-Izmaylovo
Рейтинг сообщения: 0
главное нужно решить состояния ноля и единицы
ранее применялись 561ПУ1 что то типа того, преобразователь уровня.

а то вдруг ещё кому то захочется работать с 500 или 100 серией.

_________________
Лечу лечить WWWашу покалеченную технику.


Вернуться наверх
 
Не в сети
 Заголовок сообщения: Re: преобразование ttl->lvttl (5V->3.3V) bus switch level sh
СообщениеДобавлено: Пт авг 19, 2016 00:13:57 
Друг Кота
Аватар пользователя

Карма: 182
Рейтинг сообщений: 8328
Зарегистрирован: Пт фев 04, 2011 17:57:51
Сообщений: 20029
Откуда: Рыбинск
Рейтинг сообщения: 0
Медали: 1
Лучший человек Форума 2017 (1)
Lavr писал(а):
Сверился даже с оригиналом этой схемы
На оригинале адекватный тип микросхемы 74НС244, допускающий питание 3,3В и ниже, а ТТЛШ логика не предназначена для такого питания. Я не понимаю, зачем упорно рисуют эти наши 555АП, когда 74НС244 легко доступна и стоит копейки. У нее есть аналог наш, но он дороже. Так же есть специальные микросхемы, предназначенные для согласования разных уровней, они не имеют на входе защитных диодов на плюс. 74LVC1G125,126, 74LVC8T245 например.


Вернуться наверх
 
Не в сети
 Заголовок сообщения: Re: преобразование ttl->lvttl (5V->3.3V) bus switch level sh
СообщениеДобавлено: Пт авг 19, 2016 01:24:32 
Потрогал лапой паяльник
Аватар пользователя

Карма: -3
Рейтинг сообщений: -73
Зарегистрирован: Чт сен 16, 2010 16:21:20
Сообщений: 329
Рейтинг сообщения: 0
Согласен с Вами. Вот эта К555АП5 и ввела меня сильно в заблуждение, т.к. у ТТЛШ нет защитных диодов к +Vcc.
Но человек, который отрисовал ту схему говорит, что у него нормально работало.

По ссылке, впрочем, пишут вот что:
Цитата:
Микросхема шинного формирователя желательно 74НС244 (российский или белорусский аналог 1564АП5), хотя у автора один из ByteBlasterMV был собран на микросхеме серии 74АС (просто под рукой другого не оказалось) и успешно работает. Если вы работаете только с 5-В ПЛИС, то пойдут и серии 1533 и 555 (74ALS и 74LS), но тогда гарантий успешного программирования никто не даст. Вообще говоря, не следует заниматься изобретением велосипеда, благо штатная схема не содержит дефицитных компонентов, ее себестоимость порядка 1,52 доллара.



P.S. Ну и ссылки по согласованию уровней здесь выложу, вдруг понадобится кому:
http://we.easyelectronics.ru/Shematech/soglasovanie-logicheskih-urovney-5v-i-33v-ustroystv.html
http://chipenable.ru/index.php/how-connection/item/91-soglasovanie-logicheskih-urovney.html
http://catethysis.ru/logic-level-converters-1/
http://zx-pk.ru/archive/index.php/t-416.html
http://electronix.ru/forum/lofiversion/index.php/t84797.html


Вернуться наверх
 
Показать сообщения за:  Сортировать по:  Вернуться наверх
Начать новую тему Ответить на тему  [ Сообщений: 14 ] 

Часовой пояс: UTC + 3 часа


Кто сейчас на форуме

Сейчас этот форум просматривают: нет зарегистрированных пользователей и гости: 20


Вы не можете начинать темы
Вы не можете отвечать на сообщения
Вы не можете редактировать свои сообщения
Вы не можете удалять свои сообщения
Вы не можете добавлять вложения

Найти:
Перейти:  


Powered by phpBB © 2000, 2002, 2005, 2007 phpBB Group
Русская поддержка phpBB
Extended by Karma MOD © 2007—2012 m157y
Extended by Topic Tags MOD © 2012 m157y