Например TDA7294

Форум РадиоКот • Просмотр темы - Качели для SLA
Форум РадиоКот
Здесь можно немножко помяукать :)

Текущее время: Вт мар 03, 2026 03:10:15

Часовой пояс: UTC + 3 часа


ПРЯМО СЕЙЧАС:



Начать новую тему Ответить на тему  [ Сообщений: 169 ]     ... , , , 8,  
Автор Сообщение
 Заголовок сообщения: Re: Качели для SLA
СообщениеДобавлено: Сб ноя 14, 2015 13:01:58 
Друг Кота
Аватар пользователя

Карма: 28
Рейтинг сообщений: 267
Зарегистрирован: Ср сен 27, 2006 16:18:57
Сообщений: 3459
Рейтинг сообщения: 0
sheryuv писал(а):
сначала изготовить ЗУ для АКБ и уже качелями управлять зарядкой
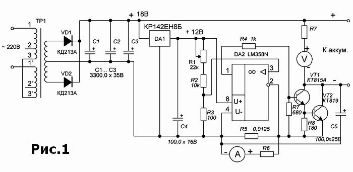
Да. Задача качелей - включать и выключать генератор зарядного тока при определённых значениях напряжения на АКБ. А по какой схеме будет сделан этот самый генератор тока, не имеет значения. В этой статье он сделан на полевом транзисторе. В этой ветке, я приводил схему, где генератор тока - импульсный источник питания.


Последний раз редактировалось Барсик Сб ноя 14, 2015 13:08:38, всего редактировалось 1 раз.

Вернуться наверх
 
 Заголовок сообщения: Re: Качели для SLA
СообщениеДобавлено: Сб ноя 14, 2015 13:05:37 
Открыл глаза

Зарегистрирован: Ср янв 14, 2015 19:23:25
Сообщений: 43
Рейтинг сообщения: 0
Спасибо Барсик за ответ, скоро с больнички выпишусь, буду колдовать.


Вернуться наверх
 
 Заголовок сообщения: Re: Качели для SLA
СообщениеДобавлено: Ср ноя 18, 2015 15:56:44 
Открыл глаза

Зарегистрирован: Ср янв 14, 2015 19:23:25
Сообщений: 43
Рейтинг сообщения: 0
Здравствуйте! Хочу попросить, если у Вас будет время убрать ненужные детали, чтоб я мог выход качель подключить к АКБ65 в качестве управления зарядкой, а отдельно собранное ЗУ буду через оптрон запускать. Подключу его к одному из светодиодов, которые на качелях, ну вроде тогда должно получиться!? Спасибо!


Вернуться наверх
 
 Заголовок сообщения: Re: Качели для SLA
СообщениеДобавлено: Чт ноя 19, 2015 09:47:07 
Друг Кота
Аватар пользователя

Карма: 28
Рейтинг сообщений: 267
Зарегистрирован: Ср сен 27, 2006 16:18:57
Сообщений: 3459
Рейтинг сообщения: 0
Оптрон нужен только для гальванической развязки. А здесь не получится полностью развязать зарядник и "качели". Ведь всё равно надо этими самыми качелями измерять напряжение на аккумуляторе. Т.е. общий провод между аккумулятором, зарядником и качелями обязан быть.
Так что оптрон - излишняя роскошь. Можно и без него обойтись.

Когда определитесь с зарядником, обсудим как это всё соединить вместе.


Вернуться наверх
 
Эиком - электронные компоненты и радиодетали
 Заголовок сообщения: Re: Качели для SLA
СообщениеДобавлено: Чт ноя 19, 2015 11:17:06 
Открыл глаза

Зарегистрирован: Ср янв 14, 2015 19:23:25
Сообщений: 43
Рейтинг сообщения: 0
С зарядником я определился, много прочел разных сборок простых, сложных и решил сильно не заморачиваться выбрал простую. Схему прилагаю. Единственное добавил туда также простенькую защиту от переполюсовки. По отзывам у людей все работает хорошо!


Вложения:
ЗУ АКБ.jpg [82.96 KiB]
Скачиваний: 985
Вернуться наверх
 
 Заголовок сообщения: Re: Качели для SLA
СообщениеДобавлено: Чт ноя 19, 2015 15:57:36 
Друг Кота
Аватар пользователя

Карма: 28
Рейтинг сообщений: 267
Зарегистрирован: Ср сен 27, 2006 16:18:57
Сообщений: 3459
Рейтинг сообщения: 0
Для совместной работы с качелями эта зарядка не подойдёт. Она заряжает сильно пульсирующим током, и нет стабилизации этого самого тока. Ток ограничивается только активным сопротивлением обмоток трансформатора. А среднее значение тока определяется углом отпирания тиристора и задаётся переменным резистором.
Надо поискать что-нибудь со стабилизацией тока.


Вернуться наверх
 
 Заголовок сообщения: Re: Качели для SLA
СообщениеДобавлено: Чт ноя 19, 2015 17:16:59 
Открыл глаза

Зарегистрирован: Ср янв 14, 2015 19:23:25
Сообщений: 43
Рейтинг сообщения: 0
Теперь понял! Вот, выбрал такую схему, она со стабилизаций. Подойдет? Если нет, может Вы что порекомендуете, не сильно сложную?


Вложения:
000.jpg [47.03 KiB]
Скачиваний: 1001
Вернуться наверх
 
 Заголовок сообщения: Re: Качели для SLA
СообщениеДобавлено: Чт ноя 19, 2015 18:46:08 
Друг Кота
Аватар пользователя

Карма: 28
Рейтинг сообщений: 267
Зарегистрирован: Ср сен 27, 2006 16:18:57
Сообщений: 3459
Рейтинг сообщения: 0
В этой схеме стабилизатор тока линейный. При токе 5 ампер, на транзисторе VT2 будет рассеиваться большая мощность.
Тут надо определиться с требованиями к зарядному устройству. Если можно смириться с низким КПД и большим нагревом регулирующих транзисторов, то можно попробовать линейный стабилизатор тока. В конце концов, можно умощнить стабилизатор тока из оригинальной статьи.
Если же греть атмосферу и приближать глобальное потепление недопустимо, то надо искать решение с импульсным стабилизатором тока.


Вернуться наверх
 
 Заголовок сообщения: Re: Качели для SLA
СообщениеДобавлено: Чт ноя 19, 2015 20:00:12 
Открыл глаза

Зарегистрирован: Ср янв 14, 2015 19:23:25
Сообщений: 43
Рейтинг сообщения: 0
Я думаю атмосферу греть не будем! :))) Я Вас правильно понимаю, что должно быть типо этого (схема во вложении)? Или Вы имели ввиду схему на импульсном трансформаторе?


Вложения:
дддд.jpg [66.78 KiB]
Скачиваний: 923
ееее.jpg [25.86 KiB]
Скачиваний: 924
Вернуться наверх
 
 Заголовок сообщения: Re: Качели для SLA
СообщениеДобавлено: Пт ноя 20, 2015 15:36:29 
Друг Кота
Аватар пользователя

Карма: 28
Рейтинг сообщений: 267
Зарегистрирован: Ср сен 27, 2006 16:18:57
Сообщений: 3459
Рейтинг сообщения: 0
Схемы, которые Вы привели, они конечно, "импульсные", но не то, что нужно. Это просто регуляторы ШИМ, а чем ограничивается зарядный ток не понятно. Скорее всего, опять таки активным сопротивлением обмоток трансформатора питания. А заряд идёт не постоянным, а сильно пульсирующем током.
Нужен именно импульсный источник питания. С импульсным трансформатором и прочими причиндалами. Этот источник питания должен уметь стабилизировать не напряжение, а ток. Вот примеры переделки компьютерных источников питания ATX: http://radiokot.ru/circuit/power/charger/27/ http://radiokot.ru/circuit/power/charger/23/


Вернуться наверх
 
 Заголовок сообщения: Re: Качели для SLA
СообщениеДобавлено: Сб ноя 21, 2015 12:17:41 
Открыл глаза

Зарегистрирован: Ср янв 14, 2015 19:23:25
Сообщений: 43
Рейтинг сообщения: 0
Доброго Вам времени Барсик! Прочитал вчера обе ссылки, которые Вы дали, но боюсь, что из БП компа у меня может не получится. У меня есть 2 БП, но они раскуроченны и разбираться что там к чему это себе дороже. Во вложении 2 схемы ИЗУ, которые я выбрал и смог бы собрать. Посмотрите их пожалуйста, ну а если они тоже не годятся, тогда наверное буду приближать глобальное потепление :) . Спасибо!


Вложения:
111.jpg [47.11 KiB]
Скачиваний: 1354
001.png [29.56 KiB]
Скачиваний: 799
002.png [14.71 KiB]
Скачиваний: 765
003.jpg [30.77 KiB]
Скачиваний: 882
Вернуться наверх
 
 Заголовок сообщения: Re: Качели для SLA
СообщениеДобавлено: Пн ноя 23, 2015 15:18:36 
Открыл глаза

Зарегистрирован: Ср янв 14, 2015 19:23:25
Сообщений: 43
Рейтинг сообщения: 0
Доброго времени Барсик! Если у Вас совсем нет времени со мной возится, скажите пожалуйста, чтоб я не обнадеживался.


Вернуться наверх
 
 Заголовок сообщения: Re: Качели для SLA
СообщениеДобавлено: Пн ноя 23, 2015 16:01:56 
Друг Кота
Аватар пользователя

Карма: 28
Рейтинг сообщений: 267
Зарегистрирован: Ср сен 27, 2006 16:18:57
Сообщений: 3459
Рейтинг сообщения: 0
Времени действительно маловато.
Из всех четырёх вариантов, импульсный стабилизатор тока только этот: download/file.php?id=233198
Кроме всего прочего, импульсный стабилизатор тока должен как-то включаться-выключаться от схемы качелей. Как это реализовать для этой схемы, я не знаю.
Я ведь почему хотел компьютерный источник питания. Там есть дежурный источник для питания качелей, а основной источник может легко включаться-выключаться от схемы качелей.


Вернуться наверх
 
 Заголовок сообщения: Re: Качели для SLA
СообщениеДобавлено: Пн ноя 23, 2015 16:18:24 
Открыл глаза

Зарегистрирован: Ср янв 14, 2015 19:23:25
Сообщений: 43
Рейтинг сообщения: 0
Так я изначально так и предполагал, что будет дежурное питание, т.е. сами качели находятся под постоянным питанием и на клеммах АКБ, а вот ЗУ будет управляться качелями. Не знаю правильно или нет, но я думал так: убрать не нужные для зарядки АКБ компаненты из схемы качелей, а оставить те, которые отвечают за верхний и нижний порог. И вместо светодиода поставить оптопару и релюшку, которая будет включать и по завершению заряда отключать основной трансформатор ЗУ. Или я не то думаю!


Вернуться наверх
 
 Заголовок сообщения: Re: Качели для SLA
СообщениеДобавлено: Пн ноя 23, 2015 17:34:34 
Друг Кота
Аватар пользователя

Карма: 28
Рейтинг сообщений: 267
Зарегистрирован: Ср сен 27, 2006 16:18:57
Сообщений: 3459
Рейтинг сообщения: 0
Отключать источник питания релюхой по выходу - не вариант. Во-первых, релюшка будет клацать при каждом взмахе качелей. Во-вторых, импульсный источник питания хреново работает без нагрузки. Поэтому, импульсник надо выключать по входу, чтобы он вообще не работал, как делается в компьютерных источниках питания.


Вернуться наверх
 
 Заголовок сообщения: Re: Качели для SLA
СообщениеДобавлено: Пн ноя 23, 2015 17:48:24 
Открыл глаза

Зарегистрирован: Ср янв 14, 2015 19:23:25
Сообщений: 43
Рейтинг сообщения: 0
Мы по моему говорим об одном и тоже, попробую объяснить по другому. Маломощьный БП находится под постоянным питанием 220v, которое обеспечивает работу качель. Выходы качель подключены к АКБ. У качель есть два светодиода, к одному из которых подключить оптопару, которая в свою очередь через схему дарлингтона будет управлять реле. А релюшка уже будет включать, выключать фазу, которая запитывает ЗУ. Как то так , или это все бред?


Вернуться наверх
 
 Заголовок сообщения: Re: Качели для SLA
СообщениеДобавлено: Вт ноя 24, 2015 14:17:36 
Открыл глаза

Зарегистрирован: Ср янв 14, 2015 19:23:25
Сообщений: 43
Рейтинг сообщения: 0
Ладно, не буду больше вам досажать, спасибо за помощь!


Вернуться наверх
 
 Заголовок сообщения: Re: Качели для SLA
СообщениеДобавлено: Чт фев 04, 2016 22:55:32 
Открыл глаза

Зарегистрирован: Вс сен 19, 2010 18:25:25
Сообщений: 49
Откуда: ДНР
Рейтинг сообщения: 0
а качели на 6 вольт есть?


Вернуться наверх
 
 Заголовок сообщения: Re: Качели для SLA
СообщениеДобавлено: Пт фев 05, 2016 17:25:10 
Друг Кота
Аватар пользователя

Карма: 28
Рейтинг сообщений: 267
Зарегистрирован: Ср сен 27, 2006 16:18:57
Сообщений: 3459
Рейтинг сообщения: 0
В принципе, можно пересчитать номиналы элементов для 6 вольтового аккумулятора. Но надо подумать насчёт температурной компенсации.


Вернуться наверх
 
 Заголовок сообщения: Re: Качели для SLA
СообщениеДобавлено: Пт фев 05, 2016 17:37:26 
Открыл глаза

Зарегистрирован: Ср янв 14, 2015 19:23:25
Сообщений: 43
Рейтинг сообщения: 0
Доброго времени Барсик, у Вас случаем свободное время не появилось? Напомню обращался к Вам по переделке качель для зарядки автомобильного АКБ.


Вернуться наверх
 
Показать сообщения за:  Сортировать по:  Вернуться наверх
Начать новую тему Ответить на тему  [ Сообщений: 169 ]     ... , , , 8,  

Часовой пояс: UTC + 3 часа


Вы не можете начинать темы
Вы не можете отвечать на сообщения
Вы не можете редактировать свои сообщения
Вы не можете удалять свои сообщения
Вы не можете добавлять вложения

Найти:
Перейти:  


Powered by phpBB © 2000, 2002, 2005, 2007 phpBB Group
Русская поддержка phpBB
Extended by Karma MOD © 2007—2012 m157y
Extended by Topic Tags MOD © 2012 m157y