Например TDA7294

Форум РадиоКот • Просмотр темы - Синхронные выпрямители
Форум РадиоКот
Здесь можно немножко помяукать :)

Текущее время: Сб дек 27, 2025 20:31:44

Часовой пояс: UTC + 3 часа


ПРЯМО СЕЙЧАС:



Начать новую тему Ответить на тему  [ Сообщений: 204 ]    , , , , 5, , , ...  
Автор Сообщение
Не в сети
 Заголовок сообщения: Re: Синхронные выпрямители
СообщениеДобавлено: Пн окт 28, 2013 09:15:24 
Друг Кота
Аватар пользователя

Карма: 67
Рейтинг сообщений: 1066
Зарегистрирован: Чт сен 18, 2008 12:27:21
Сообщений: 20013
Откуда: Столица Мира Санкт-Петербург
Рейтинг сообщения: 0
Медали: 1
Получил миской по аватаре (1)
Телекот писал(а):
Я не думаю что мощность 1,2 мВт сколько нибудь ощутимо нагреют переход.

Ну да, ну да :)

_________________
[ Всё дело не столько в вашей глупости, сколько в моей гениальности ] [ Правильно заданный вопрос содержит в себе половину ответа ]
Измерить нннада?


Вернуться наверх
 
Не в сети
 Заголовок сообщения: Re: Синхронные выпрямители
СообщениеДобавлено: Сб дек 28, 2013 13:59:03 
Друг Кота
Аватар пользователя

Карма: 59
Рейтинг сообщений: 2218
Зарегистрирован: Чт янв 26, 2012 16:44:29
Сообщений: 19569
Откуда: Таксимо
Рейтинг сообщения: 0
Sergei Nizovcev писал(а):
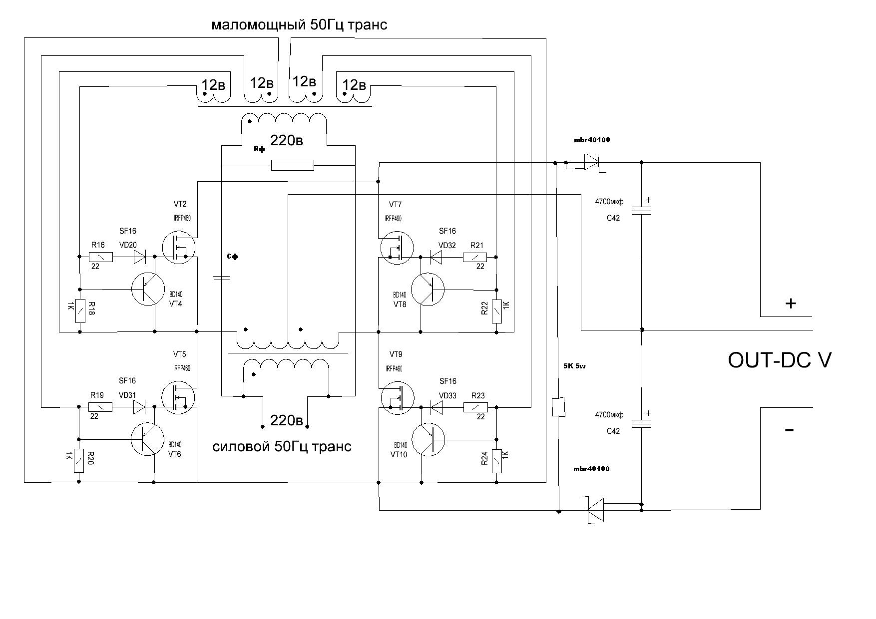
Вот схемку моста синхроного выпрямителя нарисовал на N-канальных полевиках :)


добавить резистор 5 килоом и диоды шоттки до конденсатора и преобразовать в 2х полярный
еще подобрать фазосдвигающюю цепочку на вдохе маленького трансика чтобы транзисторы немного пораньше открывались


Вложения:
синхр выпр 2.JPG [134.5 KiB]
Скачиваний: 1720

_________________
Мои поставщики запчастей с отличной репутацией
texnomag.ru
radioremont.com
pl-1.org
4ip.info
elitan.ru
Вернуться наверх
 
Не в сети
 Заголовок сообщения: Re: Синхронные выпрямители
СообщениеДобавлено: Сб дек 28, 2013 18:16:54 
Друг Кота
Аватар пользователя

Карма: 146
Рейтинг сообщений: 6065
Зарегистрирован: Чт июн 04, 2009 21:06:49
Сообщений: 36292
Откуда: г.Мариинск
Рейтинг сообщения: 0
Медали: 1
Лучший человек Форума 2017 (1)
vlasovzloy писал(а):
добавить резистор 5 килоом и диоды шоттки до конденсатора

Мы как раз ищем способ избавится от диодов так как на них падает порядка 0,8 вольта, а на полевике можно сделать падение 0,1 вольт.
А вы последовательно с полевиком включили диоды. :shock: Зачем тогда полевики, поставил диоды и всё. В чём преимущества?
Синхронные выпрямители и делают для маленького падения напряжения 0,1-0,2в, а не для того что бы воткнуть полевики от нечего делать.

_________________
Тем кого не устаревает наличия ошибок в моем тексте, оставляю права не пользоваться моими советами или просто не читать мои сообщения.


Вернуться наверх
 
Не в сети
 Заголовок сообщения: Re: Синхронные выпрямители
СообщениеДобавлено: Вс дек 29, 2013 20:43:12 
Друг Кота
Аватар пользователя

Карма: 59
Рейтинг сообщений: 2218
Зарегистрирован: Чт янв 26, 2012 16:44:29
Сообщений: 19569
Откуда: Таксимо
Рейтинг сообщения: 0
ну да нуда. но вместо шоттки ведь можно полевик поставить. на постоянном токе то легче ему управление сделать. или вам покритиковать лижбы?

_________________
Мои поставщики запчастей с отличной репутацией
texnomag.ru
radioremont.com
pl-1.org
4ip.info
elitan.ru


Вернуться наверх
 
Эиком - электронные компоненты и радиодетали
Не в сети
 Заголовок сообщения: Re: Синхронные выпрямители
СообщениеДобавлено: Вс дек 29, 2013 22:28:12 
Друг Кота
Аватар пользователя

Карма: 146
Рейтинг сообщений: 6065
Зарегистрирован: Чт июн 04, 2009 21:06:49
Сообщений: 36292
Откуда: г.Мариинск
Рейтинг сообщения: 0
Медали: 1
Лучший человек Форума 2017 (1)
В том то и дело, что бы полевик нормально начал работать как диод на ёмкостную нагрузку управлять толково.
Отпирающее напряжение должно подаваться только тогда когда входное напряжение превышает напряжение на выходном конденсаторе, всё остальное время транзистор должен быть закрыт. Делов то :)))
При прамоугольных импульсах это сделать довольно просто, а вот при синусе уже немного сложнее.
Изображение

_________________
Тем кого не устаревает наличия ошибок в моем тексте, оставляю права не пользоваться моими советами или просто не читать мои сообщения.


Вернуться наверх
 
Не в сети
 Заголовок сообщения: Re: Синхронные выпрямители
СообщениеДобавлено: Вс дек 29, 2013 23:30:59 
Сверлит текстолит когтями
Аватар пользователя

Карма: 15
Рейтинг сообщений: 88
Зарегистрирован: Ср май 01, 2013 22:37:08
Сообщений: 1119
Откуда: Украина
Рейтинг сообщения: 1
Синхронный выпрямитель на LT4320 :
Изображение

Изображение


Вернуться наверх
 
Не в сети
 Заголовок сообщения: Re: Синхронные выпрямители
СообщениеДобавлено: Вс дек 29, 2013 23:45:56 
Друг Кота
Аватар пользователя

Карма: 146
Рейтинг сообщений: 6065
Зарегистрирован: Чт июн 04, 2009 21:06:49
Сообщений: 36292
Откуда: г.Мариинск
Рейтинг сообщения: 0
Медали: 1
Лучший человек Форума 2017 (1)
С специализированной микросхемой легко всё делать, но её довольно трудно добыть да и стоит она не копейки.

_________________
Тем кого не устаревает наличия ошибок в моем тексте, оставляю права не пользоваться моими советами или просто не читать мои сообщения.


Вернуться наверх
 
 Заголовок сообщения: Re: Синхронные выпрямители
СообщениеДобавлено: Пн дек 30, 2013 00:02:28 
Я в своих поделках поделках юзаю полусинхронные выпрямители, чем и доволен. Хороший компромисс между предельной простотой, дешевизной и весьма пристойными характеристиками. Всего 1 сдвоенный n-канальный транзистор + 2 диода шоттки.
Изображение
Сейчас есть чип NMLU1210 он заменяет схему из 3-х деталей.

Да, в случае мощной нагрузки можно использовать диоды шоттки, например типа MBRB2515 с падением напряжения 0.25 вольт при 10 амперах или сдвоенный STPS40L15CT . Рассеивая выпрямителем мощность будет меннее 3 ватт (на выпрямленном токе 10 ампер).
Тема раскрыта? :)


Вернуться наверх
   
 
Не в сети
 Заголовок сообщения: Re: Синхронные выпрямители
СообщениеДобавлено: Пн дек 30, 2013 06:50:57 
Друг Кота
Аватар пользователя

Карма: 146
Рейтинг сообщений: 6065
Зарегистрирован: Чт июн 04, 2009 21:06:49
Сообщений: 36292
Откуда: г.Мариинск
Рейтинг сообщения: 0
Медали: 1
Лучший человек Форума 2017 (1)
Можно конечно и так сделать, заказать редко земельные диоды.
Но можно и взять транзистор IRF2204 который стоит в 2 раза меньше и при токе 30А получить падение напряжения 100мВ. Мощность выделяемая им получится 3вт.
Диод MBRB2515L при токе всего в 20А имеет падение напряжение 0,4в. И мощность при токе 20А будет 8 вт.

_________________
Тем кого не устаревает наличия ошибок в моем тексте, оставляю права не пользоваться моими советами или просто не читать мои сообщения.


Последний раз редактировалось Телекот Пн дек 30, 2013 09:31:26, всего редактировалось 1 раз.

Вернуться наверх
 
 Заголовок сообщения: Re: Синхронные выпрямители
СообщениеДобавлено: Пн дек 30, 2013 09:30:04 
Google тебе в помощь, мудрый Телекот!
https://www.google.com.ua/search?q=low+forward+voltage+schottky+diode&oq=low+forw&aqs=chrome.1.69i57j0l5.15696j0j4&sourceid=chrome&espv=210&es_sm=93&ie=UTF-8
Для большинства применений подойдет 1N5821 по цене 0.12 $. Или их два в параллель.
Подумайте вот о чем: Возможно кому-то после вас прийдется ремонтировать девайс с синхронным выпрямителем и что? :solder: :dont_know:

Телекот писал(а):
Но можно и взять транзистор IRF2204 который стоит в 2 раза меньше и при токе 30А получить падение напряжения 100мВ.

После слова "меньше" следует дописать "хорошо подумать - стоит ли?"


Вернуться наверх
   
 
Не в сети
 Заголовок сообщения: Re: Синхронные выпрямители
СообщениеДобавлено: Пн дек 30, 2013 09:34:11 
Друг Кота
Аватар пользователя

Карма: 146
Рейтинг сообщений: 6065
Зарегистрирован: Чт июн 04, 2009 21:06:49
Сообщений: 36292
Откуда: г.Мариинск
Рейтинг сообщения: 0
Медали: 1
Лучший человек Форума 2017 (1)
crocodil писал(а):
Подумайте вот о чем: Возможно кому-то после вас прийдется ремонтировать девайс с синхронным выпрямителем и что?

Так И ЧТО? Какой криминал в синхронном выпрямителе :shock: :dont_know: ?

И причём здесь маломощный диод на 3а? Здесь люди говорят о токах 20 и более ампер.

_________________
Тем кого не устаревает наличия ошибок в моем тексте, оставляю права не пользоваться моими советами или просто не читать мои сообщения.


Вернуться наверх
 
 Заголовок сообщения: Re: Синхронные выпрямители
СообщениеДобавлено: Пн дек 30, 2013 10:58:46 
Телекот писал(а):
Здесь люди говорят о токах 20 и более ампер.

Здесь люди говорят о синхронных выпрямителях - см. название темы. :)
Мысль в том, что если вы не делаете сварку или пускатель для стартера, то оптимальное решение для мостового выпрямителя - полусинхронный выпрямитель.


Вернуться наверх
   
 
Не в сети
 Заголовок сообщения: Re: Синхронные выпрямители
СообщениеДобавлено: Пн дек 30, 2013 11:47:51 
Друг Кота
Аватар пользователя

Карма: 107
Рейтинг сообщений: 1031
Зарегистрирован: Пт дек 17, 2010 15:07:50
Сообщений: 12364
Откуда: Крымский Федеральный Округ
Рейтинг сообщения: 0
Я что-то слабо понимаю, к чему клонит Крокодил... Люди обсуждают как бы сделать хороший синхронник на большие токи, а тут то диоды поставить, то полусинхронник...

_________________
Изображение
И ты врёшь!!! © Vladisman
Изображение


Вернуться наверх
 
 Заголовок сообщения: Re: Синхронные выпрямители
СообщениеДобавлено: Пн дек 30, 2013 13:31:01 
Ну что-же, не всем дано понимать. :)


Вернуться наверх
   
 
Не в сети
 Заголовок сообщения: Re: Синхронные выпрямители
СообщениеДобавлено: Пн дек 30, 2013 13:41:24 
Друг Кота
Аватар пользователя

Карма: 146
Рейтинг сообщений: 6065
Зарегистрирован: Чт июн 04, 2009 21:06:49
Сообщений: 36292
Откуда: г.Мариинск
Рейтинг сообщения: 0
Медали: 1
Лучший человек Форума 2017 (1)
На маленькие токи делать синхронник не кто не станет , место синхронника где большие токи и маленькие напряжения. Там лучше применять двухполупериодный синхронный выпрямитель всего два полевика, чем городить мост.

_________________
Тем кого не устаревает наличия ошибок в моем тексте, оставляю права не пользоваться моими советами или просто не читать мои сообщения.


Вернуться наверх
 
 Заголовок сообщения: Re: Синхронные выпрямители
СообщениеДобавлено: Пн дек 30, 2013 13:56:47 
Где есть большие токи - нет места двухполупериодным выпрямителям. Надо много провода, а, следовательно надо брать больше по сечению сердечник.
Целесообразнее сделать мостовой (полусинхронный или синхронный выпрямитель) с вторичной обмоткой в два раза большим сечением, чем в случае с двухполупериодным вариантом.
Двухполупериодные выпрямители - пережиток прошлого, тогда были дорогие полупроводники, а медь-железо дешевое.
Хотя конечно-же каждый волен делать как считает нужным и исходя из имеющихся в наличии материалов и средств.
Всех с наступающим Новым годом! :)


Вернуться наверх
   
 
Не в сети
 Заголовок сообщения: Re: Синхронные выпрямители
СообщениеДобавлено: Пн дек 30, 2013 14:44:47 
Друг Кота
Аватар пользователя

Карма: 107
Рейтинг сообщений: 1031
Зарегистрирован: Пт дек 17, 2010 15:07:50
Сообщений: 12364
Откуда: Крымский Федеральный Округ
Рейтинг сообщения: 0
На мосте будет больше нагрева, потому двухполупериодный ИМХО есть труЪ. Ибо какая разница по меди -- 20м провода 1мм.кв или 10м провода 2мм.кв.

_________________
Изображение
И ты врёшь!!! © Vladisman
Изображение


Вернуться наверх
 
 Заголовок сообщения: Re: Синхронные выпрямители
СообщениеДобавлено: Пн дек 30, 2013 14:52:37 
просто КОТ писал(а):
потому двухполупериодный ИМХО есть труЪ.

Что это? Кто-то понял, про что написано, :shock: Где учился?
просто КОТ писал(а):
Ибо какая разница по меди -- 20м провода 1мм.кв или 10м провода 2мм.кв.

Разница в том, что в первом случае постоянно работает обмотка сечением 1мм.кв длиной 10м, а во втором 10м провода сечением 2мм.кв. Сечеш?


Вернуться наверх
   
 
Не в сети
 Заголовок сообщения: Re: Синхронные выпрямители
СообщениеДобавлено: Пн дек 30, 2013 16:03:43 
Друг Кота
Аватар пользователя

Карма: 146
Рейтинг сообщений: 6065
Зарегистрирован: Чт июн 04, 2009 21:06:49
Сообщений: 36292
Откуда: г.Мариинск
Рейтинг сообщения: 0
Медали: 1
Лучший человек Форума 2017 (1)
crocodil писал(а):
Где есть большие токи - нет места двухполупериодным выпрямителям. Надо много провода, а, следовательно надо брать больше по сечению сердечник.

Однако все компьютерные блоки делают по этой схеме, ну вероятно они не чего не понимают. Ты свяжись с производителями предложи им свои услуги, а то будут так в незнании.
Просто потери в меди меньше чем потери в диодах даже в шотки.

_________________
Тем кого не устаревает наличия ошибок в моем тексте, оставляю права не пользоваться моими советами или просто не читать мои сообщения.


Вернуться наверх
 
 Заголовок сообщения: Re: Синхронные выпрямители
СообщениеДобавлено: Пн дек 30, 2013 18:06:28 
Для начала Телекот определись, про что ты говоришь.
До этого был разговор про медь-железо - сетевые низкочастотные трансформаторные источники и выпрямители для них.
Если ты увильнул уже в сторону меди-феррита - высокочастотных блоков питания, то тут уже давно все ясно. Для них есть хорошие контроллеры синхронных выпрямителей, типа IR1167, IR1168, IR1169 и т.д. Там свои правила, те схемы, что ты предлагал, туда не пойдут, и лучше ты ничего не придумаешь.
Не надо спрыгивать с темы обсуждения. :wink:
З.Ы. Может хочешь поговорить про высокочастотные синхронные выпрямители? :tea:


Вернуться наверх
   
 
Показать сообщения за:  Сортировать по:  Вернуться наверх
Начать новую тему Ответить на тему  [ Сообщений: 204 ]    , , , , 5, , , ...  

Часовой пояс: UTC + 3 часа


Кто сейчас на форуме

Сейчас этот форум просматривают: нет зарегистрированных пользователей и гости: 60


Вы не можете начинать темы
Вы не можете отвечать на сообщения
Вы не можете редактировать свои сообщения
Вы не можете удалять свои сообщения
Вы не можете добавлять вложения

Найти:
Перейти:  


Powered by phpBB © 2000, 2002, 2005, 2007 phpBB Group
Русская поддержка phpBB
Extended by Karma MOD © 2007—2012 m157y
Extended by Topic Tags MOD © 2012 m157y