Например TDA7294

Форум РадиоКот • Просмотр темы - Двуполярное из однополярного.
Форум РадиоКот
Здесь можно немножко помяукать :)

Текущее время: Вт ноя 25, 2025 00:21:35

Часовой пояс: UTC + 3 часа


ПРЯМО СЕЙЧАС:



Начать новую тему Ответить на тему  [ Сообщений: 365 ]     ... , , , 9, , , ...  
Автор Сообщение
Не в сети
 Заголовок сообщения: Re: помогите с трансформатором
СообщениеДобавлено: Вс июл 14, 2013 08:32:02 
Друг Кота

Карма: 27
Рейтинг сообщений: 1283
Зарегистрирован: Ср фев 11, 2009 20:35:58
Сообщений: 7853
Рейтинг сообщения: 0
Цитата:
я хочу заменить трансформатор со входом 220 в и двумя выходами по 12в на усилители

Оригинальное решение :shock:


Вернуться наверх
 
Не в сети
 Заголовок сообщения: Двухполярное напряжение
СообщениеДобавлено: Вс июл 14, 2013 12:17:10 
Это не хвост, это антенна
Аватар пользователя

Карма: 3
Рейтинг сообщений: 76
Зарегистрирован: Сб июн 09, 2012 02:14:11
Сообщений: 1337
Откуда: ХАРЬКОВ
Рейтинг сообщения: 0
Можно - ли таким способом получить двухполярное напряжение для питания ОУ?



Для питания ОУ нельзя.
Но можно так.
http://radiokot.ru/circuit/power/converter/01/
Или перевести ОУ на однополярное питание.
Сюда перенес.

aen


Вложения:
d.PNG [10.17 KiB]
Скачиваний: 1584
Вернуться наверх
 
Не в сети
 Заголовок сообщения: Re: Двуполярный БП из однополярного.
СообщениеДобавлено: Вс июл 14, 2013 12:31:29 
Это не хвост, это антенна
Аватар пользователя

Карма: 3
Рейтинг сообщений: 76
Зарегистрирован: Сб июн 09, 2012 02:14:11
Сообщений: 1337
Откуда: ХАРЬКОВ
Рейтинг сообщения: 0
Ну, а если параллельно конденсаторам подключить резисторы ?


Вернуться наверх
 
Не в сети
 Заголовок сообщения: Re: Двуполярный БП из однополярного.
СообщениеДобавлено: Вс июл 14, 2013 13:11:24 
Сверлит текстолит когтями
Аватар пользователя

Карма: 22
Рейтинг сообщений: 110
Зарегистрирован: Вс сен 25, 2005 10:07:31
Сообщений: 1219
Откуда: Россия.
Рейтинг сообщения: 0
Если по простому, то вот так еще можно.

Изображение

Или как выше уже говорили, переводить ОУ на однополярное питание и тогда можно сделать делитель из резисторов.


Вложения:
1.JPG [13.11 KiB]
Скачиваний: 22889
Вернуться наверх
 
Эиком - электронные компоненты и радиодетали
Не в сети
 Заголовок сообщения: Re: Двуполярный БП из однополярного.
СообщениеДобавлено: Вс июл 14, 2013 14:21:08 
Это не хвост, это антенна
Аватар пользователя

Карма: 3
Рейтинг сообщений: 76
Зарегистрирован: Сб июн 09, 2012 02:14:11
Сообщений: 1337
Откуда: ХАРЬКОВ
Рейтинг сообщения: 0
Тут напряжение на стабилитронах будет меньше 6В. А мне надо половина от источника питания.

А нету какой-то микросхемы которая преобразует однополярное в двухполярное напряжение?


Вернуться наверх
 
Не в сети
 Заголовок сообщения: Re: Двуполярный БП из однополярного.
СообщениеДобавлено: Вс июл 14, 2013 14:56:37 
Модератор
Аватар пользователя

Карма: 158
Рейтинг сообщений: 1600
Зарегистрирован: Пт апр 28, 2006 15:26:07
Сообщений: 11940
Откуда: Россия.
Рейтинг сообщения: 0
Медали: 2
Мявтор 3-й степени (1) Лучший человек Форума 2017 (1)
Но Вам же ссылку дали в первом же вашем сообщении.
viewtopic.php?p=1730789#p1730789

http://radiokot.ru/circuit/power/converter/01/

Изображение

Коэффициент деления задается резистором R2

Если ток нужен маленький, то транзисторы вообще можно не ставить или поставить маломощные, например КТ315 и КТ361 или КТ3102 и КТ3107

ОУ в принципе любой.


Вернуться наверх
 
Не в сети
 Заголовок сообщения: Re: Двуполярный БП из однополярного.
СообщениеДобавлено: Вс июл 14, 2013 15:14:04 
Это не хвост, это антенна
Аватар пользователя

Карма: 3
Рейтинг сообщений: 76
Зарегистрирован: Сб июн 09, 2012 02:14:11
Сообщений: 1337
Откуда: ХАРЬКОВ
Рейтинг сообщения: 0
Видел я эту схему.

Кстати тут однополярное питание ОУ.

.........

В каком случае тогда применяется однополярное, а в каком двухполярное?

.....................

Исче вопрос. Решил собрать эту схему (голосовое реле). Зачем тут стоит кондер С2?

Есть мысли, что это фильтрующий конденсатор служащий для подавление ВЧ помех.


Вложения:
golosovoe-rele-na-k140ud7_1.jpg [24.92 KiB]
Скачиваний: 1257
Вернуться наверх
 
Не в сети
 Заголовок сообщения: Оптимальное двухполярное питание для предусилителя
СообщениеДобавлено: Ср авг 28, 2013 19:00:58 
Первый раз сказал Мяу!

Зарегистрирован: Пн авг 19, 2013 12:57:44
Сообщений: 23
Рейтинг сообщения: 0
Нужно запитать предусилитель на NE5532.
Есть двухполярные рансформаторы, но использовать их не хочу из-за габаритов, веса и необходимости еще собирать выпрямители и стабилизаторы и куда-то впихвивать.
Если это будет единственный приемлемый вариант, то буду делать.

Рассматриваю более удобные для меня варианты.
1) Запитать от уже готового однополярного БП. Попробовал с помощью двух конденсаторов создать среднюю точку, из 12В получил +-6В. Подключил, проверил, вроде работает.
В даташите NE5532 напряжение питания написано +-22, не написано минимальное.
Есть ли какие-то минусы от того, что я запитал таким образом.
Какие недостатки схемы с мнимой точкой через 2 конденсатора? Когда можно использовать, когда нельзя? Что оптимально в моем случае?
2) нужно будет еще запитвыать от автомобильного аккумулятора, какую схему нужно использовать чтобы получить двухполярное напряжение?

Основной вопрос: достаточно ли получить среднюю точку через 2 конде-ра или это не подходящий вариант? Я так понимаю предусилитель не сильно много тока потребляет, поэтому что-то мощное нет смысла делать, но не знаю о минусах такого способа.


Вложения:
MIXER_3.gif [9.86 KiB]
Скачиваний: 1889
Вернуться наверх
 
Не в сети
 Заголовок сообщения: Re: Оптимальное двухполярное питание для предусилителя
СообщениеДобавлено: Пт авг 30, 2013 11:43:42 
Это не хвост, это антенна
Аватар пользователя

Карма: 12
Рейтинг сообщений: 102
Зарегистрирован: Вс дек 02, 2012 03:13:48
Сообщений: 1433
Откуда: Калининград
Рейтинг сообщения: 0
У тебя на входе есть резисторы 3.3 К которые подключены к земле, и определяют где будет средняя точка. Поэтому таки конденсаторов недостаточно, нестабильно будет работать. Если не жалко лишнего потребления тока - можешь поставить параллельно конденсаторам сопротивления в 5-10 ком, чтобы таки ноль не плавал, сильно улучшит стабильность работы ОУ.


Вернуться наверх
 
Не в сети
 Заголовок сообщения: Re: Оптимальное двухполярное питание для предусилителя
СообщениеДобавлено: Пт авг 30, 2013 20:04:54 
Нашел транзистор. Понюхал.

Зарегистрирован: Ср фев 16, 2011 22:58:23
Сообщений: 193
Рейтинг сообщения: 0
Не мучайся, для тебя уже давно всё придумали! Используй готовое. AimTec например, AM1D-1215DZ
http://www.promelec.ru/catalog/1699/170 ... 08/#122108
Преобразователь из 12 однополярного в 15 двухполярное
Маленький, качественный и надежный. + гальвано развязка!
Цена нормальная.
DZ значит двухполярное на выходе.
Одного ватта для предусилителя за глаза хватит.
Для ОУ типа 5532, TL07... оптимально 15 вольт двухполярного напряжения.

Минус виртуальной средней точки, это разница потенциалов средних точек между усилителем и предусилителем. ТО есть с предусилителя звук ты снимаешь с его выхода и... виртуальной средней точкой, а подаешь его на вход усилителя между его входом и... (если питается двухполяркой, хотя не важно) опять же другой средней точкой, то есть начинает течь ток, если потенциалы не равны. Если ты поставишь хотя бы на один гальваноразвязку, такого не будет.
Изображение


Вернуться наверх
 
Не в сети
 Заголовок сообщения: Re: Оптимальное двухполярное питание для предусилителя
СообщениеДобавлено: Пт авг 30, 2013 22:14:06 
Друг Кота
Аватар пользователя

Карма: 146
Рейтинг сообщений: 6062
Зарегистрирован: Чт июн 04, 2009 21:06:49
Сообщений: 36292
Откуда: г.Мариинск
Рейтинг сообщения: 0
Медали: 1
Лучший человек Форума 2017 (1)
любую схему можно переделать для одно полярного питания.
Изображение

_________________
Тем кого не устаревает наличия ошибок в моем тексте, оставляю права не пользоваться моими советами или просто не читать мои сообщения.


Вернуться наверх
 
Не в сети
 Заголовок сообщения: Re: Оптимальное двухполярное питание для предусилителя
СообщениеДобавлено: Вс сен 01, 2013 18:39:13 
Поставщик валерьянки для Кота
Аватар пользователя

Карма: 22
Рейтинг сообщений: 131
Зарегистрирован: Сб янв 09, 2010 15:19:57
Сообщений: 2154
Откуда: Воронеж
Рейтинг сообщения: 0
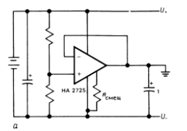
Среднюю точку хорошо формировать операционником. Схема из искусства схемотехники приведена для маломощных схем. Для большей мощности на выходе опера включать два повторителя
http://www.radiokot.ru/circuit/power/converter/01/ вот например
Ну это конечно если оно нужно, однополярное часто удобнее


Вложения:
Комментарий к файлу: Хоровиц. Хилл. Искусство схемотехники. 3 том стр 214
22.png [14.25 KiB]
Скачиваний: 1501
Вернуться наверх
 
Не в сети
 Заголовок сообщения: Re: Оптимальное двухполярное питание для предусилителя
СообщениеДобавлено: Чт сен 12, 2013 13:24:01 
Первый раз сказал Мяу!

Зарегистрирован: Пн авг 19, 2013 12:57:44
Сообщений: 23
Рейтинг сообщения: 0
AM1D-1215DZ нашел, но дорого. Под 500р.
Поэтому не подходит.
iGraphicsS писал(а):
Для ОУ типа 5532, TL07... оптимально 15 вольт двухполярного напряжения.

А 4558 нормально питать от +-6 созданных резисторами? Видел так их подключили в комбике Peavey Solo.


Пилот писал(а):
Среднюю точку хорошо формировать операционником.


Оптимальный вариант получается на ОУ или резисторами.
Из этих двух вариантов, я так понимаю, лучше будет на ОУ?
На рис 22.png не понял к какому выводу подключается Rсмещ?


Вернуться наверх
 
Не в сети
 Заголовок сообщения: Re: Оптимальное двухполярное питание для предусилителя
СообщениеДобавлено: Пн окт 07, 2013 15:03:36 
Первый раз сказал Мяу!

Зарегистрирован: Пн авг 19, 2013 12:57:44
Сообщений: 23
Рейтинг сообщения: 0
Буду делить или инвертировать на операционнике или LM337 схемы прикрепил.
Все в сборе должно питаться от аккумулятора 12в.
Предусилитель запитаю двухполярным с искусственной средней точкой, на выходе будет УНЧ на tda2005.
Пoлучается земля УНЧ это "-" аккумулятора, для предусилителя "-" аккумулятора это будет отрицательное напряжение, а земля половина напряжения аккумулятора. Как в этом случае соединить земли вместе?
Т.е. как правильно запитать от одного аккумулятора предусилитель с двухполярным питанием и УНЧ с однополярным?


Вложения:
Комментарий к файлу: на lm337
4f0b74.jpg [45.01 KiB]
Скачиваний: 1565
Комментарий к файлу: средняя точка на ОУ
5-155.gif [4.73 KiB]
Скачиваний: 1362
Вернуться наверх
 
Не в сети
 Заголовок сообщения: Re: Оптимальное двухполярное питание для предусилителя
СообщениеДобавлено: Пн окт 07, 2013 20:12:51 
Нашел транзистор. Понюхал.

Зарегистрирован: Ср фев 16, 2011 22:58:23
Сообщений: 193
Рейтинг сообщения: 0
Ну а я про что вам говорил!? А!? Вам надо гальваноразвязку хотя бы одного делать. Поставил бы преобразователь DC-DC уже готовый, не обязательно этот, другого производителя. Да, и потом у него КПД высок, греться ничего не будет, тем более от акума питаешь, каждый миллиампер важен. Не надо жалеть денег там, где этого не надо.

Советуешь людям жизнь облегчить, всё равно трудности находят...


Вернуться наверх
 
Не в сети
 Заголовок сообщения: Re: Оптимальное двухполярное питание для предусилителя
СообщениеДобавлено: Пн окт 07, 2013 20:33:53 
Первый раз сказал Мяу!

Зарегистрирован: Пн авг 19, 2013 12:57:44
Сообщений: 23
Рейтинг сообщения: 0
После Вашего совета все возможные места покупки обыскал, нигде нет. Поэтому пришлось искать альтернативы. С удовольствием поставил преобразователь заплатив за него порядка 200р, но нету.


Последний раз редактировалось graham Пн окт 07, 2013 21:01:38, всего редактировалось 1 раз.

Вернуться наверх
 
Не в сети
 Заголовок сообщения: Re: Оптимальное двухполярное питание для предусилителя
СообщениеДобавлено: Пн окт 07, 2013 20:44:08 
Грызет канифоль
Аватар пользователя

Зарегистрирован: Вт сен 03, 2013 09:21:03
Сообщений: 265
Рейтинг сообщения: 0
А что мешает самому сделать?
Если не гнаться за бешеным КПД, то там делов на 30 рублей и полчаса паять с чаепитием


Вернуться наверх
 
Не в сети
 Заголовок сообщения: Re: Оптимальное двухполярное питание для предусилителя
СообщениеДобавлено: Пн окт 07, 2013 21:02:49 
Первый раз сказал Мяу!

Зарегистрирован: Пн авг 19, 2013 12:57:44
Сообщений: 23
Рейтинг сообщения: 0
Leonid78, дайте, пожалуйста, пример схемы.


Вернуться наверх
 
Не в сети
 Заголовок сообщения: Re: Оптимальное двухполярное питание для предусилителя
СообщениеДобавлено: Пн окт 07, 2013 21:29:17 
Грызет канифоль
Аватар пользователя

Зарегистрирован: Вт сен 03, 2013 09:21:03
Сообщений: 265
Рейтинг сообщения: 0
Я бы делал на 34063 т.к валяются без дела
Но можно на классике 555 или еще на чем есть..


Вложения:
555to-9v.gif [17.86 KiB]
Скачиваний: 2198
DC_555.png [20.23 KiB]
Скачиваний: 1509
Вернуться наверх
 
Не в сети
 Заголовок сообщения: Re: Оптимальное двухполярное питание для предусилителя
СообщениеДобавлено: Вт окт 08, 2013 10:29:48 
Первый раз сказал Мяу!

Зарегистрирован: Пн авг 19, 2013 12:57:44
Сообщений: 23
Рейтинг сообщения: 0
[quote="Leonid78"][/quote]
На 34063 пробовал, но схема не заработала. Возможно из-за того, что я использовал не дроссели, а простую индуктивность (корпус как у резистора 0.125Вт)

1) Если к схеме с рисунка 555to-9v.gif подключить 12в аккумулятор, то получу -12В? А минус аккумулятора останется "землей".
2) Преимущество второй схемы в том, что напряжение стабилизируется и будет меньше помех для усилителя по питанию?


Вернуться наверх
 
Показать сообщения за:  Сортировать по:  Вернуться наверх
Начать новую тему Ответить на тему  [ Сообщений: 365 ]     ... , , , 9, , , ...  

Часовой пояс: UTC + 3 часа


Кто сейчас на форуме

Сейчас этот форум просматривают: Majestic-12 [Bot] и гости: 62


Вы не можете начинать темы
Вы не можете отвечать на сообщения
Вы не можете редактировать свои сообщения
Вы не можете удалять свои сообщения
Вы не можете добавлять вложения

Найти:
Перейти:  


Powered by phpBB © 2000, 2002, 2005, 2007 phpBB Group
Русская поддержка phpBB
Extended by Karma MOD © 2007—2012 m157y
Extended by Topic Tags MOD © 2012 m157y