Например TDA7294

Форум РадиоКот • Просмотр темы - Простая УКВ радиостанция с узкополосной ЧМ (20 МГц...50 МГц)
Форум РадиоКот
Здесь можно немножко помяукать :)

Текущее время: Пт ноя 28, 2025 18:41:28

Часовой пояс: UTC + 3 часа


ПРЯМО СЕЙЧАС:



Начать новую тему Ответить на тему  [ Сообщений: 478 ]     ... , , , 13, , , ...  
Автор Сообщение
Не в сети
 Заголовок сообщения: Re: Простая УКВ радиостанция с узкополосной ЧМ (20 МГц...50
СообщениеДобавлено: Пн июн 17, 2013 22:04:04 
Открыл глаза

Карма: 2
Рейтинг сообщений: 0
Зарегистрирован: Вт фев 09, 2010 20:54:18
Сообщений: 76
Рейтинг сообщения: 0
А антенну вы берёте заватскую или изготавливаите сами


Вернуться наверх
 
Не в сети
 Заголовок сообщения: Re: Простая УКВ радиостанция с узкополосной ЧМ (20 МГц...50
СообщениеДобавлено: Пн июн 17, 2013 23:08:42 
Друг Кота

Карма: -1
Рейтинг сообщений: 74
Зарегистрирован: Вт мар 13, 2012 12:16:13
Сообщений: 8839
Откуда: .ru
Рейтинг сообщения: 0
Я всегда делаю сам. Дело в том что антенна должна быть точно настроена, а найти нужную антенну на заданную частоту - задача не простая. :roll: Или придеться разбирать заводскую антенну все перестраивать (отматывать/доматывать витки). Не проще тогда самому все сделать ? И вообще... настоящий радиолюбитель все делает сам - так он получает опыт. :tea:
Про антенны много всего написано в интернете. Я (как и все) беру поэлитиленовую сердцевину от коаксиального кабеля и наматываю на всю длину провод такого диаметра, чтобы он поместился весь на антенне. Настраиваю - отматытываю по 1...2 витка или просто откусил лишний кусок антенны... )) Настройка максимум 5 минут)) потом изолентой сверху. Но лучше термоусадкой и прогреть. Получаеться почти как заводская. :)
Настройка антенны. Сопротивление антенны.
Можно вообще отградуировать милиамперметр в омах)) Сначало подключили на выход несколько резисторов и определили ток транзистора. например:
при отключенной антене ток будет около (сопротивление очень большое) 40mA,
при 150 Ом- ток например 60mA,
при 100 Ом -ток например 80mA
при 50 Ом - ток например 110mA
и т.д.
при коротком замыкании - ток 180mA
Затем подключаем антенну и смотрим ток. И сразу знаем сопротивление антенны. :tea:
Кстате, таким же образом можно настраивать коаксиальный кабель (подобрать оптимальную длину кабеля от радиостанции до антенны). Подлючаем коаксиальный кабель и смотрим ток. например берем 4 метра кабеля и отрезаем по кусочку (1...2 см). Сначало ток будет большим например 120mA... отрезая по кучочку ток будет уменьшаться... при длине кабеля примерно 3,60 метра на частоте 27 Мгц .... ток упадет до 10...20mA... т.е. в кабеле будет стоячая волна. - это оптимальная длина кабеля от радиостанции до антенны. При этом передача ВЧ инергии от радиостанции до антенны будет с минимальными потерями.
Вот так, имея простой тестер.. можно настраивать радиостанции. Кстате, тестер лучше использовать протсой стрелочный! Электронные тестера под действием ВЧ поля от передатчика ... могут врать :roll:


Вложения:
определение оптимальной длинны.png [10.19 KiB]
Скачиваний: 752
сопротивление антенны.png [7.09 KiB]
Скачиваний: 962


Последний раз редактировалось roman.com Пн июн 17, 2013 23:53:23, всего редактировалось 3 раз(а).
Вернуться наверх
 
Не в сети
 Заголовок сообщения: Re: Простая УКВ радиостанция с узкополосной ЧМ (20 МГц...50
СообщениеДобавлено: Пн июн 17, 2013 23:37:25 
Открыл глаза

Карма: 2
Рейтинг сообщений: 0
Зарегистрирован: Вт фев 09, 2010 20:54:18
Сообщений: 76
Рейтинг сообщения: 0
А чем мерите резонанс


Вернуться наверх
 
Не в сети
 Заголовок сообщения: Re: Простая УКВ радиостанция с узкополосной ЧМ (20 МГц...50
СообщениеДобавлено: Пн июн 17, 2013 23:40:48 
Поставщик валерьянки для Кота
Аватар пользователя

Карма: 29
Рейтинг сообщений: 354
Зарегистрирован: Вс июл 11, 2010 14:39:04
Сообщений: 2458
Откуда: Россия.
Рейтинг сообщения: 0
viewtopic.php?f=28&t=69005
И здесь в этой же теме.
viewtopic.php?p=1546376#p1546376


Вернуться наверх
 
Эиком - электронные компоненты и радиодетали
Не в сети
 Заголовок сообщения: Re: Простая УКВ радиостанция с узкополосной ЧМ (20 МГц...50
СообщениеДобавлено: Вт июн 18, 2013 00:29:35 
Друг Кота

Карма: -1
Рейтинг сообщений: 74
Зарегистрирован: Вт мар 13, 2012 12:16:13
Сообщений: 8839
Откуда: .ru
Рейтинг сообщения: 0
Mtr писал(а):
А чем мерите резонанс

Еще раз... подключили антенну и отрезаете по 1..2 витку... при этом ток транзистора будет рости. При резонансе антенна имеет минимальное сопротивление. Значит ток ранзистора будет максимальным! (закон Ома... физика 7 класс))) ) . Будете дальше отрезать по кусочку антенну.. ток опять будет уменьшаться. Главное не отрежте лишнего)) , а то придеться обратно доматывать витки. Осторожно отрезайте по маленькому кусочку. :)))


Вложения:
настройка антенны в резонанс.png [11.65 KiB]
Скачиваний: 958
Вернуться наверх
 
Не в сети
 Заголовок сообщения: Re: Простая УКВ радиостанция с узкополосной ЧМ (20 МГц...50
СообщениеДобавлено: Вт июн 18, 2013 06:41:29 
Встал на лапы

Карма: 2
Рейтинг сообщений: 15
Зарегистрирован: Пн янв 18, 2010 15:41:18
Сообщений: 149
Откуда: янао,надым,тюменская
Рейтинг сообщения: 0
если собрать передатчик на 1 микросхеме ICS501 и на одном транзисторе,то проще передатчика я не видел,а на дискретных элементах устройство получается более сложным чем на микросхемах,по сему радиостанция собранная только на одних транзисторах,простой быть не может.


Вернуться наверх
 
Не в сети
 Заголовок сообщения: Re: Простая УКВ радиостанция с узкополосной ЧМ (20 МГц...50
СообщениеДобавлено: Вт июн 18, 2013 12:09:35 
Друг Кота

Карма: -1
Рейтинг сообщений: 74
Зарегистрирован: Вт мар 13, 2012 12:16:13
Сообщений: 8839
Откуда: .ru
Рейтинг сообщения: 0
ЮРИЙ-ФАЗА писал(а):
радиостанция собранная только на одних транзисторах,простой быть не может.

Ну это спорный вопрос. Все относительно))) Еще раз повторю... эту радиостанцию я разработал для сельской связи. т.е. для радиолюбителей из села. Простая - это значит что мне не надо ехать в город и искать микросхемы.
1- Мою радиостанцию может собрать любой сельский радиолюбитель, буквально на коленке, из того что есть под рукой: старый радиоприемник, телевизор... можно даже ламповый)). Из приборов достаточно иметь простой старенький стрелочный тестер. :tea: Единственная дефицитная деталь в селе это кварц. Я их беру из старых компов.
2- Моя радиостанция хорошо подходит для начинающих, для проведения эксперементов. Собрав все на микросхемах вы не поймете всех подробностей работы различных блоков, узлов... В моей схеме все просто! Можно увидеть все режимы работы всех каскадов, понять как все работает (если есть приборы, например осциллограф и др.)
3- Моя схема имеет большие возможности для модернизации. Можно менять отдельные блоки, узлы... часть собрать на микросхемах... сравнить их работу и т.д.
4- Высокая ремонтопригодность. Что делать если Вы вдруг случайно сожгли микросхему? Опять ехать на рынок в поиске микросхемы? В моей схеме если сожгли транзистор... то ничего страшного! Просто берете из ящика старый трнзистор с близкими параметрами (типа КТ315) и все! Вот и весь ремонт :))
5- есть и другие параметры: габариты, потребляемый ток и т.д. Как правило, все микросхемы (умножители, синтезаторы, приемники... ) кушают довольно много. Например у меня УПЧ кушает меньше 1mA. Я не встречал микросхем приемников чтобы был потребляемый ток меньше 1mA :) Обычно от 8mA и больше (например К174ХА6, или К174УР3 и др.) А синтезаторы от радиотелефонов, профессиональных раций (от 10 каналов и более) вообще кушают не менее 40...50mA! :(
И т.д. и т.п. ... поэтому это вопрос не простой.


Вернуться наверх
 
Не в сети
 Заголовок сообщения: Re: Простая УКВ радиостанция с узкополосной ЧМ (20 МГц...50
СообщениеДобавлено: Вт июн 18, 2013 17:32:54 
Открыл глаза

Карма: 2
Рейтинг сообщений: 0
Зарегистрирован: Вт фев 09, 2010 20:54:18
Сообщений: 76
Рейтинг сообщения: 0
Здравствуйте не могу настроить увч хоть убей не получается у меня почему то . Изначально мах ток коллектора идёт хоть с п контуром хоть с нагрузка с нагрузки чуть падает правда. Пробовал подбирал ямкастя ставил лампочки резистор 50ом не фига
Это труды мои пока http://www.youtube.com/watch?v=5ozJORHRwog


Вложения:
2013-06-18 15.44.01_thumb_thumb.jpg [98.09 KiB]
Скачиваний: 1611
2013-06-18 15.43.55_thumb_thumb.jpg [109.64 KiB]
Скачиваний: 1221
Безымянный_thumb.jpg [99.18 KiB]
Скачиваний: 1221
Вернуться наверх
 
Не в сети
 Заголовок сообщения: Re: Простая УКВ радиостанция с узкополосной ЧМ (20 МГц...50
СообщениеДобавлено: Ср июн 19, 2013 21:44:38 
Друг Кота

Карма: -1
Рейтинг сообщений: 74
Зарегистрирован: Вт мар 13, 2012 12:16:13
Сообщений: 8839
Откуда: .ru
Рейтинг сообщения: 0
Mtr писал(а):
Изначально мах ток коллектора идёт хоть с п контуром хоть с нагрузка...

На фото плохо видно. Вопервых поменяйте дроселя. У Вас дроселя для УМ малой мощности (до 0,5 Вт), слишком тонкий провод дроселя взяли для такого усилителя. Будут большие потери на дроселе. При мощности 2...3 Вата нужно дроселя помощней: например не менее 20 витков провода диаметром 0,3мм на ферритовом сердечнике 3мм. Или витков 40..60 (приметрно) на резисторе не менее 1...2 ватта. Не вижу по фото какие транзисторы? Похоже на КТ610 или КТ907 ... Например КТ610 при 12 вольт на частоте 27 Мгц дает усиление по мощности около 5. Значит у вас на выходе должна быть мощность не менее 2...2,5 Ватта.
1- Настройте для начала предварительный УМ (усилитель мощности). Измерьте примерно мощность предварительного УМ. Мощьность должна быть примерно 0,4...0,5 Ватт (определяеться по яркости лампочки). Ток транзистора без лампочки (ток без нагрузки) должен быть примерно 30...40mA. При подключении лампочки ток должен быть 120...160 mA (примерно, зависит от транзистора). Убедитесь что нет поразитного возбуждения.
2- Затем подключите выходной УМ. И потихоньку увеличивайте раскачку: подбирая С16 и подстраивая контур. На выходе лампочка должна гореть с яркостью не менее 2 Ватт (при напряжении питания 12 Вольт). Я использую две лампочки последовательно 6,3V х 0,28А. В горячем состоянии их сопротивление примерно 50 Ом. Ток транзистора без лампочки (ток без нагрузки) болжен быть 60...80mA. При подключении лампочки ток должен быть 500...600mA (примерно, зависит от транзистора). Убедитесь что нет поразитного возбуждения.
3- подстройте П-контур по максимальной яркости лампочек (две лампочки последовательно 6,3V х 0,28А.)
Примечание: резистор 22 Ом желательно припаять прямо на выводы транзистора. Так усилитель работает более стабильно (нет поразитного возбуждения). Все выводы покороче.
4- подключите антенну (предварительно настроенную в резонанс) и еще раз подстройте П-контур по максимальному показанию индикатору поля.
Вот и вся настройка УМ (усилителя мощности) :tea:

Прикольное видео)) Вот Вы научились собирать рации. Поздравляю :beer:
Парочку советов:
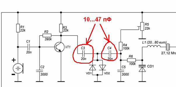
1- Для более четкого звука можно подобрать сопротивление конденсаторов в модуляторе. Они выбираються малой емкости чтобы поднять высокие частоты. (предискажение как в профессиональных рациях).
2- Можно добавить регулятор тембра. :)
3- При большой мощности радиостанции возможны искажения: сигнал передатчика через провод гарнитуры может попадать на вход модулятора. При этом громкость звука становится тише (модулятор перегружаеться от высокой частоты). Возможно придеться поставить дополнительный фильтр на входе рации (модулятора).
4- Корпус у вас пластмассовый. Противовес у вас получаеться провод гарнитуры.
Вообще, я в таких случаях обклеиваю внутренние стенки фольгой, или припаиваю пластины из аллюминия и др. При этом корпус рации хорошо работает как противовес. Для раций на такие частоты это важно: для получения хорошей мощности передатчикаи чувствительности приемника, а следовательно и дальности связи. :tea:


Вложения:
регулятор тембра.png [34.6 KiB]
Скачиваний: 876
модулятор.png [13.36 KiB]
Скачиваний: 605
П-контур.gif [18.2 KiB]
Скачиваний: 891
выходной УМ.gif [17.28 KiB]
Скачиваний: 920
предварительный УМ.gif [12.91 KiB]
Скачиваний: 948
Вернуться наверх
 
Не в сети
 Заголовок сообщения: Re: Простая УКВ радиостанция с узкополосной ЧМ (20 МГц...50
СообщениеДобавлено: Ср июн 19, 2013 23:07:40 
Друг Кота

Карма: -1
Рейтинг сообщений: 74
Зарегистрирован: Вт мар 13, 2012 12:16:13
Сообщений: 8839
Откуда: .ru
Рейтинг сообщения: 0
один из вариантов микрофонного фильтра.


Вложения:
микрофонный фильтр.png [14.85 KiB]
Скачиваний: 806
Вернуться наверх
 
Не в сети
 Заголовок сообщения: Re: Простая УКВ радиостанция с узкополосной ЧМ (20 МГц...50
СообщениеДобавлено: Вс авг 25, 2013 14:38:40 
Мучитель микросхем
Аватар пользователя

Карма: 3
Рейтинг сообщений: 5
Зарегистрирован: Ср авг 24, 2011 12:14:29
Сообщений: 425
Откуда: Украина г.Никополь
Рейтинг сообщения: 0
Доброго времени суток :beer: Кто нибудь собрал уже эту рацию? я вот в поисках резисторов на 390кОм наткнулся на плату с ними Изображение на ней были 390кОм и 22кОм и я задумался что автор схемы имел много таких плат :)) Вообщем взялся за эту рацию доделывать скоро буду настраивать. У меня остаются вопросы по катушкам смесителя и дробного детектора как и на чем их мотать как измерять. может это обсуждалось не знаю но я хочу получить ответ в картинках :) смесители я буду мотать на таких каркасах Изображение вот так намотал Изображение вот так лежат витки Изображение, а дробный детектор хочу на таких Изображение объясните как мотать на таких каркасах катушки в картинках для этого приемника. Я получу очень большой опыт :beer:


Вернуться наверх
 
Не в сети
 Заголовок сообщения: Re: Простая УКВ радиостанция с узкополосной ЧМ (20 МГц...50
СообщениеДобавлено: Вс авг 25, 2013 22:28:26 
Друг Кота

Карма: -1
Рейтинг сообщений: 74
Зарегистрирован: Вт мар 13, 2012 12:16:13
Сообщений: 8839
Откуда: .ru
Рейтинг сообщения: 0
Evris писал(а):
на ней были 390кОм и 22кОм и я задумался что автор схемы имел много таких плат

))) Нет. Сопротивление резисторов определялось эксперементально. Причем это вовсе не значит что нужно использовать именно 22 кОм и 390 кОм... Я использую те что есть под рукой. Например 300...400 кОм и 15...25 кОм примерно. Это не критично!
Evris писал(а):
смесители я буду мотать на таких каркасах...

Вообще на фото - это ВЧ катушки. Для ПЧ лучше использовать катушки с броневым ферритовым сердечником (добротность, а значит и избирательность будет значительно выше). Хотя и такие катушки тоже будут работать (как на фото)... желательно только подобрать количество витков. Для такой катушки как у Вас на фото нужно намотать примерно 100 витков...
или (как я обычно делаю) подобрать конденсатор контура ПЧ... :roll:
И обязательно все ПЧ катушки в экранах! Экраны припаять к общему проводу. bначе УПЧ сразу возбудиться... :?
Правда можно использовать катушки и без экрана... тогда придеться экранировать отдельные узлы: разделить перегородками из жести... как например в старых ламповых приемниках- смеситель, 1-я катушка детектора, 2-я катушка детектора... должны быть разделены экраном. При этом у вас будут большие габариты. Это получиться уже не рация а стационарная радиостанция))

Evris писал(а):
вот так лежат витки...

как я писал выше... в простых рациях это не важно. Катушки УПЧ наматываються внавал, для частоты 465 кГц или 455 кГц обычно 75 витков, причем на практике не важно какую обмотку наматывать первой... Работать будет практически одинаково (Вы разницы не заметите).
Фото под рукой нет. Просто выпаиваете старую катушку... разматываете весь провод (заодно посмотрите как был намотан провод на заводе) и наматываете так же свои 75 витков для частоты 465 кГц. Чтобы катушка работала на частоте 465 Кгц подключите паралельно конденсатор примерно 1000 пФ (обычно в пределах 500 пФ ....1000 пФ - подбираеться при настройке).


Вернуться наверх
 
Не в сети
 Заголовок сообщения: Re: Простая УКВ радиостанция с узкополосной ЧМ (20 МГц...50
СообщениеДобавлено: Вт авг 27, 2013 19:17:42 
Друг Кота

Карма: -1
Рейтинг сообщений: 74
Зарегистрирован: Вт мар 13, 2012 12:16:13
Сообщений: 8839
Откуда: .ru
Рейтинг сообщения: 0
Evris писал(а):
Сложности в катушках=)

Катушки можно использовать практически любые. На частоте 465 кГц работают практически все марки феррита. Я собирал вообще самодельные катушки от строчного трансформатора от телевизора: размельчал ферритовый сердечник в порошок, смешивал с эбоксидной смолой и заливал формочки катушек. Все прекрасно работало! Правда добротность может была чуть хуже чем у заводских катушек... просто у меня стоял пьезокерамический ФСС, который задает избирательность приемника, поэтому к остальным катушкам нет высоких требований.
Просто в зависимости от марки феррита и диаметра катушки меняеться количество витков. Я обычно наматывал для самодельной катушки примерно 100 витков любого провода (чтоб весь поместился на катушке). Впаивал в схему... При грубой настройке я подбирал конденсатора, а при точной настройке вводил-выводил ферритовый стержень (заводской, от старых катушек).
Если Вам удобно использовать с магнитофона то пожалусто. Главное чтобы катушки поместились на плате. Только не забывайте: все катушки УПЧ должны быть в экранах! При этом катушка в экране будет минимум в два раза больше. Поэтому смотрите сами... какие вам нужны размеры... Если поместяться то ставьте да и все. Я сам так делал. :tea:
А чем Вам не нравяться заводские катушки? Соберите весь УПЧ на них. Я так тоже делал. Даже самодельный ФСС сорбирал на них. Тоже работать будет! Проверял много раз. Вот эти:
Изображение
Правда эти разноцветные катушки имееют плохую температурную стабильность... Т.е. если ФСС рации собран на этих катушках (на фото) то дома работать все будет нормально... а вот евсли вы выйдете на улицу (зимой или жарким летом -20...-5... +5...+40) с такой рацией... то ФСС может сильно расстроиться.. со всеми последствиями :?
Конечно, идеальный вариант - использовать катушки от старого приемника на частоту 465 Кгц. Старые советские катушки имеет высокую добротность (намотаны лицендратом) и имеют высокую температурную стабильность... Но таких еще поискать нужно... :?
Кстате, вы определились с частотой ? Я обычно начинаю собирать рацию с поиска кварцев и пьезокерамического ФСС. В зависимости от частоты все данные контуров будут немного отличаться...
Когда у меня нет пьезокерамического ФСС, я собираю самодельный ФСС: на 2..4 связанных контурах. :roll: Получаеться очень даже хорошо!


Вернуться наверх
 
Не в сети
 Заголовок сообщения: Re: Простая УКВ радиостанция с узкополосной ЧМ (20 МГц...50
СообщениеДобавлено: Сб авг 31, 2013 00:41:54 
Мучитель микросхем
Аватар пользователя

Карма: 3
Рейтинг сообщений: 5
Зарегистрирован: Ср авг 24, 2011 12:14:29
Сообщений: 425
Откуда: Украина г.Никополь
Рейтинг сообщения: 0
Доброго времени суток. Распаял платку Изображение вытянул катушки и ФСС :) вот Изображение сколько примерно надо намотать витков на такую катушку для L11, L12, L13? а то у меня целый год уйдет на подбор витков я только начинаю такое строить :) ФСС такие годятся ?


Вернуться наверх
 
Не в сети
 Заголовок сообщения: Re: Простая УКВ радиостанция с узкополосной ЧМ (20 МГц...50
СообщениеДобавлено: Сб авг 31, 2013 01:07:18 
Поставщик валерьянки для Кота
Аватар пользователя

Карма: 29
Рейтинг сообщений: 354
Зарегистрирован: Вс июл 11, 2010 14:39:04
Сообщений: 2458
Откуда: Россия.
Рейтинг сообщения: 0
Evris писал(а):
целый год уйдет на подбор витков
У Вас осциллограф есть хотя бы с полосой до 500 кгц?


Вернуться наверх
 
Не в сети
 Заголовок сообщения: Re: Простая УКВ радиостанция с узкополосной ЧМ (20 МГц...50
СообщениеДобавлено: Сб авг 31, 2013 02:52:39 
Мучитель микросхем
Аватар пользователя

Карма: 3
Рейтинг сообщений: 5
Зарегистрирован: Ср авг 24, 2011 12:14:29
Сообщений: 425
Откуда: Украина г.Никополь
Рейтинг сообщения: 0
Есть. Что дальше делать :roll: ?


Вернуться наверх
 
Не в сети
 Заголовок сообщения: Re: Простая УКВ радиостанция с узкополосной ЧМ (20 МГц...50
СообщениеДобавлено: Сб авг 31, 2013 07:58:36 
Встал на лапы

Карма: 2
Рейтинг сообщений: 15
Зарегистрирован: Пн янв 18, 2010 15:41:18
Сообщений: 149
Откуда: янао,надым,тюменская
Рейтинг сообщения: 0
катушки,на платках от приёмников,у которых жёлтый сердечник настроены на 455 кгц!
их можно использовать по прямому назначению.
советую по инэту поискать инфу по цветовой маркировке буржуйских катушек!


Вернуться наверх
 
Не в сети
 Заголовок сообщения: Re: Настройка супергетеродина
СообщениеДобавлено: Сб авг 31, 2013 12:44:57 
Поставщик валерьянки для Кота
Аватар пользователя

Карма: 29
Рейтинг сообщений: 354
Зарегистрирован: Вс июл 11, 2010 14:39:04
Сообщений: 2458
Откуда: Россия.
Рейтинг сообщения: 0
Evris писал(а):
Есть. Что дальше делать :roll: ?
Тогда почитайте здесь как определить резонансную частоту колебательного контура и оценить её добротность с помощью осциллографа.
aen писал(а):
Как измерить резонансную частоту колебательного контура подручными средствами.
viewtopic.php?p=1760094#p1760094
Т.е. имея осциллограф Вы можете предварительно настроить ваши контура на нужную частоту и оценить их добротность, только в вашем случае частота будет таю что нужно вам.
aen писал(а):
Проверьте свой контур на соответствие и тогда решите, перематывать или нет. Он у вас должен иметь резонансную частоту порядка 300 кгц и довольно хорошую добротность.
Если у Вас нет приборов для этой проверки, то используйте те, что у Вас есть по максимуму.
Вот например в этой теме я писал и сам для примера показывал как использовать осциллограф для определения резонансной частоты колебательного контура и оценить его добротность.
viewtopic.php?p=1746255#p1746255
Если в вашем осциллографе нет выхода импульсов синхронизации, то сделайте генератор прямоугольных импульсов на частоту 1 – 2 кгц по любой схеме. Удобно на КМОП микросхемах и проверяйте.
http://www.chipinfo.ru/literature/radio ... 44_45.html
Что бы не искать я те сообщения сюда перенесу.
Там спрашивали:
"Как измерить резонансную частоту колебательного контура подручными средствами."
aen писал(а):
Способов много.
Крутить генератор и искать максимум показаний ВЧ вольтметра.
При этом нужно учитывать внесенные паразитные емкости и индуктивности. Просто их нужно минимизировать.

Изображение

Или так.
Возбуждаем контур импульсом и смотрим частоту ударных колебаний.
viewtopic.php?p=494258#p494258
Кому как удобнее. В данном случае можно и добротность контура определить, хотя по первому варианту это тоже можно сделать.

Изображение

И много еще других способов.
aen писал(а):
Конденсатор связи между генератором и контуром должен быть по крайней мере раз в 20 - 50 меньше, чем конденсатор в колебательном контуре, что бы генератор не шунтировал контур и меньше влиял на измерение.
Т.е. чем меньше, тем лучше. Главное, что бы хватало для наблюдения синусоиды на экране.

Вот я сейчас собрал такую схему. Конденсатор в контуре 330 пф, а конденсатор связи 18 пф
Так выглядят ударные колебания в контуре.

Изображение

Это я их немного развернул на осциллографе.

Изображение

А это развернул, что бы подсчитать частоту.
У меня получилась резонансная частота моего контура прядка 750 кгц, т.к. на осциллографе стоит развертка 1мкс/дел.

Изображение
aen писал(а):
Добротность можно оценить подсчитав количество колебания до того, как амплитуда упадет в 23 раза.
Само собой, чем больше колебаний насчитаете, тем значит больше добротность.

Т.е. используйте имеющиеся у вас приборы по максимуму.
Осциллографом можно не только форму сигналов смотреть. Это очень универсальный прибор.
Еще очень удобная вещь для настройки приемников это простая приставка ГКЧ к осциллографу, но в данном случае думаю можно и без неё обойтись.
А вот для окончательной настройки ФСС уже понадобится ГКЧ, которой тоже можно сделать в виде простейшей приставки к вашему осциллографу.
Проблема с ФСС еще в том, что добротность контуров должна быть порядка 100, что трудно сделать мотая их на случайных каркасах. Лучший вариант, это применить горшкообразные ферритовые сердечники, что ставили в контурах ПЧ старых транзисторных приемников. Их диаметр 8,6 мм
Добротность 100 в них можно получить мотая их жгутом из 3 - 4 проводов диаметром 0,08 - 0,1 мм, а если мотать одиночным проводом диаметр 0,15 то достичь добротности 50, что уже тоже более-менее приемлемо.
Применение же сверминиатюрных каркасов от новых приемников для ФСС ни к чему хорошему не приводит, т.к. в виду их миниатюрности, получить контур с приемлемой добротностью на них невозможно.
Хотя конечно работать будет.


Вернуться наверх
 
Не в сети
 Заголовок сообщения: Re: Простая УКВ радиостанция с узкополосной ЧМ (20 МГц...50
СообщениеДобавлено: Пн сен 02, 2013 10:06:39 
Друг Кота

Карма: -1
Рейтинг сообщений: 74
Зарегистрирован: Вт мар 13, 2012 12:16:13
Сообщений: 8839
Откуда: .ru
Рейтинг сообщения: 0
Evris писал(а):
сколько примерно надо намотать витков на такую катушку для L11, L12, L13? ... целый год уйдет на подбор витков...

Я же много раз писал уже... точно подбирать витки Вам нет смысла. Намотайте все как на схеме написано: L11 - 75 вит, L12 - 75/35 вит, L13 - 35+35 вит... да и все. При настройке подберете конденсаторы. Так будет проще, чем подбирать точно количество витков... Поббирать точно количество виков - это долго и нудно... :(
Evris писал(а):
ФСС такие годятся ?

Для простого ФСС годятся! Добротность будет не большой... но для первой конструкции пойдет. Работать будет.
Пьезокерамические ФСС для узкополосной ЧМ (+/- 3 кГц) пойдут. Полоса таких пьезокерамичесие ФСС примерно 7...9 кГц. Прадва избирательность у низ плохая. Поставьте два последовательно. Короче все работать будет. Если точно подобрать частоту кварцев...
Lazy писал(а):
...почитайте здесь как определить резонансную частоту колебательного контура...

))) Вы уж сильно все научно хотите ... Человек просто решил собрать простую рацию... А Вы всех пугаете... сейчас все подумают что все и правда очень сложно и нужна куча приборов ))
Lazy писал(а):
применить горшкообразные ферритовые сердечники, что ставили в контурах ПЧ старых транзисторных приемников. Их диаметр 8,6 мм

Это конечно все замечательно... Только мы собираем портативную рацию, а не стационарную. Для нас важен каждым милиметр лишнего размера, веса, ... :roll:
Короче я советую просто собрать из того что есть, главное для начала разобраться как все работате. А потом Вы уже можите проводить модернизацию сколько угодно - менять катушки, ФСС, и т.д.


Вернуться наверх
 
Не в сети
 Заголовок сообщения: Re: Простая УКВ радиостанция с узкополосной ЧМ (20 МГц...50
СообщениеДобавлено: Пн сен 02, 2013 11:42:59 
Поставщик валерьянки для Кота
Аватар пользователя

Карма: 29
Рейтинг сообщений: 354
Зарегистрирован: Вс июл 11, 2010 14:39:04
Сообщений: 2458
Откуда: Россия.
Рейтинг сообщения: 0
roman.com писал(а):
Вы всех пугаете... сейчас все подумают что все и правда очень сложно и нужна куча приборов ))
Какая куча?
Я же спросил.
Lazy писал(а):
У Вас осциллограф есть хотя бы с полосой до 500 кгц?
Вот ответ автора вопроса.
Evris писал(а):
Есть. Что дальше делать :roll: ?
Дальше написано как использовать осциллограф, что есть у автора для его целей.
Или Вы считаете, что осциллограф, если он даже у человека есть, нужно использовать только для того, что бы рабочее место было красивое? :)


Вернуться наверх
 
Показать сообщения за:  Сортировать по:  Вернуться наверх
Начать новую тему Ответить на тему  [ Сообщений: 478 ]     ... , , , 13, , , ...  

Часовой пояс: UTC + 3 часа


Кто сейчас на форуме

Сейчас этот форум просматривают: нет зарегистрированных пользователей и гости: 31


Вы не можете начинать темы
Вы не можете отвечать на сообщения
Вы не можете редактировать свои сообщения
Вы не можете удалять свои сообщения
Вы не можете добавлять вложения

Найти:
Перейти:  


Powered by phpBB © 2000, 2002, 2005, 2007 phpBB Group
Русская поддержка phpBB
Extended by Karma MOD © 2007—2012 m157y
Extended by Topic Tags MOD © 2012 m157y