Например TDA7294

Форум РадиоКот • Просмотр темы - Усилитель для компьютерного микрофона с фантомным питанием
Форум РадиоКот
Здесь можно немножко помяукать :)

Текущее время: Пн дек 22, 2025 03:41:46

Часовой пояс: UTC + 3 часа


ПРЯМО СЕЙЧАС:



Начать новую тему Ответить на тему  [ Сообщений: 227 ]    , , , , 5, , , ...  
Автор Сообщение
Не в сети
 Заголовок сообщения: Re: Усилитель для компьютерного микрофона с фантомным питани
СообщениеДобавлено: Чт дек 15, 2011 19:49:35 
Прорезались зубы
Аватар пользователя

Карма: 15
Рейтинг сообщений: 24
Зарегистрирован: Вт сен 27, 2011 21:23:36
Сообщений: 230
Рейтинг сообщения: 0
Тоже сделал себе усилочек. Результат очень порадовал :)
Делал по упрощенной двух-транзисторной схеме отсюда.
Транзисторы взял с буквами C в конце, они с максимальным усилением.
Нашёл у себя старый капсюль от микрофона, советский ещё, по моему)
Выглядит очень симпатично, сделан капитально, из металла, он же служит экраном для всей схемы в целом.
Схемка выполнена на двухстороннем текстолите, напаяна прямо на микрофон. Вся конструкция прячется в капсюль.

Изображение

Изображение

Изображение

Изображение


Вернуться наверх
 
Не в сети
 Заголовок сообщения: Re: Усилитель для компьютерного микрофона с фантомным питани
СообщениеДобавлено: Сб янв 07, 2012 10:12:04 
Родился

Зарегистрирован: Сб янв 07, 2012 09:24:33
Сообщений: 1
Рейтинг сообщения: 0
Люди, а этот усилитель подойдет для динамического микрофона от караоке для подключению к компьютеру? Мне очень нужен такой усилитель, подскажите что-нибудь. Желательно без дополнительного питания и на 2-х транзисторах (с усилением 30 дБ)


Вернуться наверх
 
Не в сети
 Заголовок сообщения: Re: Усилитель для компьютерного микрофона с фантомным питани
СообщениеДобавлено: Ср фев 15, 2012 19:30:36 
Первый раз сказал Мяу!
Аватар пользователя

Зарегистрирован: Пт июл 31, 2009 19:48:25
Сообщений: 28
Откуда: Украина
Рейтинг сообщения: 0
Собрал я первую схемку, результат на ноуте мурлычет, на компе нет...
Оказалось есть разница выходного напряжен на звуковой карте, на ноуте 3.7 В на компе 2.4В, подскажите пожалуйста как перекошачить это чтоб работало на компе )


Вернуться наверх
 
Не в сети
 Заголовок сообщения: Re: Усилитель для компьютерного микрофона с фантомным питани
СообщениеДобавлено: Ср фев 15, 2012 21:23:07 
Нашел транзистор. Понюхал.
Аватар пользователя

Зарегистрирован: Вс авг 08, 2010 15:44:26
Сообщений: 154
Откуда: Киев
Рейтинг сообщения: 0
Snikers писал(а):
Собрал я первую схемку, результат на ноуте мурлычет, на компе нет...
Оказалось есть разница выходного напряжен на звуковой карте, на ноуте 3.7 В на компе 2.4В, подскажите пожалуйста как перекошачить это чтоб работало на компе )
Найти или возможно подать питание +5В на патери, скорее всего нада гдето перемычку поставить, смотри мануал к матери

_________________
Юпитер 106 С1, Юпитер 106 С2, Нота МТ 220 С, 10МАС-1М, Электроника 25АС-128, Вега 10У-120С
Одиссей 010, Лорта 50у202С
heavy metal never die


Вернуться наверх
 
Эиком - электронные компоненты и радиодетали
Не в сети
 Заголовок сообщения: Re: Усилитель для компьютерного микрофона с фантомным питани
СообщениеДобавлено: Ср фев 15, 2012 21:57:51 
Первый раз сказал Мяу!
Аватар пользователя

Зарегистрирован: Пт июл 31, 2009 19:48:25
Сообщений: 28
Откуда: Украина
Рейтинг сообщения: 0
Хм.. мануал перелистал, там нет про перемычки ничего, и на материнке их не наблюдаю..
А без дополнительно питания никак нельзя ? ну там резисторы с меньшим сопротивлением поставить (насколько ?), чтоб этих 2.4В хватило, а то тащить еще один провод как то не практично, и батарейку уже некуда воткнуть, плату еле вместил в корпус микрофона..
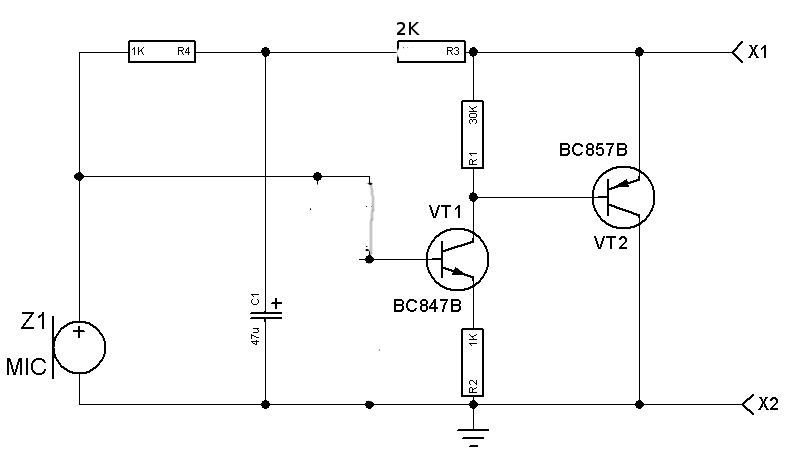
Или может собрать другую схему, такую чтоб ей хватало этого фантомного питания, может эту?
Изображение
Кстати чувствительность все равно на порядок лучше стала а компе, примерно на 10%, говорить можно нормальным тоном на расстоянии 10 см от рта и норм, а раньше хоть в рот вставляй, все равно ничего почти слышно не было. А вот на ноуте чувствительность выросла на все 100%, можно с метра нормально говорить.


Вернуться наверх
 
Не в сети
 Заголовок сообщения: Re: Усилитель для компьютерного микрофона с фантомным питани
СообщениеДобавлено: Чт фев 16, 2012 00:30:57 
Нашел транзистор. Понюхал.
Аватар пользователя

Зарегистрирован: Вс авг 08, 2010 15:44:26
Сообщений: 154
Откуда: Киев
Рейтинг сообщения: 0
Скорее всего встроенная звуковуха в компе на более не способна

_________________
Юпитер 106 С1, Юпитер 106 С2, Нота МТ 220 С, 10МАС-1М, Электроника 25АС-128, Вега 10У-120С
Одиссей 010, Лорта 50у202С
heavy metal never die


Вернуться наверх
 
Не в сети
 Заголовок сообщения: Re: Усилитель для компьютерного микрофона с фантомным питани
СообщениеДобавлено: Пт фев 17, 2012 10:27:43 
Нашел транзистор. Понюхал.

Зарегистрирован: Чт авг 27, 2009 16:19:45
Сообщений: 157
Рейтинг сообщения: 0
Snikers писал(а):
А без дополнительно питания никак нельзя ? ну там резисторы с меньшим сопротивлением поставить (насколько ?), чтоб этих 2.4В хватило.....
Кстати чувствительность все равно на порядок лучше стала а компе

Померяйте какое напряжение непосредственно на микрофоне. Думаю, вполне можно уменьшить сопротивления R1, R2 по Вашей схеме до 510...680 Ом, возможно придётся уменьшить ёмкость C2 в 2-3 раза, если будет завал по частоте нч. Так же попробовать подобрать сам микрофонный капсюль, нормально работающий при низком напряжении питания.
Да, если чуствительность стала на порядок лучше (т.е. в 10 раз), то всё нормально :) , автор писАл:
Galizin писал(а):
Всего существует 3 разновидности схемы
1 - первоначальная с усилением около 10 http://radiokot.ru/circuit/audio/amplifier/40/


Вернуться наверх
 
Не в сети
 Заголовок сообщения: Re: Усилитель для компьютерного микрофона с фантомным питани
СообщениеДобавлено: Пт июл 06, 2012 11:46:51 
Открыл глаза
Аватар пользователя

Зарегистрирован: Пн ноя 15, 2010 15:49:37
Сообщений: 61
Откуда: Россия
Рейтинг сообщения: 0
Всем привет. Решил сделать усилитель микрофона. Выбрал вот эту схему: download/file.php?id=80743

Нарисовал печатку, спаял, но не работает. На микрофон в скайпе вобще не реагирует. Проверьте на всякий случай правильно плату развел или нет? Заранее спасибо.


Вложения:
Безымянный.png [21.13 KiB]
Скачиваний: 2192
Вернуться наверх
 
Не в сети
 Заголовок сообщения: Re: Усилитель для компьютерного микрофона с фантомным питани
СообщениеДобавлено: Пт июл 06, 2012 13:09:27 
Сверлит текстолит когтями
Аватар пользователя

Карма: 16
Рейтинг сообщений: 62
Зарегистрирован: Сб апр 21, 2007 10:40:53
Сообщений: 1292
Рейтинг сообщения: 0
safronov-63 писал(а):
Выбрал вот эту схему:
download/file.php?id=80743
спаял, но не работает
А с чего Вы взяли, что она будет работать?
Она работать не будет какую бы Вы печатку не сделали.


Вернуться наверх
 
Не в сети
 Заголовок сообщения: Re: Усилитель для компьютерного микрофона с фантомным питани
СообщениеДобавлено: Пт июл 06, 2012 13:48:27 
Открыл глаза
Аватар пользователя

Зарегистрирован: Пн ноя 15, 2010 15:49:37
Сообщений: 61
Откуда: Россия
Рейтинг сообщения: 0
Maks писал(а):
safronov-63 писал(а):
Выбрал вот эту схему:
download/file.php?id=80743
спаял, но не работает
А с чего Вы взяли, что она будет работать?
Она работать не будет какую бы Вы печатку не сделали.


А с чего бы схема неработает? многие отписывались что все норм.


Вернуться наверх
 
Не в сети
 Заголовок сообщения: Re: Усилитель для компьютерного микрофона с фантомным питани
СообщениеДобавлено: Пт июл 06, 2012 14:31:08 
Мучитель микросхем

Карма: 16
Рейтинг сообщений: 35
Зарегистрирован: Ср окт 15, 2008 09:33:03
Сообщений: 476
Откуда: Воронеж
Рейтинг сообщения: 0
У меня отказался работать на 1 из 6 опробованных компов. В чем проблема - не знаю. Попробуйте на другом компьютере - если и там не работает - проверьте напряжения - может где КЗ или непропай.


Вернуться наверх
 
Не в сети
 Заголовок сообщения: Re: Усилитель для компьютерного микрофона с фантомным питани
СообщениеДобавлено: Пт июл 06, 2012 16:12:07 
Открыл глаза
Аватар пользователя

Зарегистрирован: Пн ноя 15, 2010 15:49:37
Сообщений: 61
Откуда: Россия
Рейтинг сообщения: 0
Нашел ошибки на печатке. Сейчас исправлю, отпишусь


Вернуться наверх
 
Не в сети
 Заголовок сообщения: Re: Усилитель для компьютерного микрофона с фантомным питани
СообщениеДобавлено: Пн авг 13, 2012 15:14:51 
Опытный кот

Зарегистрирован: Вс май 02, 2010 11:08:47
Сообщений: 731
Откуда: Los Angeles
Рейтинг сообщения: 0
отличный усиль


Вернуться наверх
 
Не в сети
 Заголовок сообщения: Re: Усилитель для компьютерного микрофона с фантомным питани
СообщениеДобавлено: Вс авг 26, 2012 00:46:30 
Родился

Зарегистрирован: Пт авг 24, 2012 22:09:08
Сообщений: 1
Рейтинг сообщения: 0
Усиль оч порадовал
мои 5 копеек:

Изображение

Изображение

Собирал для аудио удлинителя/коммутатора
Изображение

Помех кстати не слышал без экрана, возможно из-за того что стоит шумоподавление в винде. Но на всякий случай намотал
Изображение

Вписался как родной.
Изображение

И в целом конструкция если кому-то интересно
Изображение


Вернуться наверх
 
Не в сети
 Заголовок сообщения: Re: Мелкие вопросы по теории
СообщениеДобавлено: Чт авг 15, 2013 05:11:33 
Это не хвост, это антенна
Аватар пользователя

Карма: 4
Рейтинг сообщений: 16
Зарегистрирован: Чт авг 04, 2011 06:17:31
Сообщений: 1420
Откуда: паланета Земля
Рейтинг сообщения: 0
Такой вопрос форумчане:
Нашёл на днях динамический микрофон от караоке, подключил к компьютеру (в настройках отключено усиление), но громкость звука оставляет желать лучшего, но качество приемлемо.
Немного погуглив нашёл данную схему [Источник]:
Изображение
Варганить что то на мс лень, да и дополнительное питание не хочется тянуть.
но вот меня смущает распиновка штекера микрофона:
Изображение
Сколько занимаюсь радиоэлектроникой и ремонтом пк, не когда не знал что в микрофон входе есть питание, или это специально питать надо или действительно там подаётся напруга?
И обычно это контакт замыкают на пин output (по картинки).
Если есть другие простые схемы без мс, в студию!




Сюда перенес.
Почитайте тему. В ней как раз подобный вопрос обсуждается.
А вообще тем по данному вопросу на форуме много.
Вот например. Там и ссылки даны.
viewtopic.php?f=24&t=31088

aen


Вернуться наверх
 
Не в сети
 Заголовок сообщения: Re: Мелкие вопросы по теории
СообщениеДобавлено: Чт авг 15, 2013 05:20:15 
Друг Кота
Аватар пользователя

Карма: 175
Рейтинг сообщений: 7680
Зарегистрирован: Чт апр 04, 2013 12:46:59
Сообщений: 17234
Откуда: Тюмень
Рейтинг сообщения: 1
Там действительно есть напряжение, предназначено для питания электретных микрофонов. 5 вольт. Можно использовать для запитки собираемой схемки... На центральный штырёк его замыкают, чтобы получить аналог "фантомного питания", когда и звук, и питание идут по одному проводу - это стандарт для студийной техники, но напряжение там 48 вольт...

_________________
Общением на форуме подпитываю свою эгоистичную, склонную к самолюбованию сущность.


Вернуться наверх
 
Не в сети
 Заголовок сообщения: Re: Мелкие вопросы по теории
СообщениеДобавлено: Чт авг 15, 2013 05:46:25 
Это не хвост, это антенна
Аватар пользователя

Карма: 4
Рейтинг сообщений: 16
Зарегистрирован: Чт авг 04, 2011 06:17:31
Сообщений: 1420
Откуда: паланета Земля
Рейтинг сообщения: 0
Slabovik, Спасибо, значит вечером начнём ваять данную схему)


Вернуться наверх
 
Не в сети
 Заголовок сообщения: Re: Мелкие вопросы по теории
СообщениеДобавлено: Чт авг 15, 2013 09:09:14 
Собутыльник Кота
Аватар пользователя

Карма: 28
Рейтинг сообщений: 757
Зарегистрирован: Сб ноя 13, 2010 12:53:25
Сообщений: 2896
Откуда: приходит весна?
Рейтинг сообщения: 0
В разных компах/звуковухах эта вещь реализована по-разному. У меня в ноуте, например, микрофон -- стерео вход. Каждый канал (и левый, и правый) внутри ноута подтянут к +2,5 вольтам через резистор 2 кОм. То есть, в моём случае, из вашей схемы можно исключить две детали.


Вернуться наверх
 
Не в сети
 Заголовок сообщения: Уменьшить шум электретного микрофона
СообщениеДобавлено: Вс ноя 10, 2013 14:52:59 
Родился

Зарегистрирован: Вс ноя 10, 2013 14:49:04
Сообщений: 5
Рейтинг сообщения: 0
Всем привет,
ребят, может подскажет кто, что можно припаять к микрофону Genius MIC-01A, чтобы он стал меньше шуметь?
Именно припаять, программное шумоподавление не интересует.

Т.к. я не силён в электронике, то можно и нарисовать )

Благодарю.

Изображение


Последний раз редактировалось Темов Вс ноя 10, 2013 17:42:06, всего редактировалось 1 раз.

Вернуться наверх
 
Не в сети
 Заголовок сообщения: Re: Уменьшить шум электретного микрофона
СообщениеДобавлено: Вс ноя 10, 2013 17:03:36 
Друг Кота
Аватар пользователя

Карма: 55
Рейтинг сообщений: 669
Зарегистрирован: Вт сен 25, 2012 23:13:41
Сообщений: 5434
Откуда: г.Дзержинск Нижегородской обл.
Рейтинг сообщения: 0
В данном случае надо не припаять, а ОТпаять транзистор и заменить его на импортный малошумящий.
И еще, схему полностью выложите.

_________________
Спасение утопающих дело рук самих утопающих.


Последний раз редактировалось Николай_С Вс ноя 10, 2013 17:07:07, всего редактировалось 1 раз.

Вернуться наверх
 
Показать сообщения за:  Сортировать по:  Вернуться наверх
Начать новую тему Ответить на тему  [ Сообщений: 227 ]    , , , , 5, , , ...  

Часовой пояс: UTC + 3 часа


Кто сейчас на форуме

Сейчас этот форум просматривают: нет зарегистрированных пользователей и гости: 76


Вы не можете начинать темы
Вы не можете отвечать на сообщения
Вы не можете редактировать свои сообщения
Вы не можете удалять свои сообщения
Вы не можете добавлять вложения

Найти:
Перейти:  


Powered by phpBB © 2000, 2002, 2005, 2007 phpBB Group
Русская поддержка phpBB
Extended by Karma MOD © 2007—2012 m157y
Extended by Topic Tags MOD © 2012 m157y