Например TDA7294

Форум РадиоКот • Просмотр темы - Симулятор схем EWB 5.12 - проблемы моделировщика.
Форум РадиоКот
Здесь можно немножко помяукать :)

Текущее время: Пт янв 02, 2026 14:22:27

Часовой пояс: UTC + 3 часа


ПРЯМО СЕЙЧАС:



Начать новую тему Ответить на тему  [ Сообщений: 37 ]    , 2
Автор Сообщение
Не в сети
 Заголовок сообщения: Re: Вопрос по Electronics Workbench
СообщениеДобавлено: Сб мар 10, 2012 12:18:34 
Друг Кота
Аватар пользователя

Карма: 67
Рейтинг сообщений: 1066
Зарегистрирован: Чт сен 18, 2008 12:27:21
Сообщений: 20013
Откуда: Столица Мира Санкт-Петербург
Рейтинг сообщения: 0
Медали: 1
Получил миской по аватаре (1)
Схему прикрепите

_________________
[ Всё дело не столько в вашей глупости, сколько в моей гениальности ] [ Правильно заданный вопрос содержит в себе половину ответа ]
Измерить нннада?


Вернуться наверх
 
Не в сети
 Заголовок сообщения: Re: Вопрос по Electronics Workbench
СообщениеДобавлено: Вс мар 11, 2012 10:39:58 
Встал на лапы

Зарегистрирован: Сб дек 10, 2011 21:36:15
Сообщений: 104
Рейтинг сообщения: 0
Здравствуйте!
Выкладываю схему.

Прошу помочь.

Виктор


Вложения:
П-контур.gif [75.98 KiB]
Скачиваний: 1072
Вернуться наверх
 
Не в сети
 Заголовок сообщения: Re: Вопрос по Electronics Workbench
СообщениеДобавлено: Вс мар 11, 2012 11:05:51 
Друг Кота
Аватар пользователя

Карма: 67
Рейтинг сообщений: 1066
Зарегистрирован: Чт сен 18, 2008 12:27:21
Сообщений: 20013
Откуда: Столица Мира Санкт-Петербург
Рейтинг сообщения: 0
Медали: 1
Получил миской по аватаре (1)
us0iz писал(а):
Выкладываю схему.

Етицкая сила, что ж вы "IN" на выход подключили, а "OUT" заземлили???
IN подключить к генератору, OUT на его место.

_________________
[ Всё дело не столько в вашей глупости, сколько в моей гениальности ] [ Правильно заданный вопрос содержит в себе половину ответа ]
Измерить нннада?


Вернуться наверх
 
Не в сети
 Заголовок сообщения: Re: Вопрос по Electronics Workbench
СообщениеДобавлено: Пн мар 12, 2012 11:55:42 
Встал на лапы

Зарегистрирован: Сб дек 10, 2011 21:36:15
Сообщений: 104
Рейтинг сообщения: 0
Спасибо модератору!
Исправил (см. вложение), но АЧХ все равно не наблюдаю.
Прошу помочь.

Виктор


Вложения:
Комментарий к файлу: П-контур
П-контур.gif [63.57 KiB]
Скачиваний: 799
Вернуться наверх
 
Эиком - электронные компоненты и радиодетали
Не в сети
 Заголовок сообщения: Re: Вопрос по Electronics Workbench
СообщениеДобавлено: Пн мар 12, 2012 12:05:51 
Друг Кота
Аватар пользователя

Карма: 67
Рейтинг сообщений: 1066
Зарегистрирован: Чт сен 18, 2008 12:27:21
Сообщений: 20013
Откуда: Столица Мира Санкт-Петербург
Рейтинг сообщения: 0
Медали: 1
Получил миской по аватаре (1)
Хм... Ну не знаю. Попробуйте добавить землю, поставить другой источник сигнала.

_________________
[ Всё дело не столько в вашей глупости, сколько в моей гениальности ] [ Правильно заданный вопрос содержит в себе половину ответа ]
Измерить нннада?


Вернуться наверх
 
Не в сети
 Заголовок сообщения: Re: Вопрос по Electronics Workbench
СообщениеДобавлено: Вт мар 13, 2012 12:23:02 
Встал на лапы

Зарегистрирован: Сб дек 10, 2011 21:36:15
Сообщений: 104
Рейтинг сообщения: 0
Спасибо модератору!
Переустановил новую программу ВСЕ работает
Еще раз благодарю.
Есть на русском отдельное приложение на р/элементы.
Как его вставить в программу?

Виктор73!


Вернуться наверх
 
Не в сети
 Заголовок сообщения: Re: Симулятор схем EWB 5.12 - проблемы моделировщика.
СообщениеДобавлено: Пн апр 16, 2012 09:41:37 
Родился

Зарегистрирован: Пн апр 16, 2012 09:27:19
Сообщений: 1
Рейтинг сообщения: 0
А что означают эти настройки?
помогите пожалуйста .


Вложения:
ctvbctuvtynysq.JPG [16.51 KiB]
Скачиваний: 4240
Вернуться наверх
 
Не в сети
 Заголовок сообщения: Re: Симулятор схем EWB 5.12 - проблемы моделировщика.
СообщениеДобавлено: Вт окт 16, 2012 15:26:30 
Потрогал лапой паяльник
Аватар пользователя

Карма: -3
Рейтинг сообщений: -73
Зарегистрирован: Чт сен 16, 2010 16:21:20
Сообщений: 329
Рейтинг сообщения: 0
В указанном Вами на картинке окне настроек можно ввести неисправность элемента:

Изображение

Утечка, Короткое замыкание, Разрыв цепи.

Для симуляции они значения не имеют, поэтому None - по умолчанию.


Несколько слов о самом пакете: Electronics Workbench 5.12

При удачной версии и правильных настройках он может рассчитать практически любую схему
с очень высокой точностью.

Удачная версия это: Electronics Workbench Professional Edition 5.12, причем не всякая,
не занимался сравнениями, но скачанная из разных источников и эта версия может глючить.
Надо сравнивать. Свой вариант нашел очень давно и "по-блату": написал письмо одним
обладателям сугубо лицензионной версии.

Electronics Workbench Professional Edition 5.12 - не имеет многих ограничений, характерных
для других "левых" версии, что гуляют в сети.

Ну и если и Electronics Workbench Professional Edition 5.12 посчитал Вам не так, как кажется
правильным, не стоит сразу ругать его "г-ном" и бросаться в крайности - хватать тот-же "Proteus". 8)

PSpice - движок у них почти что одинаковый и даже проекты переносимы через экспорт-импорт...

Надо помнить, что серьёзную схему не следует "шлёпать" численным методом трапеций - это для
простых расчетов.
Так как и Electronics Workbench Professional Edition 5.12 и "Proteus" решают диф-уравнения,
которые сами и составляют по картинке схемы, то надо выбрать метод Гира 6-го порядка и
итераций взять хотя бы 500 - 800
.

Опять же в Analysis -> Analysis Options есть и ряд других опций для настройки численного рассчета.
Иногда EWB-5.12 сам подсказывает, при ошибках рассчета, что достигнут "минимальный шаг" расчета и др. Это надо подправить в настройках и повторить расчет заново.

В "Proteus" , кстати, это меню практически аналогичное, но метод Гира 6-го порядка у меня
был уже по умолчанию там включен... :)))

Отсюда и случается: EWB-5.12 - "не считает, зобака!", а вот "Proteus" - "СЧИТАЕТ!".
При этом, что EWB-5.12 по умолчанию интегрирует методом трапеций с 25-ю итерациями, а
"Proteus" по умолчанию интегрирует методом Гира и итераций поболее...

Ну и много разных хитростей есть, как в EWB-5.12, так и в "Proteus". Но последний приголубил
KAZUS.RU - и там многое можно найти...

А вот с "EWB-5.12" приходится рыскать по всей сети... :(

Я, честно говоря, и к нам сюда попал через поиск: скачал библиотеку ламповых триодов для "EWB-5.12",
а подключить её к Electronics Workbench Professional Edition 5.12 - никак не могу, хотя и имею богатый
опыт работы с "EWB-5.12".


Вернуться наверх
 
Не в сети
 Заголовок сообщения: Re: Симулятор схем EWB 5.12 - проблемы моделировщика.
СообщениеДобавлено: Пн окт 14, 2013 21:37:35 
Родился

Зарегистрирован: Пн окт 14, 2013 21:16:29
Сообщений: 1
Рейтинг сообщения: 0
Ребята, помогите новичку в Electronics Workbench. Мне нужно построить радиоэлектронную схему в этой программке и получить эпюры напряжений на выходе. Вопрос, можно ли построить такую схему с точно такими же компонентами, или надо заменять и какими?!!! Больше всего интересует микроконтроллер и регистр сдвига! Картинку прикладываю


Вложения:
Комментарий к файлу: увеличенное изображение 8ми битного регистра сдвига 74HC164
Display handling (diodes).jpg [51.12 KiB]
Скачиваний: 815
Комментарий к файлу: увеличенное изображение микроконтроллера Attiny2313A производства фирмы ATMEL
Display handling (diodes)2.jpg [119.57 KiB]
Скачиваний: 769
Комментарий к файлу: схема урезанная
Копирование Display handling.jpg [111.13 KiB]
Скачиваний: 737
Вернуться наверх
 
Не в сети
 Заголовок сообщения: Re: Симулятор схем EWB 5.12 - проблемы моделировщика.
СообщениеДобавлено: Вт окт 15, 2013 14:28:56 
Друг Кота
Аватар пользователя

Карма: 67
Рейтинг сообщений: 1066
Зарегистрирован: Чт сен 18, 2008 12:27:21
Сообщений: 20013
Откуда: Столица Мира Санкт-Петербург
Рейтинг сообщения: 0
Медали: 1
Получил миской по аватаре (1)
Нет, с микроконтроллерами надо использовать Протеус: viewtopic.php?f=2&t=3739

_________________
[ Всё дело не столько в вашей глупости, сколько в моей гениальности ] [ Правильно заданный вопрос содержит в себе половину ответа ]
Измерить нннада?


Вернуться наверх
 
Не в сети
 Заголовок сообщения: Re: Симулятор схем EWB 5.12 - проблемы моделировщика.
СообщениеДобавлено: Сб дек 21, 2013 01:00:35 
Потрогал лапой паяльник
Аватар пользователя

Карма: -3
Рейтинг сообщений: -73
Зарегистрирован: Чт сен 16, 2010 16:21:20
Сообщений: 329
Рейтинг сообщения: 0
Ну почему же, можно и Electronics Workbench использовать, только версию поновее, чем 5.12.
Пакет теперь называется Electronics Workbench Multisim, и в него добавили микроконтроллеры.

Хотя для этих целей я тоже предпочел бы Proteus.


Вернуться наверх
 
Не в сети
 Заголовок сообщения: Electronic workbench
СообщениеДобавлено: Вс дек 14, 2014 18:20:56 
Родился

Зарегистрирован: Вс дек 14, 2014 18:16:38
Сообщений: 2
Рейтинг сообщения: 0
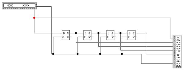
не могу понять задание по EW.
"Собрать в поле окна Workbench схему по рисунку 1 для исследования регистра. При подключении логической схемы использовать выводы генератора слов, указанные преподавателем.
2. Развернуть генератор слов (WordGenerator), установить значения для проверки регистра.
3. Кнопкой “Пуск” запустить исследуемую схему.
4. Заполнить таблицу состояний регистра
5. Зафиксировать с помощью логического анализатора выходные реакции регистра.
6. Внести в отчет схему, развернутый генератор слов и результат моделирования с «Логического анализатора» в виде временных диаграмм. По результату моделирования определить тип регистра."
надо подать примнерно 4 сигнала, но я не понимаю, ведь можно подать только 1 и 0


Вложения:
image024.jpg [12.4 KiB]
Скачиваний: 866
Вернуться наверх
 
Не в сети
 Заголовок сообщения: Re: Симулятор схем EWB 5.12 - проблемы моделировщика.
СообщениеДобавлено: Вт мар 29, 2016 19:37:55 
Мучитель микросхем

Зарегистрирован: Вт апр 14, 2009 10:33:22
Сообщений: 446
Откуда: Кировская обл.
Рейтинг сообщения: 0
Не подскажет ли кто ссылочку на EWB на русском языке. Где-то попадалась, но требуют номер телефона.

_________________
Форумы-это такое место, где несколько людей могут убедить в своих заблуждениях тысячи.


Вернуться наверх
 
Не в сети
 Заголовок сообщения: Re: Симулятор схем EWB 5.12 - проблемы моделировщика.
СообщениеДобавлено: Пн апр 04, 2016 19:18:28 
Родился

Зарегистрирован: Вс окт 25, 2015 21:04:24
Сообщений: 10
Рейтинг сообщения: 0
Ссылку подскажем, без СМС http://radio-hobby.org/modules/tdmdownl ... id=2&lid=3
мне тут недавно этот же вопрос задали, так совпало. Сравнил инсталлятор по ссылке с оставшимся у меня с институтских времен, совпадает.
Вот видео по запуску в 64 битной винде [youtube]https://www.youtube.com/watch?v=Xxxg8EGgj6A[/youtube]
Докину еще имеющиеся у меня модели
Вложение:
Комментарий к файлу: модели
rus-ewb.zip [50.55 KiB]
Скачиваний: 267

Не знаю, нужен ли кряк, до такой степени не тестировал, но программа запустилась. Если нужен, у меня есть со времен института, пишите в личку


Вернуться наверх
 
Не в сети
 Заголовок сообщения: Re: Симулятор схем EWB 5.12 - проблемы моделировщика.
СообщениеДобавлено: Вт апр 05, 2016 15:50:29 
Родился

Зарегистрирован: Вт апр 05, 2016 12:34:44
Сообщений: 5
Рейтинг сообщения: 0
А не подскажет ли кто книжку хорошую по EWB 512 pro?


Вернуться наверх
 
Не в сети
 Заголовок сообщения: Re: Симулятор схем EWB 5.12 - проблемы моделировщика.
СообщениеДобавлено: Чт авг 18, 2016 15:57:46 
Потрогал лапой паяльник
Аватар пользователя

Карма: -3
Рейтинг сообщений: -73
Зарегистрирован: Чт сен 16, 2010 16:21:20
Сообщений: 329
Рейтинг сообщения: 0
Довольно неплохая книга: Карлащук В.И. "Электронная лаборатория на IBM PC.Программа Electronics Workbench и ее применение."

Изображение
Карлащук В.И. Электронная лаборатория на IBM PC. Программа Electronics Workbench и ее применение.
1-е изд. - М.: Солон-Р, 1999. - 506 с.


Но, честно говоря, в сети сейчас можно найти множество методичек различных ВУЗ-ов по этому самому Electronics Workbench 5.12 Pro в формате *.pdf.
Они обычно компактнее по объему и на мой взгляд бывают удобнее, как русский справочник по различным опциям и настройкам EWB.


Вернуться наверх
 
Не в сети
 Заголовок сообщения: Re: Симулятор схем EWB 5.12 - проблемы моделировщика.
СообщениеДобавлено: Пн окт 18, 2021 12:23:31 
Нашел транзистор. Понюхал.

Зарегистрирован: Чт окт 07, 2021 06:59:06
Сообщений: 163
Рейтинг сообщения: 0
Так и не смог подключить модели симисторов. Причём, с тиристорами именно таких (бывают, но не такие тотальные.) проблем нет. Вот в чём тут дело?

Беру паяльник, симистор, провода, ещё какие-то детали - всё работает. Собираю всё то же на Воркбенче - не работает вообще.

Меняю модель симистора, меняю схему на заведомо рабочую, не важно - всё, что содержит хотя бы один симистор - не работает.


Вернуться наверх
 
Показать сообщения за:  Сортировать по:  Вернуться наверх
Начать новую тему Ответить на тему  [ Сообщений: 37 ]    , 2

Часовой пояс: UTC + 3 часа


Кто сейчас на форуме

Сейчас этот форум просматривают: нет зарегистрированных пользователей и гости: 31


Вы не можете начинать темы
Вы не можете отвечать на сообщения
Вы не можете редактировать свои сообщения
Вы не можете удалять свои сообщения
Вы не можете добавлять вложения

Найти:
Перейти:  


Powered by phpBB © 2000, 2002, 2005, 2007 phpBB Group
Русская поддержка phpBB
Extended by Karma MOD © 2007—2012 m157y
Extended by Topic Tags MOD © 2012 m157y