Например TDA7294

Форум РадиоКот • Просмотр темы - Малогабаритный термометр на KTY84-130
Форум РадиоКот
Здесь можно немножко помяукать :)

Текущее время: Вт дек 02, 2025 11:26:57

Часовой пояс: UTC + 3 часа


ПРЯМО СЕЙЧАС:



Начать новую тему Ответить на тему  [ Сообщений: 66 ]    , 2, ,  
Автор Сообщение
Не в сети
 Заголовок сообщения: Re: Малогабаритный термометр на KTY84-130
СообщениеДобавлено: Чт окт 13, 2011 22:24:49 
Модератор
Аватар пользователя

Карма: 10
Рейтинг сообщений: 7
Зарегистрирован: Пт июл 21, 2006 03:08:05
Сообщений: 3174
Откуда: Пенза
Рейтинг сообщения: 0
Наверняка фильтр помех.

_________________
Если долго мучиться, что-нибудь... сломается.


Вернуться наверх
 
Не в сети
 Заголовок сообщения: Re: Малогабаритный термометр на KTY84-130
СообщениеДобавлено: Ср ноя 23, 2011 00:01:59 
Мучитель микросхем
Аватар пользователя

Зарегистрирован: Пн фев 02, 2009 15:00:33
Сообщений: 415
Рейтинг сообщения: 0
подскажите пож. достопочтенные коты, :shock:
можно ли получить с этого устройства термостат 0-300 градусов, и как?
или может какая готовая схема есть?
заранее благодарен :beer:


Вернуться наверх
 
Не в сети
 Заголовок сообщения: Re: Малогабаритный термометр на KTY84-130
СообщениеДобавлено: Ср ноя 23, 2011 06:59:36 
Модератор
Аватар пользователя

Карма: 46
Рейтинг сообщений: 236
Зарегистрирован: Чт окт 27, 2005 18:50:07
Сообщений: 11169
Откуда: из мест не столь отдалённых
Рейтинг сообщения: 0
Медали: 2
Получил миской по аватаре (1) Мявтор 3-й степени (1)
Нельзя, так как датчик рассчитан на температуру до 130 градусов Цельсия.


Вернуться наверх
 
Не в сети
 Заголовок сообщения: Re: Малогабаритный термометр на KTY84-130
СообщениеДобавлено: Чт ноя 24, 2011 00:30:19 
Мучитель микросхем
Аватар пользователя

Зарегистрирован: Пн фев 02, 2009 15:00:33
Сообщений: 415
Рейтинг сообщения: 0
Сэр Мурр писал(а):
Нельзя, так как датчик рассчитан на температуру до 130 градусов Цельсия.

а разве не на 310 градусов Цельсия.?


Вернуться наверх
 
Эиком - электронные компоненты и радиодетали
Не в сети
 Заголовок сообщения: Re: Малогабаритный термометр на KTY84-130
СообщениеДобавлено: Чт ноя 24, 2011 09:11:38 
Модератор
Аватар пользователя

Карма: 46
Рейтинг сообщений: 236
Зарегистрирован: Чт окт 27, 2005 18:50:07
Сообщений: 11169
Откуда: из мест не столь отдалённых
Рейтинг сообщения: 0
Медали: 2
Получил миской по аватаре (1) Мявтор 3-й степени (1)
Извините, спутал с другими датчиками. По даташиту допускается температура до +300 градусов. Но я не рискнул бы их применять для этой температуры- а если она превысит верхнюю границу (что часто бывает в процессе стабилизации температуры).


Вернуться наверх
 
Не в сети
 Заголовок сообщения: Re: Малогабаритный термометр на KTY84-130
СообщениеДобавлено: Чт ноя 24, 2011 21:31:05 
Мучитель микросхем
Аватар пользователя

Зарегистрирован: Пн фев 02, 2009 15:00:33
Сообщений: 415
Рейтинг сообщения: 0
я ни как не могу найти термостат для духовки, все на DS попадаются, а там потолок 125 градусов
хочется жене духовку проапгрейтить, ато пироги пригарают :)
всего то там по моему мах 280 градусов надо
почитав, прикинул, что если к нему приделать пару кнопок для установки температуры и управляющий выход
конечно если к этому девайсу добавить еще и функцию таймера было бы супер, ресурсов меги должно вроде как хватить
ну а если нет, таймер я к нему прилеплю, и регулятор мощности , если в нем будет необходимость.

прросто меня пока хватает на то чтобы с н-й попытки прогу зашить :oops:
неговоря о написании программ для аврок :oops:

думаю такой модуль будет очень полезен не только мне


Вернуться наверх
 
Не в сети
 Заголовок сообщения: Re: Малогабаритный термометр на KTY84-130
СообщениеДобавлено: Ср фев 01, 2012 01:18:01 
Встал на лапы
Аватар пользователя

Карма: 1
Рейтинг сообщений: 2
Зарегистрирован: Пт окт 07, 2011 20:46:17
Сообщений: 139
Откуда: Украина,Восток
Рейтинг сообщения: 0
О я смотрю тема дешевых датчиков актуальна.

Наконец дошли руки начать писать термостат по эту штуку.


Вот не знаю толи у вас датчик такой супер пупер линейный,толи кто то нас обманывает.

Кто нить из сделавших термометр сравнивал его показания???


Я использовал датчики KTY81-222,так вот-там функция линейна где то до 60гр и то..можете посмотреть в файлике.

Может кого то и устраивает погрешность в 30гр при 140гр датчика...но меня нет...хороший показометр циферок..


Вот пишу термостат на отопительный насос на этом датчике,шоб не морочить себе голову с погрешностью сделал поградусную коррекцию для особых извращенцев как я :))

А потом можно будет прикурить и 300гр датчик как он появится в продаже.


Вложения:
KTY-81-222.xls [24 KiB]
Скачиваний: 504
Вернуться наверх
 
Не в сети
 Заголовок сообщения: Re: Малогабаритный термометр на KTY84-130
СообщениеДобавлено: Ср фев 01, 2012 09:25:55 
Модератор
Аватар пользователя

Карма: 46
Рейтинг сообщений: 236
Зарегистрирован: Чт окт 27, 2005 18:50:07
Сообщений: 11169
Откуда: из мест не столь отдалённых
Рейтинг сообщения: 0
Медали: 2
Получил миской по аватаре (1) Мявтор 3-й степени (1)
Наверное, по этой причине такие датчики применяются только в любительских конструкциях, и на небольшой диапазон температур. У мя, для моего датчика, нелинейность была ещё выше. И ещё- это табличные значения, а фактические всё равно надо калибровать. Поэтому лучше использовать традиционные термопары, особенно- для 300 градусов.


Вернуться наверх
 
Не в сети
 Заголовок сообщения: Re: Малогабаритный термометр на KTY84-130
СообщениеДобавлено: Чт фев 02, 2012 00:50:12 
Встал на лапы
Аватар пользователя

Карма: 1
Рейтинг сообщений: 2
Зарегистрирован: Пт окт 07, 2011 20:46:17
Сообщений: 139
Откуда: Украина,Восток
Рейтинг сообщения: 0
Калибровать и только.

Если до 125..то можно прицепить к контроллеру DS18b20,и написать ему алгоритм самокалибровки.
Прилипеть два датчика друг к друг,и нагревать резистором..а микроконтроллер тем временем пусть пишит в еепром таблицу коррекции для каждого градуса KTY.

Как я посмотрел у меня оно показует меньше чем надо, соответсвенно берем померянный градус,читаем ячейку с номером этого градуса и прибавляем значение из этой ячейки к измерянному значению,получаем точный результат. :))

Как раз можно на все -55 +300 накалибровать) еще и останется.

Но это уже для особых супер промышленно дешевых термодевайсов.

Я сделал проще-добавил функцию калибровки-нажал на кнопы..и ушел он в режим калибровки пока питание не выключишь.
А там наколибровал себе на 30-100 и можно хоть на боллер,хоть на чайник вешать,а с термопарой можно и до 255 наколибровать.


Спасибо вам за идею как пользоватся этим датчиком! Весь инет обрыл, только вашу статью нашел.


Для моих целей(тепловым насосом управлять) хватило бы и ds18b20(спаять готовое),но я смотрю не один я страдаю без термостата на этом датчике,кому то еще пригодится.


Вернуться наверх
 
Не в сети
 Заголовок сообщения: Re: Малогабаритный термометр на KTY84-130
СообщениеДобавлено: Пт фев 17, 2012 19:52:40 
Родился

Зарегистрирован: Вт дек 13, 2011 11:26:00
Сообщений: 1
Рейтинг сообщения: 0
Тут случайно нарыл схемку цифрового термометра -30...300 OC с какого-то польского сайта . Может на основе этого девайса можно сообразить термостат в диапазоне температур -30...300OC . Только прошивки под него нету.... http://arlisklep.pl/files/Jabel/J-242.pdf


Вернуться наверх
 
Не в сети
 Заголовок сообщения: Re: Малогабаритный термометр на KTY84-130
СообщениеДобавлено: Вс фев 19, 2012 00:40:57 
Встал на лапы
Аватар пользователя

Карма: 1
Рейтинг сообщений: 2
Зарегистрирован: Пт окт 07, 2011 20:46:17
Сообщений: 139
Откуда: Украина,Восток
Рейтинг сообщения: 0
Цитата:
Может на основе этого девайса можно сообразить термостат в диапазоне температур -30...300OC

Там древний микроконтроллер,нафиг надо.


Термостат написал,статью попожже напишу,пока лень.
Датчика у меня нет на 300гр,только на 150.
У кого есть датчик до 300 -в прошивке меняется 3 цифры,и будет для вашего датчика.
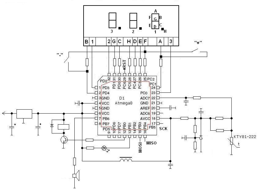
Вот вам фоты,и "проектная" схема для ознакомления.

На удивление точно работает,хоть и калибровать пришлось.


Вложения:
IMG_0390a.jpg [65.57 KiB]
Скачиваний: 1701
IMG_0389a.jpg [50.65 KiB]
Скачиваний: 1206
cхема.JPG [55.16 KiB]
Скачиваний: 1545
Вернуться наверх
 
Не в сети
 Заголовок сообщения: Re: Малогабаритный термометр на KTY84-130
СообщениеДобавлено: Сб мар 31, 2012 20:14:09 
Родился

Зарегистрирован: Чт мар 29, 2012 14:22:34
Сообщений: 1
Рейтинг сообщения: 0
ребята скажите пожалуйста зачем прошивка и чем прошивать?
у меня есть такой девайс http://aliot.com.ua/radio.php?item=26634&cat=24276 и такой http://aliot.com.ua/radio.php?item=14633&cat=24276 и семисегментный дисплей как у автора) :)) нашёл товарища, который может по схеме собрать, но вот с прошивкой проблема :(


Вернуться наверх
 
Не в сети
 Заголовок сообщения: Re: Малогабаритный термометр на KTY84-130
СообщениеДобавлено: Сб мар 31, 2012 20:36:59 
Мучитель микросхем
Аватар пользователя

Зарегистрирован: Пн фев 02, 2009 15:00:33
Сообщений: 415
Рейтинг сообщения: 0
rtl8186 писал(а):
Термостат написал,статью попожже напишу,пока лень.
Датчика у меня нет на 300гр,только на 150.
У кого есть датчик до 300 -в прошивке меняется 3 цифры,и будет для вашего датчика.
Вот вам фоты,и "проектная" схема для ознакомления.

На удивление точно работает,хоть и калибровать пришлось.

прошу, выложите плиз проект !!!!
на схеме ни одного номинала... :(
для духовки термостат надо очень,
жена пироги не хочет печть... :cry:
хоть прошивку .... и какие 3 цифры и где ?

заранее спасибо :beer:


Вернуться наверх
 
Не в сети
 Заголовок сообщения: Re: Малогабаритный термометр на KTY84-130
СообщениеДобавлено: Пн апр 02, 2012 02:03:03 
Вымогатель припоя
Аватар пользователя

Карма: 2
Рейтинг сообщений: 48
Зарегистрирован: Сб фев 02, 2008 10:51:52
Сообщений: 598
Откуда: Khabarovsk
Рейтинг сообщения: 0
Вот тебе под пироги


Вложения:
термостат 300гр.rar [131.7 KiB]
Скачиваний: 1432
Вернуться наверх
 
Не в сети
 Заголовок сообщения: Re: Малогабаритный термометр на KTY84-130
СообщениеДобавлено: Пн апр 02, 2012 09:12:21 
Мучитель микросхем
Аватар пользователя

Зарегистрирован: Пн фев 02, 2009 15:00:33
Сообщений: 415
Рейтинг сообщения: 0
timer32 писал(а):
Вот тебе под пироги

есть же люди ... с большой буквы...
вот спасибо огромное :beer: :beer: :beer:
даже печатка есть....


Вернуться наверх
 
Не в сети
 Заголовок сообщения: Re: Малогабаритный термометр на KTY84-130
СообщениеДобавлено: Пн апр 02, 2012 14:25:02 
Мучитель микросхем
Аватар пользователя

Зарегистрирован: Пн фев 02, 2009 15:00:33
Сообщений: 415
Рейтинг сообщения: 0
timer32 писал(а):
Вот тебе под пироги

спасибо еще раз ув. timer32
изучил пока бегло, но по любому Вам респект :beer:
и буду повторять однозначно!!!
к сожалению :( в написании прог для мк пока ни как, чайник :oops:
а по сему закрался один вопросик....
можно ли как то доработать этот термостат функцией таймера , в минутах?
к примеру добавить еще одну кнопку для выбора режима, а еще лучше , было бы прилепить энкодер
да пару светодиодов для индикации отображаемого режима на индикаторе и бипер
алгоритм работы видится такой...
0-включаем духовку в сеть (по умолчанию - режим ожидания , отображаются 000, и индицируется режим установки времени и 3 коротких бипа)
1-устанавливаем требуемое время работы духовки кнопками +/- с дискретностью в 1 мин. (1 короткий бип = 1 нажатию)
2-переходим в режим установки температуры нажатием 3й кнопкой или нажатием энкодера (2 коротких бипа )
3-устанавливаем требуемую температуру духовки кнопками +/- с дискретностью в 1 или 5 градусов (1 короткий бип = 1 нажатию)
4-пуск духовки (еще раз длительно нажимаем 3ю кнопку или энкодэр) (сопровождается 2коротких один длинный бип)
5-после пуска кратковременно нажимая 3ю кнопку или энкодэр переходим в режим корекции работы (1 короткий бип = 1 нажатию)
(каждое нажатие 3й кнопки или энкодера переключает между режимами температура/время, а кнопками +/- задается их величина)
6-длительно удерживаем 3ю кнопку или по окончанию программы - переходим в режим ожидания
0-выключаем духовку из сети.

да и забыл, ... в архиве не нашел фьюзы, какие выставляем (если можно скриншот)?

заранее благодарен
с ув. Алексей


Вернуться наверх
 
Не в сети
 Заголовок сообщения: Re: Малогабаритный термометр на KTY84-130
СообщениеДобавлено: Сб май 12, 2012 17:39:00 
Родился

Зарегистрирован: Сб апр 14, 2012 10:52:14
Сообщений: 4
Рейтинг сообщения: 0
Подскажите пожалуйста как расширить диапазон до отрицательных температур.Хочу поставить эту штуковину в двухкомпресорный холодильник Атлант.Новая плата управления уж очень дорогая .Если собрать два термостата обойдется в 10 раз дешевле


Вернуться наверх
 
Не в сети
 Заголовок сообщения: Re: Малогабаритный термометр на KTY84-130
СообщениеДобавлено: Вт июн 26, 2012 22:46:04 
Родился

Зарегистрирован: Вт июн 26, 2012 22:34:26
Сообщений: 7
Рейтинг сообщения: 0
Собрал термостат и зашил его той прошивкой, которой поделился timer32. При этом при комнатной температуре он показывает 226 градусов, но все остальное функционирует нормально (выставляются пороги срабатывания, включается-отключается и тд). В чем может быть дело? Уравнение в прошивке не совпадает с уравнением из даташита датчика?
У меня коэффициенты получились такие: k=1,8 ; b=237. Кто может скомпилировать в hex с такими коэффициентами, ибо у меня хекс почему-то не получился?

Заранее спасибо


Вернуться наверх
 
Не в сети
 Заголовок сообщения: Re: Малогабаритный термометр на KTY84-130
СообщениеДобавлено: Ср июн 27, 2012 10:17:48 
Родился

Зарегистрирован: Вт июн 26, 2012 22:34:26
Сообщений: 7
Рейтинг сообщения: 0
При попытке компиляции выдает вот такие ошибки (см. скрин ниже). При чем при компиляции даже исходника, который приложен автором в архив (в смысле даже без изменения коэффициентов).


Вложения:
Code.jpg [58.87 KiB]
Скачиваний: 1133
Вернуться наверх
 
Не в сети
 Заголовок сообщения: Re: Малогабаритный термометр на KTY84-130
СообщениеДобавлено: Пн июл 02, 2012 22:55:34 
Родился

Зарегистрирован: Вт июн 26, 2012 22:34:26
Сообщений: 7
Рейтинг сообщения: 0
Кто-то повторял схему термостата с датчиком KTY84 (300 град.)? Отзовитесь пожалуйста! Очень нужна помощь...


Вернуться наверх
 
Показать сообщения за:  Сортировать по:  Вернуться наверх
Начать новую тему Ответить на тему  [ Сообщений: 66 ]    , 2, ,  

Часовой пояс: UTC + 3 часа


Кто сейчас на форуме

Сейчас этот форум просматривают: нет зарегистрированных пользователей и гости: 41


Вы не можете начинать темы
Вы не можете отвечать на сообщения
Вы не можете редактировать свои сообщения
Вы не можете удалять свои сообщения
Вы не можете добавлять вложения

Найти:
Перейти:  


Powered by phpBB © 2000, 2002, 2005, 2007 phpBB Group
Русская поддержка phpBB
Extended by Karma MOD © 2007—2012 m157y
Extended by Topic Tags MOD © 2012 m157y