Например TDA7294

Форум РадиоКот • Просмотр темы - CH340 и ATMega328p с внешним кварцем и без внешнего кварца
Форум РадиоКот
Здесь можно немножко помяукать :)

Текущее время: Пт ноя 28, 2025 09:33:37

Часовой пояс: UTC + 3 часа


ПРЯМО СЕЙЧАС:



Начать новую тему Ответить на тему  [ Сообщений: 25 ]  1,  
Автор Сообщение
Не в сети
 Заголовок сообщения: CH340 и ATMega328p с внешним кварцем и без внешнего кварца
СообщениеДобавлено: Вт сен 23, 2025 16:59:09 
Первый раз сказал Мяу!

Зарегистрирован: Ср янв 20, 2021 05:39:28
Сообщений: 30
Рейтинг сообщения: 0
Модуль uart с ch340, подключаю к atmega328p с внешним кварцем 16мгц, данные в serial порт передаются без искажений. Подключаю этот же модуль к такому же МК, настроенному на работу от внутреннего генератора на 8мгц, данные в serial передаются с искажениями. Если подключить, к этому же МК (с работой от внутренних 8мгц) uart с CP2102, то данные в serial передаются без искажений. В чём причина такой работы ch340?


Вернуться наверх
 
Не в сети
 Заголовок сообщения: Re: CH340 и ATMega328p с внешним кварцем и без внешнего квар
СообщениеДобавлено: Вт сен 23, 2025 17:36:24 
Мудрый кот

Карма: 25
Рейтинг сообщений: 471
Зарегистрирован: Сб май 05, 2012 20:24:52
Сообщений: 1753
Откуда: KN34PC, Болгария
Рейтинг сообщения: 0
Какая скорость в USART? Есть ли у CH340 буква в конце названия? Какая буква там? Есть ли кварцевый резонатор? Они бывают разных видов. Есть плохие воспоминания о тех CH без резонатора.

ATmega328P: Calibration Accuracy of Internal RC Oscillator: 8.0MHz: 2.7V to 5.5V –40°C to +125°C Calibration Accuracy: ±14%
Для USART поставьте кварцевый резонатор на ATmega. В противном случае неизвестно, уложитесь ли в пределы допустимой погрешности USART-a.


Последний раз редактировалось veso74 Вт сен 23, 2025 17:52:42, всего редактировалось 3 раз(а).

Вернуться наверх
 
Не в сети
 Заголовок сообщения: Re: CH340 и ATMega328p с внешним кварцем и без внешнего квар
СообщениеДобавлено: Вт сен 23, 2025 17:45:14 
Первый раз сказал Мяу!

Зарегистрирован: Ср янв 20, 2021 05:39:28
Сообщений: 30
Рейтинг сообщения: 0
Скорость 9600, на других скоростях (ниже) пробовал, без разницы. Где её смотреть, эту букву? Кварц есть: на одном 12мгц, на другом. 16мгц, оба искажают данные по serial, если МК без внешнего кварца работает


Вернуться наверх
 
Не в сети
 Заголовок сообщения: Re: CH340 и ATMega328p с внешним кварцем и без внешнего квар
СообщениеДобавлено: Вт сен 23, 2025 17:50:25 
Мудрый кот

Карма: 25
Рейтинг сообщений: 471
Зарегистрирован: Сб май 05, 2012 20:24:52
Сообщений: 1753
Откуда: KN34PC, Болгария
Рейтинг сообщения: 0
Где её смотреть, эту букву? Кварц есть: на одном 12мгц, на другом.

На корпусе ИС, с напр. помощью увеличительного стекла.
Если кварц 12 MHz к CH есть, весьма вероятно, что это CH340G.
Почему MK ATmega328P должен быть без кварца?


Вернуться наверх
 
Эиком - электронные компоненты и радиодетали
Не в сети
 Заголовок сообщения: Re: CH340 и ATMega328p с внешним кварцем и без внешнего квар
СообщениеДобавлено: Вт сен 23, 2025 17:59:54 
Первый раз сказал Мяу!

Зарегистрирован: Ср янв 20, 2021 05:39:28
Сообщений: 30
Рейтинг сообщения: 0
Буква G, на том, что с кварцем на 12, на другом ничего нет. МК без внешнего кварца - для пробы: хотел посмотреть, как настраивать фьюзы, как будет работать.


Вернуться наверх
 
Не в сети
 Заголовок сообщения: Re: CH340 и ATMega328p с внешним кварцем и без внешнего квар
СообщениеДобавлено: Вт сен 23, 2025 18:11:27 
Мудрый кот

Карма: 25
Рейтинг сообщений: 471
Зарегистрирован: Сб май 05, 2012 20:24:52
Сообщений: 1753
Откуда: KN34PC, Болгария
Рейтинг сообщения: 1
Для USART нужна точность, см. характеристики. Правда, что устройства работают и с очень большой погрешностью. Но есть предел. Вероятно, у одного из ваших модулей ошибка с одной стороны, у МК - с другой, и ошибка вне спецификации. При желании можно найти "виновника". Бы подключил clock ATmega к пину и измерил частоту. А для ваших целей просто поставьте кварц.


Вернуться наверх
 
Не в сети
 Заголовок сообщения: Re: CH340 и ATMega328p с внешним кварцем и без внешнего квар
СообщениеДобавлено: Вт сен 23, 2025 18:32:39 
Первый раз сказал Мяу!

Зарегистрирован: Ср янв 20, 2021 05:39:28
Сообщений: 30
Рейтинг сообщения: 0
А может быть так, что на модуле кварц есть , но он не подпаян к микросхеме (ch340)? Будет такой модуль работать с МК, у которого внешний кварц задействован?

Добавлено after 8 minutes 4 seconds:
Re: CH340 и ATMega328p с внешним кварцем и без внешнего кварца
На том, где кварц на 12, и есть маркировка микросхемы, я нашёл ноги куда кварц подпаян, а на том, где кварц на 16, и маркировка стёрта - не нашёл.

Добавлено after 1 minute 44 seconds:
Re: CH340 и ATMega328p с внешним кварцем и без внешнего кварца
Может одна микросхема не G? Но вторая-то G, а работает криво.


Вернуться наверх
 
Не в сети
 Заголовок сообщения: Re: CH340 и ATMega328p с внешним кварцем и без внешнего квар
СообщениеДобавлено: Вт сен 23, 2025 18:32:59 
Мудрый кот

Карма: 25
Рейтинг сообщений: 471
Зарегистрирован: Сб май 05, 2012 20:24:52
Сообщений: 1753
Откуда: KN34PC, Болгария
Рейтинг сообщения: 0
Не знаю, какие у Вас модули. Фото? У CH340G есть кварцевый резонатор на 12 MHz. Насколько помню, у GH340C есть встроенный генератор.
Не видел G без кварцевого резонатора.

ATmega328P на 8 MHz внутренний генератор используйте с CP2102 и готово. Если CP оригинальные, то они хорошие.
И CH хорошие. За долгое время мне удалось повредить только одна ИС (из-за разницы GND на PC и рабочем столе с электроникой).


Последний раз редактировалось veso74 Ср сен 24, 2025 14:19:01, всего редактировалось 1 раз.

Вернуться наверх
 
Не в сети
 Заголовок сообщения: Re: CH340 и ATMega328p с внешним кварцем и без внешнего квар
СообщениеДобавлено: Ср сен 24, 2025 14:07:23 
Друг Кота
Аватар пользователя

Карма: 96
Рейтинг сообщений: 1486
Зарегистрирован: Вт мар 16, 2010 22:02:27
Сообщений: 15268
Откуда: ДОНЕЦК
Рейтинг сообщения: 0
На нанке кварц уже установлен. на 16 или на 8 МГц.
Обычно 8 МГц на 3-вольтовом варианте нанки - смотрим что в лапы попало (отдельная методика как с немаркированными нанками/про мини разбираться).
Запускать МК при подключенном кварце от внутреннего тактового генератора конечно можно попытаться - но там ведь и фузы менять надо - а эта процедура в ардуиноIDE обычно "по умолчанию" при простой загрузке скотча не выполняется (а для смены частот генератора /кварцев нужно еще и "платформу" с мультичастотным меню установить).
Для загрузки фузов в комплекте с бутлоадером в "чистый" (после операции "общее стирание") МК используется опция IDE:
"инструменты -> записать загрузчик" плюс та запись делается минимум через ардуиноISP программатор (или чего есть в наличии по соответствующему списку на вкладке IDE),
или установку соответствующих настроек фузов делать на отдельной софт - оболочке и железке программатора.
:roll:
Скорее всего именно с настройкой фуз под генератор и проблема. Захотелось чего то своего, но "в рамках ардуино-нанки" без соответствующей подготовки той нанки.
8)


Вернуться наверх
 
Не в сети
 Заголовок сообщения: Re: CH340 и ATMega328p с внешним кварцем и без внешнего квар
СообщениеДобавлено: Ср сен 24, 2025 14:43:32 
Первый раз сказал Мяу!

Зарегистрирован: Ср янв 20, 2021 05:39:28
Сообщений: 30
Рейтинг сообщения: 0
С фьюзами всё нормально, иначе и модуль с CP2102 с МК нормально не работал бы, а он нормально работает.


Вложения:
Internal8.jpg [155.66 KiB]
Скачиваний: 28
Вернуться наверх
 
Не в сети
 Заголовок сообщения: Re: CH340 и ATMega328p с внешним кварцем и без внешнего квар
СообщениеДобавлено: Ср сен 24, 2025 15:14:06 
Мудрый кот

Карма: 25
Рейтинг сообщений: 471
Зарегистрирован: Сб май 05, 2012 20:24:52
Сообщений: 1753
Откуда: KN34PC, Болгария
Рейтинг сообщения: 0
Давайте "сократим неизвестные" :). Какую частоту получаете на Arduino выводе 9?
должно быть: 16 MHz -> 1000000 Hz, 8 MHz -> 500000 Hz.

Спойлер
Код:
void setup() {
  // set pin 9 (OC1A) as output
  pinMode(9, OUTPUT);

  // stop Timer1 while configuring
  TCCR1A = 0;
  TCCR1B = 0;

  // set CTC mode (Clear Timer on Compare Match)
  TCCR1B |= (1 << WGM12);

  // toggle OC1A on compare match
  TCCR1A |= (1 << COM1A0);

  // set prescaler to 1
  TCCR1B |= (1 << CS10);

  // set compare match value
  // frequency = 16MHz / (2 * (OCR1A + 1))
  OCR1A = 7; // ~1 MHz
}

void loop() {
}


Вернуться наверх
 
Не в сети
 Заголовок сообщения: Re: CH340 и ATMega328p с внешним кварцем и без внешнего квар
СообщениеДобавлено: Ср сен 24, 2025 15:57:22 
Друг Кота
Аватар пользователя

Карма: 96
Рейтинг сообщений: 1486
Зарегистрирован: Вт мар 16, 2010 22:02:27
Сообщений: 15268
Откуда: ДОНЕЦК
Рейтинг сообщения: 0
нанка 16 МГц олд бутлоадер
правда софтинка чуток другая...
Вложение:
нанка.pdf [81 KiB]
Скачиваний: 23

:roll:


Вернуться наверх
 
Не в сети
 Заголовок сообщения: Re: CH340 и ATMega328p с внешним кварцем и без внешнего квар
СообщениеДобавлено: Чт сен 25, 2025 12:32:12 
Первый раз сказал Мяу!

Зарегистрирован: Ср янв 20, 2021 05:39:28
Сообщений: 30
Рейтинг сообщения: 0
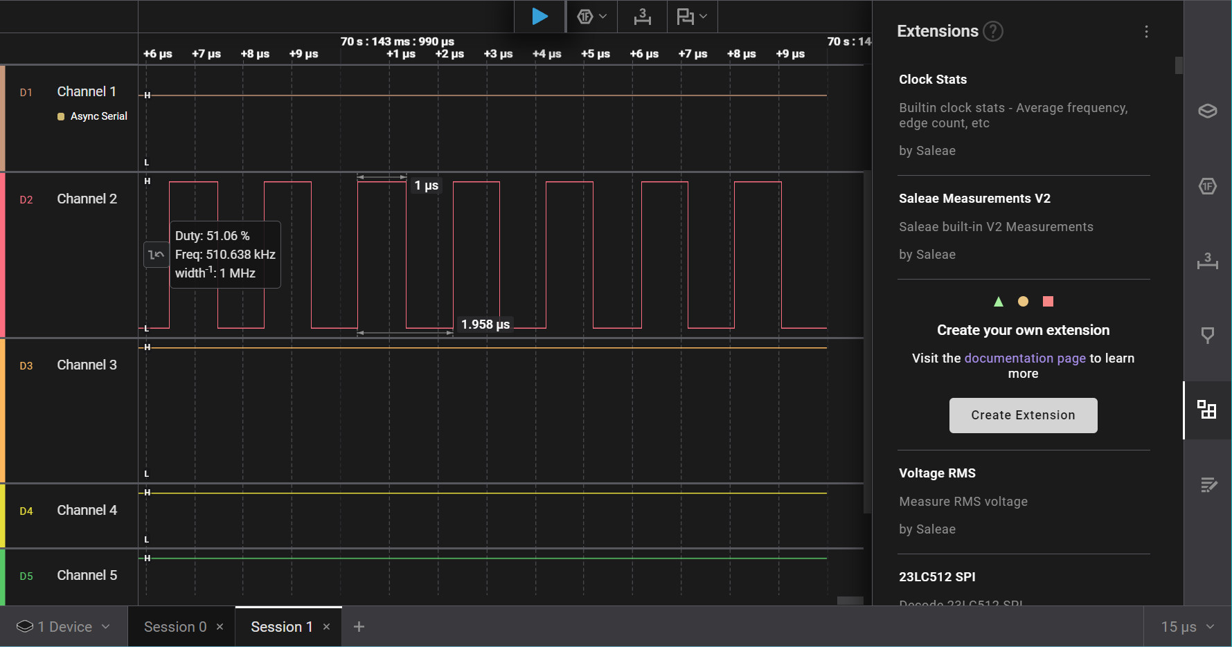
Давайте "сократим неизвестные" :). Какую частоту получаете на Arduino выводе 9?
должно быть: 16 MHz -> 1000000 Hz, 8 MHz -> 500000 Hz.

510.638kHz. Ещё раньше проверил: установил CKOUT, на 14 ноге МК появилась частота 8 MHz.


Вложения:
2025-09-25_123503.jpg [190.04 KiB]
Скачиваний: 21
Вернуться наверх
 
Не в сети
 Заголовок сообщения: Re: CH340 и ATMega328p с внешним кварцем и без внешнего квар
СообщениеДобавлено: Чт сен 25, 2025 12:38:51 
Друг Кота
Аватар пользователя

Карма: 96
Рейтинг сообщений: 1486
Зарегистрирован: Вт мар 16, 2010 22:02:27
Сообщений: 15268
Откуда: ДОНЕЦК
Рейтинг сообщения: 0
Надеюсь про входную обработку самой нанки после приобретения не забыли?
Промывка изопропиловым спиртом и удаление возможных шариков припоя на смд компонентах?
Микрокварцы весьма чувствительны к внешним загрязнениям.
8)


Вернуться наверх
 
Не в сети
 Заголовок сообщения: Re: CH340 и ATMega328p с внешним кварцем и без внешнего квар
СообщениеДобавлено: Чт сен 25, 2025 12:47:22 
Первый раз сказал Мяу!

Зарегистрирован: Ср янв 20, 2021 05:39:28
Сообщений: 30
Рейтинг сообщения: 0
Нанка - это что?


Вернуться наверх
 
Не в сети
 Заголовок сообщения: Re: CH340 и ATMega328p с внешним кварцем и без внешнего квар
СообщениеДобавлено: Чт сен 25, 2025 12:51:03 
Это не хвост, это антенна

Карма: 12
Рейтинг сообщений: 134
Зарегистрирован: Вт июн 07, 2011 08:03:18
Сообщений: 1300
Рейтинг сообщения: 0
alsav22, для калибровки intrc пишется простенькая программка, и двумя кнопками подбирается OSCCAL (капитализма).


Вернуться наверх
 
Не в сети
 Заголовок сообщения: Re: CH340 и ATMega328p с внешним кварцем и без внешнего квар
СообщениеДобавлено: Чт сен 25, 2025 12:57:48 
Друг Кота
Аватар пользователя

Карма: 59
Рейтинг сообщений: 1572
Зарегистрирован: Вт окт 22, 2013 04:37:23
Сообщений: 3409
Откуда: Казань
Рейтинг сообщения: 0
Нанка - это что?

Есть мнение, что это самка ненца.

_________________
Платы для HLDI - установки лазерной засветки фоторезиста.
Фоторезисты Ordyl Alpha 350 и AM 140.
Жидкое олово для лужения плат (видео) - самое лучшее и только у меня.
Паяльная маска XV501T-4 и KSM-S6189 (5 цветов).
Заказ печатных плат - pcbsmac@gmail.com


Вернуться наверх
 
Не в сети
 Заголовок сообщения: Re: CH340 и ATMega328p с внешним кварцем и без внешнего квар
СообщениеДобавлено: Чт сен 25, 2025 13:13:46 
Первый раз сказал Мяу!

Зарегистрирован: Ср янв 20, 2021 05:39:28
Сообщений: 30
Рейтинг сообщения: 0
alsav22, для калибровки intrc

Уже выяснили, что в этом причина? Почему cp2102 это не мешает правильно работать?


Вернуться наверх
 
Не в сети
 Заголовок сообщения: Re: CH340 и ATMega328p с внешним кварцем и без внешнего квар
СообщениеДобавлено: Чт сен 25, 2025 13:16:33 
Первый раз сказал Мяу!

Зарегистрирован: Вс сен 21, 2025 20:33:34
Сообщений: 29
Рейтинг сообщения: 1
все правильно у тебя происходит

1 при 8M b скорости 9600 погрешность 0.2% это с внешним кварцем те более менее работать будет
2 при 8M b скорости 9600 погрешность 0.2%-1,0% без внешнего кварца уже совсем плохо еще и частота
плывет(работать со сбоями будет)
3 СP2102 имеет функцию АПЧ и может работать на нестандартных скоростях
4 СН340 заточена под стандартные скорости +-0,5 % отклонения

как-то так

в файле кусок и даташита


Вложения:
Комментарий к файлу: UART
uart.png [121.65 KiB]
Скачиваний: 21
Вернуться наверх
 
Не в сети
 Заголовок сообщения: Re: CH340 и ATMega328p с внешним кварцем и без внешнего квар
СообщениеДобавлено: Чт сен 25, 2025 13:35:01 
Мудрый кот

Карма: 25
Рейтинг сообщений: 471
Зарегистрирован: Сб май 05, 2012 20:24:52
Сообщений: 1753
Откуда: KN34PC, Болгария
Рейтинг сообщения: 1
Попробуйте добавить корекции в OSCCAL, напр. -2%:
Код:
  uint8_t x = OSCCAL;
  OSCCAL = (x * 98) / 100;

(не гарантирую, что сработает с первого раза, негде попробовать)

Добавлено after 16 minutes 21 second:
нанка 16 МГц олд бутлоадер

BOB51, да, нахожу те же фюзы, есть Arduino Nano на 16 MHz, включил к USBasp:

Изображение


Последний раз редактировалось veso74 Чт сен 25, 2025 13:35:23, всего редактировалось 1 раз.

Вернуться наверх
 
Показать сообщения за:  Сортировать по:  Вернуться наверх
Начать новую тему Ответить на тему  [ Сообщений: 25 ]  1,  

Часовой пояс: UTC + 3 часа


Кто сейчас на форуме

Сейчас этот форум просматривают: нет зарегистрированных пользователей и гости: 4


Вы не можете начинать темы
Вы не можете отвечать на сообщения
Вы не можете редактировать свои сообщения
Вы не можете удалять свои сообщения
Вы не можете добавлять вложения

Найти:
Перейти:  


Powered by phpBB © 2000, 2002, 2005, 2007 phpBB Group
Русская поддержка phpBB
Extended by Karma MOD © 2007—2012 m157y
Extended by Topic Tags MOD © 2012 m157y