Например TDA7294

Форум РадиоКот • Просмотр темы - Мелкие вопросы по МК и ПЛИС.
Форум РадиоКот
Здесь можно немножко помяукать :)

Текущее время: Сб окт 18, 2025 21:40:38

Часовой пояс: UTC + 3 часа


ПРЯМО СЕЙЧАС:



Начать новую тему Ответить на тему  [ Сообщений: 12548 ]     ... , , , 622, , , ...  
Автор Сообщение
Не в сети
 Заголовок сообщения: Re: Мелкие вопросы по МК и ПЛИС.
СообщениеДобавлено: Пн май 08, 2023 11:32:41 
Сверлит текстолит когтями
Аватар пользователя

Зарегистрирован: Пт авг 05, 2016 04:47:49
Сообщений: 1121
Рейтинг сообщения: 0
а какие кварцы посоветуете заказать скажем так самые лучшие
есть дип в металическом корпусе в виде столбика или лодочки большие такие 2 пин
а есть смд керамические 3 пин и 4 пин


Вернуться наверх
 
Не в сети
 Заголовок сообщения: Re: Мелкие вопросы по МК и ПЛИС.
СообщениеДобавлено: Пн май 08, 2023 13:45:33 
Мудрый кот

Карма: 25
Рейтинг сообщений: 462
Зарегистрирован: Сб май 05, 2012 20:24:52
Сообщений: 1701
Откуда: KN34PC, Болгария
Рейтинг сообщения: 0
Объясните, что для вас: "самые лучшие"
SMD TSX-3225, +/- 10 ppm.


Вернуться наверх
 
Не в сети
 Заголовок сообщения: Re: Мелкие вопросы по МК и ПЛИС.
СообщениеДобавлено: Пн май 15, 2023 16:00:47 
Опытный кот
Аватар пользователя

Карма: 7
Рейтинг сообщений: 92
Зарегистрирован: Сб июн 01, 2013 22:24:21
Сообщений: 769
Откуда: ПФО
Рейтинг сообщения: 0
Всем мяу!
Столкнулся я с обновлением прошивки через загрузчик, вопрос такой: допустим обновление не прошло до конца(допустим RS485), часть памяти успели записать а дальше допустим питание вырубили, а потом после подачи питания как понять сколько успели записать и верно ли всё записалось. Сейчас сделан самый примитивный вариант, тупо начинаем всё с начала, но как бы RS485 не самый быстрый интерфейс чтобы при любом чихе начинать всё с самого начала, пришла идея запроса "контрольной суммы" страницы, но опять же какова вероятность что запишется половина(или с ошибками) и каким то образом контрольная сумма совпадёт :? гипотетически.
CRC использую - CRC-16 CCITT для каждой страницы в 512 байт.
К чему такие заморочки: устройство будет находиться довольно далеко, чтобы просто прийти с программатором, а если окирпичится то по шапке напинают не только мне :(


Вернуться наверх
 
Не в сети
 Заголовок сообщения: Re: Мелкие вопросы по МК и ПЛИС.
СообщениеДобавлено: Пн май 15, 2023 16:23:05 
Потрогал лапой паяльник
Аватар пользователя

Зарегистрирован: Вс май 02, 2021 18:58:49
Сообщений: 365
Откуда: 俄罗斯
Рейтинг сообщения: 2
...допустим обновление не прошло до конца(допустим RS485), часть памяти успели записать а дальше допустим питание вырубили...

При удалённом обновлении, лучше всего грузить в отдельную область.
После загрузки всего обновления, проверки целостности можно уже и обновить.
При этом можно проверить наличие резервного питания и прочих условий позволяющих
не "окирпичиться" устройству.
Конечно же для этого микроконтроллер должен иметь достаточный запас по объёму флешь памяти,
но оно того стоит.


Вернуться наверх
 
Эиком - электронные компоненты и радиодетали
Не в сети
 Заголовок сообщения: Re: Мелкие вопросы по МК и ПЛИС.
СообщениеДобавлено: Пн май 15, 2023 18:15:50 
Друг Кота
Аватар пользователя

Карма: 67
Рейтинг сообщений: 1065
Зарегистрирован: Чт сен 18, 2008 12:27:21
Сообщений: 19867
Откуда: Столица Мира Санкт-Петербург
Рейтинг сообщения: 0
Медали: 1
Получил миской по аватаре (1)
какова вероятность что запишется половина(или с ошибками) и каким то образом контрольная сумма совпадёт :? гипотетически. CRC использую - CRC-16

2^(-16)

_________________
[ Всё дело не столько в вашей глупости, сколько в моей гениальности ] [ Правильно заданный вопрос содержит в себе половину ответа ]
Измерить нннада?


Вернуться наверх
 
Не в сети
 Заголовок сообщения: Re: Мелкие вопросы по МК и ПЛИС.
СообщениеДобавлено: Вт май 16, 2023 09:28:22 
Опытный кот
Аватар пользователя

Карма: 7
Рейтинг сообщений: 92
Зарегистрирован: Сб июн 01, 2013 22:24:21
Сообщений: 769
Откуда: ПФО
Рейтинг сообщения: 0
Dismas, резервного питания не предусмотрено, пишется именно так, в отдельную область, и только после заливки всей прошивки запускается процесс обновления, при этом полностью переписываться как бут область так и основная прошивка, если же по какой то причине будет записан не тот байт то однозначно получаем кирпич который не будет выходить из рестарта :(
Gudd-Head, согласен, логично, как только это соотнести к размеру массива, например 512 байт, тупо умножить? :roll:


Вернуться наверх
 
Не в сети
 Заголовок сообщения: Re: Мелкие вопросы по МК и ПЛИС.
СообщениеДобавлено: Вт май 16, 2023 09:52:18 
Сверлит текстолит когтями

Зарегистрирован: Вт ноя 19, 2019 06:10:18
Сообщений: 1247
Рейтинг сообщения: 2
alex_ писал(а):
часть памяти успели записать а дальше допустим питание вырубили, а потом после подачи питания как понять сколько успели записать и верно ли всё записалось

Всё давно придумано до нас.
Записываемая инфа разбивается на блоки. Для каждого блока указывается его длина и проверочная сумма. Из этого формируется управляющий блок. Этот управляющий блок передаётся и записывается первым. Дальше всё просто. Перед стартом загрузчик вычисляет проверочные суммы каждого блока и сравнивает со значением из управляющего блока. Те блоки, у которого суммы не совпали, битые и их надо загрузить и прошить.
Кроме того, имея управляющий блок данных, можно в процессе работы непрерывно проверять целостность данных в записанной памяти.


Вернуться наверх
 
Не в сети
 Заголовок сообщения: Re: Мелкие вопросы по МК и ПЛИС.
СообщениеДобавлено: Ср май 17, 2023 18:29:26 
Друг Кота
Аватар пользователя

Карма: 67
Рейтинг сообщений: 1065
Зарегистрирован: Чт сен 18, 2008 12:27:21
Сообщений: 19867
Откуда: Столица Мира Санкт-Петербург
Рейтинг сообщения: 0
Медали: 1
Получил миской по аватаре (1)
как только это соотнести к размеру массива, например 512 байт

Никак. Поскольку у вас CRC не зависит от длины массива, ложноположительная вероятность при наличии ошибки всегда будет зависеть только от длины CRC = 1/65536 при длине 16 бит.

_________________
[ Всё дело не столько в вашей глупости, сколько в моей гениальности ] [ Правильно заданный вопрос содержит в себе половину ответа ]
Измерить нннада?


Вернуться наверх
 
Не в сети
 Заголовок сообщения: Re: Мелкие вопросы по МК и ПЛИС.
СообщениеДобавлено: Чт июн 01, 2023 10:25:07 
Сверлит текстолит когтями
Аватар пользователя

Зарегистрирован: Пт авг 05, 2016 04:47:49
Сообщений: 1121
Рейтинг сообщения: 0
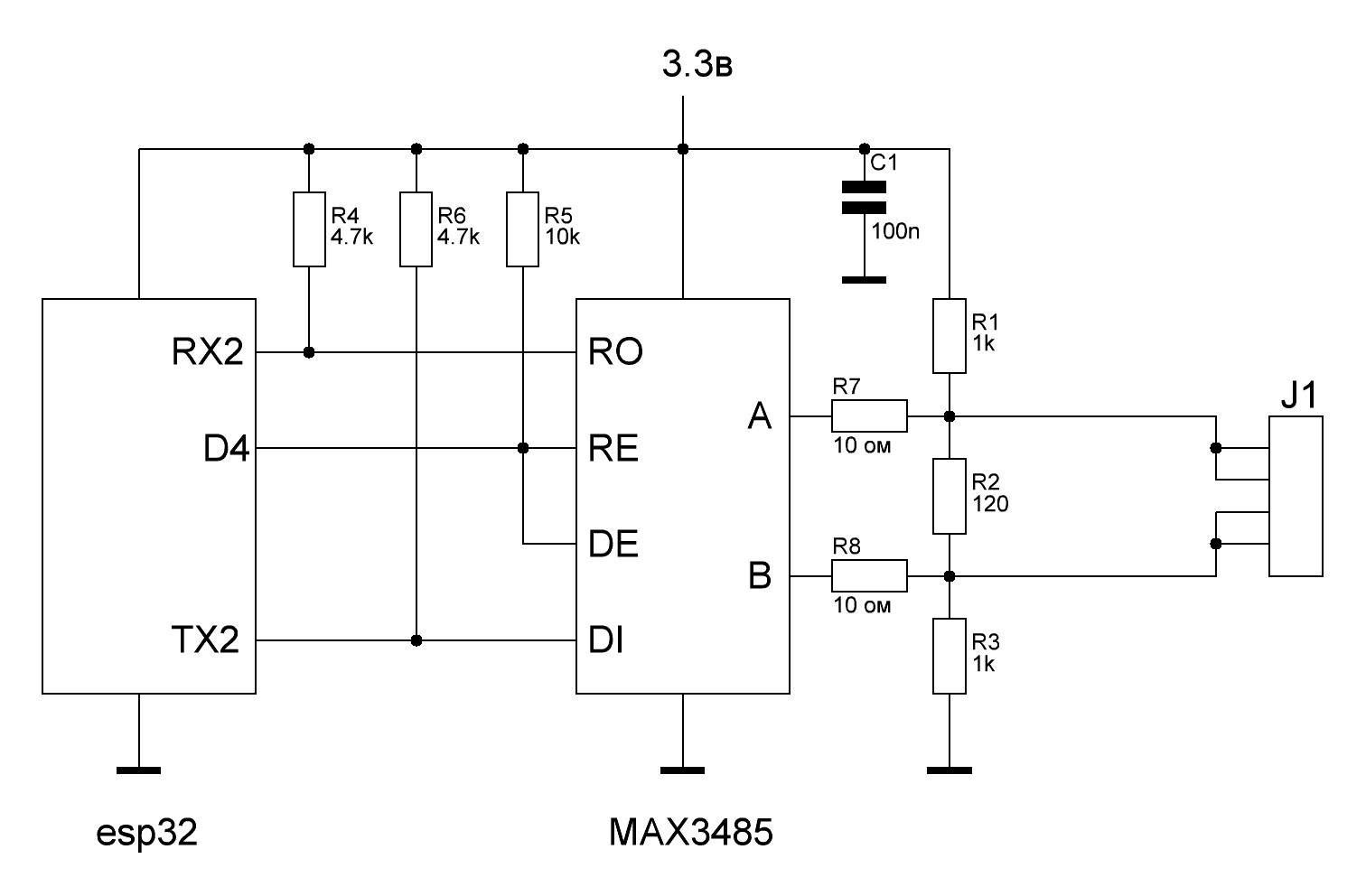
R4 R5 R6 правильнее ставить возле есп или 485 ?

Изображение

и R5 лучше притянуть к + или - ?
судя по схемам их кто туда кто сюда притягивает вроде как бы без разницы ...


Вернуться наверх
 
Не в сети
 Заголовок сообщения: Re: Мелкие вопросы по МК и ПЛИС.
СообщениеДобавлено: Чт июн 01, 2023 11:39:02 
Друг Кота
Аватар пользователя

Карма: 67
Рейтинг сообщений: 1065
Зарегистрирован: Чт сен 18, 2008 12:27:21
Сообщений: 19867
Откуда: Столица Мира Санкт-Петербург
Рейтинг сообщения: 0
Медали: 1
Получил миской по аватаре (1)
R4, R5, R6 ставить ближе к приёмнику сигнала.
R5 подтянуть туда, где чаще чаще будет находиться трансивер (в каком состоянии).

_________________
[ Всё дело не столько в вашей глупости, сколько в моей гениальности ] [ Правильно заданный вопрос содержит в себе половину ответа ]
Измерить нннада?


Вернуться наверх
 
Не в сети
 Заголовок сообщения: Re: Мелкие вопросы по МК и ПЛИС.
СообщениеДобавлено: Чт июн 01, 2023 13:02:17 
Сверлит текстолит когтями
Аватар пользователя

Зарегистрирован: Пт авг 05, 2016 04:47:49
Сообщений: 1121
Рейтинг сообщения: 0
а можно ли к резисторам подтяжки добавить светодиоды ?
нужно видеть присутствие сигнала для технического мониторинга скажем так

Изображение


Вернуться наверх
 
Не в сети
 Заголовок сообщения: Re: Мелкие вопросы по МК и ПЛИС.
СообщениеДобавлено: Чт июн 01, 2023 13:38:36 
Потрогал лапой паяльник
Аватар пользователя

Зарегистрирован: Вс май 02, 2021 18:58:49
Сообщений: 365
Откуда: 俄罗斯
Рейтинг сообщения: 0
а можно ли к резисторам подтяжки добавить светодиоды ?
нужно видеть присутствие сигнала для технического мониторинга скажем так ...

Лучше через транзистор или логический элемент, но длительность импульсов маленькая,
глаз может не успеть увидеть.


Вернуться наверх
 
Не в сети
 Заголовок сообщения: Re: Мелкие вопросы по МК и ПЛИС.
СообщениеДобавлено: Чт июн 01, 2023 13:48:51 
Друг Кота
Аватар пользователя

Карма: 31
Рейтинг сообщений: 846
Зарегистрирован: Пт сен 10, 2021 15:19:36
Сообщений: 5870
Откуда: Протвино
Рейтинг сообщения: 0
Di123, при питании 3.3V и скажем зеленом или желтом LED c Vf~ 2V пуллапа фактически не будет (будет подтягивать к +1.3 V что оочень близко к порогу переключения входов, а иногда и недотягивает до H. синие и белые LED вообще Vf ~3+V. красные часто бывают 1.5V, но не все, и это тож на грани получается.

параллельно к пуллап резисторам можно LED+R (~300+ ohm) но, как заметил Dismas, это часто не имеет смысла из-за скорости сигналов.


Вернуться наверх
 
Не в сети
 Заголовок сообщения: Re: Мелкие вопросы по МК и ПЛИС.
СообщениеДобавлено: Пт июн 02, 2023 10:45:13 
Сверлит текстолит когтями
Аватар пользователя

Зарегистрирован: Пт авг 05, 2016 04:47:49
Сообщений: 1121
Рейтинг сообщения: 0
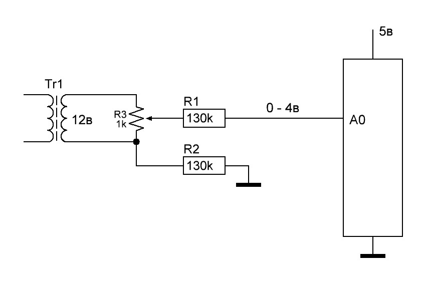
насколько безопастно так оцыфровать макушку переменного напряжения в 50гц ?

Изображение

в теории отрицательная полуволна будет давать чоткий 0
и у нас будет 10мс паузы
далее через функцию фиксирую максимальное число ацп в положительной полуволне которое будет говорить нам о текущем напряжении переменки
далее обнуляю максимальное ацп в течении отрицательного напряжения
и всё по новой


Вернуться наверх
 
Не в сети
 Заголовок сообщения: Re: Мелкие вопросы по МК и ПЛИС.
СообщениеДобавлено: Пт июн 02, 2023 11:24:55 
Друг Кота
Аватар пользователя

Карма: 31
Рейтинг сообщений: 846
Зарегистрирован: Пт сен 10, 2021 15:19:36
Сообщений: 5870
Откуда: Протвино
Рейтинг сообщения: 0
Di123, безопаснее всего вместо диода поставить резистор 100..510k, тогда можно хоть 240V AC туда дать. отрицательная полуволна и превышение Vcc надежно отрежутся канальными переходами fet в gpio. чтоб при обрыве цепи была определеннось - еще ~ такой же резистор на землю.


Вернуться наверх
 
Не в сети
 Заголовок сообщения: Re: Мелкие вопросы по МК и ПЛИС.
СообщениеДобавлено: Пт июн 02, 2023 11:55:40 
Сверлит текстолит когтями
Аватар пользователя

Зарегистрирован: Пт авг 05, 2016 04:47:49
Сообщений: 1121
Рейтинг сообщения: 0
имеете в виду такое в качестве проверки ?
сомнительно конечно у транзистора же тоже есть напряжение пробоя а учитывая закрытый транзистор своим сопротивлением значительно превысит сопротивление R1 + R2 и на нём копится соответственно большее напряжение

Изображение


Вернуться наверх
 
Не в сети
 Заголовок сообщения: Re: Мелкие вопросы по МК и ПЛИС.
СообщениеДобавлено: Пт июн 02, 2023 13:26:31 
Друг Кота
Аватар пользователя

Карма: 31
Рейтинг сообщений: 846
Зарегистрирован: Пт сен 10, 2021 15:19:36
Сообщений: 5870
Откуда: Протвино
Рейтинг сообщения: 0
Di123, на gpio не может быть напряжения за пределами Vss-0.7V, Vcc+0.7V пока высоким током не убили выходные fet gpio . резистор последовательно входу гарантирует что ток будет ограничен. единственное если напрямую 240V то скажем резистор размером 0603 может пробиться и тогда усе. 1206 - уже ок для таких напряжений.

если хотите именно измерять огибающую то нужен делитель из 2 резисторов, такой чтоб максимальное ожидаемое напряжение делилось до попадающего во входной диапазон ADC. напр для 240V AC (370V max) 330k и 2.4k от gpio на землю (можно подстроечный, но это несовресменно, лучше скорректировать софтом).

если просто детектировать переход через 0 например то 2 одинаковых резистора 330k и все.


Вернуться наверх
 
Не в сети
 Заголовок сообщения: Re: Мелкие вопросы по МК и ПЛИС.
СообщениеДобавлено: Сб июн 03, 2023 11:26:57 
Сверлит текстолит когтями
Аватар пользователя

Зарегистрирован: Пт авг 05, 2016 04:47:49
Сообщений: 1121
Рейтинг сообщения: 0
какое предназначение низкоомных резисторов между мк и ads ?

Изображение


Вернуться наверх
 
Не в сети
 Заголовок сообщения: Re: Мелкие вопросы по МК и ПЛИС.
СообщениеДобавлено: Сб июн 03, 2023 16:34:59 
Держит паяльник хвостом
Аватар пользователя

Карма: 16
Рейтинг сообщений: 204
Зарегистрирован: Вс дек 02, 2012 16:58:33
Сообщений: 931
Откуда: от туда
Рейтинг сообщения: 0
какое предназначение низкоомных резисторов между мк и ads ?

Убирают высокочастотный звон цифровых сигналов (может быть одностороннее согласование линий или ФНЧ совместно с входными емкостями микросхемы). С ними звук лучше, сам пробовал.


Вернуться наверх
 
Не в сети
 Заголовок сообщения: Re: Мелкие вопросы по МК и ПЛИС.
СообщениеДобавлено: Пн июн 05, 2023 10:26:03 
Сверлит текстолит когтями
Аватар пользователя

Зарегистрирован: Пт авг 05, 2016 04:47:49
Сообщений: 1121
Рейтинг сообщения: 0
возможно ли отнести концевики от ардуино на 4-5м ?

Изображение

планирую сделать внутреннию подтяжку к +
и если неверное будут какие либо наводки то в теории стабилитроны должны их подавить не выше 5,1в ...


Вернуться наверх
 
Показать сообщения за:  Сортировать по:  Вернуться наверх
Начать новую тему Ответить на тему  [ Сообщений: 12548 ]     ... , , , 622, , , ...  

Часовой пояс: UTC + 3 часа


Кто сейчас на форуме

Сейчас этот форум просматривают: нет зарегистрированных пользователей и гости: 12


Вы не можете начинать темы
Вы не можете отвечать на сообщения
Вы не можете редактировать свои сообщения
Вы не можете удалять свои сообщения
Вы не можете добавлять вложения

Найти:
Перейти:  


Powered by phpBB © 2000, 2002, 2005, 2007 phpBB Group
Русская поддержка phpBB
Extended by Karma MOD © 2007—2012 m157y
Extended by Topic Tags MOD © 2012 m157y