Например TDA7294

Форум РадиоКот • Просмотр темы - Как "разогнать" выходной каскад пищалки?
Форум РадиоКот
Здесь можно немножко помяукать :)

Текущее время: Вс окт 26, 2025 20:07:14

Часовой пояс: UTC + 3 часа


ПРЯМО СЕЙЧАС:



Начать новую тему Ответить на тему  [ Сообщений: 24 ]  1,  
Автор Сообщение
Не в сети
 Заголовок сообщения: Как "разогнать" выходной каскад пищалки?
СообщениеДобавлено: Пн июл 14, 2025 16:13:55 
Первый раз сказал Мяу!
Аватар пользователя

Зарегистрирован: Ср мар 15, 2023 15:38:33
Сообщений: 32
Откуда: СССР
Рейтинг сообщения: 0
вот тут наш дражайше коллега artem333 поделился схемой пищалки:

Изображение

устройство, в которое предполагается её встроить, имеет источник только +5В, однако, достаточно мощный - не менее 5А. хочется получить от этих 5В максимально громкое "орало".

нашел головку 3W x 3.2Ом(что немного добавило громкости в сравнении с головой 4 Ом) и попробовал мостовую схему выходного каскада вот отсюда(за вычетом L1 и C6, а С1 - 470 мкФ):

Изображение

...но от конкретно этой мостовой схемы особого прироста не заметил.

чё делать - поднимать питание усилителя(схемы раскачки Push-Pull каскада)? или можно обойтись 5В с переделкой выходного каскада / намоткой трансформатора? :roll:


Вернуться наверх
 
Не в сети
 Заголовок сообщения: Re: Как "разогнать" выходной каскад пищалки?
СообщениеДобавлено: Пн июл 14, 2025 16:30:09 
Друг Кота
Аватар пользователя

Карма: 54
Рейтинг сообщений: 666
Зарегистрирован: Вт сен 25, 2012 23:13:41
Сообщений: 5062
Откуда: г.Дзержинск Нижегородской обл.
Рейтинг сообщения: 0
Саму "пищалку" заменить на что-нибудь более эффективное не пробовали? Например, ревун от автосигнализации развивает громкость в 100-120 дБ, а питается от АКБ 12 В.

_________________
Спасение утопающих дело рук самих утопающих.


Вернуться наверх
 
Не в сети
 Заголовок сообщения: Re: Как "разогнать" выходной каскад пищалки?
СообщениеДобавлено: Пн июл 14, 2025 17:51:15 
Первый раз сказал Мяу!
Аватар пользователя

Зарегистрирован: Ср мар 15, 2023 15:38:33
Сообщений: 32
Откуда: СССР
Рейтинг сообщения: 0
Саму "пищалку" заменить на что-нибудь более эффективное не пробовали? Например, ревун от автосигнализации развивает громкость в 100-120 дБ, а питается от АКБ 12 В.

да, пробовал.
и в принципе, рабочий вариант. вот только с ним ребро вопросом встает приготовление 12-15В х 250мА из 5В...
хорошо бы как-нибудь без преобразователей питания, если это возможно.


Вернуться наверх
 
Не в сети
 Заголовок сообщения: Re: Как "разогнать" выходной каскад пищалки?
СообщениеДобавлено: Пн июл 14, 2025 19:12:41 
Друг Кота
Аватар пользователя

Карма: 58
Рейтинг сообщений: 412
Зарегистрирован: Чт мар 20, 2008 01:06:40
Сообщений: 3333
Откуда: Севастополь
Рейтинг сообщения: 0
Как вариант, примерная схема мощного удвоителя напряжения на конденсаторах (без катушек).

Изображение

_________________
>(*.*)<
Котище огромно, ушасто, пушисто, глазасто, зубасто, колючелапо и мявай. (c)


Вернуться наверх
 
Эиком - электронные компоненты и радиодетали
Не в сети
 Заголовок сообщения: Re: Как "разогнать" выходной каскад пищалки?
СообщениеДобавлено: Пн июл 14, 2025 19:51:15 
Опытный кот

Карма: 1
Рейтинг сообщений: 95
Зарегистрирован: Пт ноя 22, 2024 14:08:43
Сообщений: 701
Рейтинг сообщения: 0
так а повышающий автотрансформатор уже не в моде ?


Вернуться наверх
 
Не в сети
 Заголовок сообщения: Re: Как "разогнать" выходной каскад пищалки?
СообщениеДобавлено: Пн июл 14, 2025 19:57:56 
Друг Кота
Аватар пользователя

Карма: 54
Рейтинг сообщений: 666
Зарегистрирован: Вт сен 25, 2012 23:13:41
Сообщений: 5062
Откуда: г.Дзержинск Нижегородской обл.
Рейтинг сообщения: 0
хорошо бы как-нибудь без преобразователей питания, если это возможно.
Не затратив электрическую мощность, децибелы никак не получить. :(
И не имеет никакого значения какое у матюгальника будет питание. В наше время преобразователи что вверх, что вниз имеют высокий КПД.

_________________
Спасение утопающих дело рук самих утопающих.


Вернуться наверх
 
Не в сети
 Заголовок сообщения: Re: Как "разогнать" выходной каскад пищалки?
СообщениеДобавлено: Пн июл 14, 2025 21:32:05 
Друг Кота
Аватар пользователя

Карма: 106
Рейтинг сообщений: 3288
Зарегистрирован: Сб фев 11, 2017 15:59:13
Сообщений: 14729
Откуда: 57 RUS
Рейтинг сообщения: 0
Повышающий DC/DC преобразователь, дабы поднять питание с 5V допустим до 12ти не?

_________________
НАРОДОВЛАСТИЕ а не дерьмократия!!!
Суверенным и независимым может считаться только то государство, против которого англосаксонские разносчики кланово-олигархической дерьмократии и еврогейских "ценностей" со своими пособниками ввели санкции!


Вернуться наверх
 
Не в сети
 Заголовок сообщения: Re: Как "разогнать" выходной каскад пищалки?
СообщениеДобавлено: Пн июл 14, 2025 23:41:31 
Первый раз сказал Мяу!
Аватар пользователя

Зарегистрирован: Ср мар 15, 2023 15:38:33
Сообщений: 32
Откуда: СССР
Рейтинг сообщения: 0
Не затратив электрическую мощность, децибелы никак не получить. :(

так речь не о выжимании децибелов из 5В х 50мА, а из 5в х 5А, из которых 1-2А можно взять на звуковые эффекты: ~5-10Вт в идеале.
вопрос в том, как эти 5-10Вт напрямую с источника в матюгальник загнать, минуя промежуточные преобразователи с 5 до 15. шарил бы в выходных каскадах усилителей - сам бы что нибудь придумал, а так обращаюсь за помощью к залу.

Повышающий DC/DC преобразователь, дабы поднять питание с 5V допустим до 12ти не?

не то чтобы совсем "не" - а на случай, если других вариантов, например, схем выходного каскада, не найдется.
крайний, но рабочий вариант - управление совсем уже внешним устройством по линии ~220.

может быть всё-таки, есть варианты разогнать выход от 5В - как вот здесь, например:

Изображение

так а повышающий автотрансформатор уже не в моде ?

но почему же? можно схемку, если не затруднит...
видел, например, такое:

Изображение

только там ни параметров, ни формул. а пищалка есть, например, такая:
СпойлерИзображение

есть, например, транс от радиовещательного приемника на железе - вопрос в том, как его использовать. есть ферриты разные(хотя, на таких частотах, наверное, не лучший вариант)...


Вложения:
IMG_20250714_235018.jpg [92.94 KiB]
Скачиваний: 390


Последний раз редактировалось Мех Вт июл 15, 2025 00:08:05, всего редактировалось 1 раз.
Вернуться наверх
 
Не в сети
 Заголовок сообщения: Re: Как "разогнать" выходной каскад пищалки?
СообщениеДобавлено: Вт июл 15, 2025 00:07:28 
Друг Кота

Карма: 35
Рейтинг сообщений: 570
Зарегистрирован: Вт дек 10, 2013 19:13:10
Сообщений: 3267
Рейтинг сообщения: 0
купить вот это и не парить моск себе и людям

https://aliexpress.ru/item/400019777737 ... _rcmd=core


Вернуться наверх
 
Не в сети
 Заголовок сообщения: Re: Как "разогнать" выходной каскад пищалки?
СообщениеДобавлено: Вт июл 15, 2025 00:20:35 
Друг Кота
Аватар пользователя

Карма: 182
Рейтинг сообщений: 8313
Зарегистрирован: Пт фев 04, 2011 17:57:51
Сообщений: 19889
Откуда: Рыбинск
Рейтинг сообщения: 0
Медали: 1
Лучший человек Форума 2017 (1)
ибуки писал(а):
купить вот это
Да нет, автор хочет чтобы кто то подкинул схемку, чудесный образом обходящую законы физики, в частности закон Ома.


Вернуться наверх
 
Не в сети
 Заголовок сообщения: Re: Как "разогнать" выходной каскад пищалки?
СообщениеДобавлено: Вт июл 15, 2025 00:31:16 
Первый раз сказал Мяу!
Аватар пользователя

Зарегистрирован: Ср мар 15, 2023 15:38:33
Сообщений: 32
Откуда: СССР
Рейтинг сообщения: 0
купить вот это и не парить моск себе и людям
https://aliexpress.ru/item/400019777737 ... _rcmd=core

в пределах досягаемости такая штука даже где-то имеется. только я в этом плане малость динозавр: "купить" - не наш метод. наш метод - "собрать", например... "открутить". или даже "сп...ить"...

Martin76 писал(а):
Да нет, автор хочет чтобы кто то подкинул схемку, чудесный образом обходящую законы физики, в частности закон Ома.

вот неправда ваша: не проблема, не проблема собрать повышайку на MC34063, SG3524 - их есть откуда свинтить. вопрос: а надо ли преобразовывать питание, или можно достичь желаемого эффекта грамотно построив оконечный каскад.

Изображение

вот например такое кушает от источника 410 мА, примерно на такую величину и орёт.

что, вообще-то, не предел: 5В - напряжение насыщения транзисторов(2 х 0.6В) = 3.8В
при таком напряжении 3Вт на выходе дадут ~0.8А, а сквозной ток в каскаде может быть 3.8 В / 3.2 Ом ~ 1.2 А

то есть, резерв мощи есть - и это в границах закона Ома.


Вложения:
IMG_20250715_015245.jpg [29.57 KiB]
Скачиваний: 370


Последний раз редактировалось Мех Вт июл 15, 2025 02:56:08, всего редактировалось 3 раз(а).
Вернуться наверх
 
Не в сети
 Заголовок сообщения: Re: Как "разогнать" выходной каскад пищалки?
СообщениеДобавлено: Вт июл 15, 2025 02:25:19 
Вымогатель припоя

Зарегистрирован: Пт май 20, 2022 12:28:46
Сообщений: 580
Рейтинг сообщения: 1
Когда-то давным давно в 90м году в Юном Технике была схема дозиметра
а в схеме дозиметра была вот такая пищалка.
ссылка на circuit simulator

собрана она, кстати, тоже на или-не

Максимум, что можно из нее выжать - 3,7Вт на кремнии и 5.5Вт на германии
Если нужно больше, то уже преобразователь... или несколько динамиков в параллель, с соответствующим ростом тока

Добавлено after 14 minutes 12 seconds:
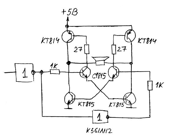
соответственно, чтоб сие зашевилилось несколько громче, надо изменить включение DD1.5 и DD1.6 + добавить еще пару транзисторов. Желательно мощных составных, так как ток по ним попрет в районе ампера. И если поставить обычные 814/815, то приедет микросхема, так как ток через нее будет больше 12ма/выв, а надо 1

Добавлено after 38 minutes 44 seconds:
Upd. Совсем из головы вылетело... В общем Дарлигтон не подойдёт. Надо ставить обычные транзисторы. , а на на выходе логики ключ.


Вернуться наверх
 
Не в сети
 Заголовок сообщения: Re: Как "разогнать" выходной каскад пищалки?
СообщениеДобавлено: Вт июл 15, 2025 02:44:04 
Первый раз сказал Мяу!
Аватар пользователя

Зарегистрирован: Ср мар 15, 2023 15:38:33
Сообщений: 32
Откуда: СССР
Рейтинг сообщения: 0
Максимум, что можно из нее выжать - 3,7Вт на кремнии и 5.5Вт на германии
Если нужно больше, то уже преобразователь... или несколько динамиков в параллель, с соответствующим ростом тока

Добавлено after 14 minutes 12 seconds:
соответственно, чтоб сие зашевилилось несколько громче, надо изменить включение DD1.5 и DD1.6 + добавить еще пару транзисторов. Желательно мощных составных, так как ток по ним попрет в районе ампера. И если поставить обычные 814/815, то приедет микросхема, так как ток через нее будет больше 12ма/выв, а надо 1

Добавлено after 38 minutes 44 seconds:
Upd. Совсем из головы вылетело... В общем Дарлигтон не подойдёт. Надо ставить обычные транзисторы. , а на на выходе логики ключ.

мож в этом направлении имеет смысл покопать:
Изображение


Вложения:
IMG_20250715_022917.jpg [22.17 KiB]
Скачиваний: 339
Вернуться наверх
 
Не в сети
 Заголовок сообщения: Re: Как "разогнать" выходной каскад пищалки?
СообщениеДобавлено: Вт июл 15, 2025 09:09:23 
Друг Кота
Аватар пользователя

Карма: 54
Рейтинг сообщений: 666
Зарегистрирован: Вт сен 25, 2012 23:13:41
Сообщений: 5062
Откуда: г.Дзержинск Нижегородской обл.
Рейтинг сообщения: 0
мож в этом направлении имеет смысл покопать
Начинать копать имеет смысл в направлении поиска подходящего по громкости излучателя. Если нет желания приобретать, то его необходимо... родить изобрести самостоятельно. Когда станут известны его тактико-технические характеристики (ТТХ) можно переходить в проектированию схемы его накачки и питания. Всё остальное - это вынос мозга и себе, и другим (ИМХО).

_________________
Спасение утопающих дело рук самих утопающих.


Вернуться наверх
 
Не в сети
 Заголовок сообщения: Re: Как "разогнать" выходной каскад пищалки?
СообщениеДобавлено: Вт июл 15, 2025 09:20:27 
Друг Кота
Аватар пользователя

Карма: 106
Рейтинг сообщений: 3288
Зарегистрирован: Сб фев 11, 2017 15:59:13
Сообщений: 14729
Откуда: 57 RUS
Рейтинг сообщения: 1
может быть всё-таки, есть варианты разогнать выход от 5В - как вот

Вы упёрлись в классическую мостовую схему УНЧ, попробуйте использовать усилитель D-класса в мостовом включении, у УНЧ D-класса КПД довольно высокий.
Допустим используйте какую любо микросхему УНЧ D класса в паралельно-мостовом включении, типа TPA3118 (она же TPA3118D2), у неё питание от 4,5 V, в случае работы в режиме стерео выходы микросхемы работают в мостовом режиме (BTL), а при работе в монофоническом режиме выход работает в параллельно-мостовом режиме (PBTL) с высоким КПД.
P.S.
Кстати, у меня есть защищённый «бронированный» смартфон OCKAL PILOT-1, у него заявленная мощность звука 5 Вт 138 дб, при этом аккумулятор у него ёмкостью 15000 mAh, звук действительно громкий и при этом очень качественный для смартфона, динамик звук именно воспроизводит а не орёт, как на совсем китайских телефонах, имеют место быть очень приличные для смартфона низкие частоты, да и в целом звук сбалансирован, при этом питание у него обычный литевый аккумулятор с напряжением 4,2-3,7V., как китайские товарищи добились такой мощности и качества звука при низковольтном питании, мне не ведомо, на факт имеет место быть.

Изображение Изображение

_________________
НАРОДОВЛАСТИЕ а не дерьмократия!!!
Суверенным и независимым может считаться только то государство, против которого англосаксонские разносчики кланово-олигархической дерьмократии и еврогейских "ценностей" со своими пособниками ввели санкции!


Вернуться наверх
 
Не в сети
 Заголовок сообщения: Re: Как "разогнать" выходной каскад пищалки?
СообщениеДобавлено: Вт июл 15, 2025 12:05:09 
Первый раз сказал Мяу!
Аватар пользователя

Зарегистрирован: Ср мар 15, 2023 15:38:33
Сообщений: 32
Откуда: СССР
Рейтинг сообщения: 0
Вы упёрлись в классическую мостовую схему УНЧ, попробуйте использовать усилитель D-класса в мостовом включении, у УНЧ D-класса КПД довольно высокий.

наличие на борту микроконтроллера с аппаратным ШИМ позволяет рассмотреть и этот вариант тоже. пример выше есть:

СпойлерИзображение

один вопрос только: может, и в классе "D" на 5-вольтовые полевики надо перейти, иначе не разогнать?

----------

Начинать копать имеет смысл в направлении поиска подходящего по громкости излучателя. ... Когда станут известны его тактико-технические характеристики (ТТХ) можно переходить в проектированию схемы его накачки и питания. Всё остальное - это вынос мозга и себе, и другим (ИМХО).

так, собсно, вот на выбор:
3 Вт x 16 Ом
8 Вт х 3 Ом
3 Вт х 3.2 Ом
25 Вт х 4 Ом
СпойлерИзображение

малявка 3 Вт х 4 Ом, у которой, видимо, указана пиковая мощность:
СпойлерИзображение

есть ещё пьезопищалки:
12 В х ~230 мА
12 В х ~5 мА
30 В, ~3.8 кГц
просто неизвестный блин
СпойлерИзображение


соответственно, главный критерий - фиксированный источник питания 5В(х 5А), из которых 1-2А можно взять.

логика такая: от источника пляшем в сторону матюгальников сопротивлением 3-4 Ом, в частности, 3 Вт х 3.2 Ом - он один(остальных тварей - по паре), довольно плоский и в хорошем состоянии.
запуск пищалки с таким выходным каскадом(при токе ~410 мА) показал почти удовлетворительные результаты: если на него ещё немного "поднажать" до ~800 мА - становится "достаточно". едва-заметно тише показал себя пионерик 25 Вт х 4 Ом - это уже с большим избытком.
то есть, план "А" - динамическая голова 3-5 Вт(габариты, состояние, ...) сопротивлением ~3.5 Ом.

пьезопищалки с генератором (левые) начинают удовлетворять при напряжении питания 12В и выше, так что это план "В".

у правых генератора нет(он неисправен) - план "Б"

однако, конструктивная критика приветствуется


Вложения:
IMG_20250715_114358.jpg [157.23 KiB]
Скачиваний: 271
IMG_20250715_114032.jpg [80.1 KiB]
Скачиваний: 270
IMG_20250715_113528.jpg [168.6 KiB]
Скачиваний: 269
Вернуться наверх
 
Не в сети
 Заголовок сообщения: Re: Как "разогнать" выходной каскад пищалки?
СообщениеДобавлено: Вт июл 15, 2025 20:59:54 
Друг Кота
Аватар пользователя

Карма: 54
Рейтинг сообщений: 666
Зарегистрирован: Вт сен 25, 2012 23:13:41
Сообщений: 5062
Откуда: г.Дзержинск Нижегородской обл.
Рейтинг сообщения: 0
логика такая: от источника пляшем в сторону матюгальников сопротивлением 3-4 Ом...
Нет не такая, а вот какая: подключаем каждый вариант к звуковому генератору с УМ, выставляем резонансную частоту в районе 1-2 кГц, указанную на матюгальнике мощность, и ушами слушаем результат. Если он нас устраивает, определяем амплитудное значение напряжения и ток (можно измерить на резисторе, включенном впослед с матюгальником). Это и будут искомые ТТХ. Дальше будем мудрить со схемой выходного каскада.

_________________
Спасение утопающих дело рук самих утопающих.


Вернуться наверх
 
Не в сети
 Заголовок сообщения: Re: Как "разогнать" выходной каскад пищалки?
СообщениеДобавлено: Ср июл 16, 2025 14:22:23 
Первый раз сказал Мяу!
Аватар пользователя

Зарегистрирован: Ср мар 15, 2023 15:38:33
Сообщений: 32
Откуда: СССР
Рейтинг сообщения: 0
]Нет не такая, а вот какая: подключаем каждый вариант к звуковому генератору с УМ, выставляем резонансную частоту в районе 1-2 кГц, указанную на матюгальнике мощность, и ушами слушаем результат. Если он нас устраивает, определяем амплитудное значение напряжения и ток (можно измерить на резисторе, включенном впослед с матюгальником). Это и будут искомые ТТХ. Дальше будем мудрить со схемой выходного каскада.

безусловно сделал бы именно так, не будь изначального ограничения - питание только 5В(х 5А).

тогда конечно: выбираем матюгальник и под него источник питания со всем-всем остальным. логика абсолютно здравая.

в том-то и засада, что надо "вписать" функционал в уже готовое устройство, минимально меняя его схемотехнически. программно - да, сколько угодно, но вот источник питания другой - это уже не вариант.

кстати сказать, нижеследующее начинает удовлетворять уже при питании от 9В(кушая те самые 800 мА):

СпойлерИзображение


Вернуться наверх
 
Не в сети
 Заголовок сообщения: Re: Как "разогнать" выходной каскад пищалки?
СообщениеДобавлено: Ср июл 16, 2025 15:08:42 
Друг Кота
Аватар пользователя

Карма: 196
Рейтинг сообщений: 8562
Зарегистрирован: Пн ноя 30, 2009 03:00:01
Сообщений: 42786
Откуда: Нерезиновая
Рейтинг сообщения: 1
Использование биполярных транзисторов при низком напряжении питания- не очень рационально- на PN переходах теряется, как минимум, почти полтора вольта, поэтому, лучше использовать H-мост на полевых транзисторах. Чтобы особо не выдумывать, можно взять микросхему готового Н-моста, вот, например-
TC118 https://static.chipdip.ru/lib/160/DOC013160552.pdf
TC8301 https://static.chipdip.ru/lib/329/DOC043329600.pdf
TMI8118 https://static.chipdip.ru/lib/206/DOC052206813.pdf
Они, даже в чипдипе, стоят копейки..
На входы InA, InB подаётся противофазный сигнал, а с выходов OUTA, OUTB снимается "усиленный" сигнал.

зы.. Есть и помощнее драйвер- TA6586 https://static.chipdip.ru/lib/923/DOC012923012.pdf
держит и 5 ампер, но и стоит подороже- 90 рублей.


Вернуться наверх
 
Не в сети
 Заголовок сообщения: Re: Как "разогнать" выходной каскад пищалки?
СообщениеДобавлено: Чт июл 17, 2025 03:01:01 
Первый раз сказал Мяу!
Аватар пользователя

Зарегистрирован: Ср мар 15, 2023 15:38:33
Сообщений: 32
Откуда: СССР
Рейтинг сообщения: 0
Вы упёрлись в классическую мостовую схему УНЧ, попробуйте использовать усилитель D-класса в мостовом включении, у УНЧ D-класса КПД довольно высокий.

таки-да, уперлись. таки-да, класс "D"...

Upd. Совсем из головы вылетело... В общем Дарлигтон не подойдёт. Надо ставить обычные транзисторы. , а на на выходе логики ключ.

один ключ сразу на два транзистора - pnp и npn - гениально! и всё уже придумано до нас:

Изображение

а это успех: кушает ~950 мА, орет соответственно

Использование биполярных транзисторов при низком напряжении питания- не очень рационально- на PN переходах теряется, как минимум, почти полтора вольта, поэтому, лучше использовать H-мост на полевых транзисторах. Чтобы особо не выдумывать, можно взять микросхему готового Н-моста, вот, например...

на этот раз удалось победить биполярные. но есть такое чувство, что 4-х "логических" полевиков и двух резисторов было бы более чем достаточно.


Вложения:
IMG_20250717_023152.jpg [32.28 KiB]
Скачиваний: 175
Вернуться наверх
 
Показать сообщения за:  Сортировать по:  Вернуться наверх
Начать новую тему Ответить на тему  [ Сообщений: 24 ]  1,  

Часовой пояс: UTC + 3 часа


Кто сейчас на форуме

Сейчас этот форум просматривают: нет зарегистрированных пользователей и гости: 41


Вы не можете начинать темы
Вы не можете отвечать на сообщения
Вы не можете редактировать свои сообщения
Вы не можете удалять свои сообщения
Вы не можете добавлять вложения

Найти:
Перейти:  


Powered by phpBB © 2000, 2002, 2005, 2007 phpBB Group
Русская поддержка phpBB
Extended by Karma MOD © 2007—2012 m157y
Extended by Topic Tags MOD © 2012 m157y