Например TDA7294

Форум РадиоКот • Просмотр темы - Усилитель на TDA8567
Форум РадиоКот
Здесь можно немножко помяукать :)

Текущее время: Вс окт 19, 2025 02:39:08

Часовой пояс: UTC + 3 часа


ПРЯМО СЕЙЧАС:



Начать новую тему Ответить на тему  [ Сообщений: 50 ]  1, ,  
Автор Сообщение
Не в сети
 Заголовок сообщения: Усилитель на TDA8567
СообщениеДобавлено: Вт мар 15, 2011 18:32:38 
Встал на лапы
Аватар пользователя

Зарегистрирован: Вс авг 08, 2010 17:23:37
Сообщений: 116
Откуда: Україна
Рейтинг сообщения: 0
Я собрал усилок на TDA8567 и темброблок на ТА7630 нов колонках слышин гул как будто от транса и при подключении другого бп Гул не пропадает если дать на вход звуковой сигнал от компа или чо нибудь другого гул остается просто подавляется другими звуками
ето нимного действует на нервишки подскажите что делать пожалуста)))))

_________________
Изображение


Вернуться наверх
 
Не в сети
 Заголовок сообщения: Re: HelpPPPPPP по Усилку
СообщениеДобавлено: Вт мар 15, 2011 18:46:04 
Друг Кота
Аватар пользователя

Карма: 95
Рейтинг сообщений: 967
Зарегистрирован: Пт дек 03, 2010 13:13:39
Сообщений: 7724
Откуда: Россия, Тула и пгт Городищи, Владимирская обл.
Рейтинг сообщения: 0
Блоки питания-то какие? нестабилизированные небось, как мэйд ин Чайна диодный мост+конденсатор, и все? Если так, то гул-явление закономерное. Если блоки стабилизированные, то проблема в земле и неэкранированных проводах. Итак, по порядку: каким блоком питания кормите устройства?

_________________
Не всегда есть комп, или скорость интернета, но чем смогу-помогу.

И да пребудет с вами Сила тока!


Вернуться наверх
 
Не в сети
 Заголовок сообщения: Re: HelpPPPPPP по Усилку
СообщениеДобавлено: Вт мар 15, 2011 18:50:18 
Встал на лапы
Аватар пользователя

Зарегистрирован: Вс авг 08, 2010 17:23:37
Сообщений: 116
Откуда: Україна
Рейтинг сообщения: 0
Блок стабилизированый один и второй електролити все как надо щас закину фотки и схему не судите строго мне всего 15 лет )))

_________________
Изображение


Вернуться наверх
 
Не в сети
 Заголовок сообщения: Re: HelpPPPPPP по Усилку
СообщениеДобавлено: Вт мар 15, 2011 18:53:02 
Друг Кота

Карма: 19
Рейтинг сообщений: 470
Зарегистрирован: Чт апр 29, 2010 07:39:15
Сообщений: 3226
Откуда: Молдова Бельцы
Рейтинг сообщения: 0
Исходной информации мало :
- какой блок питания (импульсный или трансформаторный ) ?
- какое напряжение питания ?
- какого номинала фильтрующие емкости ?
- остаётся ли гул при отключении темброблока ?
- греется ли микросхема УМ ?
- как собран усилок ( навесной монтаж или печать ) ?
Ну, а потом уже советы . :)
Пока набирал текст, некоторые вопросы прояснились.
Какой ток может дать БП ? Вых. МС может кушать до 7,5 Ампер. См http://www.datasheetcatalog.com/datashe ... 8567.shtml .


Вернуться наверх
 
Эиком - электронные компоненты и радиодетали
Не в сети
 Заголовок сообщения: Re: HelpPPPPPP по Усилку
СообщениеДобавлено: Вт мар 15, 2011 19:00:49 
Встал на лапы
Аватар пользователя

Зарегистрирован: Вс авг 08, 2010 17:23:37
Сообщений: 116
Откуда: Україна
Рейтинг сообщения: 0
Монтаж нависной но на куске чистого текстолита питание 17 В в холостую привкл усилка и всего остального 15 В
електролиты 1000/25 2 шт 4700/25 2 шт
при отключении темброблока гул остается
при роботе ум микра не греится чи ть теплинькая
бп можкт дать 2,5 А

_________________
Изображение


Вернуться наверх
 
Не в сети
 Заголовок сообщения: Re: HelpPPPPPP по Усилку
СообщениеДобавлено: Вт мар 15, 2011 19:04:35 
Друг Кота

Карма: 19
Рейтинг сообщений: 470
Зарегистрирован: Чт апр 29, 2010 07:39:15
Сообщений: 3226
Откуда: Молдова Бельцы
Рейтинг сообщения: 0
Если
ASAP писал(а):
Блок стабилизированый

Отчего тогда
ASAP писал(а):
питание 17 В в холостую привкл усилка и всего остального 15 В
? Значит, что-то кушает ток ? У МС по даташиту ток покоя 0,23 Ампера всего.
Для начала проверить монтаж. Может МС бракованная.


Последний раз редактировалось sergeisams Вт мар 15, 2011 19:09:00, всего редактировалось 1 раз.

Вернуться наверх
 
Не в сети
 Заголовок сообщения: Re: HelpPPPPPP по Усилку
СообщениеДобавлено: Вт мар 15, 2011 19:08:12 
Встал на лапы
Аватар пользователя

Зарегистрирован: Вс авг 08, 2010 17:23:37
Сообщений: 116
Откуда: Україна
Рейтинг сообщения: 0
Бес понятия щас виложу фотки и увидите у меня с нетом проблемы скорость маловата

_________________
Изображение


Вернуться наверх
 
Не в сети
 Заголовок сообщения: Re: HelpPPPPPP по Усилку
СообщениеДобавлено: Вт мар 15, 2011 19:33:35 
Встал на лапы
Аватар пользователя

Зарегистрирован: Вс авг 08, 2010 17:23:37
Сообщений: 116
Откуда: Україна
Рейтинг сообщения: 0
вот фотки и схемка
http://img-fotki.yandex.ru/get/6005/hne ... 3483_L.jpg
http://img-fotki.yandex.ru/get/4513/hne ... 7c67_L.jpg
http://img-fotki.yandex.ru/get/5604/hne ... 9ac0_L.jpg
http://img-fotki.yandex.ru/get/5803/hne ... fb85_L.jpg
http://img-fotki.yandex.ru/get/5804/hne ... 72cd_L.jpg
http://img-fotki.yandex.ru/get/5703/hne ... d5ca_L.jpg
http://img-fotki.yandex.ru/get/5903/hne ... e4fd_L.jpg
http://img-fotki.yandex.ru/get/6005/hne ... 0592_L.jpg
http://img-fotki.yandex.ru/get/5504/hne ... 739e_L.jpg
http://img-fotki.yandex.ru/get/4403/hne ... b8bf_L.jpg
http://img-fotki.yandex.ru/get/6003/hne ... 6632_L.jpg

_________________
Изображение


Вернуться наверх
 
Не в сети
 Заголовок сообщения: Re: HelpPPPPPP по Усилку
СообщениеДобавлено: Вт мар 15, 2011 19:49:11 
Друг Кота
Аватар пользователя

Карма: 95
Рейтинг сообщений: 967
Зарегистрирован: Пт дек 03, 2010 13:13:39
Сообщений: 7724
Откуда: Россия, Тула и пгт Городищи, Владимирская обл.
Рейтинг сообщения: 0
корпус маленький, оттого транс и сетевые провода очень близко к усилку, причина гула скорей всего-электромагнитные наводки от них, да и провода входа наверно не экранированные (но даже будь это так, транс слишком близко); для чего служит дополнительный разъем на схеме нарисован над КРЕНкой? если для подключения дополнительного внешнего блока питания, то вся стабилизация теряет смысл, да и с этой точки подключения ее вовсе не будет. Есть и другая проблема, КРЕНка может выдать ток только 1А, что пропитает ваш усилитель только на 20-25% мощности. Проблемки, однако :)

_________________
Не всегда есть комп, или скорость интернета, но чем смогу-помогу.

И да пребудет с вами Сила тока!


Вернуться наверх
 
Не в сети
 Заголовок сообщения: Re: HelpPPPPPP по Усилку
СообщениеДобавлено: Вт мар 15, 2011 19:51:55 
Встал на лапы
Аватар пользователя

Зарегистрирован: Вс авг 08, 2010 17:23:37
Сообщений: 116
Откуда: Україна
Рейтинг сообщения: 0
чисто схемка в хорошом качистве
http://depositfiles.com/files/ar7d8w1he

_________________
Изображение


Вернуться наверх
 
Не в сети
 Заголовок сообщения: Re: HelpPPPPPP по Усилку
СообщениеДобавлено: Вт мар 15, 2011 19:57:06 
Встал на лапы
Аватар пользователя

Зарегистрирован: Вс авг 08, 2010 17:23:37
Сообщений: 116
Откуда: Україна
Рейтинг сообщения: 0
там ззади есть вход для дополнительного БП точнее для аналогового при включении питания в тот вход ключ что ниже ставится в положения вык отключает крен чтобы напряжения шло сразу на фильтрующие електролиты

_________________
Изображение


Вернуться наверх
 
Не в сети
 Заголовок сообщения: Re: HelpPPPPPP по Усилку
СообщениеДобавлено: Вт мар 15, 2011 20:00:38 
Друг Кота
Аватар пользователя

Карма: 95
Рейтинг сообщений: 967
Зарегистрирован: Пт дек 03, 2010 13:13:39
Сообщений: 7724
Откуда: Россия, Тула и пгт Городищи, Владимирская обл.
Рейтинг сообщения: 0
Ого! ну, депозит это без голд-аккаунта полный мазохизм :kill: http://www.radikal.ru/ вам с картинками сюда :wink: перезалейте пожалуйста :) я не стал качать, лень :))
Цитата:
там ззади есть вход для дополнительного БП точнее для аналогового при включении питания в тот вход ключ что ниже ставится в положения вык отключает крен чтобы напряжения шло сразу на фильтрующие електролиты
А что там за БП? стабилизированный?

_________________
Не всегда есть комп, или скорость интернета, но чем смогу-помогу.

И да пребудет с вами Сила тока!


Вернуться наверх
 
Не в сети
 Заголовок сообщения: Re: Help по Усилку на TDA8567
СообщениеДобавлено: Ср мар 16, 2011 18:11:48 
Встал на лапы
Аватар пользователя

Зарегистрирован: Вс авг 08, 2010 17:23:37
Сообщений: 116
Откуда: Україна
Рейтинг сообщения: 0
Вот такой БП и СПС за ссылку

http://s014.radikal.ru/i329/1103/35/f8ecb783aa81.jpg

http://s49.radikal.ru/i124/1103/1f/8120adb2c79e.jpg

_________________
Изображение


Вернуться наверх
 
Не в сети
 Заголовок сообщения: Re: Help по Усилку на TDA8567
СообщениеДобавлено: Ср мар 16, 2011 18:18:10 
Встал на лапы
Аватар пользователя

Зарегистрирован: Вс авг 08, 2010 17:23:37
Сообщений: 116
Откуда: Україна
Рейтинг сообщения: 0
http://s009.radikal.ru/i307/1103/c9/918cafa5a272.jpg схема

_________________
Изображение


Вернуться наверх
 
Не в сети
 Заголовок сообщения: усилок на tda8567q
СообщениеДобавлено: Пт ноя 25, 2011 01:01:34 
Встал на лапы

Зарегистрирован: Ср апр 27, 2011 14:38:49
Сообщений: 80
Откуда: город воронеж
Рейтинг сообщения: 0
Здравствуйте увожаемые коты.собрал усилок на микре tda8567q а он гад не работает.и ещё один вопрос можно ли заменить конденсатор не на тот что в схеме указан,а надругой.к примеру на 1000uF 10v.зарание спасибо!!!




Тема дубль.
Перенес сюда.




aen


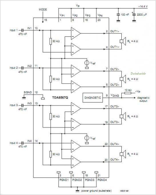
Вложения:
Комментарий к файлу: вот схема
TDA8567Q-circuits.jpg [44.36 KiB]
Скачиваний: 1329
Комментарий к файлу: вот схема
TDA8567Q-circuits.jpg [44.36 KiB]
Скачиваний: 1234
Вернуться наверх
 
Не в сети
 Заголовок сообщения: Re: Усилитель на TDA8567
СообщениеДобавлено: Пт ноя 25, 2011 12:15:54 
Друг Кота
Аватар пользователя

Карма: 95
Рейтинг сообщений: 967
Зарегистрирован: Пт дек 03, 2010 13:13:39
Сообщений: 7724
Откуда: Россия, Тула и пгт Городищи, Владимирская обл.
Рейтинг сообщения: 0
Какие симптомы "не работы"? Гудит, греется? Какой блок питания применен, какое у него напряжение и ток? Конденсатор в питании не меньше 2200мк., а лучше 4700мк., мощность все же не маленькая :wink: Напряжение конденсатора обязательно должно быть быть больше напряжения питания, иначе он может взорваться. То есть, при питании 12-15в. (оптимально для всех авто-микросхем) конденсатор должен быть минимум на 16в., а лучше на 25в.

_________________
Не всегда есть комп, или скорость интернета, но чем смогу-помогу.

И да пребудет с вами Сила тока!


Вернуться наверх
 
Не в сети
 Заголовок сообщения: Re: Усилитель на TDA8567
СообщениеДобавлено: Пт ноя 25, 2011 15:17:56 
Встал на лапы

Зарегистрирован: Ср апр 27, 2011 14:38:49
Сообщений: 80
Откуда: город воронеж
Рейтинг сообщения: 0
микра с легка тёплая.питание подаю с трансформатора от электроники 324.кондер стоит 2200мкф . впрос можно ли поставить кондёр на вход не 470мкф,а другой


Вернуться наверх
 
Не в сети
 Заголовок сообщения: Re: Усилитель на TDA8567
СообщениеДобавлено: Сб ноя 26, 2011 01:43:11 
Друг Кота
Аватар пользователя

Карма: 95
Рейтинг сообщений: 967
Зарегистрирован: Пт дек 03, 2010 13:13:39
Сообщений: 7724
Откуда: Россия, Тула и пгт Городищи, Владимирская обл.
Рейтинг сообщения: 0
:shock: не МИКРОфарад, а НАНОфарад :))) входные такими гигантскими не бывают :)) Это 0,47мк. на входе стоят (можно вообще до 10мк., но оптимально 0,47-1,5мк неполярные). Переделать срочно! :solder: Блок питания смешной, такая мощная микруха от него толком даже не пукнет ни разу. Ищите мощный БП, проще всего компьютерный б/у

_________________
Не всегда есть комп, или скорость интернета, но чем смогу-помогу.

И да пребудет с вами Сила тока!


Вернуться наверх
 
Не в сети
 Заголовок сообщения: Re: Усилитель на TDA8567
СообщениеДобавлено: Сб ноя 26, 2011 11:36:01 
Встал на лапы

Зарегистрирован: Ср апр 27, 2011 14:38:49
Сообщений: 80
Откуда: город воронеж
Рейтинг сообщения: 0
спосибо за совет!!!буду искать бп от компа :)


Вернуться наверх
 
Не в сети
 Заголовок сообщения: Re: Усилитель на TDA8567
СообщениеДобавлено: Сб ноя 26, 2011 11:37:39 
Встал на лапы

Зарегистрирован: Ср апр 27, 2011 14:38:49
Сообщений: 80
Откуда: город воронеж
Рейтинг сообщения: 0
а трансформатор от усилка радиотехники-7111 не попрёт


Вернуться наверх
 
Показать сообщения за:  Сортировать по:  Вернуться наверх
Начать новую тему Ответить на тему  [ Сообщений: 50 ]  1, ,  

Часовой пояс: UTC + 3 часа


Кто сейчас на форуме

Сейчас этот форум просматривают: нет зарегистрированных пользователей и гости: 21


Вы не можете начинать темы
Вы не можете отвечать на сообщения
Вы не можете редактировать свои сообщения
Вы не можете удалять свои сообщения
Вы не можете добавлять вложения

Найти:
Перейти:  


Powered by phpBB © 2000, 2002, 2005, 2007 phpBB Group
Русская поддержка phpBB
Extended by Karma MOD © 2007—2012 m157y
Extended by Topic Tags MOD © 2012 m157y