Например TDA7294

Форум РадиоКот • Просмотр темы - Приемник Россия 303 как отключить ДВ
Форум РадиоКот
Здесь можно немножко помяукать :)

Текущее время: Чт мар 12, 2026 02:55:03

Часовой пояс: UTC + 3 часа


ПРЯМО СЕЙЧАС:



Начать новую тему Ответить на тему  [ Сообщений: 152 ]    , 2, , , ...  
Автор Сообщение
 Заголовок сообщения: Re: Приемник Россия 303 как отключить ДВ
СообщениеДобавлено: Вт ноя 18, 2025 13:13:32 
Друг Кота
Аватар пользователя

Карма: 20
Рейтинг сообщений: 39
Зарегистрирован: Сб ноя 05, 2022 18:28:06
Сообщений: 5171
Рейтинг сообщения: 0
iCCCP, делай как тебе gsmart, крестиков наставил на схеме, КРОМЕ СИНЕГО, его нет смысла разрывать.
Если на коллекторах не будет напряжения, то на Базах рояля не играет.
В разрыв двух других поставь переключатель из его выложенного фото. См. внизу
Одну группу контактов как я рисовал. другую просто в разрыв.
Когда наиграетесь красивыми изменениями от Asmodey, и приёмник будет ещё работать .
Если не будет то уже и переключатель не нужно будет ставить.... :)
То что вы пытаетесь делать, НА МОЙ взгляд-ничего не даст Шум по ПЧ всё рано будет проходить.
Да забыл главное сказать :) У тебя на корпусе приёмника уже установлен "портящий вид" переключатель ТЕМБРА В2 или SA2, по разным трактовкам.
Его Выбрось и на его место поставь как от gsmart, и всё, ВИД больше не будет портится, а самое главное приёмник будет ЦЕЛЫЙ и МП3 тоже. К нему всё и распаяешь.
Единственное что на выходе от МП3, на разрыв к регулятору громкости, электролит поставить, для надёжности.
Удачи.

Да, ЕЩЁ :) крутить каждый раз переключатель диапазонов в положение ДВ- ТОЖЕ НЕ надо будет!!!
Спереди щёлк туда МП3- щёлк сюда ВСЁ радио!!! Любой диапазон!!!
усё.

Изображение

https://img.radiokot.ru/files/151056//3x36z8kk78.jpg

_________________
У меня Твёрдая Тройка по русскому, но, даже я иногда, делаю ошибки.


Вернуться наверх
 
 Заголовок сообщения: Re: Приемник Россия 303 как отключить ДВ
СообщениеДобавлено: Вт ноя 18, 2025 13:29:12 
Друг Кота
Аватар пользователя

Карма: 107
Рейтинг сообщений: 3841
Зарегистрирован: Пн фев 09, 2009 22:19:49
Сообщений: 25361
Откуда: Когда-то был прекрасный город для людей
Рейтинг сообщения: 0
Да что вы говорите !
Стыковать между собой звуковые схемы с разной полярностью - это задача куда посложнее, чем просто кусачками щёлкнуть и проводок подпаять.

Чтобы звук был без искажений, надо ещё потрудится по конкретной ситуации. Исключительно редко схемы подходят друг к другу оптимально.

Хотя бы в частности, потому, что современные блютуз модули имеют стереовыход, а приемник - моно....
Как пример, недавно встраивал блютуз в Океан, так пришлось ещё с десяток деталей добавить, чтобы звучание появилось "вкусное".

И когда появляется подобная задача, я никогда не знаю наперед, что , какая схема, получится в итоге.
Извините, поэтому и посоветовать конкретно ничего не могу. Это в процессе работы выявляется по наблюдаемому результату.


Последний раз редактировалось Муркиз Вт ноя 18, 2025 13:35:02, всего редактировалось 1 раз.

Вернуться наверх
 
 Заголовок сообщения: Re: Приемник Россия 303 как отключить ДВ
СообщениеДобавлено: Вт ноя 18, 2025 13:34:36 
Друг Кота
Аватар пользователя

Карма: 20
Рейтинг сообщений: 39
Зарегистрирован: Сб ноя 05, 2022 18:28:06
Сообщений: 5171
Рейтинг сообщения: 0
Выход от МП3 через конденсатор должен решить эту проблему.
Стерео :) .. попугай их ещё.
А то, что они пытаются красиво сделать, преключателем диапазонов- и стерео, и разные полярности, тебя раньше не смущали ?
Почему только сейчас "умный мысл" пришла?

Скоро узнаем???? Когда спаяют.

_________________
У меня Твёрдая Тройка по русскому, но, даже я иногда, делаю ошибки.


Вернуться наверх
 
 Заголовок сообщения: Re: Приемник Россия 303 как отключить ДВ
СообщениеДобавлено: Вт ноя 18, 2025 13:37:52 
Друг Кота
Аватар пользователя

Карма: 107
Рейтинг сообщений: 3841
Зарегистрирован: Пн фев 09, 2009 22:19:49
Сообщений: 25361
Откуда: Когда-то был прекрасный город для людей
Рейтинг сообщения: 0
А это только по желанию автора. На работу устройства не отражается.

Вот на Авито регулярно какой-то мастер Спирит-поделки выставляет, так у него чем больше всяких уродливых переключателей ( и других элементов), тем лучше.

Можно отдельный переключатель поставить ? Можно. Можно тумблер? Можно. Можно П2К? Можно. Можно через галетник диапазонов сделать ? Можно. Как хотите.

Ладно, заболтался я тут с вами. Пойду в телевизор передающий модуль блютуза для внешней акустики встраивать. А то у современных телевизоров звук подвальный....


Вернуться наверх
 
Эиком - электронные компоненты и радиодетали
 Заголовок сообщения: Re: Приемник Россия 303 как отключить ДВ
СообщениеДобавлено: Вт ноя 18, 2025 14:39:41 
Друг Кота
Аватар пользователя

Карма: 20
Рейтинг сообщений: 39
Зарегистрирован: Сб ноя 05, 2022 18:28:06
Сообщений: 5171
Рейтинг сообщения: 0
Муркиз писал(а):
Можно. Можно через галетник диапазонов сделать

:) Я думаю- Не можно.
Отключить можно всё, а вот переключить я не вижу вариантов.... все контакты на замыкание.

_________________
У меня Твёрдая Тройка по русскому, но, даже я иногда, делаю ошибки.


Вернуться наверх
 
 Заголовок сообщения: Re: Приемник Россия 303 как отключить ДВ
СообщениеДобавлено: Вт ноя 18, 2025 14:53:42 
Друг Кота
Аватар пользователя

Карма: 107
Рейтинг сообщений: 3841
Зарегистрирован: Пн фев 09, 2009 22:19:49
Сообщений: 25361
Откуда: Когда-то был прекрасный город для людей
Рейтинг сообщения: 0
Разомкнуть три, замкнуть два. Там вроде бы хватит. Ну или простейший люч на транзисторе поставить.


Вернуться наверх
 
 Заголовок сообщения: Re: Приемник Россия 303 как отключить ДВ
СообщениеДобавлено: Вт ноя 18, 2025 15:13:06 
Друг Кота
Аватар пользователя

Карма: 20
Рейтинг сообщений: 39
Зарегистрирован: Сб ноя 05, 2022 18:28:06
Сообщений: 5171
Рейтинг сообщения: 0
Муркиз, зачем?
Когда на место и вместо В2 поставить с двумя группами!
Вся проблема решается 100%. С наилучшим качеством и вмешательством "чужих" шумов.
На корпусе есть уже место для установки. Немного руками поработать и всё.


А с переключателем диапазона, можно всё отключить, замкнуть, но без МП3.

Буду читателем.... всё.
Может чего нового увижу.
:) Опыт сын ошибок....

_________________
У меня Твёрдая Тройка по русскому, но, даже я иногда, делаю ошибки.


Вернуться наверх
 
 Заголовок сообщения: Re: Приемник Россия 303 как отключить ДВ
СообщениеДобавлено: Вт ноя 18, 2025 16:12:30 
Друг Кота
Аватар пользователя

Карма: 107
Рейтинг сообщений: 3841
Зарегистрирован: Пн фев 09, 2009 22:19:49
Сообщений: 25361
Откуда: Когда-то был прекрасный город для людей
Рейтинг сообщения: 0
А ради спортивного интереса.

Бессмысленно, но с интересом.


Вернуться наверх
 
 Заголовок сообщения: Re: Приемник Россия 303 как отключить ДВ
СообщениеДобавлено: Вт ноя 18, 2025 19:21:54 
Встал на лапы
Аватар пользователя

Зарегистрирован: Ср мар 27, 2024 07:33:06
Сообщений: 135
Рейтинг сообщения: 0
Выход от МП3 через конденсатор должен решить эту проблему.

Да, а каналы мы через сопротивления в одну точку объединяем ? Номиналы нормальные на схеме поставил ?

Добавлено after 5 minutes 59 seconds:
Муркиз писал(а):
Можно. Можно через галетник диапазонов сделать

:) Я думаю- Не можно.
Отключить можно всё, а вот переключить я не вижу вариантов.... все контакты на замыкание.

А у меня один фиг на этом приёмнике нету крышки батарейного отсека, я буду из пластмассы заглушку вырезать, а все переключатели, модули в эту крышку монтировать. Я бы оставил переключатель тембров)


Вложения:
Cxema.png [21.01 KiB]
Скачиваний: 33
Вернуться наверх
 
 Заголовок сообщения: Re: Приемник Россия 303 как отключить ДВ
СообщениеДобавлено: Вт ноя 18, 2025 19:33:48 
Друг Кота
Аватар пользователя

Карма: 107
Рейтинг сообщений: 3841
Зарегистрирован: Пн фев 09, 2009 22:19:49
Сообщений: 25361
Откуда: Когда-то был прекрасный город для людей
Рейтинг сообщения: 0
Да, так, но номиналы сопротивлений придется подбирать по месту.
И конденсатор поставь неполярный.


Вернуться наверх
 
 Заголовок сообщения: Re: Приемник Россия 303 как отключить ДВ
СообщениеДобавлено: Вт ноя 18, 2025 19:36:30 
Встал на лапы
Аватар пользователя

Зарегистрирован: Ср мар 27, 2024 07:33:06
Сообщений: 135
Рейтинг сообщения: 0
Да, так, но номиналы сопротивлений придется подбирать по месту.
И конденсатор поставь неполярный.

Хорошо, а примерно какого номинала ? Чем больше тем лучше)?


Вернуться наверх
 
 Заголовок сообщения: Re: Приемник Россия 303 как отключить ДВ
СообщениеДобавлено: Вт ноя 18, 2025 19:43:09 
Друг Кота
Аватар пользователя

Карма: 107
Рейтинг сообщений: 3841
Зарегистрирован: Пн фев 09, 2009 22:19:49
Сообщений: 25361
Откуда: Когда-то был прекрасный город для людей
Рейтинг сообщения: 0
4,7 мкФ вполне хватит, и больше не надо.
Или вопрос о резисторах ?
Там может быть от 1ком до 10 ком скорее всего.
Но если резисторы будут ближе к 10 ком, то конденсатор можно и 1 - 2,2 мкФ поставить.


Вернуться наверх
 
 Заголовок сообщения: Re: Приемник Россия 303 как отключить ДВ
СообщениеДобавлено: Вт ноя 18, 2025 20:04:05 
Встал на лапы
Аватар пользователя

Зарегистрирован: Ср мар 27, 2024 07:33:06
Сообщений: 135
Рейтинг сообщения: 0
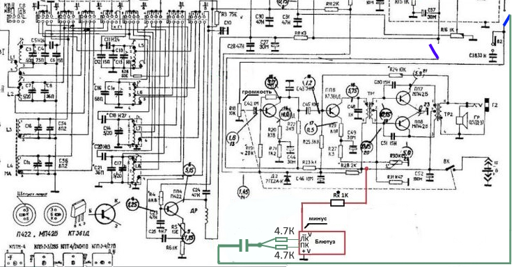
Такая схема

Добавлено after 56 seconds:
4,7 мкФ вполне хватит, и больше не надо.
Или вопрос о резисторах ?

Спасибо, да я конденсатор имел ввиду


Вложения:
Cxema1.jpg [235.06 KiB]
Скачиваний: 48
Вернуться наверх
 
 Заголовок сообщения: Re: Приемник Россия 303 как отключить ДВ
СообщениеДобавлено: Вт ноя 18, 2025 20:24:09 
Друг Кота
Аватар пользователя

Карма: 107
Рейтинг сообщений: 3841
Зарегистрирован: Пн фев 09, 2009 22:19:49
Сообщений: 25361
Откуда: Когда-то был прекрасный город для людей
Рейтинг сообщения: 0
После резистора по питанию ( 1 кОм там ? Не много ли ?) надо конденсатор на массу поставить на 22 - 47 мкФ. Но возможно, что придется перенести его в цепь на землю, если начет сверестеть. И конденсатор соответственно переставить. В тяжёлом случае придется изолированный преобразователь питания вводить для блютуза.


Вернуться наверх
 
 Заголовок сообщения: Re: Приемник Россия 303 как отключить ДВ
СообщениеДобавлено: Вт ноя 18, 2025 20:31:09 
Встал на лапы
Аватар пользователя

Зарегистрирован: Ср мар 27, 2024 07:33:06
Сообщений: 135
Рейтинг сообщения: 0
Наверное много, а можно вместо резистора конденсатор на 47мкф плюсом к модулю блютуз ?


Вернуться наверх
 
 Заголовок сообщения: Re: Приемник Россия 303 как отключить ДВ
СообщениеДобавлено: Вт ноя 18, 2025 20:33:01 
Друг Кота
Аватар пользователя

Карма: 107
Рейтинг сообщений: 3841
Зарегистрирован: Пн фев 09, 2009 22:19:49
Сообщений: 25361
Откуда: Когда-то был прекрасный город для людей
Рейтинг сообщения: 0
Много ? Это ещё мало !


Вернуться наверх
 
 Заголовок сообщения: Re: Приемник Россия 303 как отключить ДВ
СообщениеДобавлено: Вт ноя 18, 2025 20:55:16 
Встал на лапы
Аватар пользователя

Зарегистрирован: Ср мар 27, 2024 07:33:06
Сообщений: 135
Рейтинг сообщения: 0
Так?


Вложения:
Cxema1.jpg [237.48 KiB]
Скачиваний: 41
Вернуться наверх
 
 Заголовок сообщения: Re: Приемник Россия 303 как отключить ДВ
СообщениеДобавлено: Вт ноя 18, 2025 21:04:56 
Друг Кота
Аватар пользователя

Карма: 90
Рейтинг сообщений: 1505
Зарегистрирован: Вт сен 06, 2011 20:49:28
Сообщений: 26905
Откуда: оттуда
Рейтинг сообщения: 0
Что-то питание блюпупа через конденсатор, непонятно...

_________________
- Русским человеком может быть только тот, у кого чего-нибудь нет, но не так нет, чтобы обязательно было, а нет — и хрен с ним.
"Русский человек может жить как в одну сторону, так и в другую. И в обоих случаях останется цел" А. Платонов


Вернуться наверх
 
 Заголовок сообщения: Re: Приемник Россия 303 как отключить ДВ
СообщениеДобавлено: Вт ноя 18, 2025 22:05:56 
Друг Кота
Аватар пользователя

Карма: 20
Рейтинг сообщений: 39
Зарегистрирован: Сб ноя 05, 2022 18:28:06
Сообщений: 5171
Рейтинг сообщения: 0
Чумак, :) :)
по моему они и эту схему не осилят :)
Уже понесло их..... а вроде всё верно начинали :) .
Опять рисовать или подождать пусть мозгами поработают. :)

_________________
У меня Твёрдая Тройка по русскому, но, даже я иногда, делаю ошибки.


Вернуться наверх
 
 Заголовок сообщения: Re: Приемник Россия 303 как отключить ДВ
СообщениеДобавлено: Вт ноя 18, 2025 22:38:25 
Друг Кота
Аватар пользователя

Карма: 107
Рейтинг сообщений: 3841
Зарегистрирован: Пн фев 09, 2009 22:19:49
Сообщений: 25361
Откуда: Когда-то был прекрасный город для людей
Рейтинг сообщения: 0
Так?


Нет, совсем не так !
Верни как было. А на выводы + и - платы блютуза подключи конденсатор этак с 100 мкФ. А вот + этого конденсатора и платы возможно придется искать, куда подключить в схеме приемника, на какую точку его общего провода. Не в любое место его подключать можно. Начинай с точки подключения батарейки и дальше по дорожке на плате.

Вообще-то на плате уже стоит конденсатор обычно, но его может оказаться недостаточно. Кроме этого, нужно ещё добавить к нему ещё керамический или полимерный высокочастотный конденсатор в параллель приблизительно в 0,047 мкФ .


Вернуться наверх
 
Показать сообщения за:  Сортировать по:  Вернуться наверх
Начать новую тему Ответить на тему  [ Сообщений: 152 ]    , 2, , , ...  

Часовой пояс: UTC + 3 часа


Вы не можете начинать темы
Вы не можете отвечать на сообщения
Вы не можете редактировать свои сообщения
Вы не можете удалять свои сообщения
Вы не можете добавлять вложения

Найти:
Перейти:  


Powered by phpBB © 2000, 2002, 2005, 2007 phpBB Group
Русская поддержка phpBB
Extended by Karma MOD © 2007—2012 m157y
Extended by Topic Tags MOD © 2012 m157y