Например TDA7294

Форум РадиоКот • Просмотр темы - Качер и опыты с качером
Форум РадиоКот
Здесь можно немножко помяукать :)

Текущее время: Чт ноя 06, 2025 22:44:39

Часовой пояс: UTC + 3 часа


ПРЯМО СЕЙЧАС:



Начать новую тему Ответить на тему  [ Сообщений: 8001 ]     ... , , , 400,  
Автор Сообщение
Не в сети
 Заголовок сообщения: Re: Качер и опыты с качером
СообщениеДобавлено: Вс ноя 25, 2018 07:47:03 
Первый раз сказал Мяу!

Карма: 4
Рейтинг сообщений: 18
Зарегистрирован: Вс ноя 10, 2013 02:41:50
Сообщений: 25
Рейтинг сообщения: 0
Электронная эмиссия с Качера в окружающее пространство :wink:
При ведении в поле действия катушки металлического терминала, одним концом подключенного к заземленной лампе накаливания 25ватт 220в., лампа начинает светиться.
Транзистор КТ805Б
Первичная Катушка: диаметр намотки 60 мм диаметр провода 3мм
Вторичная Катушка намотана на трубе ПВХ диаметр 40мм провод 0.2мм
Напряжение питания 30В потребление тока 0.9А



Вернуться наверх
 
Не в сети
 Заголовок сообщения: Помогите разобраться с транзистором (пол года не могу собрат
СообщениеДобавлено: Пн июл 29, 2019 22:47:22 
Родился

Зарегистрирован: Пн июл 29, 2019 22:18:17
Сообщений: 1
Рейтинг сообщения: 0
Помогите разобраться с транзистором (пол года не могу собрать)
Добрый вечер. Пытаюсь уже пол года собрать генератор Качера-Бровина. По этой схеме(взял видео с ютуба )https://www.youtube.com/channel/UC6tC6Qzy5Z2HCCKjqnfME3Q. Если разобрался как фотки кидать то вот они Изображение,или приложил к посту


Помогите разобраться с транзистором (пол года не могу собрать) Самоделки, Качер Бровина, Полевой транзистор
Помогите разобраться с транзистором (пол года не могу собрать) Самоделки, Качер Бровина, Полевой транзистор
Характеристики первичной катушки 5 ветков медной проволоки диаметром 4мм, вторичная катушка 0.23 диаметром медной проволоки 2173 ветков. И есть еще одна катушка по той же схеме работает Характеристики первичной катушки 5 ветков медной проволоки диаметром 4мм,вторичная катушка 0.23 диаметром медной проволоки 1521 ветков. Если на видио длина разряда 5-10 см, то у меня выходит 3-5.

Все элементы схеме не раз менял. Есть предположение что это из за транзистора IRFP460,сейчас объясню почему я так подумал и именно на этот вопрос я бы хотел получить ответ. В характеристиках IRFP460MOSFET Сопротивление сток-исток открытого транзистора (Rds): 0.27 Ohm, но когда я прозвонкой его меряю при ОТКРЫТОМ затворе на мультиметре пишет значение 80. Мне это стало подозрительно и я тем же методом прозвонил транзистор BUZ90 MOSFET там характеристики такие Сопротивление сток-исток открытого транзистора (Rds): 1.6 Ohm,но при этом при прозвонке на мультиметре значение 160. У меня вопрос это IRFP460( не одну штуку и все такие же показание дают ) мне продали не исправным или я что то не правильно делаю ???



Если есть идеи еще почему у меня не корректно работает прибор очень буду вам благодарен .


Вложения:
Печатная плата. Медная сторона.JPG [186.63 KiB]
Скачиваний: 524
Вернуться наверх
 
Не в сети
 Заголовок сообщения: Re: Качер и опыты с качером
СообщениеДобавлено: Ср июл 31, 2019 05:29:07 
Мучитель микросхем

Зарегистрирован: Пн дек 07, 2009 19:15:42
Сообщений: 435
Рейтинг сообщения: 0
Изображение

Снял видео о своем качере в формате фулл ХД с крупным детальным планом стримеров, а также различными экспериментами над ним. Принимайте https://www.youtube.com/watch?v=gj_j8b4xoyY


Вложения:
strimer_cr.jpg [11.29 KiB]
Скачиваний: 3437

_________________
Физические формулы - это расшифрованные фрагменты системного кода Матрицы
Вернуться наверх
 
Не в сети
 Заголовок сообщения: Re: Качер и опыты с качером
СообщениеДобавлено: Пн июн 29, 2020 17:14:35 
Родился

Зарегистрирован: Пн июн 29, 2020 16:41:44
Сообщений: 2
Откуда: Владивосток
Рейтинг сообщения: 0
Друзья, всех приветствую!
Решил, наконец, собрать качер на irfp460 вот по этой схеме Изображение .И он даже заработал с первого раза, но недолго, секунд через 5 выбивает транзистор, и так уже два раза. Сам грешу или на дроссель(использую 1И250ДРЛ) или на тонкую первичку(3мм).
Подскажите, пожалуйста, в какую сторону копать)


Изображение


Вернуться наверх
 
Эиком - электронные компоненты и радиодетали
Не в сети
 Заголовок сообщения: Re: Качер и опыты с качером
СообщениеДобавлено: Вт июн 30, 2020 11:03:44 
Друг Кота
Аватар пользователя

Карма: 95
Рейтинг сообщений: 2428
Зарегистрирован: Пт май 18, 2007 22:56:58
Сообщений: 26671
Рейтинг сообщения: 0
На вход предохранитель или лампочку чтобы понимать потребляемую мощность.

Если мощность не сильно большая, значит пробивает высоким напряжением. Это проблема. Напряжение сети 310 вольт, а транзистор на 500. Небольшие всплески и ему писда. Как вариант, может быть поставить высоковольтный супрессор или стабилитрон на сток-исток или R+C.

Супрессор на затворе должен быть именно рядом с затвором, а не там где он нарисован по схеме за километр от транзистора. Понятно что это схема не физического расположения элементов, но все-равно автор что-то курил изображая супрессор вон там...

Так как рядом высокие напряжения - риск пробить полевой (!!!) транзистор очень высок во всем. По этому его нужно защищать всеми разумными способами.

З.Ы. Не понимаю почему один диод вместо моста стоит.

З.Ы.2 Количество витков первички для такого напряжения имхо слишком мало, я столько делал при питании от 20 вольт.

З.Ы.3. Может быть за ваши 5 секунд плавно заряжаются емкости, соответственно повышается напряжение и пробивает транзистор.

_________________
Не променяю медь на ржавую несгорайку!


Вернуться наверх
 
Не в сети
 Заголовок сообщения: Re: Качер и опыты с качером
СообщениеДобавлено: Вт июн 30, 2020 11:50:14 
Родился

Карма: -3
Рейтинг сообщений: -10
Зарегистрирован: Пт сен 16, 2016 13:59:16
Сообщений: 10
Рейтинг сообщения: 0
На сток-исток нужно подключить сапрессоры на 400 вольт. 15 штук будет достаточно. Если меньше, то последовательно с резисторами на 50 ом.
Можно сделать синхронный прерыватель, тогда дроссель убирается и транзистор от взрыва будет спасать только прерыватель. Зато результаты впечатляют.
Еще на сток-исток можно подключить конденсатор класса E (подбирается экспериментально, емкость - несколько нанофарад). При этом на стоке напряжение будет в 3 раза больше питающего. Поэтому питать от ЛАТРа.
Но наверное при питании от сети этот конденсатор лучше не ставить...
В любом случае питать лучше от ЛАТРа.
Рекомендую зарегистрироваться на форуме flyback.org.ru , там сидят более умные люди. Тем более там сейчас упростили регистрацию.


Вернуться наверх
 
Не в сети
 Заголовок сообщения: Re: Качер и опыты с качером
СообщениеДобавлено: Чт июл 02, 2020 15:52:01 
Родился

Зарегистрирован: Пн июн 29, 2020 16:41:44
Сообщений: 2
Откуда: Владивосток
Рейтинг сообщения: 0
Понял, спасибо!
Буду эксперементировать дальше)


Вернуться наверх
 
Не в сети
 Заголовок сообщения: Re: Качер и опыты с качером
СообщениеДобавлено: Пт сен 25, 2020 16:18:32 
Опытный кот
Аватар пользователя

Карма: -29
Рейтинг сообщений: -93
Зарегистрирован: Сб авг 22, 2020 10:12:40
Сообщений: 846
Откуда: Центр вселенной, улица творцов.
Рейтинг сообщения: 0
Но вы даёте! У биполярники ставлю не менее 180В при питании до 30В, микро качер с транзюком на 25В от 12В прошибало. Там транзюк надо на 3-5 раз выше напруги питания, тут зависит от соотношения витков у меня больше 3-з витков первички не когда не было это для частот до 1Мгц а так 1-2 витка для напруг до 30В.
У меня уже намотана катушка на 110 трубу с проводом 0.315 завёлся на 175кГц но это не то что я хотел, надо мотать 0.1 край что бы частота была не выше 20кГц.
Вообще как показывает тесты количество витков первички не шибко влияет если много то моща начинает падать. От малого количества врятли может быть хуже транзюку, там же автогенератор он собственно не перегрузит сам себя как то так.

Пробой транюка вызван превышением напряжения, пробой через 5 сек говорит что превышение не очень уж большое.


Вернуться наверх
 
Не в сети
 Заголовок сообщения: Re: Качер и опыты с качером
СообщениеДобавлено: Сб апр 10, 2021 22:16:01 
Встал на лапы

Зарегистрирован: Ср май 16, 2012 20:44:38
Сообщений: 116
Откуда: Украина.Харьков.
Рейтинг сообщения: 0
Зукс писал(а):
Во-вторых 100 лет назад Тесла придумал питать свои трансформаторы через разрядник (в котором создается "белый шум" - тоесть смесь спектра частот)


Какой шум? Разрядник выполняет роль высокочастотного прерывателя! Частота которого зависит от емкости конденсатора!
Какую частоту дашь - на такой катушка работать и будет! И никаких "катушка выберет резонансную частоту" и в помине нет!
Ты радиолюбительством вообще не занимался? Приемники никогда не собирал сложнее ППУ? Супергетеродины не настраивал?
Разрядник даёт ударное возбуждение контура. Бобина так работает в авто.Белый шум -это как то слишком. А вообще правильно сказано ,при ударном возбуждение катушка действительно "выбирает " свою резонансную частоту. Тут гетеродинные приёмники ни туда прилеплены. А правильно прилепить-каллибрационные метки в генераторах, звенящий контур в ламповых телевизорах.Частота на которой она работает её резонансная. Бобина толкается прерывателем с частотой не выше 5 кгц.А резонансная частота бобины огого.

Добавлено after 4 minutes 55 seconds:
Зукс писал(а):
каждая катушка индуктивонсти имеет свою собственную частоту резонанса (впрочем не только катушки) Если сделать автономный генератор то нужно будет найти частоту резонанса. Насчет стандартной схемы качера - я уже говорил что она не очень эффективная так как с помощью одного транзюка сложно добится импульса нужной формы (зачастую в качерах генерится обычная синусоида) плюс настроить эту схему на резонанс тоже сложновато будет


Не имеет катушка частоты резонанса! С чем она резонировать будет? Резонанс появляется в системе катушка/конденсатор! Сама по себе катушка имеет исключительно ЭДС самоиндукции и ничего более!

Кстати никогда в качере синусоида не генерилась! Я уже кидал ссылку на форум. Посмотри на форму сигнала. Это нужно иметь великое воображение чтобы в нем найти синусоиду :) Пила. Самая обычная пила, с огромным пиком в момент прерывания.

А внешний генератор коммутирующий транзистором первичную обмотку... И ты "изобрел" строчный трансформатор :)
Опять чушь. У любой катушки , даже у провода есть распределённая ёмкость и резонансная частота Почитайте Кублановского, Добротворского (чудесная книга )

Добавлено after 7 minutes 34 seconds:
Ах да, чуть не забыл....
Цитата:
Не имеет катушка частоты резонанса! С чем она резонировать будет? Резонанс появляется в системе катушка/конденсатор! Сама по себе катушка имеет исключительно ЭДС самоиндукции и ничего более!

Еслиб ты внимательнее читал то я уже писал про LC контур
А даже еслиб я не включал конденсатор то всеравнобы можно было настроится на частоту резонанса катушки. Посмотри на трансформаторы Теслы, ведь они работают на резонансе но там парралельно катушке нету конденсатора. Прикинь.... Это я для тебя наверное Африку открыл, да умник?
Я тебя хочу попросить далее не захламлять форум своими стебами!
Вот Вы правильно ему говорите, а он спорит -действительно учебники надо читать.НЕту там конденсатора. Конденсатор как накопитель просто для пробоя воздуха.Как это не понять. Кусок рельса и тот имеет резонансную частоту без всякого дополнительного конденсатора

Добавлено after 5 minutes 23 seconds:
xcom14 писал(а):
Если ты считаешь что я в чемто неправ то пожалуйста, выдели этот текст и обьясни почему я неправ ато я от тебя никаких толковых разьяснений еще ниразу не услышал


Именно то что не бывает резонанса просто в катушке я тебе и пытаюсь объяснить! И не бывает резонансной частоты применительно опять-же просто к голой катушке!


Опять чушь....

Добавлено after 5 minutes 54 seconds:
Зукс писал(а):
насчет резонансной частоты то ТТ работает по томуже принципу.


Тогда один совет - сперва в школу :(
Резонанс там достигается путем ПОСТОЯННОЙ подпитки с генератора!
Вот
это тоже чушь. Каждый контур имеет свою резонансную частоту и тут подпитка опять ни туда прилеплена.

Добавлено after 10 minutes 46 seconds:
А.Андрей писал(а):
Да, вы хатудьмадан совершенно правы
но вот я же подразумеваю не стоячую волну, а ГЕНЕРАЦИЮ импульсов!

В первичке импульсы, во вторичке стоячая волна.

Стоячая волна через обратную связь управляет частотой импульсов в первичке.

Вот как-то так.
Вот это правильно, разумники читайте умные мысли вот этого человека.


Вернуться наверх
 
Не в сети
 Заголовок сообщения: Re: Качер и опыты с качером
СообщениеДобавлено: Пн апр 12, 2021 09:30:41 
Встал на лапы

Зарегистрирован: Ср май 16, 2012 20:44:38
Сообщений: 116
Откуда: Украина.Харьков.
Рейтинг сообщения: 0
"....резонанс наступает тогда, когда частота внешнего источника, подключенного к цепи, равна частоте свободных колебаний этой цепи". Добротворский Игорь Николаевич." Теория электрических цепей" 1989 г. стр 214. Вот так , а не просто подпитка. (Книга супер, ничего лишнего. Она для техникумов, но у нас и после институтов её нужно почитать. А то многие проходили курс чего нибудь, а надо изучать , а не проходить мимо).


Вернуться наверх
 
Не в сети
 Заголовок сообщения: Re: Качер и опыты с качером
СообщениеДобавлено: Ср июн 09, 2021 15:15:48 
Встал на лапы

Зарегистрирован: Ср май 16, 2012 20:44:38
Сообщений: 116
Откуда: Украина.Харьков.
Рейтинг сообщения: 0
Греется транзистор прилично.У меня качер , не совсем качер конечно. Труба 20 см, на ней на полметра намотана обмотка(диаметр провода 0.4)витков наверно 1000. Поверх этой обмотки 7 витков провод в хорошей изоляции сечением 6 квадрат.Транзистор G4PC40U. эти 7витков в коллекторе . Получается контур ударного возбуждения. Параллельно этим 7 виткам конденсатор 2200пик.Толкаю транзистор U3845 на затвор .C выхода этой микросхемы прямо на затвор без дополнительных драйверов. Частота 20 килогерц, меандр. Так вот всё работает искры летят, но транзистор сильно греется. В интернете полно схем ,где подают на полевики в таких схемах чуть ли не 220. Как они у них работают. У меня он питается 15 вольтами и сильно разогревается. Я думаю, что или нужен доайвер чтобы его открыть быстрее плюс не меандр а короткие импульсы .
Кто что скажет из теоретиков?


Вернуться наверх
 
Не в сети
 Заголовок сообщения: Re: Качер и опыты с качером
СообщениеДобавлено: Чт июл 08, 2021 22:49:44 
Опытный кот
Аватар пользователя

Карма: -29
Рейтинг сообщений: -93
Зарегистрирован: Сб авг 22, 2020 10:12:40
Сообщений: 846
Откуда: Центр вселенной, улица творцов.
Рейтинг сообщения: 0
А где резонанс? 7 витков имеет какую индуктивность? У такой катушки рабочая частота многие Мгц какие чёрт нахер 20кГц :facepalm: . Там длительность импульсов должна быть десятки или сотни нс! Данная микра не выдаст такие короткие импульсы.
Без резонанса будет только реактивное сопротивление, и работать оно будет как обычный трансформатор. Трансформатор без сердечника не может войти в насыщение и всё будет зависть от того сколько вкачаешь.


Вернуться наверх
 
Не в сети
 Заголовок сообщения: Re: Качер и опыты с качером
СообщениеДобавлено: Пт мар 18, 2022 19:39:25 
Потрогал лапой паяльник
Аватар пользователя

Карма: 1
Рейтинг сообщений: 98
Зарегистрирован: Сб янв 21, 2012 01:47:11
Сообщений: 314
Откуда: СПБ
Рейтинг сообщения: 0
привет всем!
хочу сделать качер для "поиграться" с мелкими в физику.
есть транзистор 2sc5570 тошиба
подойдет для этих целей?
с источником питания до 30 вольт.


Вернуться наверх
 
Не в сети
 Заголовок сообщения: Re: Качер и опыты с качером
СообщениеДобавлено: Ср июн 08, 2022 16:41:17 
Родился

Зарегистрирован: Ср июн 08, 2022 16:27:48
Сообщений: 4
Рейтинг сообщения: 0
Здравствуйте.
Собрал качер вот по этой схеме.
Транзистор взял tip122.
Вроде работает, но эффект очень маленький, только когда ножкой светодиода коснуться.


Вложения:
1654703291471.jpg [236.21 KiB]
Скачиваний: 172
download.jpeg [6.23 KiB]
Скачиваний: 157
Вернуться наверх
 
Не в сети
 Заголовок сообщения: Re: Качер и опыты с качером
СообщениеДобавлено: Чт июн 09, 2022 10:29:13 
Родился

Зарегистрирован: Ср июн 08, 2022 16:27:48
Сообщений: 4
Рейтинг сообщения: 0
Перемотал первичку и заработало))


Вернуться наверх
 
Не в сети
 Заголовок сообщения: Re: Качер и опыты с качером
СообщениеДобавлено: Пт июн 10, 2022 13:45:49 
Родился

Зарегистрирован: Ср июн 08, 2022 16:27:48
Сообщений: 4
Рейтинг сообщения: 0
Сделал сверху алюминиевый круг к свободному выводу вторички. Вроде лампа стала подальше загораться. Какой лучше формы сделать круг для большего дальнодействия? Сплошным внутри или полым?


Вернуться наверх
 
Не в сети
 Заголовок сообщения: Re: Качер и опыты с качером
СообщениеДобавлено: Вт июн 14, 2022 16:56:00 
Родился

Зарегистрирован: Ср июн 08, 2022 16:27:48
Сообщений: 4
Рейтинг сообщения: 0
Теперь бы разобраться как на pnp транзисторе собрать.


Вернуться наверх
 
Не в сети
 Заголовок сообщения: Re: Качер и опыты с качером
СообщениеДобавлено: Пн сен 18, 2023 17:23:26 
Встал на лапы
Аватар пользователя

Зарегистрирован: Пт апр 15, 2011 14:31:43
Сообщений: 96
Рейтинг сообщения: 0
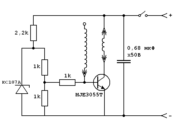
Да, давненько я тут не был, а вы меня всё вспоминаете. :)

Всем привет!

По схемам качера - пока что лучше всего показала себя схема со стабилитроном - на надо настраивать резисторами смещение под разные транзисторы.

Изображение

Ну и вот видео демонстрационного качера (по этой схеме):



Вложения:
Kacher_sxema_s_nominalami.PNG [13.04 KiB]
Скачиваний: 1170
Вернуться наверх
 
Не в сети
 Заголовок сообщения: Re: Качер и опыты с качером
СообщениеДобавлено: Пн дек 18, 2023 21:57:00 
Родился

Карма: -8
Рейтинг сообщений: -11
Зарегистрирован: Вс дек 17, 2023 23:10:12
Сообщений: 4
Рейтинг сообщения: 0
не надо ничего мотать вот ссылка https://aliexpress.ru/item/100500565221 ... 3893669960


Вернуться наверх
 
Не в сети
 Заголовок сообщения: Re: Качер и опыты с качером
СообщениеДобавлено: Вс янв 21, 2024 14:39:29 
Родился

Зарегистрирован: Чт дек 19, 2019 12:34:41
Сообщений: 9
Рейтинг сообщения: 0
качер бровина имеет очень низкий кпд. вот чел меряет полосу качера до 75 мгц. чем шире полоса тем больше потерь. обычная шарманка на 1 транзисторе даст лучший результат
https://youtu.be/Qbd6-1_H33I?si=-9aIBVhR2u7AL22L
приёмная катушка не может принять весь спектр частот излучаемый качером отсюда и потери


Вернуться наверх
 
Показать сообщения за:  Сортировать по:  Вернуться наверх
Начать новую тему Ответить на тему  [ Сообщений: 8001 ]     ... , , , 400,  

Часовой пояс: UTC + 3 часа


Кто сейчас на форуме

Сейчас этот форум просматривают: Алексей7474 и гости: 33


Вы не можете начинать темы
Вы не можете отвечать на сообщения
Вы не можете редактировать свои сообщения
Вы не можете удалять свои сообщения
Вы не можете добавлять вложения

Найти:
Перейти:  


Powered by phpBB © 2000, 2002, 2005, 2007 phpBB Group
Русская поддержка phpBB
Extended by Karma MOD © 2007—2012 m157y
Extended by Topic Tags MOD © 2012 m157y