Например TDA7294

Форум РадиоКот • Просмотр темы - Реле времени в туалет.
Форум РадиоКот
Здесь можно немножко помяукать :)

Текущее время: Сб апр 04, 2026 21:50:51

Часовой пояс: UTC + 3 часа


ПРЯМО СЕЙЧАС:



Начать новую тему Ответить на тему  [ Сообщений: 57 ]    , , 3
Автор Сообщение
 Заголовок сообщения:
СообщениеДобавлено: Вт мар 02, 2010 22:02:23 
Прорезались зубы

Зарегистрирован: Пн авг 24, 2009 12:34:23
Сообщений: 249
Рейтинг сообщения: 0
Уважаемый, X_Max , очень интересный Вы пример схемы привели. О таном алгоритме работы я даже не задумывался. Очень заинтригован и заинтересован. Не такой уж я ретроград и с удовольствием соберу Вашу схему. Просто я никогда не программировал и, естественно, побаиваюсь. Так же увидел готовый выключатель света в коридоре. Цена - 350 рублей. Задержку выключения света до 5 минут. Можно не париться, но хочется собрать самому, да и проводов лишних не будет. Фото фонтана очень понравилось, поставлю в туалете такой же с освежителем, если место найду. Спасибо!


Вернуться наверх
 
 Заголовок сообщения:
СообщениеДобавлено: Ср мар 03, 2010 00:16:46 
Друг Кота
Аватар пользователя

Карма: 86
Рейтинг сообщений: 990
Зарегистрирован: Ср апр 11, 2007 16:50:39
Сообщений: 21071
Откуда: Riga
Рейтинг сообщения: 0
Фонтан был приведён для примера, что в бачке можно ответвить воду в ёмкость, которая будет наполняться и сливаться за 5 минут, выполняя функции конденсатора в реле времени.
Если кто-то решил вопрос установкой электронной схемы, то может быть найдутся желающие сделать то же самое установив не сложную механику и автоматику.

_________________
Искусство общения было до нас.


Вернуться наверх
 
 Заголовок сообщения:
СообщениеДобавлено: Чт мар 04, 2010 00:46:30 
Прорезались зубы

Зарегистрирован: Пн авг 24, 2009 12:34:23
Сообщений: 249
Рейтинг сообщения: 0
Дорогой MIF, ценю Ваше желание помочь, но хочу заметить: упрощая электрическую часть схемы Вы усложняете механическую в ущерб безопасности устройства в целом. Пример изящного решения приведён выше, жаль, автор не выложил схему и прошивку. Жду с нетерпением. :)


Вернуться наверх
 
 Заголовок сообщения:
СообщениеДобавлено: Чт мар 04, 2010 01:04:24 
Прорезались зубы

Зарегистрирован: Пн авг 24, 2009 12:34:23
Сообщений: 249
Рейтинг сообщения: 0
К сожалению, PIC12Ф629 в магазинах Перми найти не удалось.


Вернуться наверх
 
Эиком - электронные компоненты и радиодетали
 Заголовок сообщения:
СообщениеДобавлено: Чт мар 04, 2010 01:07:49 
Прорезались зубы

Зарегистрирован: Пн авг 24, 2009 12:34:23
Сообщений: 249
Рейтинг сообщения: 0
К сожалению, PIC12Ф629 в магазинах Перми найти не удалось.


Вернуться наверх
 
 Заголовок сообщения:
СообщениеДобавлено: Чт мар 04, 2010 02:35:25 
Друг Кота
Аватар пользователя

Карма: 86
Рейтинг сообщений: 990
Зарегистрирован: Ср апр 11, 2007 16:50:39
Сообщений: 21071
Откуда: Riga
Рейтинг сообщения: 0
44m44 писал(а):
Дорогой MIF, ценю Ваше желание помочь, но хочу заметить: упрощая электрическую часть схемы Вы усложняете механическую в ущерб безопасности устройства в целом. Пример изящного решения приведён выше, жаль, автор не выложил схему и прошивку. Жду с нетерпением. :)

Да вы меня не так поняли с самого начала!
То, что решились рассмотреть вариант с микроконтроллером - приветствую! Мне лишь хотелось преподнести альтернативный вариант.
Понимая то, что реле времени в туалет соберёт почти каждый радиолюбитель и учитывая то, что сегодня 2010 год на дворе, я намекнул на решение архи-ретро.
Мне представлялось, что изготовить такое можно при помощи прозрачных трубок и сосудов, что бы была видна работа всей системы. Это забавно, развивает сознание и, думаю, поднимает настроение.

В сторону ваших технологий, могу высказать мысль, что включение света, вентилятора в туалете и прочих элементов домашнего быта, можно сводить в компьютер или микроконтроллер. Получится некий "Умный Дом".

Разработка таймера на основе PIC16F628(A) с программой на языке С
С и PIC16F628A
прога для таймера на PIC16F628A

_________________
Искусство общения было до нас.


Вернуться наверх
 
 Заголовок сообщения:
СообщениеДобавлено: Чт мар 04, 2010 22:13:20 
Нашел транзистор. Понюхал.
Аватар пользователя

Карма: 1
Рейтинг сообщений: 10
Зарегистрирован: Ср окт 14, 2009 16:11:24
Сообщений: 176
Откуда: Калуга
Рейтинг сообщения: 0
Уважаемый 44m44, погодите пожалуйста немного, всё как обещал выложу, но только 9 марта. Обстоятельства...
П.С. ... а какие в Перми в свободном доступе (кстати, PIC12F675 родной брат ему, почти)

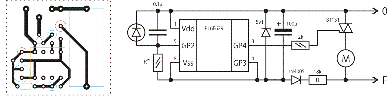
П.П.С. вот схема с печаткой (плата: 30х27,5), прошивка - во вторник...


Вложения:
fan_controller.gif [27.74 KiB]
Скачиваний: 716
Вернуться наверх
 
 Заголовок сообщения:
СообщениеДобавлено: Вт мар 09, 2010 19:09:32 
Родился

Зарегистрирован: Вт мар 09, 2010 18:30:57
Сообщений: 1
Рейтинг сообщения: 0
Если речь идёт о простоте и надёжности то нужно вместо выключателя вентилятора вытяжки (а можно ещё повесить параллельно и лампу освещения) поставить механическое реле времени от стиральной машинки стрых образцов(70-х годов).


Вернуться наверх
 
 Заголовок сообщения:
СообщениеДобавлено: Вт мар 09, 2010 19:41:38 
Прорезались зубы

Зарегистрирован: Пн авг 24, 2009 12:34:23
Сообщений: 249
Рейтинг сообщения: 0
Как я уже писал выше, в туалете есть розетка. По этому реле с включением от фотодиода/фоторезистора - идеальный вариант, т.к. минимум проводов. механическое реле времени от ст. машины в наше время является раритетом + куча проводов + некрасиво.


Вернуться наверх
 
 Заголовок сообщения:
СообщениеДобавлено: Вт мар 09, 2010 19:50:57 
Друг Кота
Аватар пользователя

Карма: 86
Рейтинг сообщений: 990
Зарегистрирован: Ср апр 11, 2007 16:50:39
Сообщений: 21071
Откуда: Riga
Рейтинг сообщения: 0
Геркон на дверь, диод, высокоомное реле и ёмкий конденсатор.
Геркон подал выпрямленное питание на кондёр и запитал реле, которое контактами включило вентилятор. Пока на конденсаторе не просядет напряжение, реле не отлипнет.
Уж не знаю насколько хватит времени - это зависит от тока обмотки реле и ёмкости конденсатора.
Реле срабатывает два раза. Первый раз, когда чел вошёл, второй раз, когда вышел. После последнего закрытия двери, вентилятор будет работать пока ёмкость не сядет до отлипа реле.

В принципе, можно на свободных контактах реле организовать триггер и запитку от второго конденсатора.

_________________
Искусство общения было до нас.


Вернуться наверх
 
 Заголовок сообщения:
СообщениеДобавлено: Чт мар 11, 2010 11:51:55 
Прорезались зубы

Зарегистрирован: Пн авг 24, 2009 12:34:23
Сообщений: 249
Рейтинг сообщения: 0
Уважаемый MIF , ваше предложение отличное, жаль, как я уже писал выше, поляризованное реле РП-9, которое идеально подходит для этой цели, мне достать не удалось.


Вернуться наверх
 
 Заголовок сообщения: Re: Реле времени в туалет.
СообщениеДобавлено: Ср мар 17, 2010 14:01:33 
Электрический кот
Аватар пользователя

Карма: 19
Рейтинг сообщений: 154
Зарегистрирован: Ср мар 03, 2010 11:48:00
Сообщений: 1004
Откуда: Уфа
Рейтинг сообщения: 0
Да не нужно такого делать на реле, какое бы оно не было. Посчитайте сами, чтобы получить выдержку в 5 минут (300сек) с использованием даже высокоомного реле с обмоткой 5кОм необходим конденсатор на 50000-60000мкФ. В габариты такого кондера влезет любая схема на более менее распостраненных деталях. Лучше всего на микроконтроллере, но если не связываться с программированием, то для увеличения времени выдержки можно использовать полевой транзистор или операционный усилитель, можно сдвоенный, на втором так и собрать компаратор с регулировкой времени отключения. Если интересно могу накидать схемку.


Вернуться наверх
 
 Заголовок сообщения: Re: Реле времени в туалет.
СообщениеДобавлено: Ср мар 17, 2010 14:36:43 
Друг Кота
Аватар пользователя

Карма: 86
Рейтинг сообщений: 990
Зарегистрирован: Ср апр 11, 2007 16:50:39
Сообщений: 21071
Откуда: Riga
Рейтинг сообщения: 0
С транзистором то это не проблема..
Изображение

Источник

_________________
Искусство общения было до нас.


Вернуться наверх
 
 Заголовок сообщения: Re: Реле времени в туалет.
СообщениеДобавлено: Ср мар 17, 2010 15:47:54 
Электрический кот
Аватар пользователя

Карма: 19
Рейтинг сообщений: 154
Зарегистрирован: Ср мар 03, 2010 11:48:00
Сообщений: 1004
Откуда: Уфа
Рейтинг сообщения: 0
На сколько я понимаю человеку нужна полная схема а не кусочки, и к тому же, чтобы все было автоматически. Вот примерно, что пришло в голову, если я стал бы делать такое устройство.


Вернуться наверх
 
 Заголовок сообщения: Re: Реле времени в туалет.
СообщениеДобавлено: Ср мар 17, 2010 16:28:29 
Друг Кота
Аватар пользователя

Карма: 86
Рейтинг сообщений: 990
Зарегистрирован: Ср апр 11, 2007 16:50:39
Сообщений: 21071
Откуда: Riga
Рейтинг сообщения: 0
Да я то за! Автор в самом начале ограничил тему запасами старых деталей, но потом, даже проявил интерес к решению на МК. То, что вы предложили, как раз по середине и на мой взгляд нормально.
Вот пусть автор и ответит, по силам ли ему найти К561ТЛ1, оптрон с переключением в ноль и маломощный симистор. Всё это не дорого стоит и увлекательно в настройке. Хотя, опять же от характера автора зависит.. :)

А ещё, нужно ли ему дублирование от освещённости..?

_________________
Искусство общения было до нас.


Вернуться наверх
 
 Заголовок сообщения: Re: Реле времени в туалет.
СообщениеДобавлено: Ср мар 17, 2010 21:06:59 
Прорезались зубы

Зарегистрирован: Пн авг 24, 2009 12:34:23
Сообщений: 249
Рейтинг сообщения: 0
Уважаемые форумчане, во первых - спасибо за отзывы. Почему я ухватился за включение от фотореле? Всё просто: в туалете в нужном месте имеется розетка, от которой легко запитать вентилятор и фотореле с таймером, не заморачиваясь с лишними проводами и подключением к проводке освещения. В идеале нашёл в магазине датчик движения за 186 рублей с задержкой выключения до 20_ти минут. Так что принцип тот же: зашёл - датчик сработал, пошла вентиляция, вышел - датчик обновился и через энное время выключил вентилятор. Принцип тот же, только датчик другой. Кстати, предлагаемые Вами детали дефицитом не являются, осталось выбрать схему и собирать. :music:
" А ещё, нужно ли ему дублирование от освещённости" - использование фотореле, это не дублирование, а именно включение вентилятора от освещения в кабинке. Включил свет - вентилятор включился. Сделал дело, выключил свет, включился таймер и через 5-10 минут вырубил вентилятор. При таком решении не нужно подключаться к проводке освещения, тянуть лишний провод мимо выключателя света и вешать сопли внутри кабинки.


Вернуться наверх
 
 Заголовок сообщения: Re: Реле времени в туалет.
СообщениеДобавлено: Чт мар 18, 2010 20:44:26 
Прорезались зубы

Зарегистрирован: Пн авг 24, 2009 12:34:23
Сообщений: 249
Рейтинг сообщения: 0
Уважаемые MIF и Хатуль_мадан , а так же другие форумчане, помогите пожалуста нашему коллеге. Бедолага зашился с диммером советских времён и просит помощи. Толи не там просит, толи просто невезёт, в общем одному хорошо, а с народом лучше. тема расположена ----> Ремонт----> Ничего не работает -----> Китайская настольная лампа. Последние сообщения.


Вернуться наверх
 
Показать сообщения за:  Сортировать по:  Вернуться наверх
Начать новую тему Ответить на тему  [ Сообщений: 57 ]    , , 3

Часовой пояс: UTC + 3 часа


Вы не можете начинать темы
Вы не можете отвечать на сообщения
Вы не можете редактировать свои сообщения
Вы не можете удалять свои сообщения
Вы не можете добавлять вложения

Найти:
Перейти:  


Powered by phpBB © 2000, 2002, 2005, 2007 phpBB Group
Русская поддержка phpBB
Extended by Karma MOD © 2007—2012 m157y
Extended by Topic Tags MOD © 2012 m157y