Например TDA7294

Форум РадиоКот • Просмотр темы - Волномер. Индикатор поля.
Форум РадиоКот
Здесь можно немножко помяукать :)

Текущее время: Сб мар 14, 2026 17:16:49

Часовой пояс: UTC + 3 часа


ПРЯМО СЕЙЧАС:



Начать новую тему Ответить на тему  [ Сообщений: 109 ]  1, , , , ,  
Автор Сообщение
 Заголовок сообщения: Волномер. Индикатор поля.
СообщениеДобавлено: Ср июл 11, 2007 23:00:15 
Родился

Зарегистрирован: Вс июл 08, 2007 17:20:41
Сообщений: 16
Откуда: Spb
Рейтинг сообщения: 0
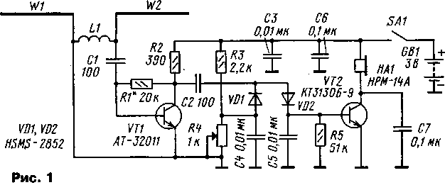
Есть два вопроса (схемы с пометками прилагаются):
1) Чему должна хотя бы примерно быть равна индуктивность катушки L1?(в статье к схеме про это ничего не написано)

2)измеряю вольтметром контакты между конденсатором C6 и C7 и там постоянно есть напряжение 2,8В. Судя по схеме именно сюда и надо припаивать "звуковой индикатор". Дык он постоянно звучит. Должно ли быть напряжение (когда нет сигнала) или я все таки что-то неправильно спаял?

Изображение


Вложения:
scheme.gif [7.29 KiB]
Скачиваний: 10650
plata.jpg [72.16 KiB]
Скачиваний: 1178

_________________
познание бесконечности требует бесконечного времени
Вернуться наверх
 
 Заголовок сообщения:
СообщениеДобавлено: Ср июл 11, 2007 23:24:57 
Родился

Зарегистрирован: Вс июл 08, 2007 17:20:41
Сообщений: 16
Откуда: Spb
Рейтинг сообщения: 0
эх.... пойду я спать:(

_________________
познание бесконечности требует бесконечного времени


Вернуться наверх
 
 Заголовок сообщения:
СообщениеДобавлено: Чт июл 12, 2007 08:11:37 
Модератор
Аватар пользователя

Карма: 27
Рейтинг сообщений: 58
Зарегистрирован: Пн апр 03, 2006 11:43:25
Сообщений: 4517
Откуда: Санкт - Петербург
Рейтинг сообщения: 0
Медали: 3
Получил миской по аватаре (1) Мявтор 2-й степени (1) Мявтор 3-й степени (1)
Написали бы, для начала, что это за схема, чтоль. Вобщем-то понятно, но все же...

_________________
Оптимизм х (Опыт + Знания) = const


Вернуться наверх
 
 Заголовок сообщения:
СообщениеДобавлено: Чт июл 12, 2007 08:22:49 
Админ
Аватар пользователя

Карма: 109
Рейтинг сообщений: 458
Зарегистрирован: Вт авг 23, 2005 15:23:25
Сообщений: 10815
Откуда: Москва
Рейтинг сообщения: 0
Медали: 1
Получил миской по аватаре (1)
Это индикатор напряженности поля высокочастотный. У нас тут в форуме уже был вопрос как раз по этой самой схеме - а него еще Сэр Мурр отвечал, ноя не могу найти, хоть убей - уже все облазил, пес побери. :shock:

_________________
А вот футболки кому? Кружки, значки!
Мысли Пачкают Мозги


Вернуться наверх
 
Эиком - электронные компоненты и радиодетали
 Заголовок сообщения: Re: Вопрос по схемке
СообщениеДобавлено: Чт июл 12, 2007 08:51:53 
Модератор
Аватар пользователя

Карма: 158
Рейтинг сообщений: 1600
Зарегистрирован: Пт апр 28, 2006 15:26:07
Сообщений: 11940
Откуда: Россия.
Рейтинг сообщения: 0
Медали: 2
Мявтор 3-й степени (1) Лучший человек Форума 2017 (1)
ssz писал(а):
Есть два вопроса (схемы с пометками прилагаются):
1) Чему должна хотя бы примерно быть равна индуктивность катушки L1?(в статье к схеме про это ничего не написано)


L1 не критично. Служит, что бы низкочастотные наводки не ловить. Сеть 50 гц, развёртку телевизоров и мониторов и т.д. Должна обладать маленькой паразитной ёмкостью. Поставь дроссель 50-100 мкг или намотай на оправке 4 мм 50 витков проводом 0,15-0,2 мм.

ssz писал(а):
2)измеряю вольтметром контакты между конденсатором C6 и C7 и там постоянно есть напряжение 2,8В.


R4 замкни проводом. Если всё правильно, то напряжение должно упасть почти до нуля. Если не падает, значит второй транзистор негодный. Если падает, то перемычку убирай , R4 двигай вверх. Напряжение опять должно упасть. Теперь потихоньку крути и сделай ~ 0,7 вольт.


Вернуться наверх
 
 Заголовок сообщения:
СообщениеДобавлено: Пт июл 13, 2007 20:39:43 
Родился

Зарегистрирован: Вс июл 08, 2007 17:20:41
Сообщений: 16
Откуда: Spb
Рейтинг сообщения: 0
всем пасибо большое за ответы.

:))

Еще вопрос: в магаз ходил, мне дали все элементы SMD. Нельзя ль эти элементы заменить на обычные?(конкретно, диоды и транзисторы:))А то я себя пока не считаю способным паять SMD

_________________
познание бесконечности требует бесконечного времени


Вернуться наверх
 
 Заголовок сообщения:
СообщениеДобавлено: Сб июл 14, 2007 06:15:33 
Модератор
Аватар пользователя

Карма: 158
Рейтинг сообщений: 1600
Зарегистрирован: Пт апр 28, 2006 15:26:07
Сообщений: 11940
Откуда: Россия.
Рейтинг сообщения: 0
Медали: 2
Мявтор 3-й степени (1) Лучший человек Форума 2017 (1)
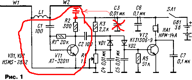
Можно. Только выводы на СВЧ нужно делать как можно короче. Если вывод получается больше 5мм, об этом уже нужно задуматься. Пусть будет не так красиво. Так же это относится и к СМД.
Печатные дорожки не д.б. длинными. Во всяком случае то, что я обвёл.
Заметь, что я дроссель не обвёл. Это же дроссель и длина его выводов в разумных пределах не играет роли.


Вложения:
Безымянный.GIF [8.62 KiB]
Скачиваний: 1403
Вернуться наверх
 
 Заголовок сообщения:
СообщениеДобавлено: Вт июл 17, 2007 16:40:55 
Родился

Зарегистрирован: Вс июл 08, 2007 17:20:41
Сообщений: 16
Откуда: Spb
Рейтинг сообщения: 0
Раз пошла речь о замене, то такие вопросы:

1) по каким параметрам транзистора можно определить подходит ли транзистор на замену или нет?

2) конкретно: На схеме используется SMD транзистор AT-32011. Нашел для него замену NE68039R NEC. Проблема в том, что ни того, ни другого нет в магазине. Может кто подскажет какой-нибудь более распространенный транзистор?

_________________
познание бесконечности требует бесконечного времени


Вернуться наверх
 
 Заголовок сообщения:
СообщениеДобавлено: Ср июл 18, 2007 11:34:34 
Модератор
Аватар пользователя

Карма: 158
Рейтинг сообщений: 1600
Зарегистрирован: Пт апр 28, 2006 15:26:07
Сообщений: 11940
Откуда: Россия.
Рейтинг сообщения: 0
Медали: 2
Мявтор 3-й степени (1) Лучший человек Форума 2017 (1)
ssz писал(а):
Раз пошла речь о замене, то такие вопросы:

http://www.radiokot.ru/forum/viewtopic. ... 4687#54687
Ты хоть сознайся :shock: чего ловить будешь?
На какой максимально частоте схема должна работать?
...
Может ты 10 мгц хочешь контролировать, тогда тебе КТ315 подойдёт. :)) Шутка конечно.


Вернуться наверх
 
 Заголовок сообщения:
СообщениеДобавлено: Ср июл 18, 2007 12:22:43 
Родился

Зарегистрирован: Вс июл 08, 2007 17:20:41
Сообщений: 16
Откуда: Spb
Рейтинг сообщения: 0
Сознаюсь: должен поймать сигнал сотового телефона на частоте 900МГц и 1800 МГц :)
...
Спаял все кроме транзисторов. То, что дали в магазине вроде как не подходит. В даташите к AT-32011(который и должен быть на схеме) сказано, что этот транзистор работает при напряжении в 2,7В. А то, что дали (BC817-25) хрен пойми... Да еще и АТ-32011 с 2-мя эмиттерами. Что это значит?

_________________
познание бесконечности требует бесконечного времени


Вернуться наверх
 
 Заголовок сообщения:
СообщениеДобавлено: Ср июл 18, 2007 13:51:45 
Модератор
Аватар пользователя

Карма: 158
Рейтинг сообщений: 1600
Зарегистрирован: Пт апр 28, 2006 15:26:07
Сообщений: 11940
Откуда: Россия.
Рейтинг сообщения: 0
Медали: 2
Мявтор 3-й степени (1) Лучший человек Форума 2017 (1)
ssz писал(а):
АТ-32011 с 2-мя эмиттерами. Что это значит?

Такое делают почти у всех транзисторов СВЧ, которые предназначаются работать с общим эмиттером, что бы уменьшить индуктивность выводов эмиттера.
...
Если с другой стороны подойти, то поиск аналогов NE68039R даёт намного больше, правда никаких советов дать не могу.
Лихой конечно транзистор.
http://www.analog.chipfind.ru/search.htm?s=NE68039R
Или выход искать любой другой с граничной частотой порядка 6 гГц и поднимать питание.


Вернуться наверх
 
 Заголовок сообщения:
СообщениеДобавлено: Вт июл 24, 2007 18:48:43 
Родился

Зарегистрирован: Вс июл 08, 2007 17:20:41
Сообщений: 16
Откуда: Spb
Рейтинг сообщения: 0
Товарищи!
Я у меня конечно нет иллюзий по поводу своих познаний в области схемотехники, но все же мне не очень понятно откуда при отсутствии питания на схеме мультиметр показывает (на рисунке в точках, где нарисованы щупы) напряжение -0,55В? При включении питания здесь же 1,4В. Замечу, что вместо R4 я подключил обычный МЛТ резистор на 325 Ом.

И еще вопросик: замерял напряжение в точках А и В на рисунке. При прикладывании щупа к этим точкам зажигался светодиод, а на включеннном близкорасположенном (~1 м) радио возникали помехи. К чему бы это?

_________________
познание бесконечности требует бесконечного времени


Вернуться наверх
 
 Заголовок сообщения:
СообщениеДобавлено: Вт июл 24, 2007 20:38:22 
Друг Кота
Аватар пользователя

Карма: 6
Рейтинг сообщений: 32
Зарегистрирован: Чт сен 14, 2006 11:42:09
Сообщений: 3792
Откуда: Обитаю на чердаке
Рейтинг сообщения: 0
ssz писал(а):
не очень понятно откуда при отсутствии питания на схеме мультиметр показывает (на рисунке в точках, где нарисованы щупы) напряжение -0,55В? При включении питания здесь же 1,4В.
Посмотри в "Измерениях" - там это объясняется.
ssz писал(а):
обычный МЛТ резистор на 325 Ом.
Обычные МЛТ с таким номиналом не выпускались, а теперь и подавно выпускатся не будут, т.к. сняты с производства в 1991 г. Стандартный номинал 330 Ом или 324, 328, 332 для прецизионных резисторов, каковыми МЛТ никогда в своей долгой жизни не были.
ssz писал(а):
И еще вопросик: замерял напряжение в точках А и В на рисунке. При прикладывании щупа к этим точкам зажигался светодиод, а на включеннном близкорасположенном (~1 м) радио возникали помехи. К чему бы это?
Показывать надо на принципиальной схеме, и про это уже сказано. Вложение изъято.

_________________
Память очень интересная штука: бывает так, что запомнишь одно, а вспомнишь другое...


Вернуться наверх
 
 Заголовок сообщения:
СообщениеДобавлено: Вт июл 24, 2007 22:05:09 
Родился

Зарегистрирован: Вс июл 08, 2007 17:20:41
Сообщений: 16
Откуда: Spb
Рейтинг сообщения: 0
Мышонок, ты меня преследуешь чтоле? Ну хотя б раз ответил по существу! А то: это не так, тут не по ГОСТу, этой буквы тут быть не должно...

Насчет резисторов я указал сопротивление, которое замерил (лень по цветовой маркировке считать было). А то, что их не выпускают давно... Дык ведь продают-то до сих пор...:)

_________________
познание бесконечности требует бесконечного времени


Вернуться наверх
 
 Заголовок сообщения:
СообщениеДобавлено: Вт июл 24, 2007 22:11:54 
Друг Кота
Аватар пользователя

Карма: 6
Рейтинг сообщений: 32
Зарегистрирован: Чт сен 14, 2006 11:42:09
Сообщений: 3792
Откуда: Обитаю на чердаке
Рейтинг сообщения: 0
Каков вопрос, таков ответ! :)

Тем, более, предыдущим замечаниям ты не внял! :)

_________________
Память очень интересная штука: бывает так, что запомнишь одно, а вспомнишь другое...


Вернуться наверх
 
 Заголовок сообщения:
СообщениеДобавлено: Ср июл 25, 2007 23:16:41 
Родился

Зарегистрирован: Вс июл 08, 2007 17:20:41
Сообщений: 16
Откуда: Spb
Рейтинг сообщения: 0
Хе-хе... может не заморачиваться и купить себе радиолюбительский набор:)

MK 153: Индикатор микроволнового излучения

_________________
познание бесконечности требует бесконечного времени


Вернуться наверх
 
 Заголовок сообщения:
СообщениеДобавлено: Чт июл 26, 2007 00:05:52 
Э...
Аватар пользователя

Карма: 1
Рейтинг сообщений: 9
Зарегистрирован: Ср апр 04, 2007 08:39:14
Сообщений: 2792
Откуда: Москва
Рейтинг сообщения: 0
В 6 и 7 номерах Радио за 2007 есть индикаторы поля.

_________________
Думайте сами, решайте сами ... а вот он-лайн перевод на корявый русский http://translate.ru


Вернуться наверх
 
 Заголовок сообщения:
СообщениеДобавлено: Чт июл 26, 2007 12:01:54 
Родился

Зарегистрирован: Вс июл 08, 2007 17:20:41
Сообщений: 16
Откуда: Spb
Рейтинг сообщения: 0
Все же какого-то успеха я добился. На расстоянии 0.5 м от работающего телефона напряжение в точках пайки динамика менятся, но незначительно: на сотые доли вольта. Почему изменения такие маленькие?

Но еще проблема в том, что сначала измерений напряжение было 1.7В и постоянно падало.(при звонящем телефоне оно либо скакало, либо падало быстрее и потом возвращалось на исходную величину). С чем это связано?

_________________
познание бесконечности требует бесконечного времени


Вернуться наверх
 
 Заголовок сообщения:
СообщениеДобавлено: Чт июл 26, 2007 21:35:07 
Друг Кота
Аватар пользователя

Карма: 6
Рейтинг сообщений: 32
Зарегистрирован: Чт сен 14, 2006 11:42:09
Сообщений: 3792
Откуда: Обитаю на чердаке
Рейтинг сообщения: 0
Идёт обмен с б/ст. Телефон несколько раз включается на передачу.

Об этом в теме: http://www.radiokot.ru/forum/viewtopic.php?t=3887 по-моему, уже писалось.

_________________
Память очень интересная штука: бывает так, что запомнишь одно, а вспомнишь другое...


Вернуться наверх
 
 Заголовок сообщения:
СообщениеДобавлено: Чт июл 26, 2007 22:23:19 
Родился

Зарегистрирован: Вс июл 08, 2007 17:20:41
Сообщений: 16
Откуда: Spb
Рейтинг сообщения: 0
Да, там об этом говорилось, но здесь я имею в виду изменение напряжения во время разговора, а не в режиме ожидания.

Меня очень смущают 2 момента :?

1) почему реагирует тем, что напряжение падает... ведь вроде оно должно увеличиваться => загорается светодиод. :o

2) если не подносить телефон в течение минуты, напряжение начинает падать само по себе. Проведя следственный эксперимент, получилось, что за 1 час 30 минут оно падает с 1,7В до 0,5В. :roll:

_________________
познание бесконечности требует бесконечного времени


Вернуться наверх
 
Показать сообщения за:  Сортировать по:  Вернуться наверх
Начать новую тему Ответить на тему  [ Сообщений: 109 ]  1, , , , ,  

Часовой пояс: UTC + 3 часа


Вы не можете начинать темы
Вы не можете отвечать на сообщения
Вы не можете редактировать свои сообщения
Вы не можете удалять свои сообщения
Вы не можете добавлять вложения

Найти:
Перейти:  


Powered by phpBB © 2000, 2002, 2005, 2007 phpBB Group
Русская поддержка phpBB
Extended by Karma MOD © 2007—2012 m157y
Extended by Topic Tags MOD © 2012 m157y