Например TDA7294

Форум РадиоКот • Просмотр темы - Полностью ламповый радиовещательный УКВ ЧМ приемник.
Форум РадиоКот
Здесь можно немножко помяукать :)

Текущее время: Пт ноя 21, 2025 19:44:24

Часовой пояс: UTC + 3 часа


ПРЯМО СЕЙЧАС:



Начать новую тему Ответить на тему  [ Сообщений: 289 ]    , , , 4, , , ...  
Автор Сообщение
Не в сети
 Заголовок сообщения: Re: Полностью ламповый ФМ приемник.
СообщениеДобавлено: Вс авг 28, 2011 21:35:17 
Поставщик валерьянки для Кота
Аватар пользователя

Карма: 22
Рейтинг сообщений: 77
Зарегистрирован: Ср апр 01, 2009 12:32:13
Сообщений: 2024
Откуда: СПб
Рейтинг сообщения: 0
Плата от приёмника целиком или свою делаете? Или на шасси, навесным монтажом? Сколько каскадов ПЧ будет? Какая частота ПЧ?
Вот, несколько часов работы в Фотошопе... Так выглядит схема радиолы высшего класса "Симфония-2" в режиме УКВ. Убрал всё "лишнее", все переключатели, всё, что относится к АМ, а так же УНЧ.

Изображение


Вернуться наверх
 
Не в сети
 Заголовок сообщения: Re: Полностью ламповый ФМ приемник.
СообщениеДобавлено: Вс авг 28, 2011 23:16:32 
Открыл глаза
Аватар пользователя

Зарегистрирован: Чт июл 15, 2010 16:56:48
Сообщений: 73
Откуда: москва
Рейтинг сообщения: 0
плату делаю сваю! на шасси нету возможности!впринцепе повтаряю схему от старой "ригонды -102" естественно убрав все лишние частоты кроме укв.почему так делаю, потомучто от радиолы остались только контуры и блок укв!ваша схема мне конечно помогла с некоторыми вапросами за что вам спасибо)) но у ригонды -102 немного другие контуры! я уже выкладывал один из них на этом форуме)выложу полную схему есле каму интересно! вот сылка
http://www.chipinfo.ru/literature/radio ... 7-45-b.jpg


Вернуться наверх
 
Не в сети
 Заголовок сообщения: Re: Полностью ламповый ФМ приемник.
СообщениеДобавлено: Пн авг 29, 2011 00:17:17 
Поставщик валерьянки для Кота
Аватар пользователя

Карма: 22
Рейтинг сообщений: 77
Зарегистрирован: Ср апр 01, 2009 12:32:13
Сообщений: 2024
Откуда: СПб
Рейтинг сообщения: 0
Схемы у Симфонии и Ригонды отличаются не сильно. У Симфонии в УПЧ на входе стоит ФСС из 2-х контуров и применён другой блок УКВ. На приведённой схеме я просто стёр АМ-секции в контурах ПЧ, а на самом деле там они то же комбинированные.
Для монтажа контуров, ктр предназначены для РСВ, на шасси для навесного монтажа, я делаю маленькие переходные платки:
Изображение


Вернуться наверх
 
Не в сети
 Заголовок сообщения: Re: Полностью ламповый ФМ приемник.
СообщениеДобавлено: Пн авг 29, 2011 00:32:52 
Открыл глаза
Аватар пользователя

Зарегистрирован: Чт июл 15, 2010 16:56:48
Сообщений: 73
Откуда: москва
Рейтинг сообщения: 0
планки идея конечно хорошая!но проблема в другом! у меня не получается зделать само шасси! поэтому решил зделать на плате!у меня вот вапрос! есле всётаки использывать лампу 6и1п в начале как и на схеме! то триод этой тампы свободен как я понимаю! его можно использывать в других целях? к примеру первый каскад унч?


Вернуться наверх
 
Эиком - электронные компоненты и радиодетали
Не в сети
 Заголовок сообщения: Re: Полностью ламповый ФМ приемник.
СообщениеДобавлено: Пн авг 29, 2011 09:18:00 
Поставщик валерьянки для Кота
Аватар пользователя

Карма: 22
Рейтинг сообщений: 77
Зарегистрирован: Ср апр 01, 2009 12:32:13
Сообщений: 2024
Откуда: СПб
Рейтинг сообщения: 0
Теоретически - да, практически - я бы не советовал, поскольку у триода и гептода 6И1П общий катод. Можно, конечно, попытаться собрать предусилитель НЧ с фиксированным смещением (с автоматическим не получится из-за общего катода). А для этого нужен доп. источник отрицательного напряжения от блока питания. Но я боюсь, что он будет оказывать влияние на работу УПЧ. Вообще, входные цепи УПЧ и выход с детектора нужно разносить конструктивно как можно дальше, а вы собираетесь выход с детектора "завернуть" на вход... Лучше этого не делать.


Вернуться наверх
 
Не в сети
 Заголовок сообщения: Re: Полностью ламповый ФМ приемник.
СообщениеДобавлено: Вт авг 30, 2011 22:12:23 
Открыл глаза
Аватар пользователя

Зарегистрирован: Чт июл 15, 2010 16:56:48
Сообщений: 73
Откуда: москва
Рейтинг сообщения: 0
расматривая схему ригонды увидел что в блок укв и упч идёт 200 или 210в. мой силовик выдаёт после моста 150в. будут ли работать блок укв и упч при таком напряжении? есле будет то как отразится на работе?


Вернуться наверх
 
Не в сети
 Заголовок сообщения: Re: Полностью ламповый ФМ приемник.
СообщениеДобавлено: Вт авг 30, 2011 22:19:27 
Поставщик валерьянки для Кота
Аватар пользователя

Карма: 22
Рейтинг сообщений: 77
Зарегистрирован: Ср апр 01, 2009 12:32:13
Сообщений: 2024
Откуда: СПб
Рейтинг сообщения: 0
В блоки УКВ и УПЧ идёт +240В (по схеме). В УКВ стоит гасящий резистор R3, ктр понижает это напряжение до +120 В. Так что для него достаточно подобрать этот резистор. А вот для УПЧ нужно, как минимум, +200 В. Работать-то будет и от 150, но плохо: уменьшится усиление и режимы ламп "улетят".


Вернуться наверх
 
Не в сети
 Заголовок сообщения: Re: Полностью ламповый ФМ приемник.
СообщениеДобавлено: Вс сен 11, 2011 08:50:01 
Открыл глаза
Аватар пользователя

Зарегистрирован: Чт июл 15, 2010 16:56:48
Сообщений: 73
Откуда: москва
Рейтинг сообщения: 0
пока делал упч! поевился вапрос, есле упч без первых двух каскадов, понятное дело что нормально работать не будет.а вопще какиенибуть призноки жизни будут?есле подробней то у меня уже собран третий коскад и детектор!и к нему подключить укв блок!?


Вернуться наверх
 
Не в сети
 Заголовок сообщения: Re: Полностью ламповый ФМ приемник.
СообщениеДобавлено: Вс сен 11, 2011 22:05:56 
Поставщик валерьянки для Кота
Аватар пользователя

Карма: 22
Рейтинг сообщений: 77
Зарегистрирован: Ср апр 01, 2009 12:32:13
Сообщений: 2024
Откуда: СПб
Рейтинг сообщения: 0
Если есть генератор на 6,5 МГц, то можно подать от него ЧМ-модулированный сигнал амплитудой порядка 0,5 ... 1,0 В на сетку ведущей лампы (через конденсатор на 200...500 пФ). Если частотный детектор работает и хотя бы частично настроен, то в динамиках услышите тон.
С выхода блока УКВ идёт сигал амплитудой сотни микровольт ... единицы милливольт. И до каскада, который у вас уже собран, он усиливается в несколько тысяч (!) раз.


Вернуться наверх
 
Не в сети
 Заголовок сообщения: Re: Полностью ламповый ФМ приемник.
СообщениеДобавлено: Пн сен 26, 2011 01:24:16 
Открыл глаза
Аватар пользователя

Зарегистрирован: Чт июл 15, 2010 16:56:48
Сообщений: 73
Откуда: москва
Рейтинг сообщения: 0
где бы достать генератор на 6.5 МГц.... мультивибратором обойтись можно?


Вернуться наверх
 
Не в сети
 Заголовок сообщения: Re: Полностью ламповый ФМ приемник.
СообщениеДобавлено: Пн сен 26, 2011 07:10:41 
Друг Кота
Аватар пользователя

Карма: 72
Рейтинг сообщений: 1153
Зарегистрирован: Чт ноя 20, 2008 04:20:48
Сообщений: 8072
Откуда: КурскЪ
Рейтинг сообщения: 0
Частота будет плавать и хрен подстоиш.Лучше тогда уж перестраиваемый генератор индуктивной трёхточки.

_________________
Принимаю вас 595+40db на уровне шумов на кухонный приёмник,антенна наружка-магнитная катушка..работает "Акация",вот такая информация.Роман.73!!!
"50 КСВ 075", UA3112SWL
Изображение


Вернуться наверх
 
Не в сети
 Заголовок сообщения: Re: Полностью ламповый ФМ приемник.
СообщениеДобавлено: Пн сен 26, 2011 07:54:34 
Поставщик валерьянки для Кота
Аватар пользователя

Карма: 22
Рейтинг сообщений: 77
Зарегистрирован: Ср апр 01, 2009 12:32:13
Сообщений: 2024
Откуда: СПб
Рейтинг сообщения: 0
Ну, например, генератор 6,5 МГц есть в приборе для настройки ТВ "Ласпи ТТ-01":

http://rw6ase.narod.ru/000/rez2/laspi_tt01.html

Поспрашивайте у телемастеров.


Вернуться наверх
 
Не в сети
 Заголовок сообщения: Re: Полностью ламповый ФМ приемник.
СообщениеДобавлено: Ср фев 29, 2012 12:02:11 
Открыл глаза
Аватар пользователя

Зарегистрирован: Чт июл 15, 2010 16:56:48
Сообщений: 73
Откуда: москва
Рейтинг сообщения: 0
искал..долго искал! найти не смог! над чтонить придумать!!


Вернуться наверх
 
Не в сети
 Заголовок сообщения: Re: Полностью ламповый ФМ приемник.
СообщениеДобавлено: Ср фев 29, 2012 12:11:26 
Модератор
Аватар пользователя

Карма: 158
Рейтинг сообщений: 1600
Зарегистрирован: Пт апр 28, 2006 15:26:07
Сообщений: 11940
Откуда: Россия.
Рейтинг сообщения: 0
Медали: 2
Мявтор 3-й степени (1) Лучший человек Форума 2017 (1)
А что тут искать?
Все зависит от того, есть ли возможность частоту выставить. Если есть частотомер, то можно сделать обычную емкостную трехточку и выставить 6,5 мгц.
Если частотомера нет, то искать или готовый кварцевый генератор на эту частоту
http://www.google.ru/search?um=1&hl=ru& ... 5.4.1l10l0
Или кварц на 6,5 мгц или на 3,25 мгц или 2,166 мгц и в зависимости от найденного кварца выбирать схему кварцевого генератора. Первый и третий кварц предпочтительнее.


Вернуться наверх
 
Не в сети
 Заголовок сообщения: Re: Полностью ламповый ФМ приемник.
СообщениеДобавлено: Пн мар 05, 2012 01:50:55 
Открыл глаза
Аватар пользователя

Зарегистрирован: Чт июл 15, 2010 16:56:48
Сообщений: 73
Откуда: москва
Рейтинг сообщения: 0
достал я кварц на 6.5мгц.=) полазил по форому нашол схему генератора! вапрос следущий мне какиенибуть номинали надо менять? или всё повторить в точности?и как мне узнать что он работает?
Вложение:
ris18.gif [3.85 KiB]
Скачиваний: 1347


Вернуться наверх
 
Не в сети
 Заголовок сообщения: простой ламповый FM приёмник
СообщениеДобавлено: Вс апр 29, 2012 14:11:58 
Открыл глаза
Аватар пользователя

Зарегистрирован: Сб май 07, 2011 08:49:37
Сообщений: 44
Откуда: Омск
Рейтинг сообщения: 0
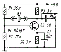
очень хочу построить самый простой ламповый фм приёмник 88-108 Мгц нашол вот эту схему . может сойдёт ?




А при чем тут раздел "Корпуса"?
Сюда перенес.

aen


Вложения:
TubeFM.jpg [67.84 KiB]
Скачиваний: 1938
Вернуться наверх
 
Не в сети
 Заголовок сообщения: Re: Полностью ламповый ФМ приемник.
СообщениеДобавлено: Вс апр 29, 2012 14:24:59 
Открыл глаза
Аватар пользователя

Зарегистрирован: Сб май 07, 2011 08:49:37
Сообщений: 44
Откуда: Омск
Рейтинг сообщения: 0
сильно не ругайтесь ! я в курсе что он регенеративный но мне интересно он вообще будет работать или нет? и какое анодное напряжение будет?- на схеме не указано (да и лампы я не понял какие можно взомен тех каие на рисунке!)


Вернуться наверх
 
Не в сети
 Заголовок сообщения: Re: Полностью ламповый ФМ приемник.
СообщениеДобавлено: Вс апр 29, 2012 14:29:03 
Сверлит текстолит когтями
Аватар пользователя

Карма: 22
Рейтинг сообщений: 110
Зарегистрирован: Вс сен 25, 2005 10:07:31
Сообщений: 1219
Откуда: Россия.
Рейтинг сообщения: 0
Схему откуда взяли?
Ссылку дайте.


Вернуться наверх
 
Не в сети
 Заголовок сообщения: Re: Полностью ламповый ФМ приемник.
СообщениеДобавлено: Вс апр 29, 2012 14:42:10 
Открыл глаза
Аватар пользователя

Зарегистрирован: Сб май 07, 2011 08:49:37
Сообщений: 44
Откуда: Омск
Рейтинг сообщения: 0
лазил по прасторам иннета -и нашол на какомто форуме -сылку не сохранил сам желею а рисунок скапировал ! сегодня пытался найти безрезультатно!

пордон нашол наконецто вот http://forum.cxem.net/index.php?showtopic=71987&st=20
вот что человек из форума пишет:вот что я предлагаю первую лампу вполне можно заменить 6н3п или 6н2п вторую 6ф3п(это всё далше там про эту схему ничего!)


Вернуться наверх
 
Не в сети
 Заголовок сообщения: Re: Полностью ламповый ФМ приемник.
СообщениеДобавлено: Пн апр 30, 2012 05:46:32 
Модератор
Аватар пользователя

Карма: 159
Рейтинг сообщений: 4072
Зарегистрирован: Пт янв 23, 2009 19:20:05
Сообщений: 45119
Рейтинг сообщения: 0
Медали: 1
Получил миской по аватаре (1)
dimarius1983, в FM диапазоне с лампами много больше проблем, чем с полупроводниковыми схемами... Паразитные ёмкости у ламп огромны, по сравнению с транзисторами, есть проблема с шумом и т.д. и т.п... Так зачем же лишние проблемы? Хочется простенький приёмник с примитивным звучанием - соберите на TDA7021, звук будет не хуже, чем у сверхрегенератора ( :))) ), а вероятность собрать без проблем - выше...


Последний раз редактировалось As Пн апр 30, 2012 08:36:00, всего редактировалось 1 раз.

Вернуться наверх
 
Показать сообщения за:  Сортировать по:  Вернуться наверх
Начать новую тему Ответить на тему  [ Сообщений: 289 ]    , , , 4, , , ...  

Часовой пояс: UTC + 3 часа


Кто сейчас на форуме

Сейчас этот форум просматривают: нет зарегистрированных пользователей и гости: 35


Вы не можете начинать темы
Вы не можете отвечать на сообщения
Вы не можете редактировать свои сообщения
Вы не можете удалять свои сообщения
Вы не можете добавлять вложения

Найти:
Перейти:  


Powered by phpBB © 2000, 2002, 2005, 2007 phpBB Group
Русская поддержка phpBB
Extended by Karma MOD © 2007—2012 m157y
Extended by Topic Tags MOD © 2012 m157y