Например TDA7294

Форум РадиоКот • Просмотр темы - Вольтметр-амперметр-ваттметр, «ДЖИН»V1.0
Форум РадиоКот
Здесь можно немножко помяукать :)

Текущее время: Чт дек 11, 2025 18:12:37

Часовой пояс: UTC + 3 часа


ПРЯМО СЕЙЧАС:



Начать новую тему Ответить на тему  [ Сообщений: 385 ]     ... , , , 15, , , ...  
Автор Сообщение
Не в сети
 Заголовок сообщения: Re: Вольтметр-амперметр-ваттметр, «ДЖИН»V1.0
СообщениеДобавлено: Сб окт 03, 2015 14:04:26 
Первый раз сказал Мяу!

Зарегистрирован: Вс авг 09, 2015 14:01:16
Сообщений: 22
Рейтинг сообщения: 0
привет всем КОТАМ!!!!
Кто собирал такой вольтметр амперметр
была ли у вас проблема с подключением к регулируемому блоку питания..
у меня такая проблема
с начало подключал и тестировал на обычном блоке 12 вольт 2 ампера
работал но амперметр прыгал .
потом подключил его к другому стабилизатору и он перестал показывать ампермет
пере подключил на старый блок работает
короче то что не хочет работать на новом блоке
регулируемый стабилизатор собран по схеме
АКА.... на сайте vip-cxema.org
http://forum.vip-cxema.org/index.php?ap ... tach_id=78
только я использую другой блок питания импульсный
может проблема в шунте???????


Вернуться наверх
 
Не в сети
 Заголовок сообщения: Re: Вольтметр-амперметр-ваттметр, «ДЖИН»V1.0
СообщениеДобавлено: Вс дек 06, 2015 23:50:39 
Первый раз сказал Мяу!
Аватар пользователя

Зарегистрирован: Чт фев 07, 2013 21:20:49
Сообщений: 39
Рейтинг сообщения: 0
Здравствуйте.
Не удается отстроить Амперметр: Подстроечником R4 выставляю показания тока, в качестве "эталонного" :) амперметра - мультиметр.
Например: Подал напряжение 5в (нагрузка лампа 12в), ток на тестере 0,15А. выставляю подстроечником R4 - 0,15A на АВметре. Поднимаю напряжение до 7в, - ток на тестере показывает один, на АВметре совсем другой. Разница в показаниях очень большая. Чем дальше, тем хуже.
Вольтметр работает хорошо.
Диапазон 100в.
Стабилитрон 5,6в не заменял на 9,1в http://www.radiokot.ru/forum/viewtopic. ... 7#p1213227
И еще, вопрос про Шим: Возможно ли использовать Шим для переменки 220в?
Делал по этой печатке http://www.radiokot.ru/forum/viewtopic. ... 2#p1836782


Вернуться наверх
 
Не в сети
 Заголовок сообщения: Re: Вольтметр-амперметр-ваттметр, «ДЖИН»V1.0
СообщениеДобавлено: Пт дек 18, 2015 13:31:11 
Потрогал лапой паяльник

Зарегистрирован: Сб май 03, 2014 20:01:51
Сообщений: 361
Откуда: Ижевск
Рейтинг сообщения: 0
Здравствуйте, подскажите, а есть привязка измерений ко времени? мне необходимо измерить потребляемую мощность за час или за сутки, при этом потребление не постоянное, а присутствуют импульсные скачки тока, так же по питанию висит сигнал модема

_________________
Электроника -очень точная наука, бубен необходимо держать в левой руке!!!


Вернуться наверх
 
Не в сети
 Заголовок сообщения: Re: Вольтметр-амперметр-ваттметр, «ДЖИН»V1.0
СообщениеДобавлено: Чт май 05, 2016 10:12:05 
Родился

Зарегистрирован: Чт фев 11, 2016 14:18:34
Сообщений: 13
Рейтинг сообщения: 0
Всем привет. Собирал пояхожий аппарат, только по проще. С индикацией напряжения все хорошо, однако ток никак не настраивается. Подключаю нагрузку, калибрую ток. Подключаю другую нагрузку и разбежка индикации тока уже слишком большая. Помогите пожалуйста.


Вложения:
skhema.gif [50.37 KiB]
Скачиваний: 1527
Вернуться наверх
 
Эиком - электронные компоненты и радиодетали
Не в сети
 Заголовок сообщения: Re: Вольтметр-амперметр-ваттметр, «ДЖИН»V1.0
СообщениеДобавлено: Чт май 19, 2016 19:26:08 
Грызет канифоль
Аватар пользователя

Карма: 6
Рейтинг сообщений: 50
Зарегистрирован: Вс фев 02, 2014 02:47:48
Сообщений: 285
Откуда: Беларусь
Рейтинг сообщения: 0
Здравствуйте переразвел малость плату под нужный размер.Может ли кто нибудь проверить правильность разводки?


Вложения:
01 VAW.GIF [69.66 KiB]
Скачиваний: 1414
джин .zip [16.75 KiB]
Скачиваний: 759
Вернуться наверх
 
Не в сети
 Заголовок сообщения: Re: Вольтметр-амперметр-ваттметр, «ДЖИН»V1.0
СообщениеДобавлено: Вс июн 05, 2016 07:10:41 
Грызет канифоль
Аватар пользователя

Зарегистрирован: Ср мар 09, 2011 14:01:21
Сообщений: 290
Откуда: Донецк
Рейтинг сообщения: 0
ДОброго всем дня. Есть у кого печатка SMD TQFP, буду очень благодарен.


Вернуться наверх
 
Не в сети
 Заголовок сообщения: Re: Вольтметр-амперметр-ваттметр, «ДЖИН»V1.0
СообщениеДобавлено: Вт июн 28, 2016 23:59:13 
Первый раз сказал Мяу!

Зарегистрирован: Вс дек 15, 2013 21:32:49
Сообщений: 32
Рейтинг сообщения: 0
В теме написано аналог ОУ можно LM328, это опечатка или всё же есть такой ОУ?


Вернуться наверх
 
Не в сети
 Заголовок сообщения: Re: Вольтметр-амперметр-ваттметр, «ДЖИН»V1.0
СообщениеДобавлено: Пт ноя 04, 2016 17:07:41 
Родился

Зарегистрирован: Пн июл 04, 2016 16:48:58
Сообщений: 4
Рейтинг сообщения: 0
Всем привет, делаю по этой печатке... не могу понять если буду использовать вольтметр 30 то там амперметр будет работать, а если на 100 вольт то там амперметр работать не будет чтоле????


Вложения:
Джин.lay [220.75 KiB]
Скачиваний: 978
Вернуться наверх
 
Не в сети
 Заголовок сообщения: Re: Вольтметр-амперметр-ваттметр, «ДЖИН»V1.0
СообщениеДобавлено: Пт дек 23, 2016 15:52:34 
Вымогатель припоя
Аватар пользователя

Карма: -3
Рейтинг сообщений: -21
Зарегистрирован: Пт сен 12, 2014 19:31:13
Сообщений: 536
Рейтинг сообщения: 0
Здравствуйте!
Подскажите зачем вход по схъеме 0-30V если есть вход 0-100V?
как я понял управление кнопочное по схеме,но это зачем с огромными радиаторами?
http://www.radiokot.ru/forum/download/f ... ?id=115154
блок питания какой нужен?просто выпрямленное постоянное напряжение или как этот?
http://vprl.ru/publ/istochniki_pitanija ... /11-1-0-95
и что то я туплю,зачем столько деталей если есть подобно этому?
http://radioparty.ru/index.php/device-a ... er-atmega8

_________________
Мудрость приходит с возрастом, но иногда возраст приходит один.


Вернуться наверх
 
Не в сети
 Заголовок сообщения: Re: Вольтметр-амперметр-ваттметр, «ДЖИН»V1.0
СообщениеДобавлено: Вс фев 05, 2017 21:08:34 
Встал на лапы
Аватар пользователя

Зарегистрирован: Ср фев 01, 2017 14:20:58
Сообщений: 123
Рейтинг сообщения: -1
C@at писал(а):
Да зачем вам исходник, тем более он весь на украинском языке , для учебных целей он не годится , заведет науку в тупик....
Тут главное идея, идея в статье описана русским языком.
А остальное, пути реализации,
эт уже дело техники, и варианты осуществления этих путей - куча

Уважаемый
Код:
C@at
!
Исходники не нужны. Но нужно растлумачить, как работает два канала?
например: 1 - измерение 0 - 9.99 В, 2 - измерение 10,0 - 99.9 В
Немного не понимаю, как защитить канал первый канал, от перенапряжения, если вход один?
Понимаю одно: обрабатываем канал 1 n раз, обрабатываем канал 2 n раз, выводим результаты по двум каналам. Но меня мучает вопрос:
Напряжение до 10 В, значит канал 1, а напряжение > 10В, значит канал 2. Предделители разные. Как перейти на второй канал, если напряжение превысило норму?
Отключить лапу микроконтроллера канала 1? Просто не проверять АЦП на канале 1?
Что еще не сказал не знаю. Может уже вопрос и так ясен?
Подскажите пожалуйста. Мне сурс не нужен. Тем более. что я учусь на
Код:
C
, у вас кажется на бейсике. И, кстати, українска мова - моя рідна. Я проходив службу в армії в часи радянського союзу. І навіть там розмовляв українською.

На нашем форуме все общаются на Русском языке. FAKIR.

Спасибо огромное.
Простите, если что!


Вернуться наверх
 
Не в сети
 Заголовок сообщения: Re: Вольтметр-амперметр-ваттметр, «ДЖИН»V1.0
СообщениеДобавлено: Ср фев 15, 2017 10:41:04 
Встал на лапы
Аватар пользователя

Зарегистрирован: Ср фев 01, 2017 14:20:58
Сообщений: 123
Рейтинг сообщения: 0
Всем привет!
Извините, пожалуйста, за язык. Что то не так пошло.
Все таки, вопрос в силе остается.
Можете дать ответ?
Напишите, пожалуйста. Потому, что я вижу, что этот форум живет своей жизнью, как некоторые уже остыли несколько лет тому.
Поэтому и обращаюсь с просьбой.
Человек стремиться к науке - это очень хорошо!
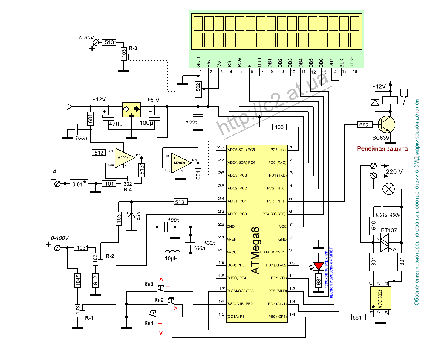
Ну так вот, даже на схеме, которую мы обговариваем http://radiokot.ru/circuit/digital/measure/68/01.gif, вход один, а расделений на каналы, 2. Неужели все делает стабилитрон на 8.2В? А если он сгорает? ведь мы подаем до 100 В на канал!. Внизу по схеме у нас резисторы гасят напряжение, а вверху - ? Или зачем думать сгорит или не сгорит?
Как работать должна программа в этом случае?
Код:
Если напряжение < 10В - первый канал АЦП
иначе - второй канал АЦП

Правильно я понимаю?
Если правильно, то есть еще вопрос:
теория говорит о расчете простого делителя наряжения, здесь не совсем простой. Как на этой схеме расчитывалась формула вывода на LCD?
Приведу свой пример, где на схеме простой делитель из сопротивлений 30 и 1.6 кОм - это для измерения напряжения:
Код:
#define U_REF 5.12
#define ADC_MAX 1023
#define COEFFICIENT ( float )( U_REF / ( ADC_MAX + 1 ) )
#define DIVIDER_U_R1 30 // kOhm
#define DIVIDER_U_R2 ( float )1.6 // kOhm
#define DIVIDER_I_R1 3 // kOhm
#define DIVIDER_I_R2 1.5 // kOhm
#define GAIN_U ( float ) ( ( DIVIDER_U_R1 + DIVIDER_U_R2 ) / DIVIDER_U_R2 ) // Gain voltages for voltage measurement
#define GAIN_I ( float )( 1 + DIVIDER_I_R1 / DIVIDER_I_R2 ) // Gain voltage for current measurement
// This relationship of formulas
// ADC_MAX = 1024 * U_MAX / U_REF = 1023; U_MAX = 1023 * U_REF / 1024 => ADC = 1024 * U_measurement / U_REF; U_measurement Є [ 0 .. U_MAX ]
#define REAL_COEFFICIENT_VOLTAGE ( float )( COEFFICIENT * GAIN_U ) // = 0,09875 - Dependence on resistive voltage divider
#define REAL_COEFFICIENT_CURRENT ( float )( COEFFICIENT / GAIN_I ) // ~=0.0050049 R = U / I, 1A = 0.1V, So we have to measure up to 50A

Здесь есть приатачен рисунок делителя
Этот код я описал сам, исходя из всякой разной теории, которую нашел в просторах. Может гдето неточности? Про float не нужно, знаю...
Вывод на экран получаем формулу: ADC * REAL_COEFFICIENT_VOLTAGE = значение в вольтах.
Но есть сложные схемы - с гальванической развязкой. Да и эта схема уже не простая.
Как в вашей схеме работает программа по отношению к резистивному делителю?


Вложения:
resistive_divider.jpg [18.95 KiB]
Скачиваний: 1014
Вернуться наверх
 
Не в сети
 Заголовок сообщения: Re: Вольтметр-амперметр-ваттметр, «ДЖИН»V1.0
СообщениеДобавлено: Ср фев 15, 2017 23:08:19 
Встал на лапы
Аватар пользователя

Зарегистрирован: Ср фев 01, 2017 14:20:58
Сообщений: 123
Рейтинг сообщения: 0
Спасибо!
Не сержусь, что не ответили.
Извините, если обидел.
Мне ответили на другом форуме. Там тоже форум работает.
Вот ответ:
Да ясен вопрос и понятен. Просто Вы запутались в трех соснах…. Я не буду полностью все расписывать, т.к. возможно еще больше запутаетесь. Напишу лишь то, что Вам неясно.
1. Оба канала подпираются стабилитронами 5.6в. Т.е. когда на входе 100в, напряжение на меньшем входе АЦП в любом случае не превысит пять вольт. Токи там маленькие, хотите посчитайте. Просто. Закон Ома.
2. Переход также очень прост. В большую сторону – когда значение на НИЖНЕМ диапазоне превысит 999 (9.99в), в меньшую сторону, когда это же значение станет меньшим 999. Т.е. до 999 включительно – светим данные с нижнего диапазона, 1000 и выше – с верхнего. Выше тысячи у нас правда остается только 24 значения – но нам этого вполне хватает.
3. Переключение диапазонов штука весьма условная. На самом деле разумеется никто ничего никуда не переключает. Просто параллельно производятся измерения ОБОИХ каналов. Разумеется значения куда-то складируются, усредняются. А под переключением подразумевается выбор ЧТО ИМЕННО светить. Как – см. п.2.

Пока все. Вопрос снимается.
Всем удачи!


Вернуться наверх
 
Не в сети
 Заголовок сообщения: Re: Вольтметр-амперметр-ваттметр, «ДЖИН»V1.0
СообщениеДобавлено: Сб июн 17, 2017 10:29:37 
Родился

Зарегистрирован: Сб июн 17, 2017 10:22:37
Сообщений: 4
Рейтинг сообщения: 0
Прошил данной прошивкой и записал фьзы. Не работает.
Подскажите какие фьзы надо выставить для синапрог, или для авр дудке-прямые или инверсные.


Вернуться наверх
 
Не в сети
 Заголовок сообщения: Re: Вольтметр-амперметр-ваттметр, «ДЖИН»V1.0
СообщениеДобавлено: Вт авг 15, 2017 14:17:41 
Родился

Зарегистрирован: Вт авг 15, 2017 13:59:10
Сообщений: 5
Рейтинг сообщения: 0
Всем доброго времени суток, собрал джин1, прошил v1.1 мегу8 (TQFP32) все отлично, меняю прошивку на 1.2 - проблема, после прошивки на экране прямоугольники, ладно, беру вторую и после прошивки вижу тоже самое. Перепробовал все 3 версии прошивок, шить пробовал разными прогерами, разным софтом, результат один...
Изображение
имея в распоряжении 4шт атмега8 (2шт DIP28 и 2шт TQFP32 ) только одна DIP28 заработала. Уважаемые форумчане, может кто подскажет в чем может быть проблема?


Вернуться наверх
 
Не в сети
 Заголовок сообщения: Re: Вольтметр-амперметр-ваттметр, «ДЖИН»V1.0
СообщениеДобавлено: Вт авг 15, 2017 19:50:19 
Потрогал лапой паяльник

Карма: 2
Рейтинг сообщений: 21
Зарегистрирован: Пн май 04, 2009 14:39:47
Сообщений: 303
Откуда: Россия г. Москва
Рейтинг сообщения: 0
Так светит индикатор если подать на него только питание и отрегулировать контрастность. У Вас или нарушены соединения МК с индикатором, или МК не прошивается, или у МК нет генерации (кварц там или фузы.)


Вернуться наверх
 
Не в сети
 Заголовок сообщения: Re: Вольтметр-амперметр-ваттметр, «ДЖИН»V1.0
СообщениеДобавлено: Вт авг 15, 2017 21:13:38 
Родился

Зарегистрирован: Вт авг 15, 2017 13:59:10
Сообщений: 5
Рейтинг сообщения: 0
У Вас или нарушены соединения МК с индикатором,
или МК не прошивается, или у МК нет генерации (кварц там или фузы.)

1) Соединения в норме, 1 из 4 МК работает отлично
2) МК все прошиваются и проходят верификацию
3) если у МК нет генерации, на сколько я знаю, он бы без подвеса внешнего кварца не определялся прогером, но все в норме

Вы знаете как проверить сам МК после прошивки на генерацию уже на плате? осцила под рукой нет... есть тестер с частотомером


Вернуться наверх
 
Не в сети
 Заголовок сообщения: Re: Вольтметр-амперметр-ваттметр, «ДЖИН»V1.0
СообщениеДобавлено: Ср авг 16, 2017 22:38:15 
Потрогал лапой паяльник

Карма: 2
Рейтинг сообщений: 21
Зарегистрирован: Пн май 04, 2009 14:39:47
Сообщений: 303
Откуда: Россия г. Москва
Рейтинг сообщения: 0
Про генерацию я в общем, раз схема без кварца состояние МК можно определить по его работоспособности. Если МК не спаленный, прошивка рабочая, ошибок при программировании
не было и индикатор подключен правильно, то должно выводиться что положено, а не квадратики.


Вернуться наверх
 
Не в сети
 Заголовок сообщения: Re: Вольтметр-амперметр-ваттметр, «ДЖИН»V1.0
СообщениеДобавлено: Пт авг 18, 2017 14:13:51 
Родился

Зарегистрирован: Вт авг 15, 2017 13:59:10
Сообщений: 5
Рейтинг сообщения: 0
то должно выводиться что положено, а не квадратики.


Логично, это я и сам знаю, а по делу что скажете?


Вернуться наверх
 
Не в сети
 Заголовок сообщения: Re: Вольтметр-амперметр-ваттметр, «ДЖИН»V1.0
СообщениеДобавлено: Ср сен 06, 2017 11:59:55 
Первый раз сказал Мяу!

Зарегистрирован: Ср апр 27, 2016 18:27:27
Сообщений: 33
Откуда: Донецк
Рейтинг сообщения: 0
Там где написано Shim подключается нагрузка, там где U - напряжение для этой нагрузки, там где VоltMeter1 - первый вольтметр (с амперметром), там где VоltMeter2 - второй вольтметр (без амперметра), там где Zaschita - контакты реле. Они размыкаются, если превышен ток защиты. Питание схемы Вы уже нашли. Думаю разберетесь


Подскажите пожалуйста плату надо зеркалить.И ещё вопрос зачем стоит Мос3052 ВТ137 на схеме этого узла нет.


Вернуться наверх
 
Не в сети
 Заголовок сообщения: Re: Вольтметр-амперметр-ваттметр, «ДЖИН»V1.0
СообщениеДобавлено: Ср сен 06, 2017 16:19:46 
Мучитель микросхем
Аватар пользователя

Карма: 3
Рейтинг сообщений: 32
Зарегистрирован: Ср апр 25, 2012 22:27:46
Сообщений: 463
Откуда: Донецк
Рейтинг сообщения: 0
Плату зеркалить не надо. Оптрон и симистор - для управление нагрузкой с помощью ШИМа


Вернуться наверх
 
Показать сообщения за:  Сортировать по:  Вернуться наверх
Начать новую тему Ответить на тему  [ Сообщений: 385 ]     ... , , , 15, , , ...  

Часовой пояс: UTC + 3 часа


Кто сейчас на форуме

Сейчас этот форум просматривают: нет зарегистрированных пользователей и гости: 57


Вы не можете начинать темы
Вы не можете отвечать на сообщения
Вы не можете редактировать свои сообщения
Вы не можете удалять свои сообщения
Вы не можете добавлять вложения

Найти:
Перейти:  


Powered by phpBB © 2000, 2002, 2005, 2007 phpBB Group
Русская поддержка phpBB
Extended by Karma MOD © 2007—2012 m157y
Extended by Topic Tags MOD © 2012 m157y