Например TDA7294

Форум РадиоКот • Просмотр темы - Эмулятор ключей домофонов «Цифрал», «Метаком» и «Даллас»
Форум РадиоКот
Здесь можно немножко помяукать :)

Текущее время: Сб ноя 22, 2025 05:33:09

Часовой пояс: UTC + 3 часа


ПРЯМО СЕЙЧАС:



Начать новую тему Ответить на тему  [ Сообщений: 1689 ]     ... , , , 83, ,  
Автор Сообщение
Не в сети
 Заголовок сообщения: Re: Эмулятор ключей домофонов «Цифрал», «Метаком» и «Даллас»
СообщениеДобавлено: Вт апр 30, 2019 18:47:12 
Вымогатель припоя
Аватар пользователя

Карма: 6
Рейтинг сообщений: 72
Зарегистрирован: Вт ноя 08, 2011 21:13:41
Сообщений: 562
Откуда: Светлоград Ставропольский край
Рейтинг сообщения: 0
ну с нуля, чисто на esp8266 например наколхозить

В сети полно проектор RFID на Arduino. Можете перенести их на ESP8266 и будет вам счастье.Но только эта платформа очень скромная по характеристикам и что-то действительно работающее сделать не получится по причине ущербности памяти.

Добавлено after 2 minutes 11 seconds:
Автор пропал предположительно в Украине.

Не стоит распространять непроверенную информацию. Автор живёт также как и ранее в своём городе и никуда не пропадал.


Вернуться наверх
 
Не в сети
 Заголовок сообщения: Re: Эмулятор ключей домофонов «Цифрал», «Метаком» и «Даллас»
СообщениеДобавлено: Вт апр 30, 2019 21:29:00 
Сверлит текстолит когтями
Аватар пользователя

Карма: 11
Рейтинг сообщений: 91
Зарегистрирован: Сб ноя 16, 2013 16:23:02
Сообщений: 1150
Откуда: Fe-City (46)
Рейтинг сообщения: 0
Прошу прощения за глупые выводы... Зашелбы та сюда бы, поздоровался...

_________________
СпойлерБороться и искать, найти и перепрятать...


Вернуться наверх
 
Не в сети
 Заголовок сообщения: Re: Эмулятор ключей домофонов «Цифрал», «Метаком» и «Даллас»
СообщениеДобавлено: Ср май 01, 2019 04:45:33 
Родился
Аватар пользователя

Зарегистрирован: Вт апр 30, 2019 12:45:29
Сообщений: 7
Откуда: Лузервиль
Рейтинг сообщения: 0
Память можно взять например Fram на самсунговских картриджах чипы на ней сделаны.. памяти хватит.. как бы переносить с чего начать на другую платформу..


Вернуться наверх
 
Не в сети
 Заголовок сообщения: Re: Эмулятор ключей домофонов «Цифрал», «Метаком» и «Даллас»
СообщениеДобавлено: Ср май 01, 2019 17:49:33 
Родился

Зарегистрирован: Ср май 01, 2019 17:45:29
Сообщений: 6
Рейтинг сообщения: 0
Всем привет. Прошу тапками не пинать,но можете скинуть плату легкую для повторения?(много уж их). И что с переодическим слетанием прошивки. это лечиться?


Вернуться наверх
 
Эиком - электронные компоненты и радиодетали
Не в сети
 Заголовок сообщения: Re: Эмулятор ключей домофонов «Цифрал», «Метаком» и «Даллас»
СообщениеДобавлено: Пт май 03, 2019 14:05:37 
Родился
Аватар пользователя

Зарегистрирован: Вт апр 30, 2019 12:45:29
Сообщений: 7
Откуда: Лузервиль
Рейтинг сообщения: 0
Итак долгие поиски более удобной для намеченого проекта платформы привели меня к чипу Nrf51822 под него и в ардуино IDE есть варики покодить и зуб с первого до последнего на кристале и вычеслительные мощьности отличные и потребление микроскопическое.. заказал жду... господа что можете сказать по данной микрушке? там норм всё для задумки или как обычно кучу програматоров паять милиарды бутлоадеров перебирать чтобы в итоге понять что оно не годится?


Вернуться наверх
 
Не в сети
 Заголовок сообщения: Re: Эмулятор ключей домофонов «Цифрал», «Метаком» и «Даллас»
СообщениеДобавлено: Сб май 04, 2019 14:06:03 
Родился

Зарегистрирован: Ср май 01, 2019 17:45:29
Сообщений: 6
Рейтинг сообщения: 0
Jeri, Привет,есть какие-либо отличия функционала от печатки кластера?)


Вернуться наверх
 
Не в сети
 Заголовок сообщения: Re: Эмулятор ключей домофонов «Цифрал», «Метаком» и «Даллас»
СообщениеДобавлено: Сб май 04, 2019 14:24:14 
Потрогал лапой паяльник

Карма: 6
Рейтинг сообщений: 84
Зарегистрирован: Ср сен 09, 2015 09:39:12
Сообщений: 334
Рейтинг сообщения: 0
Jeri, Привет,есть какие-либо отличия функционала от печатки кластера?)

функционал тот же, в прошивке ничего не менял, отличие печатки заключается в присутствии высокоэффективного контроллера заряда\разряда, поскольку использовал для питания литиевый аккум, а для подзарядки солнечный элемент.
по результатам испытания могу сказать, что для хорошей энергоэффективности надо отказываться от светодиодных индикаторов в пользу ЖК экрана и жутко прожорливой atmega8 в сторону более экономичных МК.


Вернуться наверх
 
Не в сети
 Заголовок сообщения: Re: Эмулятор ключей домофонов «Цифрал», «Метаком» и «Даллас»
СообщениеДобавлено: Вс май 05, 2019 16:29:06 
Открыл глаза

Карма: 1
Рейтинг сообщений: 9
Зарегистрирован: Вт фев 07, 2017 05:38:57
Сообщений: 67
Рейтинг сообщения: 0
И еще раз доброго времени суток.
Немного выше я жаловался, что не эмулируется ключ даллас.
Прочел внимательнее описание к софту и понял, что ключ даллас НЕ выйдет наружу, т.к. соблюдается полный протокол обмена, а это OneWire. Эмулято ждет команду от домофона...
Другими словами на этом устройстве ключи-вездеходы НЕ РАБОТАЮТ т.к. они в формате даллас. И для них требуется только болванка ну или собственноручно написанный софт, который будет выдавать ключ наружу как будто это цифрал или метаком.
Подскажите пожалуйста, я все правильно понял? Не терзать больше устройство? :)

Вездеходы (в формате даллас) отлично работают, весь протокол обмена между эмулятором и домофоном соблюден, но это если даллас ключ вы скармливаете домофону, работающему с далласами.
Вы же пытаетесь (как я понял) даллас скормить домофону с цифралами, естестенно реакции не будет.
Кодировать (даллас-цифрал-метаком) форматы эмулятор не умеет, также не забываем, что некоторые домофоны работают с 2 форматами (цифрал и даллас) или только с одним из этих форматов.

Добавлено after 14 minutes 13 seconds:
Всем привет. Прошу тапками не пинать,но можете скинуть плату легкую для повторения?(много уж их). И что с переодическим слетанием прошивки. это лечиться?

Такая подойдет? С боку сразу выведен разъем под usb asp программатор и разъем для ПК. Если кому интересен девайс, но есть трудности изготовления, есть готовые платы заводского изготовления, есть полностью спаянные. Обращайтесь если нужно baikovv84@mail.ru
По поводу слета прошивки никто же не отписывается, может пользуются редко, у меня эмулятором пользуется жена каждый день по роду профессии, так у нее бывает, причину я не нашел, может у других все нормально, отпишитесь кто часто пользуется еще, если есть такие?

Добавлено after 30 minutes 30 seconds:
Jeri, Привет,есть какие-либо отличия функционала от печатки кластера?)

От клайстера собирал, только без контроллеров заряда и прочего. Работал как и описывалось, но до полевых испытаний не дошло, так как эмулятор в статье оправдал все ожидания и более удобен в пользовании. Если коротко: Минусы - от клайстера хранит 16 (если не ошибаюсь) ключей. Всего одна кнопка - не удобно при выборе ключа (иногда бесит когда одна кнопка в устройстве с разной периодичностью нажатия выполняет разные функции, да еще при всяких разных условиях - подключен к ПК, при включении и т.д.). Плюсы - малая обвязка МК. Есть не плохая и удобная прога для ПК. Коннект с ПК сразу без переходников uart (встроен). Под вопросом: актуален ли сейчас и открывает ли разные панели??? Как вывод 3 в 1 лучше по моему мнению.

Добавлено after 3 minutes 11 seconds:
Автор пропал предположительно в Украине.
Не стоит распространять непроверенную информацию. Автор живёт также как и ранее в своём городе и никуда не пропадал.

У вас есть с ним связь? Почему бы ему не заглянуть на сайт??? Петр555 ранее тут печальные вести писал.


Вложения:
3in1.lay6 [68.57 KiB]
Скачиваний: 552

_________________
Набор плат для сборки uRLC v1.35
Вернуться наверх
 
Не в сети
 Заголовок сообщения: Re: Эмулятор ключей домофонов «Цифрал», «Метаком» и «Даллас»
СообщениеДобавлено: Пн май 06, 2019 15:42:00 
Родился

Зарегистрирован: Ср май 01, 2019 17:45:29
Сообщений: 6
Рейтинг сообщения: 0
baikovv84, уже платки кластера с китая едут) буквально только что скинули. На счёт функционала его платы позже тут же отпишусь,т.к планируется повседневное пользование. Хотел сам 3в1 повторить,но переманило что на гитхабе исходиники и можно допиливать/изменять функционал. А так за сколько примерно готовый 3в1 готовы переслать?).


Вернуться наверх
 
Не в сети
 Заголовок сообщения: Re: Эмулятор ключей домофонов «Цифрал», «Метаком» и «Даллас»
СообщениеДобавлено: Пн май 06, 2019 15:45:49 
Сверлит текстолит когтями
Аватар пользователя

Карма: 11
Рейтинг сообщений: 91
Зарегистрирован: Сб ноя 16, 2013 16:23:02
Сообщений: 1150
Откуда: Fe-City (46)
Рейтинг сообщения: 0
Где посмотреть конструкцию кластера?

_________________
СпойлерБороться и искать, найти и перепрятать...


Вернуться наверх
 
Не в сети
 Заголовок сообщения: Re: Эмулятор ключей домофонов «Цифрал», «Метаком» и «Даллас»
СообщениеДобавлено: Пн май 06, 2019 17:09:56 
Открыл глаза

Карма: 1
Рейтинг сообщений: 9
Зарегистрирован: Вт фев 07, 2017 05:38:57
Сообщений: 67
Рейтинг сообщения: 0
baikovv84, уже платки кластера с китая едут) буквально только что скинули. На счёт функционала его платы позже тут же отпишусь,т.к планируется повседневное пользование. Хотел сам 3в1 повторить,но переманило что на гитхабе исходиники и можно допиливать/изменять функционал. А так за сколько примерно готовый 3в1 готовы переслать?).

Можно лично обговорить через почту, у меня порядка 10ти завалялось полностью спаянных на плату и прошитых. Естественно цена будет приемлимая и адекватная ежели травить и паять самому с нуля

Добавлено after 51 second:
Где посмотреть конструкцию кластера?

https://github.com/ClusterM/ibutton
и еще
https://habr.com/ru/post/229843/

_________________
Набор плат для сборки uRLC v1.35


Вернуться наверх
 
Не в сети
 Заголовок сообщения: Re: Эмулятор ключей домофонов «Цифрал», «Метаком» и «Даллас»
СообщениеДобавлено: Чт июн 06, 2019 15:08:45 
Открыл глаза

Карма: 1
Рейтинг сообщений: 9
Зарегистрирован: Вт фев 07, 2017 05:38:57
Сообщений: 67
Рейтинг сообщения: 0
Ну что, собрал кто-нибудь проект от Клайстера???
Отпишитесь о работе устройства

_________________
Набор плат для сборки uRLC v1.35


Вернуться наверх
 
Не в сети
 Заголовок сообщения: Re: Эмулятор ключей домофонов «Цифрал», «Метаком» и «Даллас»
СообщениеДобавлено: Пт июн 07, 2019 13:28:35 
Потрогал лапой паяльник

Карма: 6
Рейтинг сообщений: 84
Зарегистрирован: Ср сен 09, 2015 09:39:12
Сообщений: 334
Рейтинг сообщения: 0
Ну что, собрал кто-нибудь проект от Клайстера???
Отпишитесь о работе устройства

Работает нормально, для малоемких аккумов слишком много жрет


Вернуться наверх
 
Не в сети
 Заголовок сообщения: Re: Эмулятор ключей домофонов «Цифрал», «Метаком» и «Даллас»
СообщениеДобавлено: Пт июн 07, 2019 17:48:57 
Открыл глаза

Карма: 1
Рейтинг сообщений: 9
Зарегистрирован: Вт фев 07, 2017 05:38:57
Сообщений: 67
Рейтинг сообщения: 0
Работает нормально, для малоемких аккумов слишком много жрет

Можно поподробнее: какие панели открывает или какие протоколы и как (если вы в теме) нормально эмулирует.
Как в плане стабильности, коннекте и работе на ПК и вообще удобности использования.
Пока понял только на счет энергопотребления что многовато. А сколько не измеряли?

_________________
Набор плат для сборки uRLC v1.35


Вернуться наверх
 
Не в сети
 Заголовок сообщения: Re: Эмулятор ключей домофонов «Цифрал», «Метаком» и «Даллас»
СообщениеДобавлено: Сб июн 08, 2019 01:56:15 
Потрогал лапой паяльник

Карма: 6
Рейтинг сообщений: 84
Зарегистрирован: Ср сен 09, 2015 09:39:12
Сообщений: 334
Рейтинг сообщения: 1
Можно поподробнее: какие панели открывает или какие протоколы и как (если вы в теме) нормально эмулирует.
Как в плане стабильности, коннекте и работе на ПК и вообще удобности использования.
Пока понял только на счет энергопотребления что многовато. А сколько не измеряли?

проверял на Cyfral и Metacom, проблем не было
замеры потребления выкладывал ранее https://radiokot.ru/forum/viewtopic.php ... 4#p3168914
коннект к пк так же проблем не было, удобно как считывать, так и заносить в память ключи, в прошивку можно самостоятельно заносить\редактировать список "ключей-вездеходов", через клиента это сделать невозможно.


Вернуться наверх
 
Не в сети
 Заголовок сообщения: Re: Эмулятор ключей домофонов «Цифрал», «Метаком» и «Даллас»
СообщениеДобавлено: Вт июл 02, 2019 09:05:32 
Родился

Зарегистрирован: Ср май 01, 2019 17:45:29
Сообщений: 6
Рейтинг сообщения: 0
Работает нормально, для малоемких аккумов слишком много жрет

Можно поподробнее: какие панели открывает или какие протоколы и как (если вы в теме) нормально эмулирует.
Как в плане стабильности, коннекте и работе на ПК и вообще удобности использования.
Пока понял только на счет энергопотребления что многовато. А сколько не измеряли?

Cобрал,вполне рабочее устройство даллас и метаком открывает всегда. Записал свои ключи. Вместо батареек хочу поставить литий мелкий.Если надо могу скинуть фото.Понравилось что можно прошить камень сразу в платке+есть среда работы с пк.


Вернуться наверх
 
Не в сети
 Заголовок сообщения: Re: Эмулятор ключей домофонов «Цифрал», «Метаком» и «Даллас»
СообщениеДобавлено: Вс сен 08, 2019 09:40:52 
Родился

Зарегистрирован: Вс сен 08, 2019 09:30:19
Сообщений: 2
Рейтинг сообщения: 0
терминал не видит плату. подключился через ch340 адаптер. дрова стоят, порт настроен 9600 и т.д. Win7. может кто-то че-то подскажет...


Вложения:
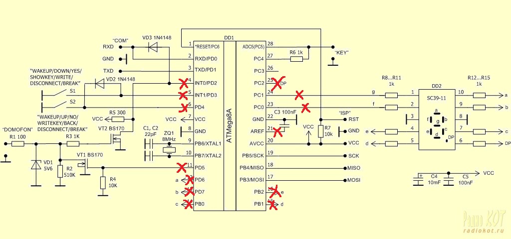
Комментарий к файлу: нужно только работа с ноутом. такая схема будет работать?
01.jpg [109.1 KiB]
Скачиваний: 571
Вернуться наверх
 
Не в сети
 Заголовок сообщения: Re: Эмулятор ключей домофонов «Цифрал», «Метаком» и «Даллас»
СообщениеДобавлено: Пн сен 09, 2019 19:02:50 
Родился

Зарегистрирован: Вс сен 08, 2019 09:30:19
Сообщений: 2
Рейтинг сообщения: 0
НЕ РАБОТАЕТ!!! собрал схему. написал свою прогу общения по сом порту=работает. а с прошивками автора (любыми) с пк не работает! у меня Win7


Вернуться наверх
 
Не в сети
 Заголовок сообщения: Re: Эмулятор ключей домофонов «Цифрал», «Метаком» и «Даллас»
СообщениеДобавлено: Пт окт 04, 2019 12:25:53 
Родился
Аватар пользователя

Зарегистрирован: Чт дек 08, 2016 16:40:36
Сообщений: 2
Откуда: Московская область
Рейтинг сообщения: 0
Я такой собрал с безкрайних страниц форума
Изображение


Вернуться наверх
 
Не в сети
 Заголовок сообщения: Re: Эмулятор ключей домофонов «Цифрал», «Метаком» и «Даллас»
СообщениеДобавлено: Вт окт 08, 2019 12:25:25 
Открыл глаза

Карма: 1
Рейтинг сообщений: 9
Зарегистрирован: Вт фев 07, 2017 05:38:57
Сообщений: 67
Рейтинг сообщения: 0
boyzedboy, а есть еще фото как внутри и чем питается ваш вариант?

_________________
Набор плат для сборки uRLC v1.35


Вернуться наверх
 
Показать сообщения за:  Сортировать по:  Вернуться наверх
Начать новую тему Ответить на тему  [ Сообщений: 1689 ]     ... , , , 83, ,  

Часовой пояс: UTC + 3 часа


Кто сейчас на форуме

Сейчас этот форум просматривают: нет зарегистрированных пользователей и гости: 31


Вы не можете начинать темы
Вы не можете отвечать на сообщения
Вы не можете редактировать свои сообщения
Вы не можете удалять свои сообщения
Вы не можете добавлять вложения

Найти:
Перейти:  


Powered by phpBB © 2000, 2002, 2005, 2007 phpBB Group
Русская поддержка phpBB
Extended by Karma MOD © 2007—2012 m157y
Extended by Topic Tags MOD © 2012 m157y