Например TDA7294

Форум РадиоКот • Просмотр темы - Простой FM приемник с часами и будильником
Форум РадиоКот
Здесь можно немножко помяукать :)

Текущее время: Ср дек 03, 2025 03:27:58

Часовой пояс: UTC + 3 часа


ПРЯМО СЕЙЧАС:



Начать новую тему Ответить на тему  [ Сообщений: 389 ]     ... , , , 6, , , ...  
Автор Сообщение
Не в сети
 Заголовок сообщения: Re: Простой FM приемник с часами и будильником
СообщениеДобавлено: Пт янв 09, 2015 23:04:46 
Нашел транзистор. Понюхал.
Аватар пользователя

Карма: 1
Рейтинг сообщений: 12
Зарегистрирован: Пн мар 22, 2010 20:00:55
Сообщений: 189
Откуда: Новосибирск
Рейтинг сообщения: 0
dt_andrew писал(а):
Китайцы блин вместо заказанных 5807Р прислали 5807М, просто по опыту с М много брака - шипят и не работают

Доброго времени суток всем!
тоже получил на днях посылку, а в ней модуль на 5807M. Полез искать информацию о нем, да наткнулся на эту тему. Андрей, если я верно понял, Вы тоже получили недавно посылку? По опыту пишите, что много брака (это печалит). А как с последней партией? Не проверяли? Я что то переживаю. Не хотелось бы потерять много времени из за бракованного модуля.

_________________
Продолжение ЗУ по мотивам уважаемого Слона этой ветки.


Вернуться наверх
 
Не в сети
 Заголовок сообщения: Re: Простой FM приемник с часами и будильником
СообщениеДобавлено: Сб янв 10, 2015 04:37:51 
Мявтор!
Аватар пользователя

Карма: 16
Рейтинг сообщений: 43
Зарегистрирован: Чт ноя 30, 2006 12:27:46
Сообщений: 2057
Откуда: Челябинск
Рейтинг сообщения: 0
Медали: 1
Получил миской по аватаре (1)
Нет, последнюю партию не проверял
я проверяю так, есть у меня платка модуля (см вложение)
сделана специально так, чтоб если что можно легко снять модуль
(подсовываем бритвочку под модуль и аккуратно освобождаем контакты и снимаем, ставим следующий
проверяю на ардуино, для этого есть скетч

так или иначе проверять то все одно придется
так лучше собрать маленькую тестовую платку чем весь проект
скетч для ардуино пришлю если надо

или можно побыстрому написать маленькую прошивку с настройкой на одну станцию без дисплея и прочего - просто соеденил включил - поет не поет
единственое я должен знать частоту станции
я у себя проверяю на 101.2 Мгц


Вложения:
rda5807m.rar [11.94 KiB]
Скачиваний: 380
Вернуться наверх
 
Не в сети
 Заголовок сообщения: Re: Простой FM приемник с часами и будильником
СообщениеДобавлено: Сб янв 10, 2015 12:26:20 
Нашел транзистор. Понюхал.
Аватар пользователя

Карма: 1
Рейтинг сообщений: 12
Зарегистрирован: Пн мар 22, 2010 20:00:55
Сообщений: 189
Откуда: Новосибирск
Рейтинг сообщения: 0
Спасибо Вам за ответ! Нет, написать я и сам могу (просто переписать свой уже имеющийся проект на TEA5767, только пока не совсем разобрался в новшествах 5807). Просто хотел услышать что то обнадёживающее, типа браку стало меньше, или проблема была в чем то другом.

Кстати, на бракованных модулях не пробовали менять кварц 32.768? Вот среди них как раз много брака! Я тут покупал как то 5 таких кварцев для DS1307, так вот завелось всего 3.

_________________
Продолжение ЗУ по мотивам уважаемого Слона этой ветки.


Вернуться наверх
 
Не в сети
 Заголовок сообщения: Re: Простой FM приемник с часами и будильником
СообщениеДобавлено: Сб янв 10, 2015 12:46:22 
Мявтор!
Аватар пользователя

Карма: 16
Рейтинг сообщений: 43
Зарегистрирован: Чт ноя 30, 2006 12:27:46
Сообщений: 2057
Откуда: Челябинск
Рейтинг сообщения: 0
Медали: 1
Получил миской по аватаре (1)
скорее всего брак именно в кварцах
я пока шипящие модули откладываю для дальнейшего восстановления
писать тестовую прошивку я и не просил, я ее сам напишу, там делов то на час
главное было бы желание ей воспользоваться и отписаться потом об проверке, для использования другим ребятам

прошивка с ручной установкой почти готова, еще пару дней при хорошем раскладе
выдалась время от других проектов (надо подумать об реализации некоторых функций)
вот в качестве разгрузки мозга и делаю


Вернуться наверх
 
Эиком - электронные компоненты и радиодетали
Не в сети
 Заголовок сообщения: Re: Простой FM приемник с часами и будильником
СообщениеДобавлено: Сб янв 10, 2015 21:25:11 
Нашел транзистор. Понюхал.
Аватар пользователя

Карма: 1
Рейтинг сообщений: 12
Зарегистрирован: Пн мар 22, 2010 20:00:55
Сообщений: 189
Откуда: Новосибирск
Рейтинг сообщения: 0
В завершении своего вопроса: подключил сегодня модуль вместо TEA5767. На удивление - запело сразу, без какой либо переделки прошивки. Правда звук какой то плоский, без низов, с некоторыми искажениями. Но это уже надо разбираться в особенностях 5807, что выходит из рамок данного топика. Всем, у кого 5807 шипит, но не играет - проверьте кварц, прежде чем выбрасывать модуль или костерить братьев китайцев ))

PS. Андрей, я Вам и не предлагал свои услуги по написанию чего либо)) Вы неверное поторопились и неверно прочитали мое сообщение. Вам - удачи, и по-меньше битых модулей! :) Топику - развиваться!

_________________
Продолжение ЗУ по мотивам уважаемого Слона этой ветки.


Вернуться наверх
 
Не в сети
 Заголовок сообщения: Re: Простой FM приемник с часами и будильником
СообщениеДобавлено: Вс янв 11, 2015 04:13:06 
Мявтор!
Аватар пользователя

Карма: 16
Рейтинг сообщений: 43
Зарегистрирован: Чт ноя 30, 2006 12:27:46
Сообщений: 2057
Откуда: Челябинск
Рейтинг сообщения: 0
Медали: 1
Получил миской по аватаре (1)
он у вас запел в режиме совместимости с 5767, о чем есть упоминание в даташите
но все прелести на этом заканчиваются
в этом режиме не поддерживаются многие функции, такие как регулировка громкости, увеличение басов , усиление антенны и др
по поводу тестовой прошивки -это вы не правильно поняли
я просто предложил свои услуги, если необходимо это
ну раз не надо, но не надо

многие модули поют в режиме 5767, а в своем родном нет
я согласен, что первым делом надо менять кварц, а потом уже выкидывать
а ругать братьев китайцев надо и писать претензии им тоже.
купили вы телевизор, а вам говорят, чтоб он работал надо блок питания заменить - это как? вы же вроде рабочий телик покупали а тут конструктор получается с даработкой напильником


Вернуться наверх
 
Не в сети
 Заголовок сообщения: Re: Простой FM приемник с часами и будильником
СообщениеДобавлено: Вс янв 11, 2015 13:12:32 
Встал на лапы

Зарегистрирован: Чт ноя 01, 2012 15:02:31
Сообщений: 127
Откуда: Н.Новгород
Рейтинг сообщения: 0
alex08cb писал(а):
на днях посылку, а в ней модуль на 5807M. А как с последней партией? Не проверяли?

Получил уже в этом году два таких модуля, оба включились без вопросов, хотя и пришли от разных продавцов, специально так заказал прочитав о браке...


Вернуться наверх
 
Не в сети
 Заголовок сообщения: Re: Простой FM приемник с часами и будильником
СообщениеДобавлено: Вс янв 11, 2015 13:17:09 
Мявтор!
Аватар пользователя

Карма: 16
Рейтинг сообщений: 43
Зарегистрирован: Чт ноя 30, 2006 12:27:46
Сообщений: 2057
Откуда: Челябинск
Рейтинг сообщения: 0
Медали: 1
Получил миской по аватаре (1)
значит мне так повезло, просто сказочно повезло
из 10 - рабочие 4
желаю всем 100% работоспособности купленных модулей
жалко потраченного времени на их ожидание


Вернуться наверх
 
Не в сети
 Заголовок сообщения: Re: Простой FM приемник с часами и будильником
СообщениеДобавлено: Вс янв 11, 2015 14:16:19 
Прорезались зубы
Аватар пользователя

Карма: 1
Рейтинг сообщений: 7
Зарегистрирован: Ср ноя 10, 2010 20:25:10
Сообщений: 202
Откуда: Томск
Рейтинг сообщения: 0
http://avr-project.ru/articles.php?article_id=11


Вернуться наверх
 
Не в сети
 Заголовок сообщения: Re: Простой FM приемник с часами и будильником
СообщениеДобавлено: Пн янв 12, 2015 12:12:04 
Грызет канифоль

Карма: 3
Рейтинг сообщений: 15
Зарегистрирован: Пн окт 31, 2011 12:35:59
Сообщений: 262
Откуда: Родился в Сибири
Рейтинг сообщения: 0
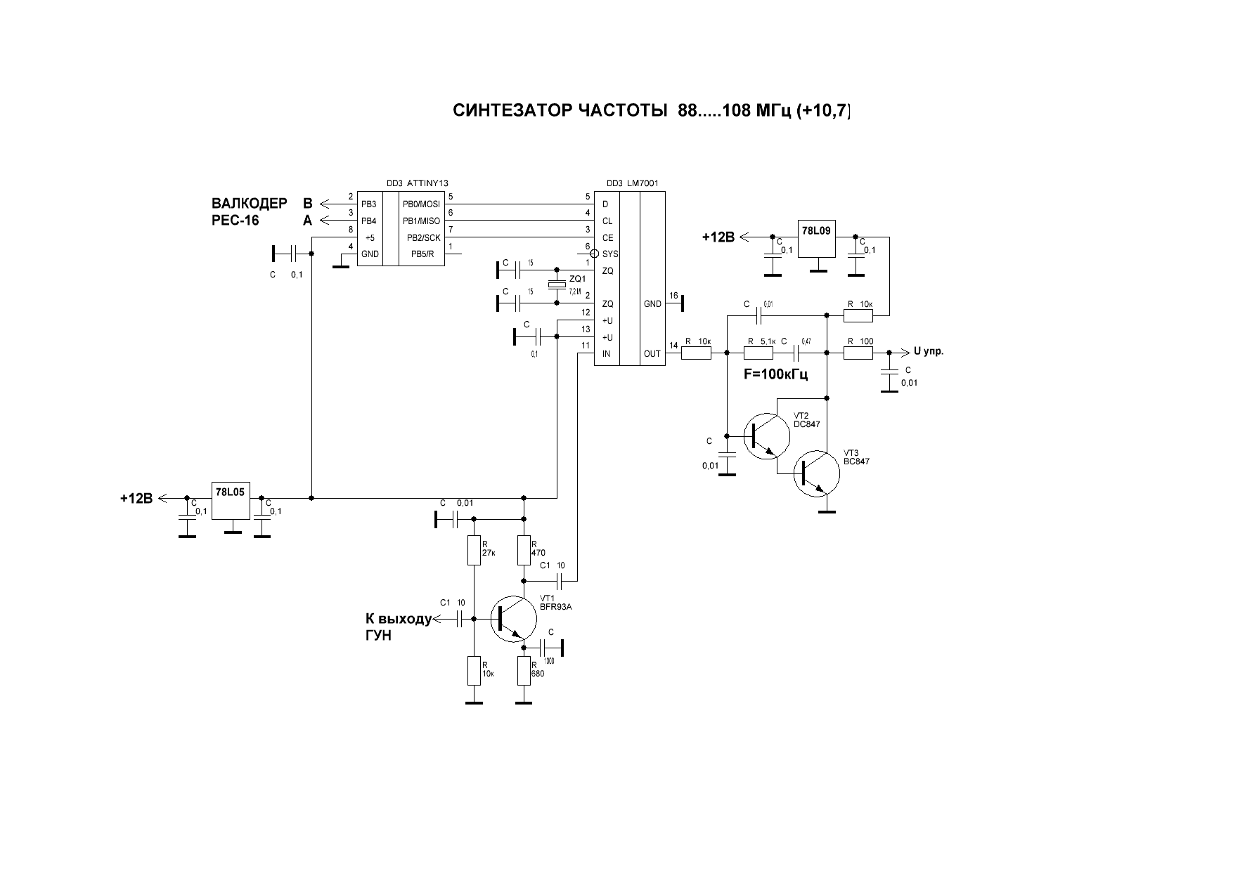
Здравствуйте dt_andrew

Хочу вернутся к теме о проверочной плате.

Есть схема (автор Lazer) на Attiny13 для LM7001.

Если взять её за основу, но вместо LM7001 применить RDA5807.

Получится примитивный приёмник с настройкой но без индикации.

Пишу по причине, что 328 мега так и не пришла, хотя прошло 3 месяца.

Печатка что-то застопорилась. Платы приёмника и часов лежат уже два месяца, а душа горит.

Возможно ли эта конструкция, если есть время, настроение и желание.

В приложении схема радиоприёмника.


Вложения:
ATTINY13+7001_88_108_100.GIF [25.9 KiB]
Скачиваний: 773
Вернуться наверх
 
Не в сети
 Заголовок сообщения: Re: Простой FM приемник с часами и будильником
СообщениеДобавлено: Пн янв 12, 2015 12:15:28 
Мявтор!
Аватар пользователя

Карма: 16
Рейтинг сообщений: 43
Зарегистрирован: Чт ноя 30, 2006 12:27:46
Сообщений: 2057
Откуда: Челябинск
Рейтинг сообщения: 0
Медали: 1
Получил миской по аватаре (1)
вы же просили приемник на меге8 - я сделал
седня завтра выложу прошивку с ручной установкой частоты
делать еще один вариант точно не буду


Вернуться наверх
 
Не в сети
 Заголовок сообщения: Re: Простой FM приемник с часами и будильником
СообщениеДобавлено: Пн янв 12, 2015 13:28:59 
Грызет канифоль

Карма: 3
Рейтинг сообщений: 15
Зарегистрирован: Пн окт 31, 2011 12:35:59
Сообщений: 262
Откуда: Родился в Сибири
Рейтинг сообщения: 0
Спасибо за внимание.

Попросил, так как Вы сами предлагали написать проверочную программу.

Просто плата как то идёт медленно, не хочется делать абы как.

Успехов.


Вернуться наверх
 
Не в сети
 Заголовок сообщения: Re: Простой FM приемник с часами и будильником
СообщениеДобавлено: Пн янв 12, 2015 13:31:03 
Мявтор!
Аватар пользователя

Карма: 16
Рейтинг сообщений: 43
Зарегистрирован: Чт ноя 30, 2006 12:27:46
Сообщений: 2057
Откуда: Челябинск
Рейтинг сообщения: 0
Медали: 1
Получил миской по аватаре (1)
так я и не отказываюсь, только никак на\е на тини13
на той же меге 8 хоть на макетке соеденяем модуль и шину И2с и все


Вернуться наверх
 
Не в сети
 Заголовок сообщения: Re: Простой FM приемник с часами и будильником
СообщениеДобавлено: Пн янв 12, 2015 14:13:55 
Грызет канифоль

Карма: 3
Рейтинг сообщений: 15
Зарегистрирован: Пн окт 31, 2011 12:35:59
Сообщений: 262
Откуда: Родился в Сибири
Рейтинг сообщения: 0
Можно и на меге 8

Так как я не специалист по МК (повторяю только готовое) если можно схему включения или зачеркнуть ненужное на старой схеме,
или на словах, или я рисую как понимаю а Вы исправляете.

Частоту настройки если можно прописывать самим при программировании.

На 101,2 у нас в городе нет радиостанции. Мне желательно на 100,9.

Если кто то будет использовать проверочную модификацию, то поставит свою частоту,
чтобы Вас не дёргать.

Появится желание то напишите, если нет, то буду продолжать рисовать плату, когда нибудь я её должен закончить.

Здоровья и успехов в новом году.


Вернуться наверх
 
Не в сети
 Заголовок сообщения: Re: Простой FM приемник с часами и будильником
СообщениеДобавлено: Пн янв 12, 2015 14:21:51 
Мявтор!
Аватар пользователя

Карма: 16
Рейтинг сообщений: 43
Зарегистрирован: Чт ноя 30, 2006 12:27:46
Сообщений: 2057
Откуда: Челябинск
Рейтинг сообщения: 1
Медали: 1
Получил миской по аватаре (1)
и схема будет и прошивка
частоту могу сделать, чтоб сами прописывали в ЕЕПРОМ
формулу расчета тоже дам, там число надо будет прописать от 0 - 210
а как еще можно прописать не трогая меня?
на днях сделаю


Вернуться наверх
 
Не в сети
 Заголовок сообщения: Re: Простой FM приемник с часами и будильником
СообщениеДобавлено: Пн янв 12, 2015 14:27:27 
Нашел транзистор. Понюхал.
Аватар пользователя

Карма: 1
Рейтинг сообщений: 12
Зарегистрирован: Пн мар 22, 2010 20:00:55
Сообщений: 189
Откуда: Новосибирск
Рейтинг сообщения: 0
не проще ли к этой упрощенной версии просто прикрутить переменный резистор, и через АЦП управлять настройкой? Не на столько это усложнит задачу, как может показаться. И это лучше, чем фиксированная частота и споры вокруг нее. В канальном режиме число, записываемое в регистр (биты CHAN), равно чуть более 2 сотен. 8 битного АЦП даже хватит, а полученное с него значение сразу отправлять в регистр 03H на место битов CHAN.

_________________
Продолжение ЗУ по мотивам уважаемого Слона этой ветки.


Вернуться наверх
 
Не в сети
 Заголовок сообщения: Re: Простой FM приемник с часами и будильником
СообщениеДобавлено: Пн янв 12, 2015 14:34:04 
Мявтор!
Аватар пользователя

Карма: 16
Рейтинг сообщений: 43
Зарегистрирован: Чт ноя 30, 2006 12:27:46
Сообщений: 2057
Откуда: Челябинск
Рейтинг сообщения: 0
Медали: 1
Получил миской по аватаре (1)
нет не проще
вы когда нибудь снимали значение с переменника на АЦП, разбег туда сюда лапоть, даже если не крутить резистор, хрен настроитесь

поэтому прошивка в ЕЕПРОМ и исходник для умеющих компилить (поправите и компильнете)
но попробую обязательно


Вернуться наверх
 
Не в сети
 Заголовок сообщения: Re: Простой FM приемник с часами и будильником
СообщениеДобавлено: Пн янв 12, 2015 14:50:03 
Нашел транзистор. Понюхал.
Аватар пользователя

Карма: 1
Рейтинг сообщений: 12
Зарегистрирован: Пн мар 22, 2010 20:00:55
Сообщений: 189
Откуда: Новосибирск
Рейтинг сообщения: 0
Не снимал, но с АЦП работал. Дрыготня ведь хорошо устраняется путем усреднения показаний. То есть код усложнится на строчку, которая будет получать значение АЦП не 1, а например 10 раз. При этом показания просто суммируются друг с другом в какой нибудь long-переменной и делятся на 10. Дрыгающийся сегмент наверняка уйдет за запятую и не будет виден. Для надежности можно делать 100 замеров. В общем, Вы не будете спорить, что это несколько лишних строчек кода, вполне банального. Вы и сложнее вещи делали :) Далее число напрямую можно загонять в CHAN. Интересно даже самому стало! Если сегодня силы останутся, обязательно попробую.

PS. Искал инфу про 5708M. Находил форумы, где Вы консультировались. Заходила даже речь о прямом вводе частоты (5708М умет это, регистр 08H). Вы ответили, что нужно пробовать, но больше в той теме про это ничего не писал. Так вот я Вам отвечаю здесь - я вчера попробовал и все прекрасно получилось! В целом, данный радиомодуль мне понравился в разы больше, чем TEA5767 - приём чище, разделение стерео лучше, шумов при этом меньше. При хорошей антенне и качестве сигнала можно легко спутать с mp3-плейером. Только вот иногда на низах проваливает, словно напряжения не хватает, но тут наверное поможет нормальный УНЧ, или другие наушники.

_________________
Продолжение ЗУ по мотивам уважаемого Слона этой ветки.


Вернуться наверх
 
Не в сети
 Заголовок сообщения: Re: Простой FM приемник с часами и будильником
СообщениеДобавлено: Пн янв 12, 2015 14:54:25 
Мявтор!
Аватар пользователя

Карма: 16
Рейтинг сообщений: 43
Зарегистрирован: Чт ноя 30, 2006 12:27:46
Сообщений: 2057
Откуда: Челябинск
Рейтинг сообщения: 0
Медали: 1
Получил миской по аватаре (1)
да модули, если они работают оч хороши
но к нашей теме, зачем так все усложнять
неужели трудно поправить в текстовом файле прошивки ЕЕПРОМ одно значение (2 символа), а затем просто прошить ЕЕПРОМ этим файлом


Вернуться наверх
 
Не в сети
 Заголовок сообщения: Re: Простой FM приемник с часами и будильником
СообщениеДобавлено: Пн янв 12, 2015 15:06:03 
Нашел транзистор. Понюхал.
Аватар пользователя

Карма: 1
Рейтинг сообщений: 12
Зарегистрирован: Пн мар 22, 2010 20:00:55
Сообщений: 189
Откуда: Новосибирск
Рейтинг сообщения: 0
Нет, не трудно. Возможно я упустил изначальное предназначение этого модуля. Если он только для отбраковки модулей, то все это конечно лишнее. Если же идет речь о самом простейшем приёмнике в мире, конечно подобный аскетизм с правкой EEPROM тоже к месту. Если же этим модулем люди будут таки пользоваться для прослушивания передач, то менять частоту перешивкой - затрундительно. Вот тут бы и пригодился переменник, как возможность перестройки модуля на другую станцию. Получается самостоятельное и простейшее устройство, без каких либо хистростей.

Конечно я ни в коем случае не хочу ничего навязывать, решать в любом случае автору. Я очень уважаю людей за то, что не умничают в моих ветках. Потому плачу тем же и не умничаю в чужих :)))
Если у кого то вдруг возникнут ко мне вопросы, то прошу в ЛС.

_________________
Продолжение ЗУ по мотивам уважаемого Слона этой ветки.


Вернуться наверх
 
Показать сообщения за:  Сортировать по:  Вернуться наверх
Начать новую тему Ответить на тему  [ Сообщений: 389 ]     ... , , , 6, , , ...  

Часовой пояс: UTC + 3 часа


Кто сейчас на форуме

Сейчас этот форум просматривают: нет зарегистрированных пользователей и гости: 27


Вы не можете начинать темы
Вы не можете отвечать на сообщения
Вы не можете редактировать свои сообщения
Вы не можете удалять свои сообщения
Вы не можете добавлять вложения

Найти:
Перейти:  


Powered by phpBB © 2000, 2002, 2005, 2007 phpBB Group
Русская поддержка phpBB
Extended by Karma MOD © 2007—2012 m157y
Extended by Topic Tags MOD © 2012 m157y