Например TDA7294

Форум РадиоКот • Просмотр темы - H-мост
Форум РадиоКот
Здесь можно немножко помяукать :)

Текущее время: Чт янв 08, 2026 00:03:45

Часовой пояс: UTC + 3 часа


ПРЯМО СЕЙЧАС:



Начать новую тему Ответить на тему  [ Сообщений: 844 ]    , , , , 5, , , ...  
Автор Сообщение
Не в сети
 Заголовок сообщения: Re: H-мост
СообщениеДобавлено: Чт янв 06, 2011 15:04:48 
Встал на лапы

Зарегистрирован: Пт дек 17, 2010 04:02:19
Сообщений: 108
Рейтинг сообщения: 0
да, я уже смирился с необходимостью брать готовый мостик
назрел другой вопрос - если взять готовый микросхемный мост например на 50 вольт и 1 ампер, можно ли навесив транзисторов вокруг получить:
50 вольт и 5 ампер (по идее вроде не сложно - те-же 973/972 + внешние диоды для их защиты)
150 вольт и 5 ампер (вот тут опять упираемся в управляющее напряжение)
у нас просто проблемы с наличием таких микросхем - есть маломощные а под высокие токи нету совсем - есть только уже собранные платы (микруха+обвязка) но за неприличные для транзистора деньги (1.5-2 тыщи)


Вернуться наверх
 
Не в сети
 Заголовок сообщения: Re: H-мост
СообщениеДобавлено: Чт янв 06, 2011 15:13:47 
Держит паяльник хвостом

Карма: 1
Рейтинг сообщений: 2
Зарегистрирован: Ср июл 07, 2010 06:48:57
Сообщений: 986
Рейтинг сообщения: 0
rukez писал(а):
назрел другой вопрос - если взять готовый микросхемный мост например на 50 вольт и 1 ампер, можно ли навесив транзисторов вокруг получить:
50 вольт и 5 ампер (по идее вроде не сложно - те-же 973/972 + внешние диоды для их защиты)
150 вольт и 5 ампер (вот тут опять упираемся в управляющее напряжение)


А зачем что-то навешивать???
Вот самая простая схема http://forum.easyelectronics.ru/viewtop ... =14&t=3101 Н-моста на биполярниках. КТ315 на ней меняем на КТ972, а КТ361 - на КТ973 и получаем 60В 4А на плечо. Цена вопроса равна цене КР1128КТ3 (даже чуть поменьше будет).


Вернуться наверх
 
Не в сети
 Заголовок сообщения: Re: H-мост
СообщениеДобавлено: Чт янв 06, 2011 20:38:54 
Вымогатель припоя
Аватар пользователя

Карма: 2
Рейтинг сообщений: 3
Зарегистрирован: Ср окт 27, 2010 10:59:48
Сообщений: 591
Откуда: г. Новосибирск
Рейтинг сообщения: 0
lix писал(а):
какая-то не правильная схема, если управляющий вход повиснет в воздухе транзисторы откроются, потечет сквозной ток. я видел схемы где между базами транзистор включен, и уже на него подается управляющий сигнал.

Не знаю, только машинки носились как угорелые и работали исправно (если только их не засаживать в траву и не выдирать потом с пульта оттуда), а главный энергетик (!) нервно сучил и ногами и руками, играя такой машинкой - видно в детстве у него такой не было... :)))

_________________
Красавец! Литра на три.


Вернуться наверх
 
Не в сети
 Заголовок сообщения: Re: H-мост
СообщениеДобавлено: Чт янв 06, 2011 21:04:47 
Встал на лапы

Зарегистрирован: Пт дек 17, 2010 04:02:19
Сообщений: 108
Рейтинг сообщения: 0
Anode_Katode писал(а):
rukez писал(а):
назрел другой вопрос - если взять готовый микросхемный мост например на 50 вольт и 1 ампер, можно ли навесив транзисторов вокруг получить:
50 вольт и 5 ампер (по идее вроде не сложно - те-же 973/972 + внешние диоды для их защиты)
150 вольт и 5 ампер (вот тут опять упираемся в управляющее напряжение)


А зачем что-то навешивать???
Вот самая простая схема http://forum.easyelectronics.ru/viewtop ... =14&t=3101 Н-моста на биполярниках. КТ315 на ней меняем на КТ972, а КТ361 - на КТ973 и получаем 60В 4А на плечо. Цена вопроса равна цене КР1128КТ3 (даже чуть поменьше будет).

спасибо большое
по ходу дела там учтены те ляпы на которые я нарвался в своей схемке
какая из схем наиболее адекватна? мне вот эта понравилась
Изображение
попробую сегодня-завтра ее распаять :beer:
правда шесть диодов не очень удобны при условии что у меня только дурбалайские 202ые кдшки под рукой есть, но зато она вроде не требует логики и не боится одновременного включения обоих плеч
вот эта схема очень понравилась (только составные транзисторы поменять на обычные 97х - им "драйвер" не нужен)
Изображение
но нету у меня под рукой логики увы :oops:


Вернуться наверх
 
Эиком - электронные компоненты и радиодетали
Не в сети
 Заголовок сообщения: Re: h- мост (Uкэ транзисторов)
СообщениеДобавлено: Ср фев 09, 2011 09:26:02 
Открыл глаза

Зарегистрирован: Пт окт 26, 2007 19:14:09
Сообщений: 44
Откуда: :-)
Рейтинг сообщения: 0
а не подскажете, возможно ли собрать подобную конструкцию на кт315\кт814?
или всю эту схему на 814, но там включить по-другому из-за другой проводимости, а дергать мостом через кт315?
в этом деле не шарю, поэтому такой глупый вопрос :))

_________________
ех... дайте веревку и мыло...


Вернуться наверх
 
Не в сети
 Заголовок сообщения: Re: h- мост (Uкэ транзисторов)
СообщениеДобавлено: Чт фев 10, 2011 20:39:50 
Открыл глаза

Зарегистрирован: Пт окт 26, 2007 19:14:09
Сообщений: 44
Откуда: :-)
Рейтинг сообщения: 0
ну блин, занатоки-профессионалы.....
ответьте!!!!! будет ли работать h-мост по http://radiokot.ru/forum/download/file.php?id=48775 этой схеме на кт814?

_________________
ех... дайте веревку и мыло...


Вернуться наверх
 
Не в сети
 Заголовок сообщения: Re: H-мост
СообщениеДобавлено: Ср апр 20, 2011 12:36:35 
Родился

Зарегистрирован: Ср апр 20, 2011 12:31:03
Сообщений: 3
Рейтинг сообщения: 0
помогите пожалуйста собрать мост на ток до 2-3 ампер. в наличии есть IRF9530, IRF630, 2n2222A, 2n5401. Управлять им нужно с контроллера ATmega


Вернуться наверх
 
Не в сети
 Заголовок сообщения: Re: H-мост
СообщениеДобавлено: Пт апр 22, 2011 13:31:09 
Поставщик валерьянки для Кота
Аватар пользователя

Карма: 3
Рейтинг сообщений: 9
Зарегистрирован: Пн июл 14, 2008 18:12:37
Сообщений: 2296
Рейтинг сообщения: 0
а как помочь ? спаять два p-канальный и два n-канальных полевика ? :)

_________________
есть вопросы ? чего-то не знаешь ? прежде всего смотри это


Вернуться наверх
 
Не в сети
 Заголовок сообщения: help!Автоматический переключатель полярности к моторчику?
СообщениеДобавлено: Сб апр 23, 2011 20:09:45 
Родился

Зарегистрирован: Сб апр 23, 2011 19:57:00
Сообщений: 1
Рейтинг сообщения: 0
Здравствуйте, подскажете пожалуйста какой переключатель полярности необходим к моторчику ( мотор-редуктор Tamiya 70097 •Номинальное напряжение: 3-5 В
) .для переключения (реверса) стороны вращения.В идеале =Необходимо чтобы менял (полярность) вращения при каждом последуищем подключении питания.Спасибо



Сюда перенес.
Тему с начала читайте.


aen


Вернуться наверх
 
Не в сети
 Заголовок сообщения: Re: help!Автоматический переключатель полярности к моторчи
СообщениеДобавлено: Сб апр 23, 2011 20:21:34 
Встал на лапы
Аватар пользователя

Зарегистрирован: Сб мар 01, 2008 12:27:44
Сообщений: 95
Рейтинг сообщения: 0
Тебе нужна штука под названием H-мост


Вернуться наверх
 
Не в сети
 Заголовок сообщения: Re: help!Автоматический переключатель полярности к моторчи
СообщениеДобавлено: Сб апр 23, 2011 22:26:44 
Собутыльник Кота
Аватар пользователя

Карма: -22
Рейтинг сообщений: -63
Зарегистрирован: Вт сен 14, 2010 10:27:19
Сообщений: 2584
Рейтинг сообщения: 0
tref писал(а):
Здравствуйте, подскажете пожалуйста какой переключатель полярности необходим к моторчику ( мотор-редуктор Tamiya 70097 •Номинальное напряжение: 3-5 В
) .для переключения (реверса) стороны вращения.В идеале =Необходимо чтобы менял (полярность) вращения при каждом последуищем подключении питания.


Галетный - крутилка - на 4 положения ил более. Крутиь в одну сторону.

Электронные варианты - L293 L298 недорого вот

Изображение

_________________
Будете проходить мимо- проходите!


Вернуться наверх
 
Не в сети
 Заголовок сообщения: Re: H -мост
СообщениеДобавлено: Вт фев 28, 2012 18:17:10 
Родился

Зарегистрирован: Вт фев 28, 2012 18:10:15
Сообщений: 5
Рейтинг сообщения: 0
Доброго дня!

Вот откапал в интернете мост на биполярных транзисторах (тут уже была такая схема).

Вложение:
MotorDriver.jpg [22.2 KiB]
Скачиваний: 1477


Собрал его, волтметр показывает что все работает, подключаю двигатель - он не работает :(
Амперметр показывает ток где-то 120-125мА. Поменял транзисторы на болле мощные (были: ВС557 и ВС549 стали: ВС327 и ВС339)
к сожалению ничего не изменилось.
Может кто подскажет в чем проблема?

Еще одно наблюдение: мост управляется PIC'ом, так вот без моторa переключения происходят нормално, при подключеном моторе, происходят постоянные сбои.

Зарание спасибо!


Вернуться наверх
 
Не в сети
 Заголовок сообщения: Re: H -мост
СообщениеДобавлено: Вт фев 28, 2012 19:29:59 
Друг Кота
Аватар пользователя

Карма: 9
Рейтинг сообщений: 96
Зарегистрирован: Пн июл 13, 2009 14:37:39
Сообщений: 3961
Откуда: Московская область, наукоград.....
Рейтинг сообщения: 0
подключите для начала встречно включенные светодиоды и посмотрите они светиться станут или нет.
затем неплохо бы и токи проверить - мощные транзисторы требуют больших токов базы. а у вас пин может выдать всего ничего.

_________________
Загружая на вход компьютера "мусор", на выходе получим "мусор^32".
PS. Не работаю с: Proteus, Multisim, EWB, Micro-Cap... не спрашивайте даже


Вернуться наверх
 
Не в сети
 Заголовок сообщения: Re:
СообщениеДобавлено: Вт фев 28, 2012 20:49:33 
Друг Кота
Аватар пользователя

Карма: 43
Рейтинг сообщений: 167
Зарегистрирован: Вс янв 25, 2009 21:16:04
Сообщений: 35639
Откуда: Москва
Рейтинг сообщения: 0
boobonick писал(а):
Я вот собирал по первой схеме(и добавлял сопротивление на базу) не заработало, поменял полярность - моторчик закрутился и я вот все никак понять не могу, можно ли подавать на эммитер npn транзистора +?Только в этом случае у меня заработало, такое бывает вообще? :)

Схема в корне неправильна. Потому и не работает.

_________________
А поболтать?


Вернуться наверх
 
Не в сети
 Заголовок сообщения: Re: H -мост
СообщениеДобавлено: Вт фев 28, 2012 20:57:52 
Друг Кота
Аватар пользователя

Карма: 43
Рейтинг сообщений: 167
Зарегистрирован: Вс янв 25, 2009 21:16:04
Сообщений: 35639
Откуда: Москва
Рейтинг сообщения: 0
yevhen писал(а):
Доброго дня!

Вот откапал в интернете мост на биполярных транзисторах (тут уже была такая схема).

Вложение:
MotorDriver.jpg


Собрал его, волтметр показывает что все работает, подключаю двигатель - он не работает :(
Амперметр показывает ток где-то 120-125мА. Поменял транзисторы на болле мощные (были: ВС557 и ВС549 стали: ВС327 и ВС339)
к сожалению ничего не изменилось.
Может кто подскажет в чем проблема?

Еще одно наблюдение: мост управляется PIC'ом, так вот без моторa переключения происходят нормално, при подключеном моторе, происходят постоянные сбои.

Зарание спасибо!

И эта схема неправильна. как Вы не поймете: вот два левых транзистора...открылись(их базы на одном управляющем проводе), что получиться? Ну думайте, думайте...блин. Будет КоЗа = плюс соедениться с землей. Точно так же и с правыми(пара транзюков справа).
Господа будущие и настоящие электроники: оторвите базу от левого верхнего транзистора и подключите к правому нижнему. Точно так же оторвите базу от верхнего правого транзистора и подключите её к базе левого нижнего транзистора.
Поняли? Теперь ток не будет "сквозным"(от плюса на землю), а потечет через МОТОР!!!

_________________
А поболтать?


Вернуться наверх
 
Не в сети
 Заголовок сообщения: Re: H -мост
СообщениеДобавлено: Вт фев 28, 2012 21:28:28 
Собутыльник Кота
Аватар пользователя

Карма: 6
Рейтинг сообщений: 59
Зарегистрирован: Вт янв 12, 2010 21:11:22
Сообщений: 2602
Откуда: Волжский Волгоградской обл.
Рейтинг сообщения: 0
Медали: 1
Получил миской по аватаре (1)
А также крайне нежелательно оставлять в воздухе базы транзисторов, которые в данный момент должны быть закрыты. Может произойти ложное открытие последних и произойдет опять же КЗ.
И переходы Э-К транзисторов нужно шунтировать диодами, всетаки двигатель индуктивная нагрузка и транзисторы нужно защищать от обратной ЭДС.
Можно почитать для примера http://roboforum.ru/wiki/H-мост
и еще http://roboforum.ru/forum11/topic1963.html?style=9
Сорри, но почему то первая ссылка не хочет вставать полностью :(

_________________
Собрали и смело включайте, лишнее выгорит!


Последний раз редактировалось MAVr 34 Ср фев 29, 2012 00:42:05, всего редактировалось 2 раз(а).

Вернуться наверх
 
Не в сети
 Заголовок сообщения: Re: H -мост
СообщениеДобавлено: Вт фев 28, 2012 23:05:09 
Родился

Зарегистрирован: Вт фев 28, 2012 18:10:15
Сообщений: 5
Рейтинг сообщения: 0
Brigadir писал(а):
...
И эта схема неправильна. как Вы не поймете: вот два левых транзистора...открылись(их базы на одном управляющем проводе), что получиться? Ну думайте, думайте...блин. Будет КоЗа = плюс соедениться с землей. Точно так же и с правыми(пара транзюков справа).
...


Посмотрите внимательней схему, там на одном управляющем проводе стоит пара NPN и PNP транзисторов. Т.е. Они не могут открыться одновременно.
Вариант когда на обоих управляющих проводах лог. "1" исключается программно.


Вернуться наверх
 
Не в сети
 Заголовок сообщения: Re: H -мост
СообщениеДобавлено: Ср фев 29, 2012 09:15:23 
Друг Кота
Аватар пользователя

Карма: 8
Рейтинг сообщений: 53
Зарегистрирован: Вс фев 08, 2009 16:13:38
Сообщений: 5728
Откуда: п.Красногорский
Рейтинг сообщения: 0
Рабочая схема.
http://cdxp.zx6.ru/archives/130

_________________
Творчество оно для того и нужно чтобы творить!


Вернуться наверх
 
Не в сети
 Заголовок сообщения: Re: H -мост
СообщениеДобавлено: Ср фев 29, 2012 12:58:52 
Родился

Зарегистрирован: Вт фев 28, 2012 18:10:15
Сообщений: 5
Рейтинг сообщения: 0
Добрый день.
Спасибо за ссылку.
Вопрос по ссылке: там дается рассчет на 12 В У меня моторчик от игрушки, она вообще от одной батарейки паботала.
если я туда ставлю Uном 1,5 В то получаютса отрицателные значения. Или на транзисторах напряжение всеравно упадет и я могу спокои но туда пустить 4,5 В?

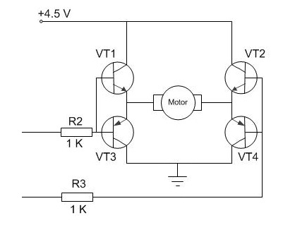
Вот в статье http://roboforum.ru/wiki/H-мост показано что можно обоитись 4-мя транзисторами. Неужели нужно обязательно 6? (просто место очень ограничено)

Вчера вечером, эксперемнтировал, понизил базовые сопротивления почти в 4 раза (270 Ом) удалось запустить мотор "вручную".
Возникают еще проблемы с остановкой :( Если я зашунтирую мотор диодами, поможет ли это решить эту проблемму?
Можно ли дальше уменьшать базовые сопротивления?


Вернуться наверх
 
Не в сети
 Заголовок сообщения: Re: H -мост
СообщениеДобавлено: Ср фев 29, 2012 13:11:54 
Родился

Зарегистрирован: Вт фев 28, 2012 18:10:15
Сообщений: 5
Рейтинг сообщения: 0
И вот еще эта схема (http://cdxp.zx6.ru/archives/130) с расщетами хороша если у меня один из входов при переключении весит в воздухе и не может открыть PNP транзистор.
Поскольку у меня мост управляется PICом то когда на одном входе лог. "1" открываются NPN транзисторы а при лог. "0" открываются PNP. => Два NPN транзистора из данной схемы можно убрать.
Только вот как подправить расщеты?


Вернуться наверх
 
Показать сообщения за:  Сортировать по:  Вернуться наверх
Начать новую тему Ответить на тему  [ Сообщений: 844 ]    , , , , 5, , , ...  

Часовой пояс: UTC + 3 часа


Кто сейчас на форуме

Сейчас этот форум просматривают: нет зарегистрированных пользователей и гости: 29


Вы не можете начинать темы
Вы не можете отвечать на сообщения
Вы не можете редактировать свои сообщения
Вы не можете удалять свои сообщения
Вы не можете добавлять вложения

Найти:
Перейти:  


Powered by phpBB © 2000, 2002, 2005, 2007 phpBB Group
Русская поддержка phpBB
Extended by Karma MOD © 2007—2012 m157y
Extended by Topic Tags MOD © 2012 m157y