Например TDA7294

Форум РадиоКот • Просмотр темы - H-мост
Форум РадиоКот
Здесь можно немножко помяукать :)

Текущее время: Чт окт 23, 2025 13:06:17

Часовой пояс: UTC + 3 часа


ПРЯМО СЕЙЧАС:



Начать новую тему Ответить на тему  [ Сообщений: 844 ]     ... , , , 6, , , ...  
Автор Сообщение
Не в сети
 Заголовок сообщения: Re: H -мост
СообщениеДобавлено: Ср фев 29, 2012 18:08:34 
Друг Кота
Аватар пользователя

Карма: 9
Рейтинг сообщений: 96
Зарегистрирован: Пн июл 13, 2009 14:37:39
Сообщений: 3961
Откуда: Московская область, наукоград.....
Рейтинг сообщения: 0
yevhen писал(а):
Если я зашунтирую мотор диодами, поможет ли это решить эту проблемму?

Шунтировать надо не мотор, а транзисторы.
Задача диодов - спасти транзисторы от обратного напряжения.
Оставшиеся силы рекомендую направить на изучение транзисторных каскадов и методов расчета режимов работы

_________________
Загружая на вход компьютера "мусор", на выходе получим "мусор^32".
PS. Не работаю с: Proteus, Multisim, EWB, Micro-Cap... не спрашивайте даже


Вернуться наверх
 
Не в сети
 Заголовок сообщения: Re: H -мост
СообщениеДобавлено: Ср фев 29, 2012 18:10:03 
Друг Кота
Аватар пользователя

Карма: 8
Рейтинг сообщений: 53
Зарегистрирован: Вс фев 08, 2009 16:13:38
Сообщений: 5728
Откуда: п.Красногорский
Рейтинг сообщения: 0
Есть и на четырёх транзисторах.


Вложения:
001 .jpg [71.98 KiB]
Скачиваний: 837

_________________
Творчество оно для того и нужно чтобы творить!
Вернуться наверх
 
Не в сети
 Заголовок сообщения: Re: H -мост
СообщениеДобавлено: Вт мар 06, 2012 17:51:11 
Друг Кота
Аватар пользователя

Карма: 28
Рейтинг сообщений: 267
Зарегистрирован: Ср сен 27, 2006 16:18:57
Сообщений: 3459
Рейтинг сообщения: 0
Схема: download/file.php?id=97318 , которую привёл yevhen, вполне нормальная. Транзисторы включены как эмиттерные повторители, и никакой "козы" там никогда не будет. Даже если на базы подать одновременно одинаковые уровни. Больше того, резисторы R2, R3 можно заменить перемычками. А вот защитные диоды не помешают...


Вернуться наверх
 
Не в сети
 Заголовок сообщения: Re: H-мост
СообщениеДобавлено: Чт апр 19, 2012 15:01:41 
Поставщик валерьянки для Кота
Аватар пользователя

Карма: 2
Рейтинг сообщений: 23
Зарегистрирован: Чт апр 08, 2010 18:50:01
Сообщений: 2095
Откуда: Краснодар
Рейтинг сообщения: 0
есть штук 10 серв с горелыми kc5188 это вот такая херня

Изображение

как видите практически вся электроника сервы лежит на ней + 2 транзистора.

так вот где-то я видел полумосты, и полностью упакованный 8 ногий мост. в планаре(smd). теперь не могу найти :( может кто видел ?


Вложения:
1.JPG [26.51 KiB]
Скачиваний: 3500

_________________
RETI ;рети-рети интеррапт, через шины данных тракт, через память, через порт, возвращайся в главный код
@hobbyelectronics
Вернуться наверх
 
Эиком - электронные компоненты и радиодетали
Не в сети
 Заголовок сообщения: Re: H -мост
СообщениеДобавлено: Чт июн 14, 2012 16:00:46 
Мучитель микросхем
Аватар пользователя

Карма: 7
Рейтинг сообщений: 19
Зарегистрирован: Пн авг 20, 2007 21:35:45
Сообщений: 485
Откуда: Мытищи, Московская область
Рейтинг сообщения: 0
Доброго времени суток !

Помогите с мостом, который управляется микроконтроллером, мост должен коммутировать 24 вольта для вторичных часов.
На полевиках. Ничего не получается - на выходе получаю всё, что угодно, но не 24 вольта.
На биполярниках всё получилось, но хочется на мосфетах - нужно коммутировать ток ~ 2 А. И размер тоже имеет значение - sot 23. Схем в интернете нашел кучу, но пока подходящего - ничего...

Вот такая закрутка. :)

_________________
С уважением,
Алексей.


Вернуться наверх
 
Не в сети
 Заголовок сообщения: Re: H -мост
СообщениеДобавлено: Чт июн 14, 2012 17:15:30 
Друг Кота
Аватар пользователя

Карма: 28
Рейтинг сообщений: 267
Зарегистрирован: Ср сен 27, 2006 16:18:57
Сообщений: 3459
Рейтинг сообщения: 0
Мне интересно. Чем Вам не понравилась схема http://www.irbislab.ru/modules.php?name ... opic&t=556 на которую я давал ссылку здесь: viewtopic.php?p=1302038#p1302038 в Вашей же теме?


Вернуться наверх
 
Не в сети
 Заголовок сообщения: Re: H -мост
СообщениеДобавлено: Пт июн 15, 2012 06:39:37 
Мучитель микросхем
Аватар пользователя

Карма: 7
Рейтинг сообщений: 19
Зарегистрирован: Пн авг 20, 2007 21:35:45
Сообщений: 485
Откуда: Мытищи, Московская область
Рейтинг сообщения: 0
Барсик писал(а):
Мне интересно. Чем Вам не понравилась схема http://www.irbislab.ru/modules.php?name ... opic&t=556 на которую я давал ссылку здесь: viewtopic.php?p=1302038#p1302038 в Вашей же теме?


Сорри, упустил ваше последнее сообщение в той теме. Сейчас буду изучать. :)

_________________
С уважением,
Алексей.


Вернуться наверх
 
Не в сети
 Заголовок сообщения: Re: H -мост
СообщениеДобавлено: Пт июн 15, 2012 07:37:57 
Мучитель микросхем
Аватар пользователя

Карма: 7
Рейтинг сообщений: 19
Зарегистрирован: Пн авг 20, 2007 21:35:45
Сообщений: 485
Откуда: Мытищи, Московская область
Рейтинг сообщения: 0
Барсик, можно узнать, какие транзисторы вы ставили ? Поигрался в протеусе - при 12 вольтах все работает, при 24 - падает. Вроде подобрал по напряжению (живых полевиков пока у меня нет, подбираю и смотрю в протеусе).

С логическими полевиками (IRLML) тоже падает.

PS: попала ко мне в руки часовая станция ПИК-3м. Методом раскурочивания выяснил, что там мост сделан на биполярниках в корпусе, похожем на TO-92, только тоньше. Названия затёрли ! Тестером выяснил, где какие по проводимости, схему срисовал. Если интересно, выложу чуть позже.

PPS: а почему тут полевики не вылетают ? По даташиту затвор-исток - 20 вольт... И уже давно работает - с февраля.

_________________
С уважением,
Алексей.


Вернуться наверх
 
Не в сети
 Заголовок сообщения: Re: H -мост
СообщениеДобавлено: Пт июн 15, 2012 14:39:13 
Друг Кота
Аватар пользователя

Карма: 28
Рейтинг сообщений: 267
Зарегистрирован: Ср сен 27, 2006 16:18:57
Сообщений: 3459
Рейтинг сообщения: 0
Gordon Shumway писал(а):
какие транзисторы вы ставили ?
С p-каналом - IRF4905. C n-каналом какие-то мотороловские, Logic Level, выпаял их из какой-то компьютерной железяки. Сейчас уже не помню.

Gordon Shumway писал(а):
а почему тут полевики не вылетают ?
Крепкие попались :) У меня они тоже не сразу вылетали, а работали некоторое время. Кроме того, коллекторный мотор с искрящим коллектором - более зверская нагрузка, чем просто индуктивность.


Вернуться наверх
 
Не в сети
 Заголовок сообщения: Re: H -мост
СообщениеДобавлено: Пт июн 15, 2012 14:46:00 
Мучитель микросхем
Аватар пользователя

Карма: 7
Рейтинг сообщений: 19
Зарегистрирован: Пн авг 20, 2007 21:35:45
Сообщений: 485
Откуда: Мытищи, Московская область
Рейтинг сообщения: 0
Барсик писал(а):
Gordon Shumway писал(а):
какие транзисторы вы ставили ?
С p-каналом - IRF4905. C n-каналом какие-то мотороловские, Logic Level, выпаял их из какой-то компьютерной железяки. Сейчас уже не помню.


А заработало ! Нашел пары логических IRLML5203 и IRLML2803. Пашет ! :) Только на затворах P-канальных присутствует те же 24 вольта - это нормально ?

_________________
С уважением,
Алексей.


Вернуться наверх
 
Не в сети
 Заголовок сообщения: Re: H -мост
СообщениеДобавлено: Пт июн 15, 2012 14:52:38 
Друг Кота
Аватар пользователя

Карма: 28
Рейтинг сообщений: 267
Зарегистрирован: Ср сен 27, 2006 16:18:57
Сообщений: 3459
Рейтинг сообщения: 0
Gordon Shumway писал(а):
Только на затворах P-канальных присутствует те же 24 вольта - это нормально ?
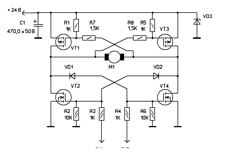
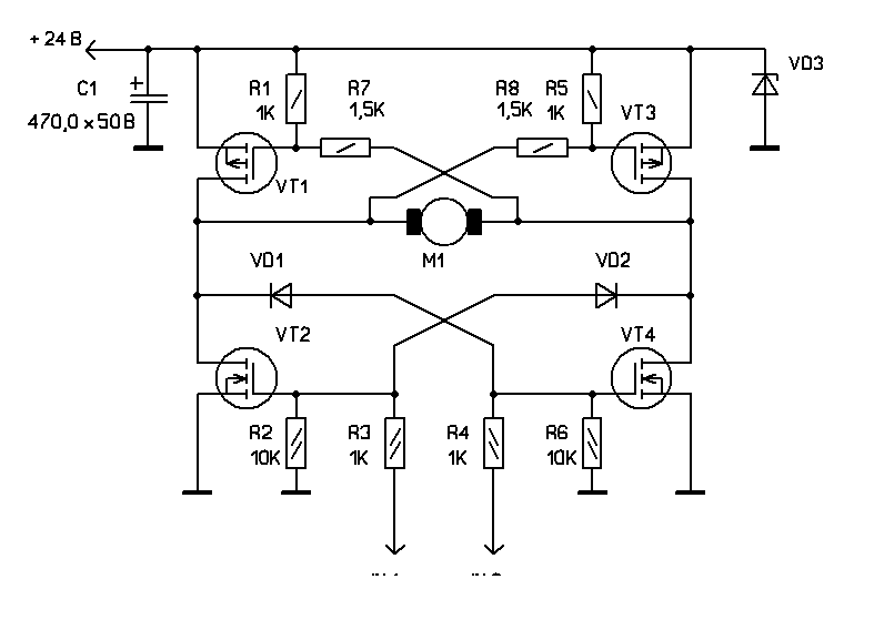
Это НЕ нормально. Вы какую схему собирали? Самую первую по ссылке, которая у меня палила транзисторы, или вторую, правильную? Надо использовать вот эту: http://www.irbislab.ru/modules.php?name ... oad&id=552

Изображение


Вложения:
1.GIF [9.01 KiB]
Скачиваний: 3033
Вернуться наверх
 
Не в сети
 Заголовок сообщения: Re: H -мост
СообщениеДобавлено: Пт июн 15, 2012 14:58:00 
Мучитель микросхем
Аватар пользователя

Карма: 7
Рейтинг сообщений: 19
Зарегистрирован: Пн авг 20, 2007 21:35:45
Сообщений: 485
Откуда: Мытищи, Московская область
Рейтинг сообщения: 0
Барсик писал(а):
Gordon Shumway писал(а):
Только на затворах P-канальных присутствует те же 24 вольта - это нормально ?
Это НЕ нормально. Вы какую схему собирали? Самую первую по ссылке, которая у меня палила транзисторы, или вторую, правильную? Надо использовать вот эту: http://www.irbislab.ru/modules.php?name ... oad&id=552


Её и собирал, вторую, с сопротивлениями дополнительными...

_________________
С уважением,
Алексей.


Вернуться наверх
 
Не в сети
 Заголовок сообщения: Re: H -мост
СообщениеДобавлено: Пт июн 15, 2012 15:04:51 
Друг Кота
Аватар пользователя

Карма: 28
Рейтинг сообщений: 267
Зарегистрирован: Ср сен 27, 2006 16:18:57
Сообщений: 3459
Рейтинг сообщения: 0
Gordon Shumway писал(а):
на затворах P-канальных присутствует те же 24 вольта
24 вольта относительно чего? Если относительно общего провода, то так и должно быть. Нормальней не бывает. :) Важно, чтобы между истоком и затвором было меньше 20 вольт.


Вернуться наверх
 
Не в сети
 Заголовок сообщения: Re: H -мост
СообщениеДобавлено: Пт июн 15, 2012 15:10:28 
Мучитель микросхем
Аватар пользователя

Карма: 7
Рейтинг сообщений: 19
Зарегистрирован: Пн авг 20, 2007 21:35:45
Сообщений: 485
Откуда: Мытищи, Московская область
Рейтинг сообщения: 0
Барсик писал(а):
Gordon Shumway писал(а):
на затворах P-канальных присутствует те же 24 вольта
24 вольта относительно чего? Если относительно общего провода, то так и должно быть. Нормальней не бывает. :) Важно, чтобы между истоком и затвором было меньше 20 вольт.


Так и есть, относительно общего провода :) А между истоком и затвором - порядок. :)

Спасибо вам за помощь !

_________________
С уважением,
Алексей.


Вернуться наверх
 
Не в сети
 Заголовок сообщения: Re: H -мост
СообщениеДобавлено: Пн июн 18, 2012 08:23:59 
Мучитель микросхем
Аватар пользователя

Карма: 7
Рейтинг сообщений: 19
Зарегистрирован: Пн авг 20, 2007 21:35:45
Сообщений: 485
Откуда: Мытищи, Московская область
Рейтинг сообщения: 0
Барсик писал(а):
24 вольта относительно чего? Если относительно общего провода, то так и должно быть. Нормальней не бывает. :) Важно, чтобы между истоком и затвором было меньше 20 вольт.


Я решил еще раз промерить старую схему, с IRF7343. Получается, что тут тоже всё хорошо и я зря затевал эту историю ? Напряжение на затворах относительно истока меняется от +2,24в до -2,24в.


Вложения:
Комментарий к файлу: Картинка из протеуса
cst11.jpg [97.62 KiB]
Скачиваний: 814

_________________
С уважением,
Алексей.
Вернуться наверх
 
Не в сети
 Заголовок сообщения: Re: H -мост
СообщениеДобавлено: Пн июн 18, 2012 15:50:42 
Друг Кота
Аватар пользователя

Карма: 28
Рейтинг сообщений: 267
Зарегистрирован: Ср сен 27, 2006 16:18:57
Сообщений: 3459
Рейтинг сообщения: 0
Только сейчас разглядел, что в Вашей старой схеме полевики включены как истоковые повторители. Поэтому и напряжения затвор-исток такие. Но при таком включении, напряжение на каждом полевике никогда не будет меньше порогового напряжения затвор-исток. Следовательно, на нагрузке всегда будет меньше 24 вольт. (24 минус двойное пороговое напряжение затвор-исток)


Вернуться наверх
 
Не в сети
 Заголовок сообщения: Re: H -мост
СообщениеДобавлено: Пн июн 18, 2012 18:22:10 
Мучитель микросхем
Аватар пользователя

Карма: 7
Рейтинг сообщений: 19
Зарегистрирован: Пн авг 20, 2007 21:35:45
Сообщений: 485
Откуда: Мытищи, Московская область
Рейтинг сообщения: 0
Барсик писал(а):
Только сейчас разглядел, что в Вашей старой схеме полевики включены как истоковые повторители.


То есть благодаря схеме включения полевиков схема до сих пор не отбросила копыта ? :) И не отбросит, я так понял.
По поводу напряжения - именно так и есть, немного ниже питающего. Но в следующей схеме я решил Вашу схему моста использовать.

_________________
С уважением,
Алексей.


Вернуться наверх
 
Не в сети
 Заголовок сообщения: Re: H -мост
СообщениеДобавлено: Пн июн 18, 2012 18:56:08 
Друг Кота
Аватар пользователя

Карма: 28
Рейтинг сообщений: 267
Зарегистрирован: Ср сен 27, 2006 16:18:57
Сообщений: 3459
Рейтинг сообщения: 0
Gordon Shumway писал(а):
То есть благодаря схеме включения полевиков схема до сих пор не отбросила копыта ?
Именно. Как только напряжение затвор-исток становится выше порогового, транзистор начинает открываться и напряжение на истоке тоже начинает возрастать.


Вернуться наверх
 
Не в сети
 Заголовок сообщения: Re: H -мост
СообщениеДобавлено: Чт июн 21, 2012 21:25:36 
Мучитель микросхем
Аватар пользователя

Карма: 7
Рейтинг сообщений: 19
Зарегистрирован: Пн авг 20, 2007 21:35:45
Сообщений: 485
Откуда: Мытищи, Московская область
Рейтинг сообщения: 0
Барсик писал(а):
Gordon Shumway писал(а):
То есть благодаря схеме включения полевиков схема до сих пор не отбросила копыта ?
Именно. Как только напряжение затвор-исток становится выше порогового, транзистор начинает открываться и напряжение на истоке тоже начинает возрастать.


Попробовал вашу схему моста с теми же сборками, IRF7343.
Сначала не заработало - полный труп. Оказалось, обе новые сборки - битые ! :(
Снял б.у. с первых моих первичных часов - всё работает !
На затворах 9 вольт - более чем ОК. Будем ваять плату.

Еще раз спасибо за помощь !

_________________
С уважением,
Алексей.


Вернуться наверх
 
Не в сети
 Заголовок сообщения: Re: H -мост
СообщениеДобавлено: Пт июн 29, 2012 08:12:28 
Мучитель микросхем
Аватар пользователя

Карма: 7
Рейтинг сообщений: 19
Зарегистрирован: Пн авг 20, 2007 21:35:45
Сообщений: 485
Откуда: Мытищи, Московская область
Рейтинг сообщения: 0
Барсик, а если таких мостов, собранных по вашей схеме, пять штук, и все параллельно на две ноги микроконтроллера - потянет мега8 ? Сопротивление на входе у них 1к, получается 20 мА на ногу - вроде должно. А то 10 IRF-ок паять для проверки на макете трудно... Как думаете ?

_________________
С уважением,
Алексей.


Вернуться наверх
 
Показать сообщения за:  Сортировать по:  Вернуться наверх
Начать новую тему Ответить на тему  [ Сообщений: 844 ]     ... , , , 6, , , ...  

Часовой пояс: UTC + 3 часа


Кто сейчас на форуме

Сейчас этот форум просматривают: XentaAbsenta, чугунок и гости: 33


Вы не можете начинать темы
Вы не можете отвечать на сообщения
Вы не можете редактировать свои сообщения
Вы не можете удалять свои сообщения
Вы не можете добавлять вложения

Найти:
Перейти:  


Powered by phpBB © 2000, 2002, 2005, 2007 phpBB Group
Русская поддержка phpBB
Extended by Karma MOD © 2007—2012 m157y
Extended by Topic Tags MOD © 2012 m157y