Например TDA7294

Форум РадиоКот • Просмотр темы - Автомагнитола от 2х БП и сохранение памяти.
Форум РадиоКот
Здесь можно немножко помяукать :)

Текущее время: Сб янв 03, 2026 07:39:34

Часовой пояс: UTC + 3 часа


ПРЯМО СЕЙЧАС:



Начать новую тему Ответить на тему  [ Сообщений: 12 ] 
Автор Сообщение
Не в сети
 Заголовок сообщения: Автомагнитола от 2х БП и сохранение памяти.
СообщениеДобавлено: Пт апр 21, 2017 19:44:00 
Родился

Зарегистрирован: Пт апр 21, 2017 18:53:28
Сообщений: 6
Рейтинг сообщения: 0
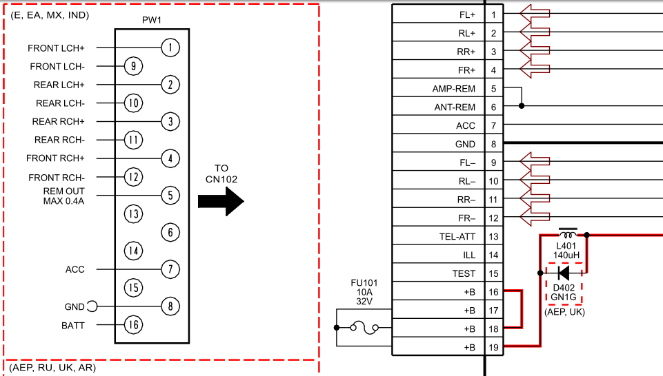
Уважаемые, подскажите, пожалуйста.
Автомобильная магнитола будет использоваться на террасе, нужно чтобы при отключении основного питания (БП 13,8/20) сохранялись настройки - для этой цели планируется задействовать другой БП (12/3), который используется для камер круглосуточного видеонаблюдения.
По такой схеме будет работать?
Изображение
Изображение
здесь сервис мануал на магнитолу: http://yadi.sk/i/AKXXvGC13HBqJn


Вернуться наверх
 
Не в сети
 Заголовок сообщения: Re: Автомагнитола от 2х БП и сохранение памяти.
СообщениеДобавлено: Пт апр 21, 2017 19:59:37 
Друг Кота
Аватар пользователя

Карма: 182
Рейтинг сообщений: 8329
Зарегистрирован: Пт фев 04, 2011 17:57:51
Сообщений: 20045
Откуда: Рыбинск
Рейтинг сообщения: 0
Медали: 1
Лучший человек Форума 2017 (1)
На АСС нужно подавать питание для сохранения настроек.


Вернуться наверх
 
Не в сети
 Заголовок сообщения: Re: Автомагнитола от 2х БП и сохранение памяти.
СообщениеДобавлено: Пт апр 21, 2017 20:24:25 
Родился

Зарегистрирован: Пт апр 21, 2017 18:53:28
Сообщений: 6
Рейтинг сообщения: 0
мне кажется АСС - это только включение питания - как поворот ключа авто в 1 положение - обычно оно выключено...


Вернуться наверх
 
Не в сети
 Заголовок сообщения: Re: Автомагнитола от 2х БП и сохранение памяти.
СообщениеДобавлено: Пт апр 21, 2017 20:34:45 
Друг Кота
Аватар пользователя

Карма: 65
Рейтинг сообщений: 802
Зарегистрирован: Чт апр 19, 2007 16:10:43
Сообщений: 9892
Откуда: г.Москва
Рейтинг сообщения: 0
АСС - это основное питание от замка . А для сохранения настроек на клеме " бат " должен всегда висеть плюс.

_________________
Правило для российского гражданина: Во всем принимай сторону России, независимо от того, кто Россию возглавляет в данный момент, и какая страна или страны ей противостоят. Руководствуйся мудростью: "Россия, - всё, остальное - ничто!"


Вернуться наверх
 
Эиком - электронные компоненты и радиодетали
Не в сети
 Заголовок сообщения: Re: Автомагнитола от 2х БП и сохранение памяти.
СообщениеДобавлено: Пт апр 21, 2017 20:44:08 
Родился

Зарегистрирован: Пт апр 21, 2017 18:53:28
Сообщений: 6
Рейтинг сообщения: 0
бабай писал(а):
АСС - это основное питание от замка . А для сохранения настроек на клеме " бат " должен всегда висеть плюс.

т.е. моя схема будет работать с сохранением настроек?

Добавлено after 2 minutes 8 seconds:
бабай писал(а):
АСС - это основное питание от замка .

предохранитель 10А на магнитоле именно на BAT

АСС это не только "ключ", который включает питание от BAT?


Вернуться наверх
 
Не в сети
 Заголовок сообщения: Re: Автомагнитола от 2х БП и сохранение памяти.
СообщениеДобавлено: Пт апр 21, 2017 21:03:33 
Друг Кота
Аватар пользователя

Карма: 107
Рейтинг сообщений: 3311
Зарегистрирован: Сб фев 11, 2017 15:59:13
Сообщений: 14828
Откуда: 57 RUS
Рейтинг сообщения: 0
SMC писал(а):
сохранялись настройки - для этой цели планируется задействовать другой БП

А не проще будет на "память" "подцепить" какую либо маленькую АКБ 9-12V, типа 12V 1,2А/h для пожароохранной сигнализации? Там ток потребления мизерный.
Изображение

_________________
НАРОДОВЛАСТИЕ а не кланово-олигархическая дерьмократия!!!
Цифровому рабству, навязываемому цифровым олигархатом - НЕТ!


Вернуться наверх
 
Не в сети
 Заголовок сообщения: Re: Автомагнитола от 2х БП и сохранение памяти.
СообщениеДобавлено: Пт апр 21, 2017 21:21:54 
Родился

Зарегистрирован: Пт апр 21, 2017 18:53:28
Сообщений: 6
Рейтинг сообщения: 0
gsmart писал(а):
А не проще будет на "память" "подцепить" какую либо маленькую АКБ 9-12V, типа 12V 1,2А/h для пожароохранной сигнализации?


Нет, не проще, батарейка на морозе, думаю, много не протянет, да и есть уже постоянно работающий ИП.

Вопрос, собственно как подключить доп. источник...


Вернуться наверх
 
Не в сети
 Заголовок сообщения: Re: Автомагнитола от 2х БП и сохранение памяти.
СообщениеДобавлено: Сб апр 22, 2017 09:42:00 
Держит паяльник хвостом

Карма: 10
Рейтинг сообщений: 161
Зарегистрирован: Чт апр 03, 2014 23:16:55
Сообщений: 963
Откуда: Россия
Рейтинг сообщения: 0
Посмотрел схему магнитолы. Получается, что АСС это вкл - откл. По идее магнитола должна все помнить и без питания.
Если забывает, то нужно постоянно питание на ВАТ.


Вернуться наверх
 
Не в сети
 Заголовок сообщения: Re: Автомагнитола от 2х БП и сохранение памяти.
СообщениеДобавлено: Сб апр 22, 2017 10:18:21 
Родился

Зарегистрирован: Пт апр 21, 2017 18:53:28
Сообщений: 6
Рейтинг сообщения: 0
Rtmip писал(а):
Посмотрел схему магнитолы. Получается, что АСС это вкл - откл. По идее магнитола должна все помнить и без питания.
Если забывает, то нужно постоянно питание на ВАТ.

Спасибо!
Без питания не помнит...
Т.е. по моей схеме все будет работать?
Какие диоды использовать?


Вернуться наверх
 
Не в сети
 Заголовок сообщения: Re: Автомагнитола от 2х БП и сохранение памяти.
СообщениеДобавлено: Вс апр 23, 2017 19:02:11 
Держит паяльник хвостом

Карма: 10
Рейтинг сообщений: 161
Зарегистрирован: Чт апр 03, 2014 23:16:55
Сообщений: 963
Откуда: Россия
Рейтинг сообщения: 0
Будет работать.
Диод от ИП 3А можно почти любой, если будете соблюдать очередность включения:
сначала подать питание от ИП 20А, затем нажать ВКЛ.
Диод от ИП 20А надо будет мощный, ампер на 10, при этом прямое падение на нем должно быть меньше, чем на маломощном диоде.
И ему нужен будет радиатор, скорее всего.
Чтобы соблюсти этот момент можно поставить два диода последовательно от ИП 3А.
Это можно измерить любым цифровым тестером и посмотреть в ДШ.
Хорошо подойдут мощные диоды от комп. БП, но все равно их проверить.

Можно заморочиться и придумать схему с реле, которое будет включаться при подаче питания с ИП 20А и затем подавать основное
питание на магнитолу.


Вернуться наверх
 
Не в сети
 Заголовок сообщения: Re: Автомагнитола от 2х БП и сохранение памяти.
СообщениеДобавлено: Вс апр 23, 2017 20:20:23 
Родился

Зарегистрирован: Пт апр 21, 2017 18:53:28
Сообщений: 6
Рейтинг сообщения: 0
Rtmip писал(а):
Будет работать.
Диод от ИП 3А можно почти любой, если будете соблюдать очередность включения:
сначала подать питание от ИП 20А, затем нажать ВКЛ.

Спасибо!
Мне кажется, очередность не нужно соблюдать: магнитолу будет не включить при отсутствии питания на АСС, т.е. исключена возможность работы магнитолы от БП 3А - он будет только "сохранять память"


Вернуться наверх
 
Не в сети
 Заголовок сообщения: Re: Автомагнитола от 2х БП и сохранение памяти.
СообщениеДобавлено: Чт апр 27, 2017 13:16:05 
Прорезались зубы

Карма: 11
Рейтинг сообщений: 20
Зарегистрирован: Вс мар 06, 2016 16:58:47
Сообщений: 246
Рейтинг сообщения: 0
Четыре литиевые батарейки последовательно через диод. Хватит на 10 лет.


Вернуться наверх
 
Показать сообщения за:  Сортировать по:  Вернуться наверх
Начать новую тему Ответить на тему  [ Сообщений: 12 ] 

Часовой пояс: UTC + 3 часа


Кто сейчас на форуме

Сейчас этот форум просматривают: нет зарегистрированных пользователей и гости: 19


Вы не можете начинать темы
Вы не можете отвечать на сообщения
Вы не можете редактировать свои сообщения
Вы не можете удалять свои сообщения
Вы не можете добавлять вложения

Найти:
Перейти:  


Powered by phpBB © 2000, 2002, 2005, 2007 phpBB Group
Русская поддержка phpBB
Extended by Karma MOD © 2007—2012 m157y
Extended by Topic Tags MOD © 2012 m157y