Например TDA7294

Форум РадиоКот • Просмотр темы - Каскад с общим эмиттером.
Форум РадиоКот
Здесь можно немножко помяукать :)

Текущее время: Вт мар 03, 2026 22:46:03

Часовой пояс: UTC + 3 часа


ПРЯМО СЕЙЧАС:



Начать новую тему Ответить на тему  [ Сообщений: 905 ]     ... , , , 12, , , ...  
Автор Сообщение
 Заголовок сообщения: Re: Каскад с общим эмиттером.
СообщениеДобавлено: Вс дек 18, 2011 10:05:01 
Друг Кота
Аватар пользователя

Карма: 107
Рейтинг сообщений: 1031
Зарегистрирован: Пт дек 17, 2010 15:07:50
Сообщений: 12364
Откуда: Крымский Федеральный Округ
Рейтинг сообщения: 0
Cybermouse писал(а):
Есть ВС337-25, ВС327-40 это маленькие импортные транзисторы, 0,5А максимум, и где то 40В

Так, вот это нам подходит. Уши они потянут! :wink:

_________________
Изображение
И ты врёшь!!! © Vladisman
Изображение


Вернуться наверх
 
 Заголовок сообщения: Re: Каскад с общим эмиттером.
СообщениеДобавлено: Вс янв 08, 2012 15:55:08 
Вымогатель припоя
Аватар пользователя

Карма: 3
Рейтинг сообщений: 17
Зарегистрирован: Ср июн 08, 2011 15:37:56
Сообщений: 619
Откуда: ДВ
Рейтинг сообщения: 0
Всем привет. Я много прочитал литературы по транзисторам с целью понять как же рассчитывается усилительный каскад без использования ВАХов и понял , что все методы не рабочие (в смысле которые без ВАХов) . Легче купить транзистор для необходимых параметров (мощность,напряжение ,ток,паразитная ёмкость) и получить ВАХи самостоятельно далее всё просто, но не об этом я хотел спросить. После расчёта усилительного каскада с общим эмиттером многие столкнулись с проблемой согласование сопротивления ,т.е. имеют высокое выходное сопротивление по сравнением с нагрузочным. Что в своё очередь сводит на нет все надежды усилить сигнал, но в книги Бессонова(хорошая книжка , но не для начинающих .Необходима математическая подпитка.Я такой обладаю более или менее) описано как это можно исправить с помощью так называемого согласующего трансформатора . Да действительно при расчёте он получается понижающим( число витков во вторичной обмотке меньше, чем на первичной) . Или в книге Гусева по электронике также рассмотрены эти вопросы , также там написано про выходные (оконечные) каскады , у которых высокое входное и низкое выходное сопротивление. Таким буферным(оконечным) каскадом обладает каскад включённый по схеме с общим коллектором(эмиттерный повторитель) . Так вот после расчёта и покупки приборов(полупроводников) я это дело забросил уже месяца на три и может , что и забыл.А забросил потому , что хотел намотать трансформатор для решения согласования нагрузок(о чём я писал выше) и нужной проволоки не нашёл или не было сильного желания найти. Решил сделать оконечный каскад с общим коллектором и не париться . Короче у меня , выходное напряжение первого каскада(с общим Э.) около 5 вольт ( к примеру) , а на всех ВАХах (входных характеристиках) ,зависимость тока базы от напряжения база эмиттером идёт до 2 В и тут я впал в ступор (как же так ) , на многих схемах это работает , судя из книг. Или я что то не понимаю??? Как мне быть ???

_________________
"Ленивый человек в бесчестном покое сходен с неподвижною болотною водою, которая, кроме смраду и презренных гадин, ничего не производит". М.В. Ломоносов


Вернуться наверх
 
 Заголовок сообщения: Re: Каскад с общим эмиттером.
СообщениеДобавлено: Вс янв 08, 2012 20:49:55 
Это не хвост, это антенна
Аватар пользователя

Карма: 4
Рейтинг сообщений: 138
Зарегистрирован: Сб мар 14, 2009 08:36:16
Сообщений: 1357
Откуда: Омск
Рейтинг сообщения: 0
ВАХ транзистора ОТНОСИТЕЛЬНА. Так же, как, например, его коэффициент усиления. Транзистор по схеме с ОК является эмиттерным повторителем, именно поэтому напряжение на входе может быть достаточно большим. Транзистор из-за сильной ООС не усиливает входное напряжение... "Борисов В. Г. Юный радиолюбитель" (7-е изд.) - стр. 93

_________________
Перед тем, как улучшиться, ситуация ухудшается.
TDA7294 + ИИП 350W + Орбита 35АС-016 = танцует весь микрорайон...


Вернуться наверх
 
 Заголовок сообщения: Re: Каскад с общим эмиттером.
СообщениеДобавлено: Вс янв 08, 2012 22:03:34 
Поставщик валерьянки для Кота

Карма: 5
Рейтинг сообщений: 61
Зарегистрирован: Пт окт 23, 2009 15:32:35
Сообщений: 1929
Откуда: Челябинск
Рейтинг сообщения: 0
вот строить каскад по ВАХ - как раз тупиковый путь. даже сняв ВАХ конкретного экземпляра вы из за чуть уменьшившейся температуры в комнате получите ток коллектора в 2 раза меньше, при том же напряжении Uбэ, как когда снимали ВАХ. транзистор изначально сильно нелинейный элемент и использовать его можно только за счет правильной обвязки.

Цитата:
как же рассчитывается усилительный каскад без использования ВАХов и понял , что все методы не рабочие


судя по последующему вопросу про эмиттерный повторитель вы просто не поняли эти методы. у нас есть некий элемент с совершенно кривой и непредсказуемой зависимостью Uвых от Uвх и единственное что мы знаем точно - то что при определенном диапазоне Uвх соотношение dUвых/dUвх ни в одной точке не бывает меньше какой то величины (но гуляет при этом в разы и десятки раз). допустим гуляет от 200 до 100000 но не бывает меньше 100. этого знания достаточно чтобы построить каскад, в котором dUвых/dUвх = 100 и при том же диапазоне изменения Uвх будет гулять вместо десятков раз на доли процента.


Вернуться наверх
 
Эиком - электронные компоненты и радиодетали
 Заголовок сообщения: Re: Каскад с общим эмиттером.
СообщениеДобавлено: Вс янв 08, 2012 23:33:08 
Друг Кота

Карма: 27
Рейтинг сообщений: 206
Зарегистрирован: Чт ноя 26, 2009 11:16:50
Сообщений: 6015
Откуда: Москва
Рейтинг сообщения: 0
Ну да. Есть схемы, и методики их расчетов, не требующие использования ВАХ. В Хоровице, Хилле "Искусство схемотехники" ВАХ почти не используется. Еще Титце, Шенк "Полупроводниковая схемотехника" - хорошая книга, правда, в ней математики больше (но может, это и к лучшему). ВАХ любили в советских книжках использовать, и некоторый смысл в этом есть - по крайней мере, полезно знать, как выглядят сами графики.


Вернуться наверх
 
 Заголовок сообщения: Re: Каскад с общим эмиттером.
СообщениеДобавлено: Пн янв 09, 2012 01:50:05 
Вымогатель припоя
Аватар пользователя

Карма: 3
Рейтинг сообщений: 17
Зарегистрирован: Ср июн 08, 2011 15:37:56
Сообщений: 619
Откуда: ДВ
Рейтинг сообщения: 0
Тогда какой смысл писать в паспорте прибора его максимальное напряжение Uбэ? Если как я понял при включение по схеме с общим коллектором оно может быть намного больше.

_________________
"Ленивый человек в бесчестном покое сходен с неподвижною болотною водою, которая, кроме смраду и презренных гадин, ничего не производит". М.В. Ломоносов


Вернуться наверх
 
 Заголовок сообщения: Re: Каскад с общим эмиттером.
СообщениеДобавлено: Пн янв 09, 2012 02:55:47 
Поставщик валерьянки для Кота

Карма: 5
Рейтинг сообщений: 61
Зарегистрирован: Пт окт 23, 2009 15:32:35
Сообщений: 1929
Откуда: Челябинск
Рейтинг сообщения: 0
Нет, в схеме с общим коллектором глубокая обратная связь, Uэ 'следит' за Uб, сохраняя Uбэ почти неизменным, несмотря на то что Uб меняется относильно общего провода (а не относительно эмиттера!) в широких пределах.

В подавляющем большинстве случаев вам не нужно знать паспортное значение Uбэ, "где-то так порядка 0.7-0.8" вполне достаточно, в правильно построенной схеме это значения не имеет. Например тот же эмиттерный повторитель - от того что Uбэ будет 0.8 вместо ожидаемых 0.6 у вас изменится на 0.2в постоянная составляющая выходного сигнала, тогда как вас интересует переменная составляющая, а постоянная все равно отсекается емкостью


Вернуться наверх
 
 Заголовок сообщения: Re: Каскад с общим эмиттером.
СообщениеДобавлено: Пн янв 09, 2012 11:59:23 
Друг Кота

Карма: 27
Рейтинг сообщений: 206
Зарегистрирован: Чт ноя 26, 2009 11:16:50
Сообщений: 6015
Откуда: Москва
Рейтинг сообщения: 0
dimitriy91
Да, в линейном режиме, в том числе в схеме эмиттерного повторителя (ОК) p-n переход Б-Э прямо смещен и на нем 0,6..0,8 В. Но у перехода Б-Э невысокое обратно допустимое напряжение, обычно 5...8 вольт (дальше происходит пробой). Часто именно оно и приводится в справочниках, как предельно допустимое. И это надо учитывать. Интересно, что встречались схемы, где КТ315 использовался как экономичный стабилитрон, в режиме (обратимого) пробоя p-n перехода Б-Э.


Вернуться наверх
 
 Заголовок сообщения: Re: Каскад с общим эмиттером.
СообщениеДобавлено: Пн янв 09, 2012 15:26:15 
Это не хвост, это антенна

Карма: 2
Рейтинг сообщений: 21
Зарегистрирован: Чт янв 27, 2011 21:57:53
Сообщений: 1318
Рейтинг сообщения: 0
SmarTrunk писал(а):
Интересно, что встречались схемы, где КТ315 использовался как экономичный стабилитрон, в режиме (обратимого) пробоя p-n перехода Б-Э.
Вот такую делал для питания варикапов. Хорошо работает и напряжение хорошо держит. Достоинство, что маленький начальный ток стабилизации, что важно в экономичных устройствах.

Изображение


Вернуться наверх
 
 Заголовок сообщения: Re: Каскад с общим эмиттером.
СообщениеДобавлено: Пн янв 09, 2012 20:14:57 
Друг Кота

Карма: 27
Рейтинг сообщений: 206
Зарегистрирован: Чт ноя 26, 2009 11:16:50
Сообщений: 6015
Откуда: Москва
Рейтинг сообщения: 0
:beer:


Вернуться наверх
 
 Заголовок сообщения: простой усилитель на КТ838А
СообщениеДобавлено: Пт янв 13, 2012 14:00:33 
Открыл глаза
Аватар пользователя

Зарегистрирован: Пт май 27, 2011 21:14:36
Сообщений: 47
Рейтинг сообщения: 0
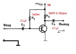
собрал самый простой унч на кт838а,работает нормально но не могу подобрать резистор чтобы не было хрипа...нашел только постоянный резистор МЛТ-2 18rjnx на нем работает нормально но он сильно греется...вообщем все детали по порядку

1)два резистора- на базу поставил 1кОм на коллектор МЛТ-2 18rjnx
2) два конденсатора на вход 22цF на выход 47цF
3)сам транзистор КТ838А

тоесть когда ставлю на коллектор 1кОм за место МЛТ-2 18rjnx то звук начинает сразу хрепеть,а если на 500Ом то он греться начинает,вот уже парюсь ве перепробывал но не получается...внизу схема и фото...на фото ве припаяно проводами без дорожек на плате





Сюда перенес.
Здесь много раз уже говорили про подобные эксперименты.
Тема конечно большая, но попробуйте прочитать. Что совсем непонятно просто пока пропускайте, а про такие усилители, что Вы спаяли, почитайте.
Писать тоже продолжайте в этой теме.





aen


Вложения:
Комментарий к файлу: то что на паял вид снизу
IMG062.jpg [104.77 KiB]
Скачиваний: 703
Комментарий к файлу: то что на паял вид сверху
IMG058.jpg [98.9 KiB]
Скачиваний: 659
Комментарий к файлу: схема
images.jpeg [10.69 KiB]
Скачиваний: 722
Вернуться наверх
 
 Заголовок сообщения: Re: простой усилитель на КТ838А
СообщениеДобавлено: Пт янв 13, 2012 14:27:10 
Мудрый кот
Аватар пользователя

Карма: 9
Рейтинг сообщений: 101
Зарегистрирован: Вс окт 04, 2009 13:23:12
Сообщений: 1833
Откуда: н. новгород
Рейтинг сообщения: 0
Будет из тебя толк со временем. :beer:
А пока слеза умиления :facepalm:

_________________
Лучше умному тупить, чем тупому умничать


Вернуться наверх
 
 Заголовок сообщения: Re: Каскад с общим эмиттером.
СообщениеДобавлено: Пт янв 13, 2012 15:06:38 
Поставщик валерьянки для Кота

Карма: 5
Рейтинг сообщений: 61
Зарегистрирован: Пт окт 23, 2009 15:32:35
Сообщений: 1929
Откуда: Челябинск
Рейтинг сообщения: 0
R2 для начала 100 ом, чтобы пока не химичить с высокими токами, при средней точке на коллекторе 4.5в на нем будет 200 мВт, так что любой мелкий подойдет

переключите R1 на коллектор, а не на питание, получится хоть какая-то обратная связь. и подбирайте его пока на коллекторе без сигнала не будет 4.5в. это вроде тоже порядка 400 ом должно быть (если верить даташиту, что у этого транзистора h21=4

если вы все это грузите на какую-нибудь 8-омную колонку то получится конечно слабенько с таким выходным сопротивлением, но хоть освоитесь с настройкой ничего не спалив. а потом чтобы усилить выход уменьшайте R2 одновременно опять корректируя R1

обратите внимание, что коэффициент умножения по напряжению в таком влючении примерно R1/R, где R - выходное сопротивление того источника, что вы подключаете ко входу, включая входную емкость


Вернуться наверх
 
 Заголовок сообщения: Re: Каскад с общим эмиттером.
СообщениеДобавлено: Пн янв 16, 2012 12:15:46 
Открыл глаза
Аватар пользователя

Зарегистрирован: Пт май 27, 2011 21:14:36
Сообщений: 47
Рейтинг сообщения: 0
все сделал как было написпано!но всеровно греется R2 не знаю почему???!!! :( но звук получился хороший:)


Вернуться наверх
 
 Заголовок сообщения: Re: Каскад с общим эмиттером.
СообщениеДобавлено: Пн янв 16, 2012 12:36:26 
Мудрый кот
Аватар пользователя

Карма: 35
Рейтинг сообщений: 279
Зарегистрирован: Сб июл 30, 2011 08:40:10
Сообщений: 1713
Откуда: Россия
Рейтинг сообщения: 0
Так и будет греться. В данной теме десяток раз говорили, что подобные схемы не применяют для оконечных мощных усилителей. Для них есть другие схемы которые в данной теме тоже приводились.
По данной схеме делают только маломощные предварительные каскады усилителей.
И говорить по этой теме больше нечего, т.к все уже было в данной теме сказано.


Вернуться наверх
 
 Заголовок сообщения: Re: Каскад с общим эмиттером.
СообщениеДобавлено: Пн янв 16, 2012 20:45:05 
Поставщик валерьянки для Кота

Карма: 5
Рейтинг сообщений: 61
Зарегистрирован: Пт окт 23, 2009 15:32:35
Сообщений: 1929
Откуда: Челябинск
Рейтинг сообщения: 0
можете подключить динамик вместо R2, но есть хороший шанс спалить его постоянкой, если он низкоомный. поэтому в древние времена тут ставили трансформатор. если же динамик высокоомный то можно спокойно увеличивать R2. большего на одном транзисторе вы вряд ли получите


Вернуться наверх
 
 Заголовок сообщения: Усилитель на двух транзисторах - принцип работы?
СообщениеДобавлено: Сб янв 21, 2012 14:48:40 
Встал на лапы
Аватар пользователя

Зарегистрирован: Сб янв 21, 2012 14:42:08
Сообщений: 92
Откуда: Украина, Днепропетровск
Рейтинг сообщения: 0
Добрый день. Подскажите пожалуйста, правильно ли собрана схема усилителя, и объясните принцип работы такого усилителя?

Изображение

Проходит практика, преподаватели ничего не объяснили - дали схему,сказали разобраться как работает и спаять. Как я понимаю, резисторы на плате находятся, но они не участвуют, из-за не правильного расположения. Спасибо за помощь!




Сюда перенес.
Читайте эту тему. В ней несколько раз обсуждали подобный усилитель. Останутся вопросы, пишите здесь.


aen


Вернуться наверх
 
 Заголовок сообщения: Re: Усилитель на двух транзисторах - принцип работы?
СообщениеДобавлено: Сб янв 21, 2012 15:20:24 
Модератор
Аватар пользователя

Карма: 14
Рейтинг сообщений: 37
Зарегистрирован: Чт дек 11, 2008 14:52:26
Сообщений: 11492
Откуда: град Нижний
Рейтинг сообщения: 0
Начни с обучалки: http://radiokot.ru/start/audio/amplifiers/

_________________
ИзображениеМежду людьми возникает напряжение, если у них разный потенциал...


Вернуться наверх
 
 Заголовок сообщения: Re: Каскад с общим эмиттером.
СообщениеДобавлено: Сб янв 21, 2012 15:34:49 
Встал на лапы
Аватар пользователя

Зарегистрирован: Сб янв 21, 2012 14:42:08
Сообщений: 92
Откуда: Украина, Днепропетровск
Рейтинг сообщения: 0
Прочитал тему, но все равно не понял, рабочая схема или нет? просто те,кто сдавал практику до нас, говорят что у них не заработал усилитель ни у кого

вот читаю тему, похожей схемы не нашел. Объясните, как тугодоходящему в электронике


Вернуться наверх
 
 Заголовок сообщения: Re: Каскад с общим эмиттером.
СообщениеДобавлено: Сб янв 21, 2012 15:36:27 
Поставщик валерьянки для Кота
Аватар пользователя

Зарегистрирован: Ср дек 29, 2010 00:08:44
Сообщений: 2060
Откуда: Москва
Рейтинг сообщения: 0
любую другую схему возьми с форума для своей практики причем рабочая и все ок в той же обучаловке

_________________
ни что в этой жизни не вечно!!!


Вернуться наверх
 
Показать сообщения за:  Сортировать по:  Вернуться наверх
Начать новую тему Ответить на тему  [ Сообщений: 905 ]     ... , , , 12, , , ...  

Часовой пояс: UTC + 3 часа


Вы не можете начинать темы
Вы не можете отвечать на сообщения
Вы не можете редактировать свои сообщения
Вы не можете удалять свои сообщения
Вы не можете добавлять вложения

Найти:
Перейти:  


Powered by phpBB © 2000, 2002, 2005, 2007 phpBB Group
Русская поддержка phpBB
Extended by Karma MOD © 2007—2012 m157y
Extended by Topic Tags MOD © 2012 m157y