Например TDA7294

Форум РадиоКот • Просмотр темы - Проверка часового резонатора.
Форум РадиоКот
Здесь можно немножко помяукать :)

Текущее время: Пн янв 05, 2026 15:55:46

Часовой пояс: UTC + 3 часа


ПРЯМО СЕЙЧАС:



Начать новую тему Ответить на тему  [ Сообщений: 59 ]    , 2,  
Автор Сообщение
Не в сети
 Заголовок сообщения: Не запускается генератор на К561ла7 с часовым кварцем
СообщениеДобавлено: Чт ноя 10, 2016 02:10:15 
Открыл глаза

Зарегистрирован: Чт сен 24, 2015 05:29:13
Сообщений: 75
Рейтинг сообщения: 0
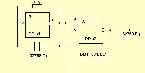
Собрал генератор по схеме на микрухе К561ла7 и часовом кварце,но не генерит! Пробовал заменить 4 раза кварца одной частоты(32768 Гц),но все равно не запускается! Даже замена микрухи(к561ла7 и к561ле5),резисторы,конденсаторы и бесполезно! Почему генератор не хочет запускать?
Вложение:
post-90859-1275470486,06.jpg [25.47 KiB]
Скачиваний: 2574




Сюда перенес.
aen


Вернуться наверх
 
Не в сети
 Заголовок сообщения: Re: Не запускается генератор на К561ла7 с часовым кварцем
СообщениеДобавлено: Чт ноя 10, 2016 02:45:20 
Поставщик валерьянки для Кота
Аватар пользователя

Карма: 29
Рейтинг сообщений: 354
Зарегистрирован: Вс июл 11, 2010 14:39:04
Сообщений: 2458
Откуда: Россия.
Рейтинг сообщения: 0
В вашей схеме не мешало бы добавить резистор.

Изображение

А так запускается?

Изображение


Вложения:
1.JPG [15.62 KiB]
Скачиваний: 9435
1.JPG [13.84 KiB]
Скачиваний: 8490
Вернуться наверх
 
Не в сети
 Заголовок сообщения: Re: Не запускается генератор на К561ла7 с часовым кварцем
СообщениеДобавлено: Чт ноя 10, 2016 03:03:08 
Открыл глаза

Зарегистрирован: Чт сен 24, 2015 05:29:13
Сообщений: 75
Рейтинг сообщения: 0
Lazy писал(а):
В вашей схеме не мешало бы добавить резистор.

Изображение

А так запускается?

Изображение

Спасибо! Буду пробовать! А второй вариант запускается без кондестатора?


Последний раз редактировалось aen Чт ноя 10, 2016 03:11:55, всего редактировалось 3 раз(а).
Нарушение Правил форума п. 2.7


Вернуться наверх
 
Не в сети
 Заголовок сообщения: Re: Не запускается генератор на К561ла7 с часовым кварцем
СообщениеДобавлено: Чт ноя 10, 2016 17:28:18 
Открыл глаза

Зарегистрирован: Чт сен 24, 2015 05:29:13
Сообщений: 75
Рейтинг сообщения: 0
Пробовал обе варианты,но ничего не генерит!


Вернуться наверх
 
Эиком - электронные компоненты и радиодетали
Не в сети
 Заголовок сообщения: Re: Не запускается генератор на К561ла7 с часовым кварцем
СообщениеДобавлено: Чт ноя 10, 2016 18:19:57 
Друг Кота
Аватар пользователя

Карма: 59
Рейтинг сообщений: 2218
Зарегистрирован: Чт янв 26, 2012 16:44:29
Сообщений: 19588
Откуда: Таксимо
Рейтинг сообщения: 0
http://radiostorage.net/uploads/Image/schemes/others/us3-50.png

_________________
Мои поставщики запчастей с отличной репутацией
texnomag.ru
radioremont.com
pl-1.org
4ip.info
elitan.ru


Вернуться наверх
 
Не в сети
 Заголовок сообщения: Re: Проверка часового резонатора.
СообщениеДобавлено: Чт ноя 10, 2016 19:12:11 
Открыл глаза

Зарегистрирован: Чт сен 24, 2015 05:29:13
Сообщений: 75
Рейтинг сообщения: 0
Все правильно собирал и работает. Измерял частотомером,а там частота более-10 МГц!!!!!!!!! :shock: Пробовал менял конденсатор на 1нФ и частота убавилось,но нестабильно и странно генериет от 60кГц до 65кГц! Убрал резонатор,но не меняет частота! что это? Паразитные связи?


Вернуться наверх
 
Не в сети
 Заголовок сообщения: Re: Проверка часового резонатора.
СообщениеДобавлено: Чт ноя 10, 2016 20:17:50 
Друг Кота
Аватар пользователя

Карма: 59
Рейтинг сообщений: 2218
Зарегистрирован: Чт янв 26, 2012 16:44:29
Сообщений: 19588
Откуда: Таксимо
Рейтинг сообщения: 0
Я тебе постом выше выложил рабочую схему генератора. Зачем ты туда ставил 1нф можешь обьяснить?

_________________
Мои поставщики запчастей с отличной репутацией
texnomag.ru
radioremont.com
pl-1.org
4ip.info
elitan.ru


Вернуться наверх
 
Не в сети
 Заголовок сообщения: Re: Проверка часового резонатора.
СообщениеДобавлено: Чт ноя 10, 2016 21:32:23 
Это не хвост, это антенна
Аватар пользователя

Карма: 17
Рейтинг сообщений: 227
Зарегистрирован: Вс май 13, 2012 00:01:54
Сообщений: 1453
Рейтинг сообщения: 2
62пф - слишком много. Надо 16-22пф.
1Мом - слишком мало. Надо 10Мом.
200Ком - возможно много. Попробуйте от 200 ом и выше.

Не использовали-ли паяльный флюс из магазина? Это наверняка кранты.
Блокировочный конденсатор по питанию Рядом с микрой поставили?

Два конденсатора на ногах кварца образуют фазо-инвертирующую цепь,
необходимую для генерации. Поэтому важно кратчайшее расстояние по "земле"
между ними, между их общей точкой и "землей" микросхемы, между микрой и кварцем.

ПС. Вот. Пользуюсь много лет.


Вложения:
Безымянный.GIF [10 KiB]
Скачиваний: 1738
Вернуться наверх
 
Не в сети
 Заголовок сообщения: Re: Проверка часового резонатора.
СообщениеДобавлено: Пт ноя 11, 2016 06:35:22 
Открыл глаза

Зарегистрирован: Чт сен 24, 2015 05:29:13
Сообщений: 75
Рейтинг сообщения: 0
vlasovzloy писал(а):
Я тебе постом выше выложил рабочую схему генератора. Зачем ты туда ставил 1нф можешь обьяснить?

Проверка на наличие паразитные генерации. А второй вариант сразу запускается,когда обнаружил тончайшая сопля(тестирование омметром) между 6 и 7 ноги микросхемы.


Вернуться наверх
 
Не в сети
 Заголовок сообщения: Re: Проверка часового резонатора.
СообщениеДобавлено: Пт ноя 11, 2016 13:58:41 
Это не хвост, это антенна
Аватар пользователя

Карма: 17
Рейтинг сообщений: 227
Зарегистрирован: Вс май 13, 2012 00:01:54
Сообщений: 1453
Рейтинг сообщения: 0
Второй вариант не отличается высокой стабильностью частоты. И подстройки частоты нет. А вы же часы делаете...


Вернуться наверх
 
Не в сети
 Заголовок сообщения: Re: Проверка часового резонатора.
СообщениеДобавлено: Пт ноя 11, 2016 14:12:43 
Поставщик валерьянки для Кота
Аватар пользователя

Карма: 29
Рейтинг сообщений: 354
Зарегистрирован: Вс июл 11, 2010 14:39:04
Сообщений: 2458
Откуда: Россия.
Рейтинг сообщения: 0
Ariadna-on-Line писал(а):
подстройки частоты нет.
Т.к. второй генератор работает на частоте последовательного резонанса в отличии от первого, где кварц работает на частоте параллельного резонанса, то у генератора по второй схеме частота чуть ниже, чем у первого и если есть необходимость частоту подстроить, то нужно просто последовательно с кварцем поставить конденсатор.
Удобнее подстроечный.

Изображение

Основной недостаток второй схемы только в том, что в ней больше деталей.


Вложения:
1.PNG [50.61 KiB]
Скачиваний: 9591
Вернуться наверх
 
Не в сети
 Заголовок сообщения: Re: Проверка часового резонатора.
СообщениеДобавлено: Пт ноя 11, 2016 14:39:53 
Это не хвост, это антенна
Аватар пользователя

Карма: 17
Рейтинг сообщений: 227
Зарегистрирован: Вс май 13, 2012 00:01:54
Сообщений: 1453
Рейтинг сообщения: 0
,,,Стабильность второго генератора выше, чем первого, т.к. он работает на частоте последовательного резонанса,,,

Буду рад ссылке на литературу именно по этому пункту. Ученье свет знаете ли.


Последний раз редактировалось Ariadna-on-Line Пт ноя 11, 2016 15:21:59, всего редактировалось 1 раз.

Вернуться наверх
 
Не в сети
 Заголовок сообщения: Re: Проверка часового резонатора.
СообщениеДобавлено: Пт ноя 11, 2016 14:51:00 
Открыл глаза

Зарегистрирован: Чт сен 24, 2015 05:29:13
Сообщений: 75
Рейтинг сообщения: 0
Ariadna-on-Line писал(а):
Второй вариант не отличается высокой стабильностью частоты. И подстройки частоты нет. А вы же часы делаете...

Нет,не делаю часы! Использую как в качестве калибратора.

Добавлено after 3 minutes 34 seconds:
Lazy писал(а):
Ariadna-on-Line писал(а):
подстройки частоты нет.
Т.к. второй генератор работает на частоте последовательного резонанса в отличии от первого, где кварц работает на частоте параллельного резонанса, то у генератора по второй схеме частота чуть ниже, чем у первого и если есть необходимость частоту подстроить, то нужно просто последовательно с кварцем поставить конденсатор.
Удобнее подстроечный.


Основной недостаток второй схемы только в том, что в ней больше деталей.

Подстроечный конденсатор хватит на 5-25 Пф из старого радиоприемника?


Вернуться наверх
 
Не в сети
 Заголовок сообщения: Re: Проверка часового резонатора.
СообщениеДобавлено: Пт ноя 11, 2016 17:06:55 
Это не хвост, это антенна
Аватар пользователя

Карма: 17
Рейтинг сообщений: 227
Зарегистрирован: Вс май 13, 2012 00:01:54
Сообщений: 1453
Рейтинг сообщения: 2
Практически все кварцы в мире делаются для параллельного резонанса. На последовательном - частота будет не степенью двойки как 32768=2^15, а ниже. И вывести ее внешним конденсатором вряд ли удастся.

ПС. К схеме что выше. Мож кому сгодится кварцы тестить и частоты задавать.


Вложения:
Безымянный.GIF [31.11 KiB]
Скачиваний: 1353
Вернуться наверх
 
В сети
 Заголовок сообщения: Re: Проверка часового резонатора.
СообщениеДобавлено: Пт ноя 11, 2016 21:29:31 
Друг Кота
Аватар пользователя

Карма: 197
Рейтинг сообщений: 8604
Зарегистрирован: Пн ноя 30, 2009 03:00:01
Сообщений: 43194
Откуда: Нерезиновая
Рейтинг сообщения: 0
Сибириец1982 писал(а):
не делаю часы! Использую как в качестве калибратора.

Калибратор на часовом кварце? :shock:
Сибириец1982 писал(а):
Подстроечный конденсатор на 5-25 Пф из старого радиоприемника?
Пойдет.. :dont_know: Какая разница, "из старого" или "из нового" радиоприёмника.. А он сильно большой?


Вернуться наверх
 
Не в сети
 Заголовок сообщения: Re: Проверка часового резонатора.
СообщениеДобавлено: Вс ноя 20, 2016 19:48:59 
Вымогатель припоя
Аватар пользователя

Карма: 17
Рейтинг сообщений: 118
Зарегистрирован: Вс июл 17, 2016 04:38:20
Сообщений: 635
Откуда: Минск
Рейтинг сообщения: 0
Из старого радиоприёмника... Хм, думаю что-то около сантиметра в диаметре.
Можно кстати часовые кварцы на предмет годности проверять с помощью К176ИЕ5. Посчитать, сколько за минуту импульсов на выходе. Точность низкая, зато повторяемость высокая

_________________
память не сверло
Имея один мультиметр, можно измерить всё, кроме платы самого мультиметра.
Имея два мультиметра, можно измерить вообще всё.


Вернуться наверх
 
Не в сети
 Заголовок сообщения: Про кварц 32.768
СообщениеДобавлено: Вт янв 17, 2017 21:42:01 
Мучитель микросхем
Аватар пользователя

Карма: 4
Рейтинг сообщений: 16
Зарегистрирован: Пт янв 14, 2011 15:30:21
Сообщений: 412
Рейтинг сообщения: 0
Собрал сейчас схему для проверки кварцев, генератор самый обычный на К561ЛА7.
Подтыкаю кварц - работает, и так со всей кучкой, но радость была не долгой, проверяя кварцы по второму кругу, часть работать перестала, в чем проблема? Схема питалась 8..9в, я нигде не видел ограничения по напряжению у них, почему летят? :dont_know:


Вложения:
561.gif [9.03 KiB]
Скачиваний: 1228
Вернуться наверх
 
Не в сети
 Заголовок сообщения: Re: Проверка часового резонатора.
СообщениеДобавлено: Ср янв 18, 2017 04:29:38 
Друг Кота

Карма: 64
Рейтинг сообщений: 1023
Зарегистрирован: Пт мар 07, 2008 06:54:43
Сообщений: 4377
Откуда: Ижевск
Рейтинг сообщения: 0
Maklesha писал(а):
Схема питалась 8..9в, я нигде не видел ограничения по напряжению
Видимо, превышена допустимая мощность.
СпойлерИзображение
Вложение:
мощность часового кварца.PNG [82.97 KiB]
Скачиваний: 1063


Вернуться наверх
 
Не в сети
 Заголовок сообщения: Re: Проверка часового резонатора.
СообщениеДобавлено: Вт янв 31, 2017 11:07:53 
Друг Кота

Карма: 64
Рейтинг сообщений: 1023
Зарегистрирован: Пт мар 07, 2008 06:54:43
Сообщений: 4377
Откуда: Ижевск
Рейтинг сообщения: 0
Может кому будет интересен разброс частоты часовых кварцев KX-327RT при формировании интервала 60 секунд.
СпойлерИзображение
Вложение:
кварц 32768-минута 001_01.jpg [58.63 KiB]
Скачиваний: 904

Для расчета частоты можно пользоваться выражением 1966080000000/T. Например для самого большого отклонения 1966080000000/59997891,1~32769,15Гц


Вернуться наверх
 
Не в сети
 Заголовок сообщения: Re: Проверка часового резонатора.
СообщениеДобавлено: Чт фев 14, 2019 13:37:27 
Опытный кот
Аватар пользователя

Карма: 8
Рейтинг сообщений: 33
Зарегистрирован: Чт ноя 08, 2012 22:28:05
Сообщений: 795
Откуда: Ижевск
Рейтинг сообщения: 0
Подниму тему ) возник вопрос, а как измерить точные параметры кварца? Допустим часы бегут, отстают, нужно знать кто виноват, глюк прошивки, микросхемы, а может все же сам кварц? А может кварц на контроллере не соответствует номиналу? Долгое гугление вывело на одни и те же древние схемы, где написано "измеряют от 4х МГц" и китайский прибор, где в описании написано, что для измерения часовых кварцев он не подходит... А что подходит? Что делать если надо измерить именно точную частоту часовых кварцев? Ну в идеале какой то универсальный прибор для кварцев хотя бы до 20 МГц.


Вернуться наверх
 
Показать сообщения за:  Сортировать по:  Вернуться наверх
Начать новую тему Ответить на тему  [ Сообщений: 59 ]    , 2,  

Часовой пояс: UTC + 3 часа


Кто сейчас на форуме

Сейчас этот форум просматривают: нет зарегистрированных пользователей и гости: 37


Вы не можете начинать темы
Вы не можете отвечать на сообщения
Вы не можете редактировать свои сообщения
Вы не можете удалять свои сообщения
Вы не можете добавлять вложения

Найти:
Перейти:  


Powered by phpBB © 2000, 2002, 2005, 2007 phpBB Group
Русская поддержка phpBB
Extended by Karma MOD © 2007—2012 m157y
Extended by Topic Tags MOD © 2012 m157y