Например TDA7294

Форум РадиоКот • Просмотр темы - Определение перехода ~220 через "0"
Форум РадиоКот
Здесь можно немножко помяукать :)

Текущее время: Сб фев 07, 2026 16:45:11

Часовой пояс: UTC + 3 часа


ПРЯМО СЕЙЧАС:



Форум закрыт Эта тема закрыта, Вы не можете редактировать и оставлять сообщения в ней.  [ Сообщений: 56 ]  1, ,  
Автор Сообщение
Не в сети
 Заголовок сообщения: Определение перехода ~220 через "0"
СообщениеДобавлено: Ср ноя 19, 2008 13:12:43 
Встал на лапы
Аватар пользователя

Зарегистрирован: Сб ноя 08, 2008 21:23:06
Сообщений: 108
Откуда: Харьков
Рейтинг сообщения: 0
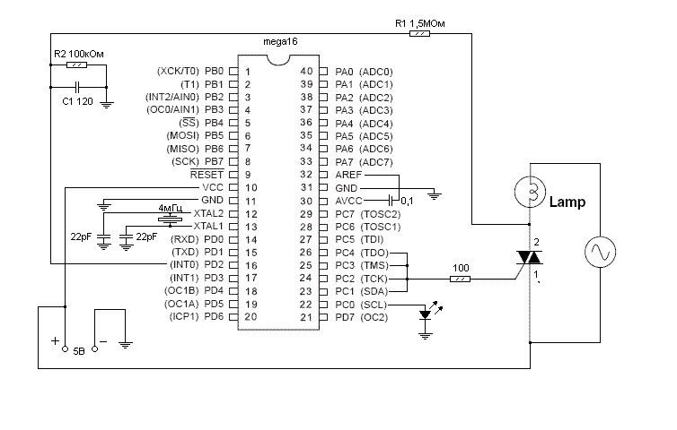
Здравствуйте. Я делаю сенсорный включатель с регулируемой мощностью. Проблема вышла на этапе определения перехода 0 в сети. Использую внешнее прерывание INT0 по спаду. Вывод INT0 назначен как вход без подтяжки. Для того чтобы проверить работает ли вообще прерывание по переходу через 0 в МK (mega16) прошита программа: при каждом прерывании инкрементировать переменную, а в основном цикле программы: инвертировать PORTC.0 (к нему припаян светодиод) и обнулять переменную если переменная>49.
То есть светодиод должен моргать с частотой 1гц.

Eесли запутано, основной цикл программы:

void main (void) {
if (peremenaya>49) {
PORTC.0 ^= 1;
peremenaya = 0;
};
};

Если просто подключать и убирать на вывод INT0 питание, то прерывание срабатывает, так как нужно; а вот в спаянной схеме с резисторами R1, R2 и C1 - как только включаю силовую розетку в цепь, непонятно что происходит с сопротивлением R1. При его прозвонке тестер уже не показывает 1.5МОм, а показывает обрыв. Выпаяю - звонится, 1.5МОм, впаиваю назад, включаю в сеть - опять контакт пропадает. Извините за много букв


Вложения:
Комментарий к файлу: Схема стенда
Схема.GIF [15.93 KiB]
Скачиваний: 3617


Последний раз редактировалось kvark85 Вс ноя 23, 2008 16:24:59, всего редактировалось 2 раз(а).
Вернуться наверх
 
Не в сети
 Заголовок сообщения:
СообщениеДобавлено: Чт ноя 20, 2008 06:03:52 
Друг Кота

Карма: 66
Рейтинг сообщений: 1025
Зарегистрирован: Пт мар 07, 2008 06:54:43
Сообщений: 4393
Откуда: Ижевск
Рейтинг сообщения: 0
Здравствуйте. Вместо 0.125 Вт 1.5МОм установите 2 резистора по 0.5 Вт 3МОм. То, что резистор R1 уходит в обрыв-счастье для контроллера, т.к. сейчас на вход INT0 подаются ничем не ограниченные 20V в амплитуде.
Странное подключение резистора R1- после нагрузки. Предположим, что схема заработает и лампочка включится? Я бы подключил до нагрузки.


Вернуться наверх
 
Не в сети
 Заголовок сообщения:
СообщениеДобавлено: Чт ноя 20, 2008 12:54:44 
Встал на лапы
Аватар пользователя

Зарегистрирован: Сб ноя 08, 2008 21:23:06
Сообщений: 108
Откуда: Харьков
Рейтинг сообщения: 0
я собираюсь делать включатель света из которого выходить будут два провода, они же и питание. так что R1 получается после нагрузки. а номинал гасящего сопротивления R1 я взял исходя из других схем подобного плана и их апликухи AVR182 (переход через ноль).
Вот примеры.
Если я чего то не понимаю или делаю не так - обьясните.


Вложения:
Комментарий к файлу: В этом примере гасящее сопротивление вобще 1 МОм.
Пример 3.gif [16.15 KiB]
Скачиваний: 2457
Комментарий к файлу: Вот картинка вклячения из апликухи,сумарное сопротивление 2 МОм, кстати при таком включении моргать лампочкой при помощи симистора не получилось.
Пример2.GIF [7.47 KiB]
Скачиваний: 1677
Комментарий к файлу: Поскольку МК AVR - схему гасящей цепочки я взял с нее
Пример.GIF [21.61 KiB]
Скачиваний: 1884
Вернуться наверх
 
Не в сети
 Заголовок сообщения:
СообщениеДобавлено: Чт ноя 20, 2008 20:06:21 
Вымогатель припоя

Зарегистрирован: Чт окт 18, 2007 16:45:30
Сообщений: 543
Откуда: из Питера
Рейтинг сообщения: 0
Я вот чего думаю, по первой схеме.
Подключение и разводка:
Управляющий прибор (симмистор) соединён гальванической связью в положительной шиной питания МК.
Т.е управляющее напряжение обратное(инвертированное).
Падение напряжения на нагрузке(лампочке) не постоянное. Оно будет менятся в зависимости от её нагрева (проводимости) и довольно в больших пределах.
Коеэф. деления линии определения фазы (синхронизация, переход через ноль*) производит понижение диапазона напряжения и как следствие сдвиг фазы по времени. Т.е. МК определит лог уровень при достаточной величине напряжения, а она будет только в при наступлении определённого момента (напряжения в сети, которое уже будет гораздо больше нуля и ушло по времени).
Алгоритм:
ШИМ будет само себя синхронизировать.






*-переход через ноль необходимо определять непомредственно для того чтобы "пересбросить" "заклинившийся" симмистор. А также для синхронизации ШИМ нагруки.

_________________
простое чмо, выдумщик


Вернуться наверх
 
Эиком - электронные компоненты и радиодетали
Не в сети
 Заголовок сообщения:
СообщениеДобавлено: Пт ноя 21, 2008 00:22:25 
Друг Кота
Аватар пользователя

Карма: 1
Рейтинг сообщений: 4
Зарегистрирован: Пт авг 10, 2007 12:49:55
Сообщений: 3051
Откуда: kr.ua
Рейтинг сообщения: 0
akl писал(а):
сейчас на вход INT0 подаются ничем не ограниченные 20V в амплитуде.


Ограниченное внутренними диодами.


Вернуться наверх
 
Не в сети
 Заголовок сообщения:
СообщениеДобавлено: Пт ноя 21, 2008 01:37:59 
Вымогатель припоя

Зарегистрирован: Чт окт 18, 2007 16:45:30
Сообщений: 543
Откуда: из Питера
Рейтинг сообщения: 0
Полупроводниковый прибор - Диод, прямой ток не ограничивает(только выходом из строя(перегоранием)).
Это не динисистор.

Применяемая развязка (на каждом контакте МК(внутренняя, встроенн ая)) ограничивает отрицательные(противоположные по направлению) всплески. Возникающие скажем при размыкании контактов, подключении оборудования, отключения "инертных" приборов(обмоток трансформаторов, дросселей, катушек реле, эл.лапочек, длинных проводов, электромоторов и т.п. ). И имеют ограничения по максимальному току(не значительные) и напряжению.

И б на них не надеялся.
Только на низковольтных, слаботочных схемах.
О чём указано в ТО на МК.

_________________
простое чмо, выдумщик


Вернуться наверх
 
Не в сети
 Заголовок сообщения:
СообщениеДобавлено: Пт ноя 21, 2008 01:46:55 
Друг Кота
Аватар пользователя

Карма: 1
Рейтинг сообщений: 4
Зарегистрирован: Пт авг 10, 2007 12:49:55
Сообщений: 3051
Откуда: kr.ua
Рейтинг сообщения: 0
MetEl писал(а):
Полупроводниковый прибор - Диод, прямой ток не ограничивает(только выходом из строя(перегоранием)).


Диодов там 2, к 0 и к Vcc. Возьмите тестер, проверьте. На всех сигнальных лапах, кроме ресета - есть.


Вернуться наверх
 
Не в сети
 Заголовок сообщения:
СообщениеДобавлено: Пт ноя 21, 2008 07:36:17 
Друг Кота

Карма: 66
Рейтинг сообщений: 1025
Зарегистрирован: Пт мар 07, 2008 06:54:43
Сообщений: 4393
Откуда: Ижевск
Рейтинг сообщения: 0
kvark85 писал(а):
...Если я чего то не понимаю или делаю не так - обьясните.

Здравствуйте. Какого типа резистор Вы применили в качестве R1 не знаю; привожу данные по предельным рабочим напряжениям для двух типов С2-23(слева) и МЛТ(справа).


Вернуться наверх
 
Не в сети
 Заголовок сообщения:
СообщениеДобавлено: Сб ноя 22, 2008 14:50:08 
Сверлит текстолит когтями
Аватар пользователя

Зарегистрирован: Вт июл 08, 2008 12:24:17
Сообщений: 1148
Рейтинг сообщения: 0
Я бы порекомендовал для пользы дела почитать апноты на тему "transformerless power supply" (есть много у кого, а у микрочипа (AN954) там же и регистрация перехода через ноль хорошая предложена) и внимательно изучить вот это, тогда многие вопросы отпадут.


Вернуться наверх
 
Не в сети
 Заголовок сообщения:
СообщениеДобавлено: Вс ноя 23, 2008 13:30:31 
Встал на лапы
Аватар пользователя

Зарегистрирован: Сб ноя 08, 2008 21:23:06
Сообщений: 108
Откуда: Харьков
Рейтинг сообщения: 0
все, теперь с сопративлением все впорядке, в обрыв не уходит. но момент пересечения 0 фиксировать так и не удается.изменил схему. исключил симистор вобще. на данном этапе мне надо четко фиксировать переход через 0, и все. между Т1 и Т2 должен быть меандр с частотоц 50Гц и амплитудой 5В. вольтметр разность потенциалов между точками не показывает вобще. нет там напряжения. непойму почему. вроде схема аналогична всем диммерам которые я рассматривал. чтото упустил? не могу понять как вобще сетевое напряжение будет сказываться на ножке INT0 при том как другой провод ~220 подсоединен к +5В.


Вложения:
Комментарий к файлу: Измененная схема
Стенд.GIF [14.8 KiB]
Скачиваний: 1769
Вернуться наверх
 
Не в сети
 Заголовок сообщения:
СообщениеДобавлено: Пн ноя 24, 2008 00:29:10 
Модератор
Аватар пользователя

Карма: 10
Рейтинг сообщений: 7
Зарегистрирован: Пт июл 21, 2006 03:08:05
Сообщений: 3174
Откуда: Пенза
Рейтинг сообщения: 0
kvark85 писал(а):
вроде схема аналогична всем диммерам которые я рассматривал.

А я вроде всё больше видел, чтобы с общим проводом ~220 соединяли. :roll: Попробуйте так.
kvark85 писал(а):
между Т1 и Т2 должен быть меандр с частотоц 50Гц и амплитудой 5В

Что-то не пойму, а как вы определили, что 5 В?

_________________
Если долго мучиться, что-нибудь... сломается.


Вернуться наверх
 
Не в сети
 Заголовок сообщения:
СообщениеДобавлено: Пн ноя 24, 2008 18:32:15 
Нашел транзистор. Понюхал.
Аватар пользователя

Зарегистрирован: Чт мар 20, 2008 20:33:43
Сообщений: 173
Рейтинг сообщения: 0
Я делал просмотрев предварительно апноут. Работает.

/// увеличил размер картинки, чтобы было лучше видно


Вложения:
incubator1.jpg [99.6 KiB]
Скачиваний: 1946
Вернуться наверх
 
Не в сети
 Заголовок сообщения:
СообщениеДобавлено: Вт ноя 25, 2008 01:18:18 
Встал на лапы
Аватар пользователя

Зарегистрирован: Сб ноя 08, 2008 21:23:06
Сообщений: 108
Откуда: Харьков
Рейтинг сообщения: 0
Паятель, привожу схемы где показано как имено соединена ~220 с +, практически везде так.


Вложения:
Комментарий к файлу: Пояснение 1
Пример 22.GIF [16.92 KiB]
Скачиваний: 1845
Комментарий к файлу: Пояснение 2
Пример11.GIF [21.74 KiB]
Скачиваний: 1259
Вернуться наверх
 
Не в сети
 Заголовок сообщения:
СообщениеДобавлено: Вт ноя 25, 2008 01:20:59 
Встал на лапы
Аватар пользователя

Зарегистрирован: Сб ноя 08, 2008 21:23:06
Сообщений: 108
Откуда: Харьков
Рейтинг сообщения: 0
Паятель, а вот выкладываю апноут AVR182, в котором описывается почему на ноге должен быть меандр +5В. Из за подтягивающего диода к питанию...


Вложения:
Комментарий к файлу: AVR182
AVR182.zip [1.93 KiB]
Скачиваний: 811
Вернуться наверх
 
Не в сети
 Заголовок сообщения:
СообщениеДобавлено: Вт ноя 25, 2008 01:26:37 
Встал на лапы
Аватар пользователя

Зарегистрирован: Сб ноя 08, 2008 21:23:06
Сообщений: 108
Откуда: Харьков
Рейтинг сообщения: 0
delay, интересное решение. только схема изначально задумывалась с как можно меньшим количеством запчастей. MOC3021 не нужен, и надо как то всетаки умудриться отследить переход через 0 при подключении 220 к +. Я вот что думаю, у меня вывод INT0 был установлен как вход без подтяжки, может его сделать выхадом с установленым на нем 1, или выходом с установленым 0...


Вернуться наверх
 
Не в сети
 Заголовок сообщения:
СообщениеДобавлено: Вт ноя 25, 2008 07:54:23 
Нашел транзистор. Понюхал.
Аватар пользователя

Зарегистрирован: Чт мар 20, 2008 20:33:43
Сообщений: 173
Рейтинг сообщения: 0
Не думаю, что на моей схеме много деталей. Об оптроне речь не шла. Делайте управление силовой частью, как пожелаете. Я привел свою схему, чтобы показать по теме. как реализовал контроль похождения фазы через ноль, а там всего два резистора согласно апноуту. На INT1 соответственно получается меандр с частотой 50Гц амплитудой чуть меньше 5В.
Int1 сконфигурирован, как вход без подтягивающего резистора.
Код:
interrupt [EXT_INT1] void ext_int1_isr(void)
{
//фаза прошла через 0   
//Произошло внешнее прерывание - запуситить таймер
if(NIGHT == 1)// Если стемнело
        {
        TCNT1H=(char)(PHAZA>>8);
        TCNT1L=(char)(PHAZA);
        TCCR1B=0x04;  //Старт T1
        STEP++; //счет для повтора значений данной ширины импульса определенное число раз
        }   
}

С момента перехода фазы начинается отсчет для управления углом открывания симистора.
Куда проще?
//Думаю понятно, что все, что находится в теле функции внешнего прерывания - это реализация конкретного моего примера. В вашем случае там будет другой код. У меня происходит плавное изменения яркости лампы.


Вернуться наверх
 
Не в сети
 Заголовок сообщения:
СообщениеДобавлено: Ср ноя 26, 2008 01:08:13 
Встал на лапы
Аватар пользователя

Зарегистрирован: Сб ноя 08, 2008 21:23:06
Сообщений: 108
Откуда: Харьков
Рейтинг сообщения: 0
Все, разобрался, спасибо всем. проблема была такая пустяковая... аж стыдно говорить. перепутал R2. впаял вместо 100КОм 100 Oм.


Вернуться наверх
 
Не в сети
 Заголовок сообщения:
СообщениеДобавлено: Ср май 20, 2009 22:17:39 
Потрогал лапой паяльник
Аватар пользователя

Зарегистрирован: Вс мар 04, 2007 13:14:25
Сообщений: 375
Откуда: Украина
Рейтинг сообщения: 0
Хочю сделать подобное только для паяльника, сначала решил разобраться с определением перехода через 0. Если у кого есть поделитесь схемой детектора нуля только у меня питание не в разрыв нагрузки, а как обычно от БП. Если правельно понял алгоритм, то нада по срабатыванию прерываний INT включать ШИМ... Или что-то не так?

_________________
Изображение


Вернуться наверх
 
Не в сети
 Заголовок сообщения:
СообщениеДобавлено: Чт май 21, 2009 00:55:48 
Встал на лапы
Аватар пользователя

Зарегистрирован: Сб ноя 08, 2008 21:23:06
Сообщений: 108
Откуда: Харьков
Рейтинг сообщения: 0
после перехода через 0 я включал таймер, ждал сколько нужно для фазовой регулировки мощности - затем подавал открывающий импульс на симистор. понятно обьяснил? могу выслать на почту апликуху по фазовому регулированию мощности и апликуху по определению перехода через 0. также могу выслать проект в протуесе который показывает наглядно смысл фазового регулирования и в котором можно понажимать на кнопочки:) сам делал:)

вот тут подумал... впринципе если не разберетесь, я могу перекинуть побыстрому пару контактов в диммере своем, и будет практически готовый регулятьр мощности. из тела програмки надо будет убрать сенсорную кнопку и сделать какое то удобное регулирование мощности, несколькими кнопками или резистором...


Вернуться наверх
 
Не в сети
 Заголовок сообщения:
СообщениеДобавлено: Чт май 21, 2009 10:03:10 
Мявтор!
Аватар пользователя

Карма: 24
Рейтинг сообщений: 0
Зарегистрирован: Чт авг 07, 2008 09:12:38
Сообщений: 878
Откуда: не скажу
Рейтинг сообщения: 0
Медали: 1
Получил миской по аватаре (1)
http://radiokot.ru/circuit/power/converter/17/

Регулятор мощности паяльника с цифровой индикацией и кнопочным управлением.

см в исходниках переход через ноль
см включение и бестрансформаторное питание

никакие прерывания и ШИМ не нужны :)))

_________________
натуральная блондинка


Вернуться наверх
 
Показать сообщения за:  Сортировать по:  Вернуться наверх
Форум закрыт Эта тема закрыта, Вы не можете редактировать и оставлять сообщения в ней.  [ Сообщений: 56 ]  1, ,  

Часовой пояс: UTC + 3 часа


Кто сейчас на форуме

Сейчас этот форум просматривают: нет зарегистрированных пользователей и гости: 10


Вы не можете начинать темы
Вы не можете отвечать на сообщения
Вы не можете редактировать свои сообщения
Вы не можете удалять свои сообщения
Вы не можете добавлять вложения

Найти:
Перейти:  


Powered by phpBB © 2000, 2002, 2005, 2007 phpBB Group
Русская поддержка phpBB
Extended by Karma MOD © 2007—2012 m157y
Extended by Topic Tags MOD © 2012 m157y