Например TDA7294

Форум РадиоКот • Просмотр темы - плавное вкл/выкл светодиодов
Форум РадиоКот
Здесь можно немножко помяукать :)

Текущее время: Сб мар 07, 2026 23:28:49

Часовой пояс: UTC + 3 часа


ПРЯМО СЕЙЧАС:



Начать новую тему Ответить на тему  [ Сообщений: 23 ]  1,  
Автор Сообщение
 Заголовок сообщения: плавное вкл/выкл светодиодов
СообщениеДобавлено: Вт дек 08, 2009 00:58:56 
Встал на лапы
Аватар пользователя

Зарегистрирован: Вт дек 08, 2009 00:53:56
Сообщений: 130
Рейтинг сообщения: 0
здравствуйте, надеюсь попал в нужный раздел. помогите пожалуйста схемкой. хочу чтоб на одном устройстве где уже установлены светодиоды сделать плавное освещение, а именно когда включается подсветка чтобы загоралось плавно и также когда выключалось - то тоже плавно. 1-3 секунд. никаких задержек до и после.
интеграция конкретно в линейку светодиодов, которые 3-ех вольтовые. хотелось бы конечно чем меньше тем лучше, на 555 или в крайнем случае на какомто атмеле, но только с исходником кода желательно ;)
заранее спасибо!


Вернуться наверх
 
 Заголовок сообщения: Re: плавное вкл/выкл светодиодов
СообщениеДобавлено: Вт дек 08, 2009 11:34:15 
Сверлит текстолит когтями
Аватар пользователя

Карма: 1
Рейтинг сообщений: 4
Зарегистрирован: Чт окт 15, 2009 14:16:18
Сообщений: 1116
Откуда: Екб
Рейтинг сообщения: 0
flusher писал(а):
хотелось бы конечно чем меньше тем лучше, на 555 или в крайнем случае на какомто атмеле, но только с исходником кода

Транзистор + конденсатор чем не устраивает?


Вернуться наверх
 
 Заголовок сообщения:
СообщениеДобавлено: Вт дек 08, 2009 14:43:43 
Встал на лапы
Аватар пользователя

Зарегистрирован: Вт дек 08, 2009 00:53:56
Сообщений: 130
Рейтинг сообщения: 0
единственное что нашел так вот это:
Изображение
но тут предназначение что последовательно светодиоды мигают плавно
пробовал собрать только одну цепь диода. просто горит и все.
помогите схемкой плиз


Вернуться наверх
 
 Заголовок сообщения:
СообщениеДобавлено: Вт дек 08, 2009 15:00:44 
Сверлит текстолит когтями
Аватар пользователя

Карма: 1
Рейтинг сообщений: 4
Зарегистрирован: Чт окт 15, 2009 14:16:18
Сообщений: 1116
Откуда: Екб
Рейтинг сообщения: 0
Это вообще какая-то мигалка для ёлки :)) Чтоб работало, надо минимум 2 плеча собрать.
Схему? Ну вот вам "схема" :) :
Изображение
Потенциометром регулируется задержка. Чтоб номиналы прикинуть, скажите ток и напряжение этой вашей "светодиодной подсветки".


Вложения:
.GIF [1.78 KiB]
Скачиваний: 696
Вернуться наверх
 
Эиком - электронные компоненты и радиодетали
 Заголовок сообщения:
СообщениеДобавлено: Вт дек 08, 2009 15:04:15 
Говорящий с текстолитом

Зарегистрирован: Чт авг 06, 2009 20:34:52
Сообщений: 1627
Откуда: Новосибирск
Рейтинг сообщения: 0
flusher писал(а):
.....
помогите схемкой плиз


Вложения:
Slow.gif [1.72 KiB]
Скачиваний: 831
Вернуться наверх
 
 Заголовок сообщения:
СообщениеДобавлено: Вт дек 08, 2009 15:06:21 
Говорящий с текстолитом

Зарегистрирован: Чт авг 06, 2009 20:34:52
Сообщений: 1627
Откуда: Новосибирск
Рейтинг сообщения: 0
AI_Disable писал(а):
.....Схему? Ну вот вам "схема" ......

Транзистор откроется и "кердык" светодиоду, а заодно и транзистору... :cry:


Вернуться наверх
 
 Заголовок сообщения:
СообщениеДобавлено: Вт дек 08, 2009 15:06:31 
Встал на лапы
Аватар пользователя

Зарегистрирован: Вт дек 08, 2009 00:53:56
Сообщений: 130
Рейтинг сообщения: 0
спасибо большое. щас на коленке попробую
девайс еще не разбирал. знаю только что диоды 3вольта, а так хз. а как померять правильно? последовательно тестер врубить?


Вернуться наверх
 
 Заголовок сообщения:
СообщениеДобавлено: Вт дек 08, 2009 15:07:32 
Встал на лапы
Аватар пользователя

Зарегистрирован: Вт дек 08, 2009 00:53:56
Сообщений: 130
Рейтинг сообщения: 0
ладно, попробуем вторую


Вернуться наверх
 
 Заголовок сообщения:
СообщениеДобавлено: Вт дек 08, 2009 15:12:09 
Сверлит текстолит когтями
Аватар пользователя

Карма: 1
Рейтинг сообщений: 4
Зарегистрирован: Чт окт 15, 2009 14:16:18
Сообщений: 1116
Откуда: Екб
Рейтинг сообщения: 0
YAA писал(а):
AI_Disable писал(а):
.....Схему? Ну вот вам "схема" ......

Транзистор откроется и "кердык" светодиоду, а заодно и транзистору... :cry:

Да, вы так уверены? :)) Напрасно. Я ведь специально не указал ни одного номинала и напряжения питания... Зачем гадать, если не знаешь ни о каких светодиодах идёт реч, ни о каком Uпит.


Вернуться наверх
 
 Заголовок сообщения:
СообщениеДобавлено: Вт дек 08, 2009 15:16:56 
Встал на лапы
Аватар пользователя

Зарегистрирован: Вт дек 08, 2009 00:53:56
Сообщений: 130
Рейтинг сообщения: 0
собрал по второй схеме
поставил
р1 - 22к
р2 - 68р
с1 - 100мкф 35в
транз - бц547с

загорается классно, секунды 2. но когда снимаешь питание с базы то гаснет очень долго - секунд 10 и потом всеравно светится тускло!

и еще попутный вопрос. если диодов будет несколько, транзистор потянет цепочку скажем из 5 штук?


Вернуться наверх
 
 Заголовок сообщения:
СообщениеДобавлено: Вт дек 08, 2009 15:25:26 
Поставщик валерьянки для Кота
Аватар пользователя

Карма: 2
Рейтинг сообщений: 11
Зарегистрирован: Пт май 23, 2008 19:32:22
Сообщений: 2401
Откуда: Россия, Волгоград
Рейтинг сообщения: 0
Медали: 1
Получил миской по аватаре (1)
AI_Disable писал(а):
YAA писал(а):
AI_Disable писал(а):
.....Схему? Ну вот вам "схема" ......

Транзистор откроется и "кердык" светодиоду, а заодно и транзистору... :cry:

Да, вы так уверены? :)) Напрасно. Я ведь специально не указал ни одного номинала и напряжения питания... Зачем гадать, если не знаешь ни о каких светодиодах идёт реч, ни о каком Uпит.

При разомкнутой цепи, после того как кондер зарядится, база будет болтаться в воздухе, а для биполярника - это смерти подобно.

_________________
Чем дальше, тем больше становлюсь занудой...
Изображение


Вернуться наверх
 
 Заголовок сообщения:
СообщениеДобавлено: Вт дек 08, 2009 15:28:23 
Встал на лапы
Аватар пользователя

Зарегистрирован: Вт дек 08, 2009 00:53:56
Сообщений: 130
Рейтинг сообщения: 0
пробовал разные кондеры - 100 на 10в, 47 на 10в. засвечивается - устроивает. а вот тухнет ну очень медленно, секунд 10. но тухнет полностью (поспешил выше с выводами).
что делать?


Вернуться наверх
 
 Заголовок сообщения:
СообщениеДобавлено: Вт дек 08, 2009 15:48:05 
Сверлит текстолит когтями
Аватар пользователя

Карма: 1
Рейтинг сообщений: 4
Зарегистрирован: Чт окт 15, 2009 14:16:18
Сообщений: 1116
Откуда: Екб
Рейтинг сообщения: 0
GP1 писал(а):
При разомкнутой цепи, после того как кондер зарядится, база будет болтаться в воздухе, а для биполярника - это смерти подобно.

А, ну да забыл тут резик с базы кинуть. Хотя вроде как наоборот, это полевикам жудко не нравится, когда у них затвор в воздухе.


Вернуться наверх
 
 Заголовок сообщения:
СообщениеДобавлено: Вт дек 08, 2009 16:11:32 
Поставщик валерьянки для Кота
Аватар пользователя

Карма: 2
Рейтинг сообщений: 11
Зарегистрирован: Пт май 23, 2008 19:32:22
Сообщений: 2401
Откуда: Россия, Волгоград
Рейтинг сообщения: 0
Медали: 1
Получил миской по аватаре (1)
про полевики ни чего не скажу, когда учился они в большой редкости были, а у БП-транзистора с оторванной базой протекает сквозной ток, приводящий к саморазогреву, в плоть до пробоя.

_________________
Чем дальше, тем больше становлюсь занудой...
Изображение


Вернуться наверх
 
 Заголовок сообщения:
СообщениеДобавлено: Вт дек 08, 2009 16:21:09 
Говорящий с текстолитом

Зарегистрирован: Чт авг 06, 2009 20:34:52
Сообщений: 1627
Откуда: Новосибирск
Рейтинг сообщения: 0
AI_Disable писал(а):
YAA писал(а):
AI_Disable писал(а):
.....Схему? Ну вот вам "схема" ......

Транзистор откроется и "кердык" светодиоду, а заодно и транзистору... :cry:

Да, вы так уверены? :)) Напрасно. Я ведь специально не указал ни одного номинала и напряжения питания... Зачем гадать, если не знаешь ни о каких светодиодах идёт реч, ни о каком Uпит.

Светодиод - не лампочка. Питается током, а не напряжением. Кто в Вашей схеме определяет (ограничивает) ток светодиода? - никто!


Вернуться наверх
 
 Заголовок сообщения:
СообщениеДобавлено: Вт дек 08, 2009 16:28:01 
Встал на лапы
Аватар пользователя

Зарегистрирован: Вт дек 08, 2009 00:53:56
Сообщений: 130
Рейтинг сообщения: 0
ребята, это все хорошо: полевики, ток, база, пробой....
а как насчет моей проблемы с затуханием? :)


Вернуться наверх
 
 Заголовок сообщения:
СообщениеДобавлено: Вт дек 08, 2009 16:32:47 
Говорящий с текстолитом

Зарегистрирован: Чт авг 06, 2009 20:34:52
Сообщений: 1627
Откуда: Новосибирск
Рейтинг сообщения: 0
flusher писал(а):
собрал по второй схеме
поставил
р1 - 22к
р2 - 68р
с1 - 100мкф 35в
транз - бц547с

загорается классно, секунды 2. но когда снимаешь питание с базы то гаснет очень долго - секунд 10 и потом всеравно светится тускло!

и еще попутный вопрос. если диодов будет несколько, транзистор потянет цепочку скажем из 5 штук?


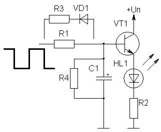
А что является источником прямоугольника? Выход чего?

Добавьте резистор R4 параллельно конденсатору (скажем, тоже 22к)или цепочку из резистора и диода, параллельно R1, тогда заряжаться буде через R1, а разряжаться (если есть куда) через R1 и R3.


Вложения:
Slow1.gif [2.28 KiB]
Скачиваний: 683
Вернуться наверх
 
 Заголовок сообщения:
СообщениеДобавлено: Вт дек 08, 2009 19:02:07 
Встал на лапы
Аватар пользователя

Зарегистрирован: Вт дек 08, 2009 00:53:56
Сообщений: 130
Рейтинг сообщения: 0
пока еще незнаю, не разбирал. это приборка в машине. туда хочу имплонтировать эту схемку.
есть еще вопросы:
как правильно сделать если там последовательная линейка из 5 диодов?
почему когда подопытный диод на прямую через 68р то он светится ярко, а когда через эту схемку он засвечивается и в конце яркость всеравно не такая как при прямом включении. кто виноват?


Вернуться наверх
 
 Заголовок сообщения:
СообщениеДобавлено: Вт дек 08, 2009 19:45:11 
Сверлит текстолит когтями
Аватар пользователя

Карма: 1
Рейтинг сообщений: 4
Зарегистрирован: Чт окт 15, 2009 14:16:18
Сообщений: 1116
Откуда: Екб
Рейтинг сообщения: 0
YAA писал(а):
Светодиод - не лампочка. Питается током, а не напряжением. Кто в Вашей схеме определяет (ограничивает) ток светодиода? - никто!

Элемент питания не был оговорен, так что в данном случаи ток ограничивает внутреннее сопротивление источника. Разумеется, нужно ставить добавочное сопротивление, но не всегда...


Вернуться наверх
 
 Заголовок сообщения:
СообщениеДобавлено: Вт дек 08, 2009 20:38:03 
Говорящий с текстолитом

Зарегистрирован: Чт авг 06, 2009 20:34:52
Сообщений: 1627
Откуда: Новосибирск
Рейтинг сообщения: 0
flusher писал(а):
пока еще незнаю, не разбирал. это приборка в машине. туда хочу имплонтировать эту схемку.
есть еще вопросы:
как правильно сделать если там последовательная линейка из 5 диодов?
почему когда подопытный диод на прямую через 68р то он светится ярко, а когда через эту схемку он засвечивается и в конце яркость всеравно не такая как при прямом включении. кто виноват?

А как проверяли? Если подавали напряжение на вход схемы "вручную", проводком на питание, а потом вход бросали в воздухе, то так и будет - медленно загораться и ещё медленнее гаснуть (конденсатору некуда разряжаться). Если после подачи питания проводок не бросать, а соедининять с землёй (минусом питания) то загораться и гаснуть светодиод будет примерно за одинаковое время.

Яркость крадёт транзистор - между базой и эмиттером будет примерно на 0,6В меньше, чем напряжение питания (лечится коррекцией номинала резистора, задающего ток в светодиод). Поскольку на транзисторе будет выделяться некоторая мощность (он работает не в ключевом, а в линейном режиме), то нужно обратить внимание (посчитать) на нагрев транзистора.

Что касается 5 диодов, то нужно больше конкретики - что за диоды, какое напряжение питания (как я понимаю - бортовая сеть автомобиля).


Вернуться наверх
 
Показать сообщения за:  Сортировать по:  Вернуться наверх
Начать новую тему Ответить на тему  [ Сообщений: 23 ]  1,  

Часовой пояс: UTC + 3 часа


Вы не можете начинать темы
Вы не можете отвечать на сообщения
Вы не можете редактировать свои сообщения
Вы не можете удалять свои сообщения
Вы не можете добавлять вложения

Найти:
Перейти:  


Powered by phpBB © 2000, 2002, 2005, 2007 phpBB Group
Русская поддержка phpBB
Extended by Karma MOD © 2007—2012 m157y
Extended by Topic Tags MOD © 2012 m157y